Розробник та виробник токарно-гвинторізного верстата 16Д20 - Алма-Атинський верстатобудівний завод , заснований у 1932 році як чавуноливарний завод №1 обласного відділу легкої промисловості.
З квітня 1942 року після об'єднання з ливарно-механічним заводом "20 років Жовтня", евакуйованим з Луганська, став називатись Алма-Атинським механічним заводом N21 ім. 20-річчя Жовтня Наркомату середнього машинобудування СРСР.
У 1945 році перейменований на Алма-Атинський верстатобудівний завод ім. 20-річчя Жовтня.
Завод выпускал верстати токарно-винторезные: 16Д20, 16Д20П, 16Д20ПФ1, ТВ16, 16Д25, 1Д95, 1Е95, 1М95.
Рік прийняття до серійного виробництва – 1986.
Токарно-гвинторізні верстати 16Д20 , 16Д20П, 16Д20Г, 16Д25, 16Д25Г можуть застосовуватися в різних галузях промисловості на всіляких операціях для обробки різних матеріалів. Обслуговування верстатів слід здійснювати з урахуванням специфіки їхньої експлуатації.
Верстат призначений для виконання різних токарних робіт і нарізування метричної, модульної, дюймової та різьб. Оброблювані деталі встановлюються у центрах чи патроні.
Клас точності верстата Н, П. При чистовій обробці деталей з конструкційних сталей шорсткість обробленої поверхні V6б.
Відхилення від циліндричності 7 мкм, конусності 20 мкм на довжині 300 мм, відхилення від прямолінійності торцевої поверхні діаметром 300 мм — 16 мкм.
Верстат 16Д20 замінює модель 1К62. За всіма якісними показниками (продуктивності, точності, довговічності, надійності, зручності обслуговування, безпеки роботи тощо) перевершує верстат моделі 1К62. Жорстка коробчата форми станина з гартованими шліфованими напрямними встановлена на монолітній основі.
Шпиндель змонтований на прецизійних підшипниках кочення. На супорті є масштабні лінійки з візирами для зручності визначення величини переміщення різцевих та поперечних санок у процесі роботи. Нова конструкція різцетримача покращує стабільність фіксації. Фартух верстата забезпечений оригінальним механізмом вимикання подачі супорта, що забезпечує високу точність зупинки на жорсткому упорі. Комплекс огороджувальних та блокувальних пристроїв гарантує безпеку роботи на верстаті.
Найбільш доцільно використовувати верстат в інструментальних та ремонтних службах в умовах дрібносерійного та одиничного виробництва на чистових та напівчистових роботах.
Відмінності у технічних характеристиках відображені у розділі основних даних верстатів.
Токарно-гвинторізний верстат підвищеної точності 16Д20П не слід використовувати для чорнової обробки.
Верстати 16Д20 повинні експлуатуватися в закритих опалювальних приміщеннях, кліматичні умови УXЛ4 для країн з помірним кліматом та 04 для країн з тропічним кліматом за ГОСТ 15150-69.
Верстати 16Д20П, 16Д20Г, 16Д25, 16Д25Г виконані на базі основної 16Д20 з максимальною уніфікацією, мають однакові кінематичні схеми та уніфіковану конструкцію:

Габарити робочого простору токарного верстата 16д20

Фото токарно-гвинторізного верстата 16д20
Фото токарно-гвинторізного верстата 16д20. Дивитись у збільшеному масштабі

Фото токарно-гвинторізного верстата 16д20
Фото токарно-гвинторізного верстата 16д20. Дивитись у збільшеному масштабі

Фото токарно-гвинторізного верстата 16д20
Фото токарно-гвинторізного верстата 16д20. Дивитись у збільшеному масштабі

Автоматична коробка швидкостей АКП309-16 токарно-гвинторізного верстата 16д20

Привід токарно-гвинторізного верстата 16д20

Розташування основних вузлів токарно-гвинторізного верстата 16д20

Розташування основних вузлів токарно-гвинторізного верстата 16д20

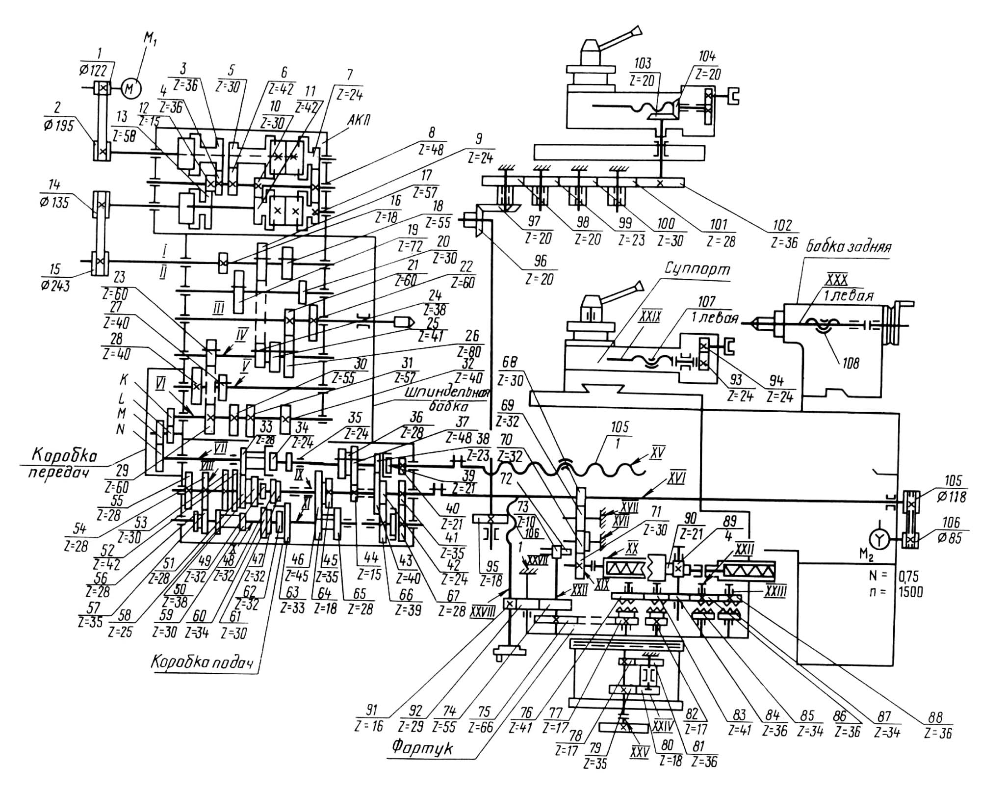
Кінематична схема токарно-гвинторізного верстата 16д20
Схема кінематична токарно-гвинторізного верстата 16Д20. Дивитись у збільшеному масштабі
Кінематична схема приведена для понимания связей і взаимодействия основних елементів верстата. На выносках проставлены числа зубьев (г) шестерен (звездочкой обозначено число заходов червяка).
Вращение шпинделя осуществляется от реверсивного електродвигуна Ml через АКП і переборную коробку соединенными поликлиновыми ременными передачами. Установленная на станке АКП имеет шесть електромагнітних муфт, увімкнення которых в определенной післядовательности позволяет получить девять ступеней скорости і тормозить шпиндель верстата. Переборная коробка дает з помощью включений зубчатых колес 16, 19, 20 і 22 -первую ступень, зубчатых колес 18, 25, 26 і 21 -вторую ступень, зубчатых колес 17, 24, 26 і 21 -третью ступень частоти обертання. Таким образом, шпиндель имеет 27 швидкостей обертання.
Кинематическая ланцюг подачі начинается от шпинделя верстата. Величина подачі или шаг різьби определяется на один оборот шпинделя. От шпинделя через передачу 21, 26, 23, 29 і основной набор сменных шестерен К, L, М, N вращение передається на входной вал коробки подач.
Далее рух подачі проходит через коробку подач і приводит во вращение ходовой винт при нарезании різьби или ходовой вал при всех остальных видах обробки.
Через передачу 23, 28 і 27, 29 получаем все левые різьби. Через передачу 26, 32 получаем удвоение подач і правых резьб. Через передачи 17, 24 і 23, 29 при выведенной из зацепления шестерни 26 получаем подачі, увеличенные в 16 раз. Дополнительно при зацеплении 23, 30, получаем II ниток на I"; при 23, 31, получаем 19 ниток на I".
Вращательное рух ходового гвинта или ходового вала преобразуется механізмом фартука в продольные і поперечные подачі. Пользуясь табл.4, 5, производят установку величин подач і налаштування верстата для нарезки различных резьб.
Механізм головного руху - разделенный і состоит из
Автоматическая коробка передач (АКП) переключается з помощью галетного переключателя 11 (см.рис.10) і позволяет мати 9 швидкостей, которые включаются без остановки шпинделя в одном диапазоне. Переборная группа позволяет получить три диапазона чисел оборотів шпинделя з помощью рукоятки 4 (Е).
Положение рукояток при выборе частоти обертання должно соответствовать значению, указанному в табл.1, 2. В положении 0 шпиндель не вращается.
Наибольшие крутящие моменты, КПД і наиболее слабое звено в различных диапазонах обертання шпинделя приведены в табл.4.
Переборная коробка обеспечивает наличие подач, різьб метрических, модульных, дюймовых, питчевых нормального ряда і дюймовых різьб 11 і 19 ниток на дюйм.
Конструкція верстата позволяет нарезать многозаходные різьби.
Подачи і все правые різьби нормального ряда можно получить з обычным шагом, удвоенным і увеличенным в 16 раз.
Все левые різьби нормального ряда получают з обычным шагом і з шагом, увеличенным только в 16 раз.
Дюймовые різьби 11 і 19 ниток на I" получают з шагом, увеличенным в 2 раза, і з шагом, уменьшенным в 2 раза.
Требуемое положение рукояток переборной коробки для налаштування верстата на любой тип різьби і подачі, приведено в табл.3 при соответствующих положениях рукояток 31, 32, 33 (рис.10).
Основание верстата состоит из станины, установленной на двух і на трех (для верстатів з РМЦ = 2000 мм) тумбах.
Станина верстата коробчатой формы з П-образными ребрами, имеет две призматические і две плоские направляющие. На станине устанавливаются шпиндельна бабка, коробка подач, кронштейн 5 ходового гвинта 2 і ходового велика 4, а также рейка 3.
В нише правого торца станины размещен на подмоторной плите 6 електродвигатель быстрых перемещений суппорта. Плита може перемещаться по скалкам 7.
У верстатів 16Д20Г і 16Д25Г станина выполнена з выемкой, позволяющей обработать детали соответственно диаметром 630 і 700 мм. В етом случае станина имеет вкладыш I. При необходимости обробки деталей большего диаметра вкладыш снижается. Для етого нужно вывернуть пробки I (рис.13), удалить винты 2 і штифты 4. Во избежание нанесения забоин вкладыш 3 необходимо положить на подкладку из мягкого материала і для предотобертання коррозии покрыть тонким слоем масла. Перед установкой вкладыша на станину следует тщательно протереть посадочные поверхности станины і вкладыша, осмотреть і убедиться в отсутствии на них забоин.
Для обробки деталей над выемкой в станине необходимо пользоваться специальным удлиненным резцом или резцовой оправкой, устанавливаемыми в резцедержателе, как показано на рис.14. Оправка 3 устанавливается в резцедержателе 4, різець I крепится гвинтами 2.
ВНИМАНИЕ! При обработке деталей над выемкой частота обертання шпинделя не должна превышать 400 мин-1.
Тумбы верстата - литые, пустотелые. В тумбе левой установлен електродвигатель головного руху, а з правого торца прикреплен масляный бак для централизованной змазки.
В тумбе правой установлен насос і бак для смазочно-охлаждающей жидкости.
Между тумбами на роликах установлено выдвижное корито для сбора стружки і охлаждающей жидкости.
Переборная коробка крепится к заднему торцу шпиндельной бабки і представляет собой редуктор, в котором в качестве выходного вала служит шпиндель верстата. Шестеренный механізм переборной коробки позволяет получить три диапазона частот обертання шпинделя; увеличивать в 2 і в 16 раз передаточные отношения между ланцюгю подач і шпинделем; нарезать правые і левые різьби; дополнительно нарезать дюймовые різьби II і 19 ниток на I", производить деление при нарезании многозаходных різьб на 2, 3, 4, 5, 6, 12, 15, 20, 30, 60 заходов.
Переключення шестерен осуществляется з помощью рукояток через кулачки і рычаги.
Подвижные шестерни перемещаются по шлицевым валам з базированием по внутреннему диаметру.
Смазка переборной коробки централизованная, описана в разделе 8
Шпиндельная бабка крепится на горизонтальной плоскости направляючих станины в її левой частини шестью болтами. Шпиндельная бабка представляет собой жесткую чугунную отливку з одной расточкой, в которой смонтирован шпиндель верстата в цилиндрических конусно-роликовых підшипниках:
ВНИМАНИЕ! Шпиндельные підшипники отрегулированы на заводе-изготовителе верстата і не требуют дополнительного регулювання.
Моторная установка состоит из електродвигуна головного руху, моторной плиты 9 і направляющей штанги 3.
Моторная плита крепится на левой торце правой тумбы двумя прихватами 7 і гвинтами 4, 8. Вращение от електродвигуна головного руху передається поликлиновым ремнем на автоматическую коробку передач - АКП 309-16, которая крепится на задньої стенке тумбы.
За период межремонтного цикла верстат должен быть подвергнут шести осмотрам, четырем малым ремонтам і одному среднему в сроки, указанные в рекомендуемом графике плановых ремонтных работ (рис. 42).
Следует учитывать, что наибольшую еффективность использования верстата може обеспечить рациональное чередование і периодичность осмотров і плановых ремонтов, выполняемых з учетом конкретных для каждого отдельного верстата условий експлуатации.
Категории ремонтосложности верстата:
Наружный осмотр без разборки для выявления дефектов верстата в целом і по вузлам.
Проверка прочности і плотности неподвижных жестких з'єднань (основания з фундаментом; станины з основанием; шпиндельной бабки; коробки подач со станиной; каретки з фартуком; шкивов з валами і т. п.).
Открывание крышек вузлів для осмотра і проверка состояния механізмов.
Выборка люфта в винтовой паре приводу поперечных салазок.
Проверка правильности переключения швидкостей шпинделя і подач.
Регулювання фрикционной муфты головного приводу і ленточного тормоза шпинделя.
Проверка состояния і мелкий ремонт системы змазки.
Проверка состояния, очистка і мелкий ремонт ограждающих кожухов, щитков і т. п.
Выявление изношенных деталей, требующих восстановления или замены при ближайшем плановом ремонтi.
Работы, выполняемые при осмотрах перед другими видами ремонтов и, кроме того, выявление де талей, требующих восстановления или замены, ескізування или заказ чертежей изношенных деталей из вузлів, подвергающихся разборке.
Примечание. При проведении осмотра выполняются те из перечисленных работ, необходимость в которых обусловлена состоянием верстата.
Примечание. При малом ремонтi выполняются те из указанных работ, которые вызываются состоянием ремонтируемого верстата, за исключением работ, предусмотренных в трех післядних пунктах, которые должны выполняться во всех случаях.
| Наименование параметра | 16К20 | 16Д20 | 16Д25 |
|---|---|---|---|
| Основні параметри верстата согласно ГОСТ 440-81 | |||
| Наибольший диаметр заготовки обрабатываемой над станиной, мм | 400 | 400 | 500 |
| Наибольший диаметр заготовки обрабатываемой над суппортом, мм | 220 | 220 | 290 |
| Наибольший диаметр заготовки обрабатываемой над выемкой (обозначение Г), мм | 310 | 630 | 700 |
| Наибольшая длина устанавливаемой детали РМЦ, мм | 710, 1000, 1400, 2000 | 750, 1000, 1500 | 1000, 1500, 2000 |
| Наибольшая масса обрабатываемого вироби в центрах, кг | 1300 | ||
| Шпиндель | |||
| Диаметр отверстия в шпинделе, мм | 52 | 63 | 63 |
| Инструментальный конус шпинделя, мм | Морзе 6 | М80 | М80 |
| Фланец шпинделя, мм | 6К | 6М | 6М |
| Мощность приводу головного руху, кВт | 10 | 11 | 11 |
| Частота обертання шпинделя, об/мин | 12,5..1600 | 8,5..2000 | 8,5..2000 |
| Количество прямых швидкостей шпинделя | 22 | 27 | 27 |
| Количество швидкостей, переключаемых без остановки шпинделя | 9 | 9 | |
| Наибольший крутящий момент на шпинделе, кН*м | 2 | 2 | |
| Суппорт. Подачи | |||
| Высота резца, мм/об | 25 | 25 | |
| Диапазон продольных подач, мм/об | 0,05..2,8 | 0,05..10,7 | 0,05..10,7 |
| Диапазон поперечных подач, мм/об | 0,025..1,4 | 0,025..5,35 | 0,025..5,35 |
| Количество подач продольных/ поперечных | 22/ 24 | 32/ 32 | 32/ 32 |
| Скорость быстрых перемещений продольных/ поперечных, м/мин | 3,8/ 1,9 | 4/ 2 | 4/ 2 |
| Количество резьб, мм | |||
| Пределы шагов метрических резьб, мм | 0,5..112 | 0,5..112 | 0,5..112 |
| Пределы шагов дюймовых резьб, ниток/дюйм | 0,5..112 | 0,25..56 | 0,25..56 |
| Пределы шагов модульных резьб, модуль | 0,5..56 | 0,5..112 | 0,5..112 |
| Пределы шагов питчевых резьб, питч диаметральный | 56..0,5 | 56..0,25 | 56..0,25 |
| Задня бабка | |||
| Центр пиноли задньої бабки по ГОСТ 13214-79 | М5 | М5 | М5 |
| Наибольшее перемещение пиноли, мм | 150 | 150 | 150 |
| Електроустаткування і привод | |||
| Количество електродвигателей на станке | 4 | 3 | 3 |
| Електродвигун головного руху, кВт | 10 | 11 | 11 |
| Електродвигун быстрых перемещений, кВт | 0,75 | 0,75 | 0,75 |
| Електродвигун насоса СОЖ, кВт | 0,12 | 0,125 | 0,125 |
| Електродвигун гідростанції, кВт | 1,1 | - | - |
| Габарити і масса верстата (РМЦ = 1000) | |||
| Габарити верстата (длина ширина высота) (РМЦ = 1000), мм | 2795 х 1190 х 1500 | 2880 х 1270 х 1605 | 2880 х 1320 х 1605 |
| Маса верстата, кг | 3005 | 2800 | 2880 |
Каталог справочник токарно-винторезных верстатів
Паспорти та схеми до токарно-гвинторізних верстатів та обладнання
Купити каталог, довідник, базу даних: Прайс-лист інформаційних видань
Замовити
Хто володіє інформацією – той володіє світом.
Натан Ротшильд