metalinstryment.com
Довідник по металорізальних верстатів та пресовому обладнанні

ВМ127 Верстат консольно-фрезерный вертикальний
Схеми, опис, характеристики

ВМ127 Верстат вертикально-фрезерный консольный







Відомості про виробника консольно-фрезерного верстата ВМ127

Вертикальный консольно-фрезерный універсальний верстат ВМ127 выпускался на предприятии Воткинский машиностроительный завод, основанный в 1759 году.

Металлорежущие верстати на Воткинском машиностроительном заводе выпускаются начиная з 1956 г. Это вертикально-фрезерные верстати 6Н13, ВМ127, ВМ127М, универсально-фрезерные ВМ130, ВМ133, горизонтально-фрезерные верстати з ЧПУ ВМ500ПМФ4, ВМ501ПМФ4, а также токарний настільний верстат Універсал-В.

В настоящее время ОАО «Воткинский завод» головное предприятие ракетно-космического комплекса і изготовитель широкой гаммы гражданской продукции.





Верстати, выпускаемые Воткинским машиностроительным заводом, ВМЗ


ВМ127 (ВМ-127) cтанок вертикальний консольно-фрезерный. Назначение, область применения

Вертикальный консольно-фрезерный верстат ВМ127 спроектирован на базе широко известного фрезерного верстата 6Р13, разработанный на Горьковском заводе фрезерных верстатів і был заменен в кінці 80-х на более совершенный ВМ127М.

Верстат фрезерный консольный вертикальний моделі ВМ127 предназначен для фрезерування всевозможных деталей из стали, чугуна і цветных металлов і сплавов торцовыми, кінцівыми, цилиндрическими, радиусными і другими фрезами в условиях индивидуального, мелкосерийного і серийного производства. Масса детали з пристрійм — до 300 кг.

На станке можно обрабатывать вертикальные, горизонтальные і наклонные плоскости, пазы, углы, рамки, зубчасті колеса і т. д.

Возможность налаштування верстата на различные напівавтоматические і автоматические циклы позволяет организовать многостаночное обслуговування.

Принцип роботи і особливості конструкції верстата

Мощный привід головного руху верстата ВМ-127 і тщательно подобранные передаточные отношения обеспечивают оптимальные режими обробки при различных условиях різання і полное использование возможностей быстрорежущего і твердосплавного инструмента.

Простота обслуживания верстата ВМ-127 переналадка пристосувань і инструмента представляют значительные удобства при использовании верстата в мелкосерийном производстве.

Автоматическая система змазки вузлів обеспечивает неприхотливость і надежность верстата в самых жестких условиях експлуатации.


Загальний вигляд вертикального консольно-фрезерного верстата ВМ127 з УЦИ

вм127 (ВМ-127) Загальний вигляд  консольно-фрезерного верстата

Фото консольно-фрезерного верстата вм127

Фото консольно-фрезерного верстата вм127. Дивитись у збільшеному масштабі



вм127 (ВМ-127) Загальний вигляд  консольно-фрезерного верстата

Фото консольно-фрезерного верстата вм127

Фото консольно-фрезерного верстата вм127. Дивитись у збільшеному масштабі



вм127 (ВМ-127) Загальний вигляд  консольно-фрезерного верстата

Фото консольно-фрезерного верстата вм127



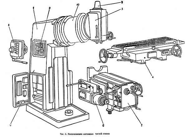
Розташування складових частин консольно-фрезерного верстата ВМ127

вм 127 (ВМ-127) Розташування складових частин консольно-фрезерного верстата

Розташування складових частин консольно-фрезерного верстата вм127

Список основних вузлів консольно-фрезерного верстата ВМ127М (ВМ-127)

  1. Станина - ВМ127.01.010
  2. Коробка швидкостей - ВМ127.03.010
  3. Поворотная головка - 6Р13.31.01В
  4. Стол-салазки - 6Р13.7.01Б
  5. Консоль - 6Р13.6.01Б
  6. Коробка подач - ВМ127.4.01
  7. Електроустаткування - 6Р13.8
  8. Коробка переключений швидкостей шпинделя - 6Р13.5.01
  9. Пристрій електромеханического зажиму инструмента - 6Р13К.93.000

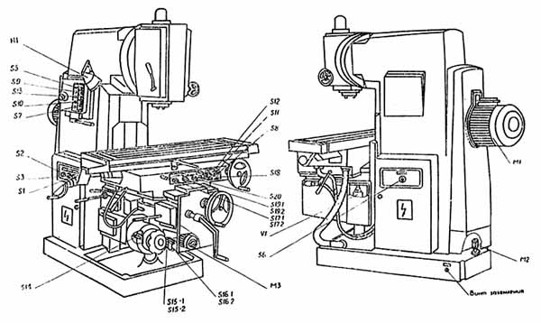
Розташування органів керування фрезерным верстатом ВМ127

ВМ127 (ВМ-127) Органы керування cтанком вертикальным консольно-фрезерным

Розташування органів керування фрезерным верстатом вм127

Список органів керування фрезерным верстатом ВМ127

  1. Кнопка «Стоп» (дублирующая)
  2. Кнопка «Пуск шпинделя» (дублирующая)
  3. Стрелка-указатель швидкостей шпинделя
  4. Указатель швидкостей шпинделя
  5. Кнопка «Быстро стол» (дублирующая}
  6. Кнопка «Импульс шпинделя»
  7. Переключатель зажима—отжима инструмента
  8. Поворот головки
  9. Зажим гильзы шпинделя
  10. Звездочка механізма автоматичного цикла
  11. Рукоятка увімкнення продольных перемещений стола
  12. Зажимы стола
  13. Маховичок ручного продольного переміщення стола
  14. Кнопка «Быстро стол»
  15. Кнопка «Пуск шпинделя»
  16. Кнопка «Стоп»
  17. Переключатель ручного или автоматичного керування продольным переміщенням стола
  18. Маховик ручных поперечных перемещений стола
  19. Рукоятка ручного вертикального переміщення стола
  20. Кольцо-нониус
  21. Лимб механізма поперечных перемещений стола
  22. Кнопка фиксации грибка переключения подач
  23. Грибок переключения подач
  24. Указатель подач стола
  25. Стрелка-указатель подач стола
  26. Рукоятка увімкнення поперечної і вертикальной подач стола
  27. Зажим салазок на направляючих консоли
  28. Рукоятка увімкнення продольных перемещений стола (дублирующая)
  29. Маховичок ручного продольного переміщення стола (дублирующий)
  30. Переключатель ввода «включено-выключено»
  31. Переключатель насоса охлаждения «включено-выключено»
  32. Переключатель направления обертання шпинделя «влево-вправо»
  33. Рукоятка переключения швидкостей шпинделя
  34. Переключатель автоматичного или ручного керування і роботи круглого стола
  35. Зажим консоли на станине
  36. Маховичок выруху гильзы шпинделя
  37. Зажим головки на станине




Кінематична схема фрезерного верстата ВМ127

Кінематична схема фрезерного верстата ВМ127

Кінематична схема фрезерного верстата вм127

Кінематична схема фрезерного верстата ВМ127. Дивитись у збільшеному масштабі



Привід головного руху осуществляется от фланцевого електродвигуна через упругую соединительную муфту.

Числа оборотів шпинделя изменяются передвижением трех зубчатых блоков по шлицевым валам.

Коробка швидкостей сообщает шпинделю 18 различных швидкостей.

Привід подач осуществляется от фланцевого електродвигуна, смонтированного в консоли. По средством двух трехвенцовых блоков і передвижного зубчатого колеса з кулачковой муфтой коробка подач обеспечивает получение 18 различных подач, которые через шариковую предохранительную муфту передаются в консоль і далее при включении з ответствующей кулачковой муфты к гвинтам продольного, поперечного і вертикального перемещений.

Ускоренные переміщення получаются при включении фрікциону швидкого ходу, вращение которого осуществляется через промежуточные зубчасті колеса непосредственно от електродвигуна подач.

Фрикцион сблокирован з муфтой рабочих подач, что устраняет возможность их одновременного увімкнення.

График чисел оборотів шпинделя верстата, поясняющий структуру механізма головного руху, приведен на рис. 9. Вертикальные подачі в 3 раза меньше продольных


Опис конструкції основних вузлів фрезерного верстата ВМ127

Станина

Станина является базовым узлом, на котором монтируются остальные вузли і механізмы верстата і жестко закреплена на основании і зафиксирована штифтами.

Поворотная головка

Поворотная головка (рис. 14) центрируется в кольцевой выточке горловины станины і крепится к ней четырьмя болтами, входящими в Т-образный паз фланца.

Шпиндель

Шпиндель представляет собой двухопорный вал, смонтированный в выдвижной гильзе. Регулювання осьового люфта в шпинделе осуществляется подшлифовкой колец 3 і 4. Повышенный люфт в переднем подшипнике устраняют подшлифовкой полуколец 6 і подтягиванием гайки 1.

Регулировку шпинделя проводят в следующем порядке:

После проверки люфта в подшипнике производят обкатку шпинделя на максимальном числе оборотів

Величину нагрева підшибників характеризуют измерением електротермометром температуры внутренней поверхности конического отверстия.

Избыточная температура поверхности инструментального конуса не должна превышать 55°С.

Вращение шпинделю передається от коробки швидкостей через пару конических і пару цилиндрических зубчатых колес, смонтированных в головке.

Смазка підшибників і шестерен поворотной головки осуществляется от насоса станины, а смазка механізма переміщення гильзы — шприцеванием.

Для демонтажу шпинделя з пинолью из корпуса головки необходимо:

Примечание: Перед демонтажом гвинта подачі пиноли необходимо принять меры, исключающие самопроизвольное выпадение пиноли со шпинделем из корпуса головки (вывести ось шпинделя в горизонтальное положение или применить специальные упоры под торец пиноли или шпинделя).

Сборку производить в обратном порядке.




Коробка швидкостей

Коробка швидкостей смонтирована непосредственно в корпусе станины. Соединение коробки з валом електродвигуна осуществляется упругой муфтой, допускающей несоосность в установці двигуна до 0,5—0,7 мм.

Осмотр коробки швидкостей можно производить через окно з правой стороны.

Смазка коробки швидкостей осуществляется от плунжерного насоса (рис. 13), приводимого в действие ексцентриком. Производительность насоса около 2 л/мин. Масло к насосу подводится через фильтр. От насоса масло поступает к маслораспределителю, от которого по медной трубке отводится на глазок контроля роботи насоса і по гибкому шлангу в поворотную головку. Элементы коробки швидкостей смазываются разбрызгиванием масла, поступающего из отверстий трубки маслораспределителя, расположенного над коробкой швидкостей.

Коробка переключения швидкостей

Коробка переключения швидкостей позволяет выбирать требуемую скорость без послідовного прохождения промежуточных ступеней.

Рейка 1 (рис. 16), передвигаемая рукояткой переключателя 5, посредством сектора 2 через вилку 8 (рис. 15) перемещает в осевом направлении главный валик 3 з диском переключения 7.

Диск переключения можно поворачивать указателем швидкостей 9 через конические шестерни 14 і 16, Диск имеет несколько рядов определенного размера отверстий, расположенных против штифтов реек 17 и 19.

Рейки попарно зацепляются з зубчатым колесом 18. На одной из каждой пары реек крепится вилка переключения. При перемещении диска нажимом на штифт одной из пары обеспечивается возвратно-поступательное перемещение реек.

При етом вилки в кінці ходу диска занимают положение, соответствующее зацеплению определенных пар шестерен. Для исключения возможности жесткого упора шестерен при переключении штифты 6 реек подпружинены.

Фиксация лимба при выборе скорости обеспечивается шариком 13, заскакивающим в паз звездочки 10.

Регулювання пружины 11 производится пробкой 12 з учетом четкой фиксации лимба і нормального зусилля при его повороте.

Рукоятка 5 (см. рис. 16) во включенном положении Удерживается за счет пружины 4 і шарика 3. При етом шип рукоятки входит в паз фланца.

Соответствие швидкостей значениям, указанным на указателе, достигается определенным положением конических колес по зацеплению. Правильное зацепление устанавливается по кернам на торцах сопряженного зуба і впадины или при установці указателя в положение скорости 31,5 об/мин, і диска з вилками в положение скорости 81,5 об/мин. Зазор в зацеплении конической пары не должен быть больше 0,2 мм, так как диск за счет етого може повернуться до 1 мм.

Смазка коробки переключения осуществляется от системы змазки коробки швидкостей разбрызгиванием масла. Отсутствие масляного дождя може вызвать недопустимый нагрев щечек вилок переключения і привести к заеданию вилок, их деформации или поломке.

Плоскость разъема уплотняется прокладкой или бензиноупорной смазкой БУ, ГОСТ 7171-78.

Коробка подач

Коробка подач фрезерного верстата ВМ127

Коробка подач фрезерного верстата вм127

Коробка подач фрезерного верстата ВМ127. Дивитись у збільшеному масштабі



Коробка подач обеспечивает получение рабочих подач і быстрых перемещений стола, салазок і консоли. Кинематику коробки подач см. на рис. 8.

Получаемые в результате переключения блоков скорости обертання передаются на выходной вал 7 (рис. 17) через шариковую предохранительную муфту, кулачковую муфту 15 і втулку 16, соединенную шпонкой з кулачковой муфтой 15 і выходным валом 7.

При перегрузке механізма подач шарики, находящееся в контакте з отверстиями кулачковой втулки 17, сжимают пружины і выходят из контакта. При етом зубчатое колесо 2 проскальзывает относительно кулачковой втулки 17 і рабочая подача прекращается. Быстрое вращение передається от електродвигуна, минуя коробку подач, зубчатому колесу 6, которое сидит на хвостовике корпуса фрікциону 10 і имеет, таким образом, постоянное число оборотів. При монтаже необходимо проверить затяжку гайки 8. Корпус фрикционной муфты должен свободно вращаться между зубчатым колесом 9 і упорным подшипником.

Диски фрікциону через один связаны з корпусом фрікциону, который постоянно вращается, і втулкой 4, которая, в свою очередь, соединена шпонкой з выходным валом 7.

При нажатии кулачковой муфты 15 на торец втулки 14 і далее на гайку 5 диски 11 і 12 сжимаются і передают быстрое вращение выходному валу 7 і зубчатому колесу 9.

При регулировании предохранительной муфты снимается крышка 19 (рис. 18) і вывертывается пробка 20.

На место пробки вставляется стальной стержень так, чтобы конец его вошел в одно из отверстий на наружной поверхности гайки 1 (см. рис. 17), которая застопоривается. Плоским стержнем через окно крышки повертывается за зубья зубчатое колесо 2. После регулировки гайка обязательно контрится от самопроизвольного отворачивания стопором 18.

Регулювання считается правильным, если при встречном фрезеровании цилиндрической фрезой удается фрезеровать чугун марки СЧ15 при следующих параметрах режима різання:

При етих режимах муфта може периодически прощелкивать.

Регулювання зазору между дисками фрікциону производится гайкой 5, которая от самопроизвольного переміщення заперта фиксатором 13.

Коробка переключения подач

Коробка переключения подач (рис. 19) входит в узел коробки подач. Принцип її роботи аналогичен работе коробки переключения швидкостей.

Для предотобертання смещения диска 21 в oceвом направлении валик 29 запирается во включенном положении шариком 24 і втулкой 28. Попадая в кольцевую проточку валика 27, шарики освобождают от фиксации валик 29 при нажиме на кнопку.

Фиксация поворота диска переключения 21 осуществляется шариком 22 через фиксаторную втулку 25, связанную шпонкой з валиком 29.

Регулювання зусилля фиксации поворота диска переключения производится резьбовой пробкой 23. Смазка коробки подач осуществляется разбрызгиванием масла, поступающего из системы змазки консоли. Кроме етого, в нижней частини платика консоли имеется отверстие (сверление в нагнетательную полость насоса змазки), через которое смазка поступает к маслораспределителю коробки подач.

От маслораспределителя отводятся две трубки: нa глазок контроля роботи насоса і для змазки підшибників. Непосредственно через маслораспределитель масло подается на смазку підшибників фрикционной муфты.

Для достижения плотности стыка коробки подач і консоли разрешается установка коробки подач, кроме прокладки, на бензиноупорную смазку БУ (ГОСТ 7171-78, если прокладка не обеспечивает достаточной герметичности.




Консоль

Консоль является базовым узлом, объединяющим вузли ланцюги подач верстата. В консоли смонтирован ряд валов і зубчатых колес, передающих рух от коробки подач в трех направлениях — к гвинтам поздовжньої, поперечної і вертикальной подач, механізм увімкнення швидкого ходу, електродвигатель подач. В узел «консоль» входит также механізм увімкнення поперечных і вертикальних подач. Зубчатое колесо 8 (рис. 20) получает рух от колеса 9 (см. рис. 17) і передает его на зубчасті 7, 4, 2 і 1 (см. рис. 20). Зубчатое колесо 4 смонтировано на подшипнике і може передавать рух валу только через кулачковую муфту 6, связанную з валом. Далее через пару цилиндрических і пару конических колес рух передається на винт 14 (рис. 21).

Зацепление конической пары 10 і 15 отрегулировано компенсаторами 12 і 13 і зафиксировано винтом, входящим в засверловку пальца 11.

Втулка 16 имеет технологическое значение і никогда не демонтируется.

Гайка вертикальних перемещений закреплена в колонке. Колонка установлена точно по винту і зафиксирована штифтами на основании верстата.

Зубчатое колесо 2 (см. рис. 20), смонтированное на гильзе, через шпонку і шлицы постоянно вращает шлицевой вал IX ланцюги продольного ходу.

Винт поперечної подачі X получает вращение через зубчатое колесо 2 і свободно сидящее на валу колесо 1 при включенной кулачковой муфте поперечного ходу.

Для демонтажу залов VII і VIII необходимо снять коробку подач і крышку з левой стороны консоли, після чего через окно консоли вывернуть стопори у зубчатых колес 8 і 9.

Демонтаж салазок можно произвести після демонтажу шлицевого вала IX.

При демонтаже салазок необходимо также демонтировать кронштейн поперечного ходу или винт поперечної подачі.

Для полного демонтажу вертикального гвинта необходимо предварительно снять узел «стол-салазки».

Механізм увімкнення швидкого ходу

Механізм увімкнення швидкого ходу выключает кулачковую муфту подачі 15 і сжимает диски 1 і 12 фрикционной муфты (см. рис. 17). I Рычаг 21 (рис. 22) посажен на ось 24 і связан з ней штифтом; ось давлением пружины 26 отжимается в направлении зеркала станины. На оси 24 имеется две пары гаек. Правые гайки 22 предназначены для регулювання зусилля пружины. Левые 23, упираясь в торец втулки 25, закрепленной в стенке консоли, служат для ограничения і регулювання ходу оси, что необходимо для облегчения ввода підшипника в паз кулачковой муфты во время монтажа коробки подач на консоли, а также для устранения осевых ударных нагрузок на подшипник вала при включении кулачковой муфты. Рычаг имеет на задньої стенке уступ, в который упирается шип фланца втулки 27. При повороте втулки рычаг 21 перемещается і сжимает пружину 26. Ось 28 на втором кінці имеет мелкий зуб, обеспечивающий возможность монтажа рычага 29, соединяющего ось 28 з тягой електромагнита, под необходимым углом.

Электромагнит через тягу і шарниры скреплен з вилкой 19, от которой через гайку 17 і пружину 18 усилие передається на рычаг 29. Таким образом, независимо от зусилля, развиваемого електромагнитом, усилие на рычаге определяется степенью затяжки пружины 18.

Ланцюг увімкнення швидкого ходу от електромагнита до фрикционной муфты должна удовлетворять следующим условиям:

Гайка 17 регулируется так, чтобы сердечник електромагнита во включенном положении был полностью втянут. Усилие сжатия дисков определяется величиной натяга пружины 18 і не зависит от величины зазору в дисках. ВНИМАНИЕ!

РЕГУЛИРОВАТЬ ЗАЗОР В ДИСКАХ, ПОЛАГАЯ, ЧТО ЭТО УВЕЛИЧИТ СИЛУ СЖАТИЯ ДИСКОВ, ЗАПРЕЩАЕТСЯ.

Зусилля електромагнита при включении, передаваемые через рычаги, могут расшатывать систему, поетому при осмотрах і ремонтi необходимо проверять сохранность шплинтов, крепление гайки 17, посадку шпонок і крепление самого електромагнита на крышке консоли. Износ підшипника 20 увеличивается, если усилие его прижима не ограничивается гайками 22 і 23.

Механізм увімкнення вертикальной і поперечної подач

Механізм увімкнення вертикальной і поперечної подач выполнен в отдельном корпусе і управляет включением і отключением кулачковых муфт поперечної і вертикальной подач і електродвигуна подач.

При движении рукоятки вправо или влево, вверх или вниз связанный з ней барабан 32 (рис. 23) совершает соответствующие руху і своими скосами управляет через рычажную систему включением кулачковых муфт, а через штифты — конечными выключателями мгновенного дії, расположенными ниже механізма і предназначенными для реверса електродвигуна подачі.

Тяга 33 связывает барабан з дублирующей рукояткой. В своей средней частини на ней закреплен рычаг, на который действуют кулачки, ограничивающие поперечний ход. В кінці тяга имеет рычаг для ограничения вертикальних перемещений. При увімкненнях і виключеннях поперечного ходу тяга перемещается поступательно, а вертикального ходу — поворачивается.

Блокировка, предохраняющая от увімкнення маховички і рукоятки ручных перемещений при включении механической подачі, включает в себя коромысло 6 і штифт 5 (см. рис. 20).

При включении кулачковой муфты рукояткой подачі коромысло 6 при перемещении муфты поворачивается, передвигает штифт, который упирается в дно кулачковой муфты маховичка или рукоятки, і отодвигает их, не давая возможности кулачкам сланцюгиться.

Если система имеет повышенный люфт, необходимо выпрессовать пробку вала VII, расконтрить гайку 30 (см. рис. 23) і подвернуть винт 31. После проверки люфта необходимо тщательно законтрить гайку 30.

Система змазки консоли включает в себя плунжерный насос (рис. 24), золотниковый распределитель (рис. 25), маслораспределитель і отходящие от него трубки, подающие масло к підшипникам, зубчатым колесам, гвинтам поперечного і вертикального перемещений. Плунжерный насос змазки консоли, коробки подать механізмов вузла «стол-салазки» засасывает масло через сетку фильтра из масляной ванны і подает его по трубке к золотниковому распределителю.

От золотникового распределителя отводятся трубки для змазки вертикальних направляючих консоли, на штуцер гибкого шланга змазки вузла «стол-салазки» і к маслораспределителю консоли. Производительность насоса около 1 л/мин.

При нажиме на кнопки (см. рис. 25) доступ масла к маслораспределителю перекрывается і оно от насоса поступает соответственно на вертикальные направляющие консоли или для змазки вузла «стол-салазки».

Смазка на вертикальний винт поступает через отверстия в зубчатом колесе і в самом винте.

Стол і салазки

Стол і салазки (рис. 26) обеспечивают продольные і поперечные переміщення стола.

Ходовой винт 1 получает вращение через скользящую шпонку гильзы 9, смонтированную во втулках 5 і 7. Гильза через шлицы получает вращение от кулачковой муфты 6 при сцеплении її з кулачками втулки 5, жестко связанной з коническим зубчатым колесом 4. Втулка 5 имеет зубчатый венец, з которым сцепляется зубчатое колесо приводу круглого стола. Кулачковая муфта 6 имеет зубчатый венец для осуществления обертання гвинта поздовжньої подачі при переміщеннях от маховичка.

Зубчатое колесо 45 (рис. 30) подпружинено на случай попадания зуба на зуб. Зацепление з шестерней 45 може быть только в случае расцепления муфты 6 з втулкой 5 (см. рис. 26).

Таким образом, маховичок 24 (рис. 30) блокируется при механических подачах.

Гайки 2 і 3 ходового гвинта (рис. 26) расположены в левой частини салазок. Правая гайка 3 зафиксирована двумя штифтами в корпусе салазок, левая гайка 2, упираясь торцем в правую при повороте її червяком выбирает люфт в винтовой паре. Для регулювання зазору необходимо ослабить гайку 11 (рис. 27) и, вращая валик 10, произвести подтягивание гайки 2 (рис. 26). Выбор люфта необходимо производить до тех пор, пока люфт ходового гвинта, проверяемый поворотом маховичка продольного ходу, окажется не более 3—5° і пока при перемещении стола вручную не произойдет заклинивание гвинта на каком-либо участке, необходимом для робочого ходу.

После регулировки нужно затянуть контргайку 11 (см. рис. 27), зафиксировать валик 10 в установленном положении.

Стол в своих торцах соединяется з ходовым винтом через кронштейны, установка которых производится по фактическому расположению гвинта, і фиксируется контрольными штифтами. Упорные підшипники смонтированы на разных концах гвинта, что устраняет возможность его роботи на продольный изгиб. При монтаже гвинта обеспечивается предварительный натяг ходового гвинта гайками з усилием 100—125 кг.

Зазор в направлениях стола і салазок выбирается клиньями. Регулювання клина 12 стола (рис. 28) производится при ослабленных гайках 13 і 15 подтягиванием гвинта 14 отверткой.

После проверки регулювання ручным переміщенням стола гайки надежно затягиваются.

Зазор в направляючих салазок регулируется клипом 17 при помощи гвинта 16. Степень регулювання проверяется переміщенням салазок вручную.

Зажим салазок на направляючих консоли обеспечивается планкой 8 (см. рис. 26).

Механізм увімкнення поздовжньої подачі

Механізм увімкнення поздовжньої подачі (рис. 29) осуществляет увімкнення кулачковой муфты продольного ходу, а также включение, вимкнення і реверсирование електродвигуна подач.

Рукоятка 21 жестко соединена з осью 20 і поворачивает рычаг 18, по криволинейной поверхности которого в процессе переключения катится ролик 30 (см. рис. 30). При нейтральном положении рычага ролик находится в средней впадине, при включенном — в одной из боковых впадин.

Рух ролика через рычаг 31 передається штоку 40 і через зубчатое колесо 42 — рейке 46 і вилке 44, ведущей кулачковую муфту.

Пружина 37, регулируемая пробкой 36, постоянно нажимает на шток 40. Пружина 39 обеспечивает возможность увімкнення рукоятки при попадании зуба на зуб кулачковой муфты. Регулювання пружины 39 производится винтом 38 при помощи ключа, который вставляется через отверстие пробки 36. Чрезмерное сжатие пружины 37 ослабляет действие пружины 39. На одной оси з рычагом 31 сидит рычаг 33, который служит для увімкнення кулачковой муфты кулачком 34, прикрепленным к тяге 35. Тяга соединяет основную рукоятку продольного ходу з дублирующей.

Увімкнення і реверсирование електродвигуна подач производится конечными выключателями 32. Відключення двигуна происходит після виключення кулачковой муфты.

На ступице 22 (см. рис. 29) рукоятки продольного ходу имеются выступы, на которые воздействуют кулачки ограничения продольного ходу или (при автоматических циклах) керування продольным ходом.

При снятой крышке 28 (см. рис. 30) можно проверить работу контактов конечных выключателей і при необходимости очистить их от пригара.

Механізм автоматичного цикла

Механізм автоматичного цикла обеспечивает возможность керування столом от кулачков. На оси рукоятки продольного ходу смонтированы жестко связанные между собой звездочки 23 і 19 увімкнення швидкого ходу при работе верстата на авто-





Електроустаткування верстата ВМ127

Загальні відомості

Електрична схема фрезерного верстата вм127

Електрична схема фрезерного верстата вм127

Електрична схема фрезерного верстата вм127. Дивитись у збільшеному масштабі



Список елементів електрической схеми фрезерного верстата вм127

Список елементів електрической схеми фрезерного верстата вм127

Список елементів електрической схеми фрезерного верстата вм127. Дивитись у збільшеному масштабі



Диаграмма роботи конечных выключателей при автоматическом цикле фрезерного верстата вм127

Диаграмма роботи конечных выключателей при автоматическом цикле

Диаграмма роботи конечных выключателей при автоматическом цикле верстата вм127. Дивитись у збільшеному масштабі



В настоящем руководстве приведены відомості по експлуатации електроустаткування верстата моделі BMI27.

На каждом из указанных верстатів могут применяться наступні величины напряжений переменного тока:

Конкретно для каждого верстата питающее напряжение указывается в свидетельстве о приемке.

Освещение робочого места производится светильником з гибкой стойкой типа НКСО, смонтированным слева на станине.

В консоли расположен електромагнит VI для быстрых перемещений.

Кнопки керування смонтированы на пультах, которые находятся на консоли і на левой стороне станины.

Все аппараты керування размещены на четырех панелях, встроенных в нише з дверками, на лицевую сторону которых выведены рукоятки следующих органів керування:

Електросхема передбачає работу в трех режимах: наладочном, от рукояток і по автоматическому циклу.

Завод-изготовитель оставляет за собой право вносить в електрообладнання верстатів дальнейшие изменения і усовершенствования.

При уходе за електрообладнанням необходимо периодически проверять состояние пусковой і релейной апаратури.

При осмотрах релейной апаратури особое внимание следует обращать на надежное замыкание і размыкание контактных мостиков.

Во время експлуатации електродвигателей следует систематически производить их технические осмотры і профилактические ремонты. Периодичность технических осмотров устанавливается в зависимости от производственных условий, но не реже одного раза в два месяца. При профилактических ремонтах должна производиться разборка електродвигуна, внутренняя і наружная чистка, замена змазки підшибників. Смену змазки підшибників при нормальных условиях роботи следует производить через 4000 часов роботи, по при работе електродвигуна в пыльной і влажной среде її следует производи; чаще — по мере необходимости.

Перед набивкой свежей смазкой підшипники должны быть тщательно промыты бензином. Камеру заполняют смазкой на 2/3 її объема. Рекомендуемая смазка підшибників приведена в таблице 10.

Первоначальный пуск

При первоначальном пуске верстата необходимо прежде всего проверить внешним осмотром надежность заземления і качество монтажа електроустаткування. После осмотра на клеммных наборах панелей отключить провода живлення всех електродвигателей. При помощи вводного выключателя S1 Верстат подключить к цеховой сети.

ВНИМАНИЕ!

Рукоятка вводного выключателя имеет фиксацию в отключенном положении. Для установки рукоятки выключателя в положение «включено» необходимо:

Проверить четкость срабатывания магнитных пускачів і реле при помощи кнопок і переключателей верстата, ограничение движений в наладочном режиме, при управлении верстатом от рукояток в автоматическом цикле і при работе з круглым столом.




Опис роботи електросхеми

Електросхема позволяет производить работу на станке в следующих режимах: «Керування от рукояток», «Автоматическое керування» продольными переміщеннями стола. «Круглый стол».

Подключение верстата к сети і відключення осуществляется вводным выключателем S1. Выбор режима роботи производится переключателем S6. Работа верстата в наладочном режиме при невращающемся шпинделе обеспечивается установкой реверсивного переключателя S2 в среднее нулевое положение.

ВНИМАНИЕ!

ПРЕЖДЕ ЧЕМ ОТКЛЮЧИТЬ СТАНОК ОТ СЕТИ ИЛИ ПРОИЗВЕСТИ РЕВЕРС ПРИ РАБОТАЮЩЕМ ЭЛЕКТРОДВИГАТЕЛЕ ШПИНДЕЛЯ НЕОБХОДИМО КНОПКОЙ «СТОП» ОТКЛЮЧИТЬ ЭЛЕКТРОДВИГАТЕЛЬ.

Для облегчения переключения швидкостей шпинделя і подачі в станке предусмотрено импульсное увімкнення електродвигуна шпинделя кнопкой, а електродвигуна подачі — конечным выключателем импульса S14. При нажатии кнопки S9 включаются К4 і К1. Н. О. контакты К1 включают реле К3, которое за счет своего н. о. контакта становится на самопитание, а н. з. контактом разрывает ланцюг живлення К4.

При управлении от рукояток робота електросхеми обеспечивается замыканием рабочих цепочек через контакты командоапаратів S17; S19; S15; S16; S?.

Увімкнення і відключення електродвигуна подачі осуществляется двумя командоаппаратами: для поздовжньої подачі S17; S19, для вертикальной і поперечної подач— S15; S16. Увімкнення і відключення обертання шпинделя осуществляется соответственно кнопками «Пуск», S10, S11, «Стоп» S7, S8. Кнопкой «Стоп» одновременно з отключением електродвигуна обертання шпинделя отключается і електродвигатель подачі.

Быстрый ход стола происходит при нажатии S12 кнопки «Быстро», включающей пускателем КЗ електромагнит швидкого ходу VI.

Торможение електродвигуна шпинделя — електродинамическое і осуществляется пускателем К2, создающим ланцюг постоянного тока от выпрямителя VI в обмотку статора. Реле напряжения К1 служит для защиты диодов от пробоя. Напряжение обмотки Т1 равно 36 В при напряжении сети 220 В і 65 В при напряжении сети 380 В.

При работе на одной из подач возможность случайного увімкнення другой подачі взаимоисключается, блокировка осуществляется конечными выключателями Sl5..S19.

При автоматическом управлении переключатель S6 должен быть установлен в положение «Автоматический цикл». Кроме того, необходимо произвести механическое переключение валика, расположенного в салазках верстата, в положение «Автоматический цикл».

При післяднем положении валика кулачковая муфта продольного ходу заперта і конечный выключатель S20 нажат.

Автоматическое керування осуществляется при помощи кулачков, устанавливаемых на столе. При движении стола кулачки, воздействуя на рукоятку увімкнення поздовжньої подачі (см. рис. 34) і верхнюю звездочку 2, производят необходимые переключения в електросхеме і механізмах.

Керування быстрым ходом в автоматических циклах осуществляется конечным выключателем S18.

Конечный выключатель S20 исключает возможность увімкнення поперечных і вертикальних подач в етом режиме роботи.

Работа електросхеми в етом режиме объясняется диаграммой і происходит следующим образом: при отключенной рукоятке 1 шток 4 должен находиться в глубокой впадине звездочки 3, контакты 41—17 конечного выключателя S18 должны быть замкнуты (положение 0 на диаграмме). С включением рукоятки 1 вправо включается быстрый ход стола вправо (положение 1 на диаграмме). Відключення швидкого ходу в нужной точке происходит при воздействии кулачка За на звездочку 2 (положение 2 на диаграмме), при повороте которой шток 4 попадает в малую впадину звездочки 3, а оба контакта конечного выключателя S18 размыкаются. Стол продолжает рух на подаче. При воздействии кулачков 1а і 3б на рукоятку 1 і звездочку 2 происходит реверс подачі і увімкнення швидкого ходу влево (положение 3 і 4 па диаграмме). При переходе рукоятки 1 через положение 0 питание пускателя Ко осуществляется через контакты 35—43 конечного выключателя S18. Шток 4 в етот момент должен находиться на участке постоянной кривизны звездочки 3 (положение 3 на диаграмме). Відключення швидкого ходу влево і конец цикла осуществляется при переводе рукоятки 1 кулачком 6 в нейтральное положение (положение 5 на диаграмме).

Работа електросхеми на других циклах происходит аналогично.

Вказівки но монтажу і обслуговування електроустаткування

ВНИМАНИЕ! ПРИ УСТАНОВКЕ СТАНОК ДОЛЖЕН БЫТЬ НАДЕЖНО ЗАЗЕМЛЕН И ПОДКЛЮЧЕН К ОБЩЕЙ СИСТЕМЕ ЗАЗЕМЛЕНИЯ.

Для етой цели внизу на станине з правой стороны имеется болт заземления.

При подготовке електроустаткування к пуску верстата і післядующей работе необходимо строго выполнять все требования правил технической експлуатации електроустановок у потребителя і правил техники безопасности при експлуатации електроустановок потребителем, выпущенных Министерством енергетики і електрификации СССР. Правила утверждены Государственной инспекцией по енергетическому надзору.

ВНИМАНИЕ! НЕ РАЗРЕШАЕТСЯ ОБСЛУЖИВАНИЕ ЭЛЕКТРООБОРУДОВАНИЯ СТАНКА ЛИЦАМИ, НЕ ИМЕЮЩИМИ СООТВЕТСТВУЮЩЕЙ КВАЛИФИКАЦИИ.

Надежность і долговечность роботи електроустаткування верстата обеспечивается систематическими техническими осмотрами. При етом необходимо: периодически производить наружный осмотр, очистку електродвигателей і електроапаратури от пыли і грязи, подтягивание контактных винтов, очистку дугогасительных камер от нагара; проверять надежность соединения електродвигателей з приводными механізмами, заземление верстата.

Поверхности стыка сердечника з якорем пускачів во избежание появления ржавчины рекомендуется периодически смазывать машинным маслом з післядующим обязательным снятием масла сухой тряпкой.




ВМ127 Верстат консольно-фрезерный вертикальний. Відеоролик.



Технічні данные і характеристики верстата ВМ127

Наименование параметра ВМ127 ВМ127М
Рабочий стол
Класс точності по ГОСТ 8-82 Н Н
Максимальная нагрузка на стол (по центру), кг 300 800
Розміри рабочей поверхности стола (длина х ширина), мм 1600 х 400 1600 х 400
Число Т-образных пазов Розміри Т-образных пазов 3 3
Наибольшее перемещение стола продольное механическое і ручное, мм 1000 1010
Наибольшее перемещение стола поперечное механическое, мм 300 300
Наибольшее перемещение стола поперечное от руки, мм 320 320
Наибольшее перемещение стола вертикальное механическое, мм 400 400
Наибольшее перемещение стола вертикальное от руки, мм 420 420
Наименьшее і наибольшее расстояние от торца шпинделя до стола при ручном перемещении, мм
* Размер 30 мм обеспечивается за счет выруху шпинделя
30..500* 30..500
Расстояние от оси шпинделя до вертикальних направляючих станины, мм 620 420
Перемещение стола на одно деление лимба (продольное, поперечное, вертикальное), мм 0,05 0,05
Перемещение стола на один оборот лимба продольное, мм 4 4
Перемещение стола на один оборот лимба поперечное, мм 6 6
Перемещение стола на один оборот лимба вертикальное, мм 2 2
Шпиндель
Частота обертання шпинделя, об/мин 31,5..1600 40..2000
Количество швидкостей шпинделя 18 18
Наибольший крутящий момент, кгс.м 137
Ескіз кінця шпинделя ГОСТ 836-72
Конус шпинделя 50 50АТ5
Наибольшее осевое перемещение пиноли шпинделя, мм 80 80
Перемещение пиноли на один оборот лимба, мм 4 4
Перемещение пиноли на 1 деление лимба, мм 0,05 0,05
Наибольший угол поворота шпиндельной головки, град ±45 ±45
Цена одного деления шкалы поворота головки, град 1
Механіка верстата
Быстрый ход стола продольный і поперечний, мм/мин 3000 3000
Быстрый ход стола вертикальний, мм/мин 1000 1000
Число ступеней рабочих подач стола 18 18
Пределы рабочих подач. Продольных і поперечных, мм/мин 25..1250 25..1250
Пределы рабочих подач. Вертикальных, мм/мин 8,3..416,6 8,3..416,6
Выключающие упоры подачі (поздовжньої, поперечної, вертикальной) есть есть
Блокировка ручной і механической подачі (поздовжньої, поперечної, вертикальной) есть есть
Блокировка раздельного увімкнення подачі есть есть
Автоматическая прерывистая подача Продольная есть есть
Автоматическая прерывистая подача Поперечная і вертикальная нет
Торможение шпинделя есть есть
Предохранение от перегрузки (муфта) есть есть
Привод
Количество електродвигателей на станке 3 4
Електродвигун приводу головного руху М1, кВт 11 11
Електродвигун насоса охлаждающей жидкости М2, кВт 0,12 0,12
Електродвигун приводу подач М3, кВт 3 2,1
Електродвигун зажиму инструмента М4, кВт - АИР56В2УЗ
Электронасос охлаждающей жидкости Тип Х14-22М П-32МС10
Производительность насоса СОЖ, л/мин 22 22
Габарит верстата
Габарити верстата, мм 2560 х 2260 х 2430 2560 х 2260 х 2500
Масса верстата, кг 4250 4250

Примечания

  1. Полную величину указанных ходов можно использовать только при отсутствии деталей і устройств, ограничивающих перемещение стола, салазок или консоли, например:
  2. При етом необходимо установить ограничительные упоры з учетом отклонения подачі в пределах ограничения переміщення стола, салазок или консоли.
  3. Во всех случаях использования полных ходов з механической подачей необходимо проверить возможность роботи на холостом ходу і при обработке внимательно наблюдать за работой верстата.
  4. В связи з наличием перебегов перемещаем вузлів по инерции фактическая величина механических ходов Уменьшена на величину 10—20 мм соответствии з чем присверлены ограничительные кулачки.
  5. Габарити верстатів, приведенные в таблице, характеризуют «упаковочные» или наибольшие розміри при условии установки перемещающих вузлів в среднее положение. При расчете занимаемой верстатом площади необходимо к размеру ширины верстата прибавить значение продольного ходу стола 1000 мм (в каждую сторону по 500 мм).

    Список литературы:

  1. Верстат специализированный фрезерный консольный ВМ127. Руководство по експлуатации ВМ12700.00.000, 1982
  2. Схема електрична принципова 6Р13.8.000 Э3
  3. Схема електрична з'єднань 6Р13.8.000 Э4

  4. Аврутин С.В. Основы фрезерного дела, 1962
  5. Аврутин С.В. Фрезерне дело, 1963
  6. Ачеркан Н.С. Металлорежущие верстати, Том 1, 1965
  7. Барбашов Ф.А. Фрезерне дело 1973, с.141
  8. Барбашов Ф.А. Фрезерные роботи (Профтехобразование), 1986
  9. Блюмберг В.А. Справочник фрезеровщика, 1984
  10. Григорьев С.П. Практика координатно-расточных і фрезерных работ, 1980
  11. Копылов Р.Б. Работа на фрезерных верстатах,1971
  12. Косовский В.Л. Справочник молодого фрезеровщика, 1992, с.180
  13. Кувшинский В.В. Фрезерование,1977
  14. Ничков А.Г. Фрезерные верстати (Библиотека станочника), 1977
  15. Пикус М.Ю. Справочник слесаря по ремонту металлорежущих верстатів, 1987
  16. Плотицын В.Г. Расчёты настроек і наладок фрезерных верстатів, 1969
  17. Плотицын В.Г. Наладка фрезерных верстатів,1975
  18. Рябов С.А. Современные фрезерные верстати і их оснастка, 2006
  19. Схиртладзе А.Г., Новиков В.Ю. Технологическое обладнання машиностроительных производств, 1980
  20. Тепинкичиев В.К. Металлорежущие верстати, 1973
  21. Чернов Н.Н. Металлорежущие верстати, 1988
  22. Френкель С.Ш. Справочник молодого фрезеровщика (3-е изд.) (Профтехобразование), 1978