metalinstryment.com
Довідник по металорізальних верстатів та пресовому обладнанні

СФ-15 Верстат консольно-фрезерный вертикальний з поворотной головкой
схеми, опис, характеристики

СФ-15 Загальний вигляд  консольного фрезерного верстата







Відомості про виробника консольно-фрезерного верстата СФ-15

Вертикальный консольно-фрезерный верстат СФ-15 производил Луганский станкостроительный завод.

Луганский станкостроительный завод одним из первых в бывшем Советском Союзе освоил крупносерийное производство фрезерных верстатів з цикловой і числовой системами программного керування. Заводом были разработаны і запущены в производство особо сложные высокопроизводительные верстати з автоматичною сменой инструмента і числовым программным керуванням моделей СВМ1Ф4 і СФ68Ф3П. На заводе освоен выпуск малогабаритных токарных МС-03 і МС-04, фрезерных МС-51, МС-54, СВФ1 і сверлильных верстатів СВС1-010.





Верстати, выпускаемые Луганским станкостроительным заводом


СФ15 Верстат консольно-фрезерный вертикальний. Назначение, область применения

Фрезерный верстат СФ15 предназначен для фрезерування всевозможных деталей из стали, чугуна і цветных металлов торцевыми, цилиндрическими, кінцівыми, радиусными фрезами в условиях индивидуального і серийного производства. В серийном производстве, благодаря наличию напівавтоматических і автоматических циклов, верстати могут успешно использоваться на работах операционного характера в поточных і автоматических лініях.

Принцип роботи і особливості конструкції верстата

Вертикальные консольно-фрезерные верстати моделей СФ-15 представляют собой електрифицированные верстати, обладающие високою точностью і жесткостью.

На верстатах СФ-15 можно обрабатывать вертикальные і горизонтальные плоскости, пазы, углы, нарезать зубчасті колеса і прочее.

Фрезерование зубчатых колес, разверток, спиралей, контура кулачков і прочих деталей, требующих периодического или непрерывного поворота вокруг своей оси, производятся на данных верстатах о применением делительной головки или накладного круглого стола.

Благодаря наличию механізма выборки люфта в винтовой паре поздовжньої подачі стола, на станке можно производить встречное і попутное фрезерование, как в простых режимах, так і в режимах з автоматическими циклами.

Наиболее еффективное использование верстата СФ-15 достигается при обработке деталей методом скоростного фрезерування.

Применение верстата в автоматическом цикле при обработке различных ступенчатых деталей, фрезеровании внутренних і наружных рамок і т. д. в условиях мелко і крупносерийного производства, позволяет решать задачи роста его еффективности.

Работа верстата СФ-15 (6С12) обеспечивает высокую точность фрезерування. Это достигается введением в привід подач вузла замедления, сводящего до минимума инерционные перебеги стола і обеспечивающего высокую стабильность размеров при повторении циклов. На станке предусмотрен автоматический отвод детали от инструмента при ускоренных переміщеннях стола і возврат її в исходное положение при переходе на рабочую подачу, что предохраняет обработанную поверхность от повреждений инструментом і сокращает машинное время.

Гідравлический механізм выбора люфта в паре винт-гайка способствует сохранению постоянного натяжения независимо от степени износа гайки. Благодаря етому можно широко применять на станке прогрессивный метод попутного фрезерування. Наличие на станке поворотной шпиндельной головки і возможность переміщення шпинделя в осевом направлении позволяют производить фрезерование под различными углами.

Кнопками одновременно можно осуществлять рух стола в 2-х—3-х направлениях, а также толчковый режим (рух стола только при нажатой кнопке).

В зависимости от потребностей возможны наступні варіанти керування:

На станке СФ-15 могут быть установлены поворотный стол, делительная головка і ряд других пристосувань, расширяющих технологические возможности верстатів.

Класс точності верстатів Н.





Загальний вигляд вертикального консольно-фрезерного верстата СФ-15

СФ-15 Загальний вигляд  консольно-фрезерного верстата

Фото вертикального консольно-фрезерного верстата сф-15


Розташування органів керування консольно-фрезерным верстатом СФ-15

СФ-15 Розташування складових частин і органів керування консольно-фрезерного верстата

Розташування органів керування консольно-фрезерным верстатом сф-15

Розташування органів керування консольно-фрезерным верстатом СФ-15. Дивитись у збільшеному масштабі



Список органів керування консольно-фрезерным верстатом СФ-15

  1. Рукоятка продольного переміщення стола
  2. Пульт керування «Лівий»
  3. Рукоятка переключения швидкостей
  4. Винт зажиму пиноли
  5. Фиксатор нулевого положения головки
  6. Рукоятка переміщення пиноли
  7. Кран СОЖ
  8. Блок путевых конечных выключателей «Продольно»
  9. Панель електрична
  10. Ограничительные кулачки
  11. Винт поворота головки
  12. Гайка зажиму головки
  13. Упор выруху пиноли
  14. Ограничительные кулачки
  15. Ограничительные кулачки
  16. Ограничительные кулачки
  17. Пульт керування «Правый»
  18. Рукоятка зажиму салазок
  19. Лимб продольного переміщення
  20. Лимб вертикального переміщення
  21. Лимб поперечного переміщення
  22. Рукоятка переключения подач
  23. Кнопка "Ускоренная подача"
  24. Кнопка «Пуск шпинделя»
  25. Кнопка «Загальний стоп»

Список складових частин консольно-фрезерного верстата СФ-15





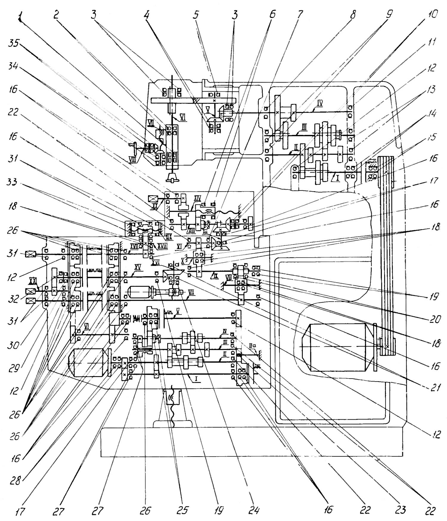
Схема кінематична консольно-фрезерного верстата СФ-15

СФ-15 Схема кінематична консольно-фрезерного верстата

Кінематична схема консольно-фрезерного верстата сф-15

Схема кінематична консольно-фрезерного верстата СФ-15. Дивитись у збільшеному масштабі



Шпиндельная головка консольно-фрезерного верстата СФ-15

СФ-15 Шпиндельная головка консольно-фрезерного верстата

Шпиндельная головка консольно-фрезерного верстата сф-15

Шпиндельная головка консольно-фрезерного верстата СФ-15. Дивитись у збільшеному масштабі



Список складових частин шпиндельной головки консольно-фрезерного верстата СФ-15

  1. підшипники горизонтального вала
  2. винты регулировочные
  3. підшипники промежуточного вала
  4. трубка для змазки
  5. шайба
  6. підшипники
  7. винт
  8. гайка
  9. кронштейн
  10. шестерни конические
  11. гайка
  12. винт
  13. гайка подвижная
  14. шестерня
  15. підшипники
  16. пиноль
  17. роликоподшипник радиальный А—3182118
  18. шпиндель
  19. полукольца
  20. шарикоподшипник радиально-упорный СА—36214
  21. кольцо
  22. вал промежуточный
  23. стаканы
  24. болт
  25. стаканы
  26. винт

Опис шпиндельной головки верстата

Поворотная шпиндельна головка представляет собой фасонную чугунную отливку, в расточках которой смонтированы:

Передней опорой шпинделя служит двухрядный радиальный роликоподшипник А3182118. Задней опорой является два радиально-упорных шарикопідшипника СА 36214. Натяжение підшипника задньої опори шпинделя осуществляется подшлифовкой колец 22, а підшипника А3182118 — полуколец 20.

Шпиндель — разгруженный. Осевые і радиальные нагрузки, возникающие на шестерне 14, воспринимаются непосредственно корпусом через підшипники.

Механізм переміщення пиноли состоит из кронштейна з гайкой 8, жестко закрепленных на пиноли і гвинта 7, получающего вращение через коническую пару 10, при повороте маховика. При перемещении пиноли необходимо отпустить зажимной винт, расположенный на передньої стороне шпиндельной головки.

Поворот шпиндельной головки осуществляется при помощи червячной передачи, вмонтированной во фланцевую часть станины.

Монтаж і демонтаж шпиндельной головки верстата

Монтаж головки производится при снятом червяке. Вставив головку в станину на 50% її посадки, провернуть шпиндель 19 для совмещения шлицев, затем полостью головку установить і закрепить.

Ввернуть червяк з втулкой і застопорить его винтом і коническим штифтом.

Регулювання зацепления конических шестерен

Регулировку зацепления конических шестерен вести переміщенням стаканов 24 і 26. Для етого необходимо отпустить 3 гвинта 27 і 3 болта 25. При перемещении винтов 27 производить регулировку.

Боковий зазор между зубьями конической передачи должен быть в пределах 0,17 — 0,24 мм. Длина пятна контакта не менее 50% длины зуба, ширина — не менее 50% рабочей высоты зуба.

Регулювання підшибників

Регулювання всех радиально-упорных підшибників производится за счет подшлифовок колец. Підшипники 21 верхней опори шпинделя устанавливаются з предварительным натягом.

Предварительный натяг нижнего підшипника 18 должен обеспечиваться посадкой підшипника на коническую шейку шпинделя за счет подшлифовки полуколец 20.

Осевой люфт підшибників промежуточного вала 23 должен быть в пределах 0,02—0,03 мм.

Регулювання люфта в паре винт-гайка

Для выбора люфта в паре винт-гайка отпустить гайку 11 і винт 12, затем поворотом подвижной гайки 13 устранить люфт і законтрагаить ее.





Технічні характеристики консольного фрезерного верстата СФ-15

Наименование параметра СФ-15 СФ-35 6Р12 6Т12
Основні параметри верстата
Розміри поверхности стола, мм 1250 х 320 1250 х 320 1250 х 320 1250 х 320
Наибольшая масса обрабатываемой детали, кг 250 400
Расстояние от торца шпинделя до стола, мм 460 40..450 30..450 30..450
Расстояние от оси шпинделя до вертикальних направляючих станины (вылет), мм 400 400 350 380
Рабочий стол
Наибольший продольный ход стола (X), мм 950 900 800 800
Наибольший поперечний ход стола (Y), мм 300 300 250 320
Наибольший вертикальний ход стола (Z), мм 410 410 420 420
Перемещение стола на одно деление лимба продольное (X), поперечное (Y), мм 0,05 0,05 0,05
Перемещение стола на одно деление лимба вертикальное (Z), мм 0,01 0,01 0,01 0,01
Пределы продольных і поперечных подач стола (X, Y), мм/мин 20..2500 20..1000 12,5..1600 12,5..1600
Пределы вертикальних подач стола (Z), мм/мин 8..400 8..400 4,1..530 4,1..530
Количество подач продольных/ поперечных/ вертикальних 18 18 22 22
Скорость быстрых перемещений продольных (X), поперечных (Y), м/мин 2,5 3 4 4
Скорость быстрых перемещений вертикальних (Z), м/мин 1 1,2 1,330 1,330
Усилие, допускаемое механізмом подач для поздовжньої подачі (X), кг 1400
Усилие, допускаемое механізмом подач для поперечної подачі (Y), кг 410
Усилие, допускаемое механізмом подач для вертикальной подачі (Z), кг 740
Шпиндель
Частота обертання шпинделя, об/мин 31,5..1600 31,5..1600 40..2000 31,5..1600
Количество швидкостей шпинделя 18 18 18 18
Перемещение пиноли шпинделя, мм 80 80 70 70
Кінець шпинделя. Конус фрезерного шпинделя 50 ГОСТ 15945-70 50 ГОСТ 24644-81 № 3 ГОСТ 836-62
Поворот шпиндельной головки вправо і влево, град ±45° ±45° ±45° ±45°
Механіка верстата
Выключающие упоры подачі (поздовжньої, поперечної, вертикальной) Есть Есть Есть Есть
Блокировка ручной і механической подач (поздовжньої, поперечної, вертикальной) Есть Есть Есть Есть
Блокировка раздельного увімкнення подач Есть Есть Есть Есть
Торможение шпинделя Есть Есть Есть Есть
Предохранительная муфта от перегрузок Есть Есть Есть Есть
Автоматическая прерывистая подача Есть Есть Есть Есть
Електроустаткування, привод
Количество електродвигателей на станке 4 4 3 4
Електродвигун приводу головного руху, кВт (об/мин) 5,5 5,5 (1500) 7,5 7,5
Електродвигун приводу подач, кВт (об/мин) 1,5 1,5 (1500) 2,2 3
Електродвигун насоса механізма выбора люфта, кВт (об/мин) 0,08 0,09 (1500) - -
Електродвигун зажиму инструмента, кВт - - 0,25
Електродвигун насоса охлаждающей жидкости, кВт (об/мин) 0,125 0,125 (3000) 0,12 0,12
Суммарная мощность всех електродвигателей, кВт 7,21 9,825 10,87
Габарит і масса верстата
Габарити верстата (длина ширина высота), мм 2000 х 2230 х 2030 2100 х 2250 х 2090 2305 х 1950 х 2020 2280 х 1965 х 2265
Масса верстата, кг 3000 3050 3120 3250

    Список литературы:

  1. Верстати вертикально-фрезерные моделей 6С12 і СФ-15. Руководство по експлуатации. Луганский станкостроительный завод им. Ленина, 1970

  2. Аврутин С.В. Основы фрезерного дела, 1962
  3. Аврутин С.В. Фрезерне дело, 1963
  4. Ачеркан Н.С. Металлорежущие верстати, Том 1, 1965
  5. Барбашов Ф.А. Фрезерне дело 1973, с.141
  6. Барбашов Ф.А. Фрезерные роботи (Профтехобразование), 1986
  7. Блюмберг В.А. Справочник фрезеровщика, 1984
  8. Григорьев С.П. Практика координатно-расточных і фрезерных работ, 1980
  9. Копылов Р.Б. Работа на фрезерных верстатах,1971
  10. Косовский В.Л. Справочник молодого фрезеровщика, 1992, с.180
  11. Кувшинский В.В. Фрезерование,1977
  12. Ничков А.Г. Фрезерные верстати (Библиотека станочника), 1977
  13. Пикус М.Ю. Справочник слесаря по ремонту металлорежущих верстатів, 1987
  14. Плотицын В.Г. Расчёты настроек і наладок фрезерных верстатів, 1969
  15. Плотицын В.Г. Наладка фрезерных верстатів,1975
  16. Рябов С.А. Современные фрезерные верстати і их оснастка, 2006
  17. Схиртладзе А.Г., Новиков В.Ю. Технологическое обладнання машиностроительных производств, 1980
  18. Тепинкичиев В.К. Металлорежущие верстати, 1973
  19. Чернов Н.Н. Металлорежущие верстати, 1988
  20. Френкель С.Ш. Справочник молодого фрезеровщика (3-е изд.) (Профтехобразование), 1978









Заказать

Кто владеет информацией - тот владеет миром.

Натан Ротшильд