metalinstryment.com
Довідник по металорізальних верстатів та пресовому обладнанні

СФ-15 Електроустаткування верстата
Електросхема верстата

СФ-15 Загальний вигляд  консольного фрезерного верстата







Відомості про виробника консольно-фрезерного верстата СФ-15

Вертикальный консольно-фрезерный верстат СФ-15 производил Луганский станкостроительный завод.

Луганский станкостроительный завод одним из первых в бывшем Советском Союзе освоил крупносерийное производство фрезерных верстатів з цикловой і числовой системами программного керування. Заводом были разработаны і запущены в производство особо сложные высокопроизводительные верстати з автоматичною сменой инструмента і числовым программным керуванням моделей СВМ1Ф4 і СФ68Ф3П. На заводе освоен выпуск малогабаритных токарных МС-03 і МС-04, фрезерных МС-51, МС-54, СВФ1 і сверлильных верстатів СВС1-010.





Верстати, выпускаемые Луганским станкостроительным заводом


СФ15 Верстат консольно-фрезерный вертикальний. Назначение, область применения

Фрезерный верстат СФ15 (6С12) предназначен для фрезерування всевозможных деталей из стали, чугуна і цветных металлов торцевыми, цилиндрическими, кінцівыми, радиусными фрезами в условиях индивидуального і серийного производства. В серийном производстве, благодаря наличию напівавтоматических і автоматических циклов, верстати могут успешно использоваться на работах операционного характера в поточных і автоматических лініях.

Принцип роботи і особливості конструкції верстата

Вертикальные консольно-фрезерные верстати моделей СФ-15 представляют собой електрифицированные верстати, обладающие високою точностью і жесткостью.

На верстатах СФ-15 можно обрабатывать вертикальные і горизонтальные плоскости, пазы, углы, нарезать зубчасті колеса і прочее.

Фрезерование зубчатых колес, разверток, спиралей, контура кулачков і прочих деталей, требующих периодического или непрерывного поворота вокруг своей оси, производятся на данных верстатах о применением делительной головки или накладного круглого стола.

Благодаря наличию механізма выборки люфта в винтовой паре поздовжньої подачі стола, на станке можно производить встречное і попутное фрезерование, как в простых режимах, так і в режимах з автоматическими циклами.

Наиболее еффективное использование верстата СФ-15 достигается при обработке деталей методом скоростного фрезерування.

Применение верстата в автоматическом цикле при обработке различных ступенчатых деталей, фрезеровании внутренних і наружных рамок і т. д. в условиях мелко і крупносерийного производства, позволяет решать задачи роста его еффективности.

Работа верстата СФ-15 (6С12) обеспечивает высокую точность фрезерування. Это достигается введением в привід подач вузла замедления, сводящего до минимума инерционные перебеги стола і обеспечивающего высокую стабильность размеров при повторении циклов. На станке предусмотрен автоматический отвод детали от инструмента при ускоренных переміщеннях стола і возврат її в исходное положение при переходе на рабочую подачу, что предохраняет обработанную поверхность от повреждений инструментом і сокращает машинное время.

Гідравлический механізм выбора люфта в паре винт-гайка способствует сохранению постоянного натяжения независимо от степени износа гайки. Благодаря етому можно широко применять на станке прогрессивный метод попутного фрезерування. Наличие на станке поворотной шпиндельной головки і возможность переміщення шпинделя в осевом направлении позволяют производить фрезерование под различными углами.

Кнопками одновременно можно осуществлять рух стола в 2-х—3-х направлениях, а также толчковый режим (рух стола только при нажатой кнопке).

В зависимости от потребностей возможны наступні варіанти керування:

На станке СФ-15 могут быть установлены поворотный стол, делительная головка і ряд других пристосувань, расширяющих технологические возможности верстатів.

Класс точності верстатів Н.





Загальний вигляд вертикального консольно-фрезерного верстата СФ-15

СФ-15 Загальний вигляд  консольно-фрезерного верстата

Фото вертикального консольно-фрезерного верстата сф-15


Розташування органів керування консольно-фрезерным верстатом СФ-15

СФ-15 Розташування складових частин і органів керування консольно-фрезерного верстата

Розташування органів керування консольно-фрезерным верстатом сф-15

Розташування органів керування консольно-фрезерным верстатом СФ-15. Дивитись у збільшеному масштабі



Список органів керування консольно-фрезерным верстатом СФ-15

  1. Рукоятка продольного переміщення стола
  2. Пульт керування «Лівий»
  3. Рукоятка переключения швидкостей
  4. Винт зажиму пиноли
  5. Фиксатор нулевого положения головки
  6. Рукоятка переміщення пиноли
  7. Кран СОЖ
  8. Блок путевых конечных выключателей «Продольно»
  9. Панель електрична
  10. Ограничительные кулачки
  11. Винт поворота головки
  12. Гайка зажиму головки
  13. Упор выруху пиноли
  14. Ограничительные кулачки
  15. Ограничительные кулачки
  16. Ограничительные кулачки
  17. Пульт керування «Правый»
  18. Рукоятка зажиму салазок
  19. Лимб продольного переміщення
  20. Лимб вертикального переміщення
  21. Лимб поперечного переміщення
  22. Рукоятка переключения подач
  23. Кнопка "Ускоренная подача"
  24. Кнопка «Пуск шпинделя»
  25. Кнопка «Загальний стоп»

Список складових частин консольно-фрезерного верстата СФ-15






Електроустаткування специализированного вертикального фрезерного верстата СФ-15 (6С12), СФ-35. 1982 год

Питание ланцюгів електроустаткування осуществляется следующими напряжениями:

Електроустаткування верстата предназначено для подключения к трехфазной сети переменного тока з глухозаземленным или изолированным нейтральным проводом.

На станке установлены четыре трехфазных короткозамкнутых асинхронных електродвигуна:

Установленная мощность верстата 7,21 кВт

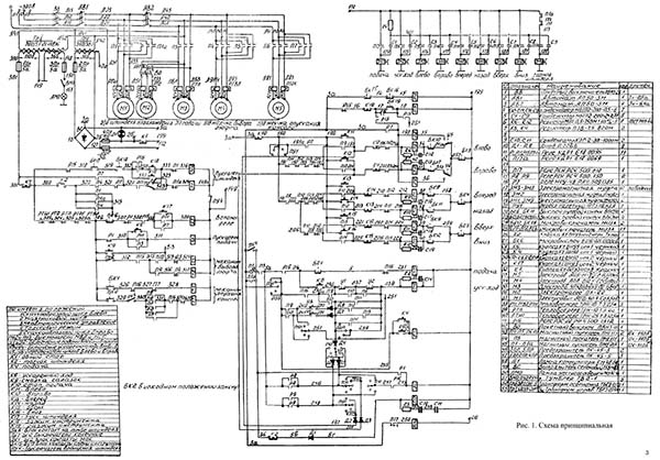
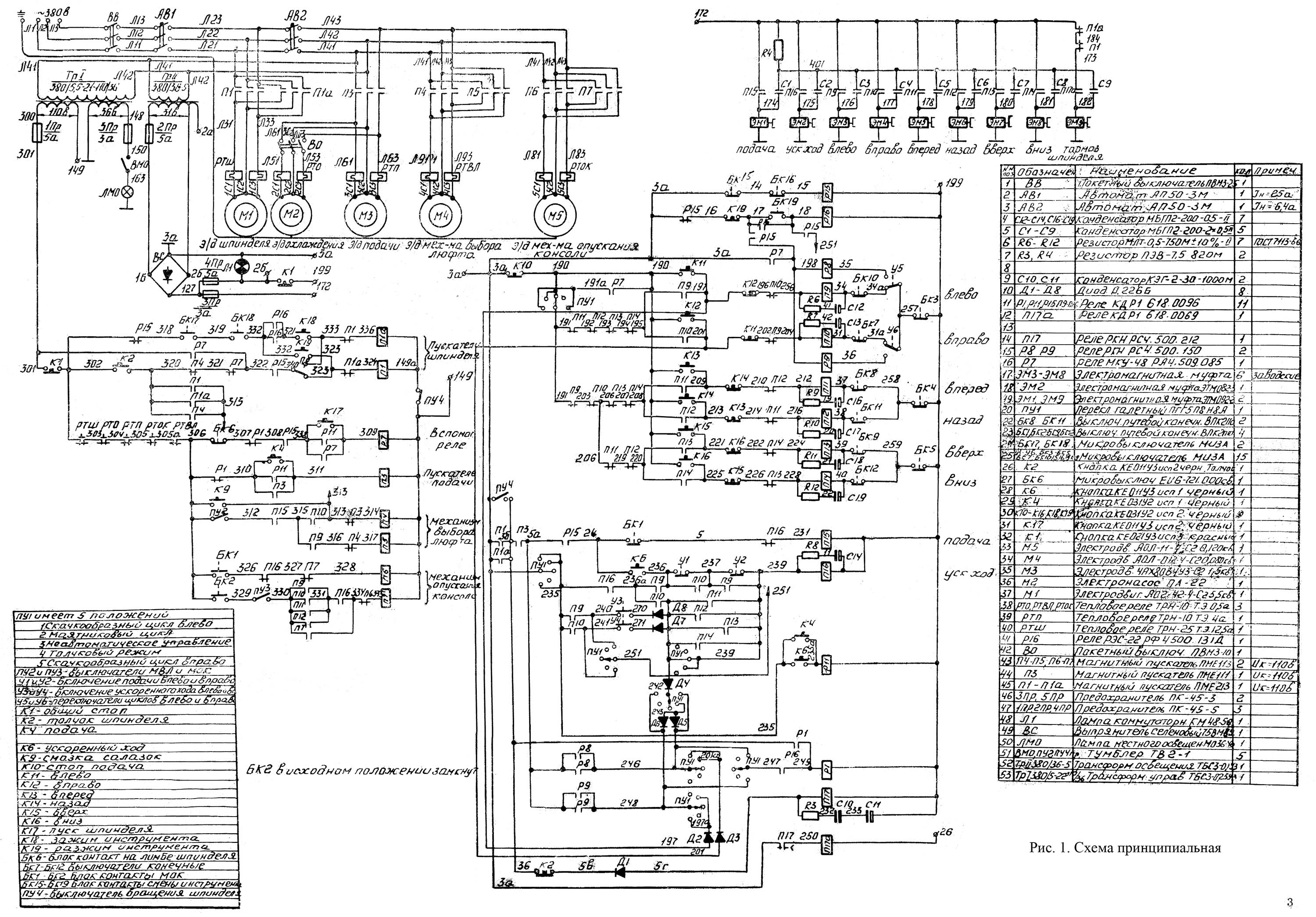
Схема електрична вертикального фрезерного верстата СФ-15 (6С12), СФ-35

Електрична схема вертикального фрезерного верстата СФ-15 (6С12), СФ-35

Схема електрична вертикального фрезерного верстата СФ-15 (6С12), СФ-35. Дивитись у збільшеному масштабі



Схема електрична вертикального фрезерного верстата СФ-15 (6С12), СФ-35

Електрична схема вертикального фрезерного верстата СФ-15 (6С12), СФ-35

Схема електрична вертикального фрезерного верстата СФ-15 (6С12), СФ-35. Дивитись у збільшеному масштабі



Схема Монтажная вертикального фрезерного верстата СФ-15 (6С12), СФ-35

Монтажная схема вертикального фрезерного верстата СФ-15 (6С12), СФ-35

Схема Монтажная вертикального фрезерного верстата СФ-15 (6С12), СФ-35. Дивитись у збільшеному масштабі



Напряжение питающей сети 380 В. Ланцюги автоматики выполнены аппаратурой на напряжение 110 В переменного тока і 24 В постоянного тока. Обмотка 29 В трансформатора используется для живлення ланцюгів автоматики і електромуфт напряжением 24 В постоянного тока через диодный выпрямитель.

Все управляющее верстатом електрообладнання размещено на 2-х панелях, расположенных в нишах станины. Подача напряжения на верстат осуществляется включением выключателя QS.

Задание режимов роботи верстата осуществляется переключателем керування SA22. Переключатель керування SA22 имеет 2 положения, соответствующих следующим режимам роботи:

Предварительное увімкнення шпинделя влево или вправо осуществляется переключателем SA5

Механизма выбора люфта - выключателем SA7.

В станке имеется 9 електромагнітних муфт:

В качестве пускателя електродвигуна шпинделя использован пускатель ПМЕ-213У4;

Керування рухуми верстата осуществляется з левого і правого пультов керування, расположенных соответственно слева і справа на салазках.

В станке выключатели кнопочные имеют следующее назначение:

На станке имеется шесть конечных выключателей SQ1..SQ6 продольных, поперечных і вертикальних (по два на каждое направление), ограничивающих перемещение стола, з помощью двигуна подач, в соответствующих направлениях.

В схеме имеются в соответствия з выключателями кнопочными девять реле - пускачів соответствующих електромуфт:

Кроме того имеется вспомогательное реле KV15 для увімкнення електродвигуна шпинделя.


Работа верстата в режимах

Неавтоматическое керування. Перемещение стола возможны при включенных електродвигунах подачі, шпинделя і одном из пускачів муфт направлений реле KV3...KV8.

Увімкнення електродвигателей шпинделя і подачі осуществляется нажатием соответственно на кнопочний выключатель "пуск шпинделя" SB5 і "подача" SB6.

Пускатели муфт направлений включаются соответствующими кнопочными выключателями направлений SB9... SB14.

После отпускания кнопочного выключателя направления соответствующий пускатель остается подтянутым, питаясь через собственный нормально-открытый контакт і п'ять нормально-закрытых контактов остальных пускачів.

Это позволяет включать любое направление, не прибегая к кнопочному выключателю "стоп", а просто нажимая на кнопочний выключатель нового нужного направления.

При 2-х или 3-х нажатых кнопочных выключателях направлений осуществляется соответствующее число одновременных движений. Поочередное отпускание нажатых кнопочных выключателей приводит к прекращению соответствующего руху. Отпускание післяднего из нажатых кнопочных выключателей соответствующего руху не прекращает, что соответствует одному нажатому і отпущенному кнопочному выключателю. Для остановки руху следует нажать кнопочний выключатель "стоп подача". Одновременное нажатие кнопочных выключателей противоположных направлений прекращает рух стола. Ускоренный ход любого направления выключается соответственно нажатием кнопочного выключателя "ускоренный ход" SB15.

При етом електродвигатели подачі і шпинделя должны быть ранее включены посредством кнопочных выключателей і должно сработать одно из реле KV3...KV8 пускачів муфт направлений. При отпускании кнопочного выключателя "ускоренный ход" SВ15 автоматически включается подача.


Толчковый режим

Работа схеми в толчковом режиме отличается тем, что пускатели муфт направлений KV3...KV8 включившись, не переходят на самопитание через свой нормально-открытый контакт і п'ять нормально-закрытых контактов остальных пускачів.


Механізм выбора люфта

Работа механізма выбора люфта задастся выключателем SA7. Механізм выбора люфта работает только при продольных подачах стола. При подаче влево М4 имеет правое вращение, при подаче вправо -левое вращение. Это осуществляется контактами реле KV3 і KV4.

Когда верстат не работает, нажатием електрогідравлічного выключателя SB7 осуществляется ланцюг живлення пускателя KM, і насос выбора люфта работает для змазки салазок, отпустив выключатель SB7, прекращаем работу насоса.


Торможение шпинделя

Торможение шпинделя осуществляется електромагнитной муфтой УС9, внутренние диски которой механически связаны з нерухомим валом, внешние з шестерней. Ланцюг живлення муфты торможения шпинделя создается при обесточивании обмотки пускателя шпинделя KM1 или КМ2 через их контакты і контакт реле KV14.

Катушка реле KV13 питается через контакты пускачів KM1 или КМ2 і при отпадании післядних обесточивается, но вследствие наличия включенной параллельно катушке реле KV13 цепочки з конденсатором і ограничивающим сопротивлением, размыкание контакта реле KVl4 в ланцюги живлення муфты торможения задерживается на 4..5 секунд, в течение которых происходит торможение шпинделя.


Механический зажим инструмента

Механический зажим инструмента должен производиться при скорости обертання шпинделя, равной 40 об/мин. Для смены инструмента необходимо:

  1. Поднять пиноль вверх, при етом выключатели SA10, SA11 выключаются і реле KV16 отключится;
  2. Установить частоту обертання шпинделя на 40 об/мин, при етом SA3 і SA4 закроются і подготовят ланцюг увімкнення KM1 і КМ2 от выключателей SB2 і SB3;
  3. Сменить инструмент, для чего нажать на выключатель SB2 і держать его до полного освобождения инструмента, снять его, поставить новый инструмент. Нажать на выключатель SB3 і держать его до полного закрепления инструмента. При полном зажиме инструмента предохранительная муфта будет срабатывать (прощелкивать), при етом SА12 закроется і включит KV17, которое отключит пускатель КМ2, а следовательно, і електродвигатель шпинделя;
  4. Затем установить нужные обороты шпинделя, опустить пиноль в рабочее положение, і схема будет готова для дальнейшей роботи.

  5. Толчок шпинделя

    При нажатии на выключатель SВ4 подается питание на катушку пускателя KM1 или КМ2, в зависимости от положения переключателя SA5. Пускатель KM1 или КМ2 через свои контакты подает питание на катушку пускателя КМ4, который становится на самопитание і своим контактом прерывает питание пускателя КМ1 или КМ2.

    Для повторного увімкнення пускателя KM1 или КМ2 необходимо отпустить выключатель SB4 і снова его нажать.


    Местное освещение і сигналізація

    Трансформатор TV1с обмоткой местного освещения на 380-24 В.

    На левой стороне станины верстата светильник НКС з лампой EL на 40 Вт і выключателем SA1.

    Лампа HL сигнализирует, что на схему подано напряжение (вводной выключатель включен).


    Блокировки електроустаткування верстата


    Захист електроустаткування верстата

    Схемой предусмотрены наступні защиты:

    1. От короткого замыкания - автоматические выключатели і плавкие предохранители;
    2. Нулевая защита - питание пускачів через свои контакты;
    3. Вторичная обмотка трансформатора TV1 на напряжение 24В, служащая для живлення лампы местного освещения EL заземлена.

    Реле КДР, технические данные

    Уход за реле КДР і его регулировка

    В процессе експлуатации необходимо периодически производить механическую регулировку важнейших механических параметров реле:

    Регулювання производится следующим образом:

    1. Величина якоря реле регулируется изменением угла изгиба. Ход якоря измеряется щупом на краю изолирующей планки. В ету планку упираются пружины контактных групп.
    2. Зазоры контактов регулируются изгибанием рессорных пружин. Величина зазору разомкнутых контактов определяется щупом между контактными наклепами в свободном состоянии якоря для Фронтовых пружин.
    3. Давление контактных пружин на изолирующую планку или па ведущие пружины регулируется изгибанием пружин у их основания. Контактное давление достигается изгибанием контактных пружин після регулювання ходу якоря.
    4. Величина переміщення якоря вдоль оси сердечника регулируется изменением упорной пластины якоря, измеряется щупом і соответствует расстоянию между корпусом реле і точкой перегиба.

    Муфта електромагнитная (рис.18)

    Многодискова електромагнитная муфта (рис.18) предназначена для передачи крутящего момента величиной до 68,6 Нм ( 7кгм).

    Обмотка електромагнита рассчитана на напряжение 24 В, провод обмотки ПЭС-1-О,45, число витков 1150.

    Муфта состоит из електромагнита 1, якоря 3, дисков, регулировочной гайки 6, нажимной тарельчатой пружины 10 і пружин, разжимающих диски після того, как муфта обесточена.

    Якорь і ярмо електромагнита выполнены из електротехнической стали, ведущие фрикционные диски 8 - стальные, ведомые 7 - из стали з металлокерамической обкладкой.

    Электромагнитная муфта работает в масляной среде.

    Питание к електромагниту муфты ПОДВОДИТСЯ через щеткодержатель 2. Магнитный поток, создаваемый находящейся на ярме катушкой, замыкаясь через якорь, притягивает его к електромагниту. Якорь тремя гвинтами связан з крестовиной, которая посредством тарельчатой пружины сжимает наружные і внутренние фрикционные диски, передающие крутящий момент.




    Технічні характеристики консольного фрезерного верстата СФ-15

    Наименование параметра СФ-15 СФ-35 6Р12 6Т12
    Основні параметри верстата
    Розміри поверхности стола, мм 1250 х 320 1250 х 320 1250 х 320 1250 х 320
    Наибольшая масса обрабатываемой детали, кг 250 400
    Расстояние от торца шпинделя до стола, мм 460 40..450 30..450 30..450
    Расстояние от оси шпинделя до вертикальних направляючих станины (вылет), мм 400 400 350 380
    Рабочий стол
    Наибольший продольный ход стола (X), мм 950 900 800 800
    Наибольший поперечний ход стола (Y), мм 300 300 250 320
    Наибольший вертикальний ход стола (Z), мм 410 410 420 420
    Перемещение стола на одно деление лимба продольное (X), поперечное (Y), мм 0,05 0,05 0,05
    Перемещение стола на одно деление лимба вертикальное (Z), мм 0,01 0,01 0,01 0,01
    Пределы продольных і поперечных подач стола (X, Y), мм/мин 20..2500 20..1000 12,5..1600 12,5..1600
    Пределы вертикальних подач стола (Z), мм/мин 8..400 8..400 4,1..530 4,1..530
    Количество подач продольных/ поперечных/ вертикальних 18 18 22 22
    Скорость быстрых перемещений продольных (X), поперечных (Y), м/мин 2,5 3 4 4
    Скорость быстрых перемещений вертикальних (Z), м/мин 1 1,2 1,330 1,330
    Усилие, допускаемое механізмом подач для поздовжньої подачі (X), кг 1400
    Усилие, допускаемое механізмом подач для поперечної подачі (Y), кг 410
    Усилие, допускаемое механізмом подач для вертикальной подачі (Z), кг 740
    Шпиндель
    Частота обертання шпинделя, об/мин 31,5..1600 31,5..1600 40..2000 31,5..1600
    Количество швидкостей шпинделя 18 18 18 18
    Перемещение пиноли шпинделя, мм 80 80 70 70
    Кінець шпинделя. Конус фрезерного шпинделя 50 ГОСТ 15945-70 50 ГОСТ 24644-81 № 3 ГОСТ 836-62
    Поворот шпиндельной головки вправо і влево, град ±45° ±45° ±45° ±45°
    Механіка верстата
    Выключающие упоры подачі (поздовжньої, поперечної, вертикальной) Есть Есть Есть Есть
    Блокировка ручной і механической подач (поздовжньої, поперечної, вертикальной) Есть Есть Есть Есть
    Блокировка раздельного увімкнення подач Есть Есть Есть Есть
    Торможение шпинделя Есть Есть Есть Есть
    Предохранительная муфта от перегрузок Есть Есть Есть Есть
    Автоматическая прерывистая подача Есть Есть Есть Есть
    Електроустаткування, привод
    Количество електродвигателей на станке 4 4 3 4
    Електродвигун приводу головного руху, кВт (об/мин) 5,5 5,5 (1500) 7,5 7,5
    Електродвигун приводу подач, кВт (об/мин) 1,5 1,5 (1500) 2,2 3
    Електродвигун насоса механізма выбора люфта, кВт (об/мин) 0,08 0,09 (1500) - -
    Електродвигун зажиму инструмента, кВт - - 0,25
    Електродвигун насоса охлаждающей жидкости, кВт (об/мин) 0,125 0,125 (3000) 0,12 0,12
    Суммарная мощность всех електродвигателей, кВт 7,21 9,825 10,87
    Габарит і масса верстата
    Габарити верстата (длина ширина высота), мм 2000 х 2230 х 2030 2100 х 2250 х 2090 2305 х 1950 х 2020 2280 х 1965 х 2265
    Масса верстата, кг 3000 3050 3120 3250

      Список литературы:

    1. Верстати вертикально-фрезерные моделей 6С12 і СФ-15. Руководство по експлуатации. Луганский станкостроительный завод им. Ленина, 1970

    2. Аврутин С.В. Основы фрезерного дела, 1962
    3. Аврутин С.В. Фрезерне дело, 1963
    4. Ачеркан Н.С. Металлорежущие верстати, Том 1, 1965
    5. Барбашов Ф.А. Фрезерне дело 1973, с.141
    6. Барбашов Ф.А. Фрезерные роботи (Профтехобразование), 1986
    7. Блюмберг В.А. Справочник фрезеровщика, 1984
    8. Григорьев С.П. Практика координатно-расточных і фрезерных работ, 1980
    9. Копылов Р.Б. Работа на фрезерных верстатах,1971
    10. Косовский В.Л. Справочник молодого фрезеровщика, 1992, с.180
    11. Кувшинский В.В. Фрезерование,1977
    12. Ничков А.Г. Фрезерные верстати (Библиотека станочника), 1977
    13. Пикус М.Ю. Справочник слесаря по ремонту металлорежущих верстатів, 1987
    14. Плотицын В.Г. Расчёты настроек і наладок фрезерных верстатів, 1969
    15. Плотицын В.Г. Наладка фрезерных верстатів,1975
    16. Рябов С.А. Современные фрезерные верстати і их оснастка, 2006
    17. Схиртладзе А.Г., Новиков В.Ю. Технологическое обладнання машиностроительных производств, 1980
    18. Тепинкичиев В.К. Металлорежущие верстати, 1973
    19. Чернов Н.Н. Металлорежущие верстати, 1988
    20. Френкель С.Ш. Справочник молодого фрезеровщика (3-е изд.) (Профтехобразование), 1978









Заказать

Кто владеет информацией - тот владеет миром.

Натан Ротшильд