metalinstryment.com
Довідник по металорізальних верстатів та пресовому обладнанні

Deckel FP2 Верстат фрезерный універсальний
опис, схеми, характеристики

Deckel FP2 Верстат фрезерный універсальний







Відомості про виробника фрезерного верстата Deckel FP2

Производителем фрезерного верстата Deckel FP2 является немецкая компания Friedrich Deckel, образованная в 1920 году.

В настоящее время - ето крупнейшая станкостроительная компания Deckel MAHO.





Верстати, выпускаемые Германией


FP2 Верстат фрезерный універсальний. Назначение, область применения

Фрезерный універсальний верстат Deckel FP2 более крупная і мощная версія верстата Deckel FP1.

На базе верстата Deckel FP2 были разработаны наступні моделі - Deckel FP3 і Deckel FP4.

Фрезерный універсальний верстат FP2 имеет два основних исполнения - раннее і позднее. Отличительной чертой между ними является установка двигуна внутри или снаружи верстата.

Так же как і FP1 Фрезерный універсальний верстат FP2 имеет множество версий і исполнений: например такое FP2L - з более длинным вылетом вертикальной головки или FP2NC фрезерный верстат з ЧПУ.




Габарити робочого простору фрезерного верстата Deckel FP2

Габарити робочого простору фрезерного верстата Deckel FP2

Габарити робочого простору фрезерного верстата Deckel FP2

Габарити робочого простору фрезерного верстата Deckel FP2. Дивитись у збільшеному масштабі



Загальний вигляд инструментального фрезерного верстата Deckel FP2

Фото инструментального фрезерного верстата Deckel FP2

Фото инструментального фрезерного верстата Deckel FP2

Фото инструментального фрезерного верстата Deckel FP2. Дивитись у збільшеному масштабі



Фото инструментального фрезерного верстата Deckel FP2

Фото инструментального фрезерного верстата Deckel FP2

Фото инструментального фрезерного верстата Deckel FP2. Дивитись у збільшеному масштабі



Фото инструментального фрезерного верстата Deckel FP2

Фото инструментального фрезерного верстата Deckel FP2

Фото инструментального фрезерного верстата Deckel FP2. Дивитись у збільшеному масштабі



Фото инструментального фрезерного верстата Deckel FP2

Фото инструментального фрезерного верстата Deckel FP2

Фото инструментального фрезерного верстата Deckel FP2. Дивитись у збільшеному масштабі



Фото инструментального фрезерного верстата Deckel FP2

Фото инструментального фрезерного верстата Deckel FP2

Фото инструментального фрезерного верстата Deckel FP2. Дивитись у збільшеному масштабі



Фото инструментального фрезерного верстата Deckel FP2

Фото инструментального фрезерного верстата Deckel FP2

Фото инструментального фрезерного верстата Deckel FP2. Дивитись у збільшеному масштабі



Cклад инструментального фрезерного верстата Deckel FP2

Cклад инструментального фрезерного верстата Deckel FP2

Cклад инструментального фрезерного верстата Deckel FP2

Cклад инструментального фрезерного верстата Deckel FP2. Дивитись у збільшеному масштабі



  1. Шпиндельная бабка
  2. Горизонтальный фрезерный шпиндель
  3. Вертикальный стол
  4. Вертикальный суппорт
  5. Стойка верстата
  6. Установка приводов головного і подач
  7. Встроенный приводной двигатель
  8. Основание стойки



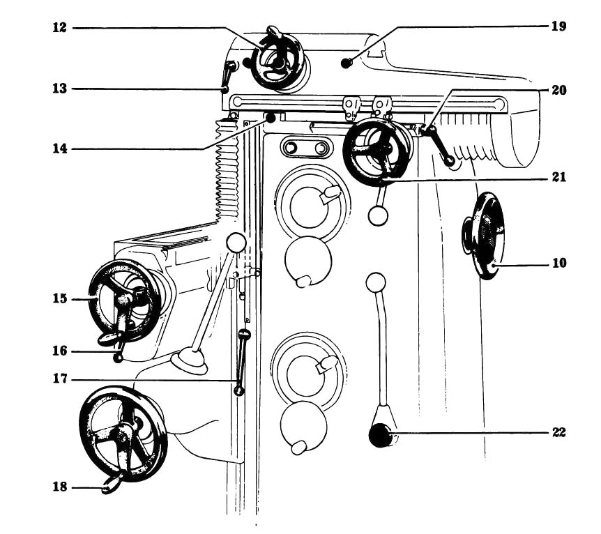
Органы керування инструментальным фрезерным верстатом Deckel FP2

Органы керування инструментальным фрезерным верстатом Deckel FP2

Органы керування инструментальным фрезерным верстатом Deckel FP2

1. Органы керування инструментальным фрезерным верстатом Deckel FP2. Дивитись у збільшеному масштабі

2. Органы керування инструментальным фрезерным верстатом Deckel FP2. Дивитись у збільшеному масштабі





Органы керування инструментальным фрезерным верстатом Deckel FP2

Органы керування инструментальным фрезерным верстатом Deckel FP2

Органы керування инструментальным фрезерным верстатом Deckel FP2. Дивитись у збільшеному масштабі







Кінематична схема фрезерного верстата Deckel FP2

Кінематична схема фрезерного верстата Deckel FP2

Кінематична схема стола фрезерного верстата Deckel FP2

1. Кінематична схема фрезерного верстата Deckel FP2. Дивитись у збільшеному масштабі

2. Кінематична схема фрезерного верстата Deckel FP2. Дивитись у збільшеному масштабі




Опис конструкції основних вузлів фрезерного верстата Deckel FP2

Приводной двигатель

Для приводу служит встроенный в основа стойки електродвигатель мощностью 2,2 кВт. Постоянная скорость електродвигуна - 1450 об/мин.

Возникающее в електродвигателе тепло отводится из основания стойки назад через крышку з вентиляционными отверстиями воздушным потоком вентиляционного колеса, установленного на шкиве електродвигуна. Свежий воздух поступает через отверстие в передньої частини основания стойки.

Главный привод

Приводная мощность двигуна двумя клиновыми ремнями передається на приводной вал.

Главный привід имеет 18 чисел оборотів в пределах от 40 до 2000 об/мин. Знаменатель ряда чисел оборотів: 1,25. Регулювання производится при помощи маховичка і зубчатого перебора. Изменение числа оборотів достигается при етом сдвигом блоков шестерён.

Привід подач

Привід подач приводится в рух головним приводом посредством цепной передачи і обеспечивает автоматические подачі во всех трёх направлениях з 18 различными скоростями в пределах от 8 до 400 мм/мин, могущими употребляться при любом числе оборотів фрезы, а также один быстрый ход.

Переключення швидкостей подач происходит таким же образом, как і переключение чисел оборотів фрезерных шпинделей. Перемещение салазок стола в четырех направлениях, налево, направо, вверх і вниз, соответствующим включением рукоятки однорычажного переключения. Скорость быстроходной подачі равна 1200 мм/мин.

Внимание!

При правильном приключения к сети задний маховичок должен вращаться в направлении против часовий стрелки (если смотреть на него сзади). В противном случае не будет отключения подачі і насос охлаждения не будет подавать воду.


Керування верстатом

Увімкнення і вимкнення фрезерного двигуна і соответственно двигуна быстроходной головки FVVS2 происходит при помощи нажимных кнопок 8 (зелёная кнопка - включение; красная - вимкнення).

Установка чисел оборотів шпинделей і швидкостей подач

Установка чисел оборотів шпинделей (главный привод) осуществляется при помощи колеса переключения 3, прилегающего к диску з числами 2.

Скорости подач (привід подач) устанавливаются посредством колеса переключения 7, прилегающего к диску з числами 6. Порядок установки тот же самый в обоих случаях:

Однорычажное переключение автоматичного переміщення стола

При помощи одного только рычага 4 можно включать в одном месте все механические подачі робочого стола, причем пути, совершаемые рычагом «налево - направо» і «вверх - вниз», соответствуют направлениям переміщення робочого стола.

Автоматическая подача шпиндельной бабки

Автоматическое перемещение шпиндельной бабки осуществляется поворотом рычага переключения 9 соответственно желаемому направлению переміщення.

Быстрый ход

При включении рычага швидкого ходу 11 до упора включённые подачі происходят быстрым ходом, со скоростью 1200 мм/мин. Для перехода на заданное значение подачі достаточно отпустить рычаг швидкого ходу.

Выключатель насоса для охлаждающей жидкости

Поворотом кнопки 22 вправо или влево включается или выключается насос охлаждающей жидкости. Если насос выключен, кольцо-метка находится внизу.

Маховички на суппорте і рабочем столе

Для вертикального переміщення суппорта і продольного переміщення робочого стола вручную служат, соответственно, маховички 18 і 15. Оба маховичка снабжены стопорными предохранительными поворотными рукоятками, не вращающимися при употреблении автоматических подач или швидкого ходу.

Маховички шпиндельной бабки

Маховичок 21 служит для ручного переміщення шпиндельной бабки. Дополнительное перемещение опорной втулки {100 мм) осуществляется посредством маховичка 12.

Маховичок на защитном кожухе

Маховичок 10 на защитном кожухе (на задньої стороне верстата) облегчает увімкнення шестерён при установці числа оборотів і швидкостей подачі, а также служит для обертання вручную фрезерного шпинделя.

Зажим на суппорте

Для фиксирования вертикальной установки робочого стола служит шаровая рукоятка 17. Следует помнить, что при применении вертикальной подачі зажим должен быть отпущен, так как иначе возможно повреждение направляющей суппорта.

Зажим робочого стола

Зажим робочого стола производится при помощи шаровой рукоятки 16.

Зажим шпиндельной бабки

Зажим шпиндельной бабки осуществляется посредством шаровой рукоятки 20, а при значительном снятии стружки дополнительным винтом з внутренним шестигранником 14.

Зажим опорной втулки (пиноли шпинделя)

Опорная втулка зажимается шаровой рукояткой 13.

Закрепление додаткових приборов на шпиндельной бабке

Для закрепления додаткових приборов на шпиндельной бабке служат два гвинта з внутренним шестигранником 19.


Система охлаждающей жидкости

Охлаждающая жидкость подается насосом, находящимся в нижней частини стойки і принудительно приводимым в действие через муфту і ланцюг.

При работе без охлаждающей жидкости насос выключается поворотом кнопки К (вимкнення муфты). Когда насос выключен, кольцо-метка М на кнопке К находится внизу (см. рисунок).

Для предохранения лакировки от повреждений рекомендуется применять высококачественную охлаждающую емульсию в кінцінтрации от 1 : 20 до 1 : 30 без примеси соды или иных примесей. Водородный показатель рН должен лежать в пределах от 7 до 8. Кроме того, следует соблюдать

Охлаждающая жидкость наливается в основа стойки через одно из двух отверстий з ситом. При запуске насоса целесообразно вливать охлаждающую жидкость сверху в трубопровод, пока насос не начнет всасывать.

В определенных промежутках часу, в зависимости от степени загрязнения охлаждающей жидкости, следует производить чистку заборной коробки S, находящейся на всасывающем шланге і доступной через отверстие по удалении кольца з ситом SR і горшечного сита Т. Во избежание чрезмерного загрязнения охлаждающей жидкости необходимо постоянное удаление стружки из обоих горшечных сит.

Предохранитель со срезным штифтом

Привід подач предохранён от перегрузки срезным штифтом S из автоматной стали 9S20K. Срезанный штифт легко вынуть і заменить новым, открыв дверцу і приподняв пружину предохранителя.


Защитные гармошки на станке

Защитная гармошка направляючих стойки

Направляющие стойки прикрыты защитной гармошкой 1 і фартуком 11 і таким образом защищены от грязи і стружки Для чистки направляючих і ухода за ними гармошку снимают следующим образом:

Монтаж гармошки происходит в обратном порядке.

Вставляя защитный фартук, следует прежде всего следить за тем, чтобы лапа 10, очищающая направляющую шпиндельной бабки от прилипающей стружки, всегда была направлена вверх. Перед работой при крайнем верхнем положении робочого стола гармошку следует снимать.

Защитные гармошки робочого стола

Обе гармошки на задньої стороне робочого стола предохраняют его направляющие і ходовой винт от проникновения грязи і стружки. Для чистки направляючих ходового гвинта обе гармошки можно отстегнуть при помощи отвёртки, которую следует оставлять непосредственно около кнопки. При повреждении обе гармошки подлежать немедленной замене во избежание повреждений різьби ходового гвинта бабки

Защитная гармошка шпиндельной бабки

Эта защитная гармошка оберегает направляющую і ходовой винт шпиндельной бабки от грязи і стружки.

Гармошку снимают со стороны стойки, отстёгивая кнопки 13. Затем при крайнем заднем положении шпиндельной бабки гармошку отжимают назад так, чтобы можно было отвинтить оба гвинта з внутренним шестигранником 14 і отстегнуть защитную крышку 15 вместе з гармошкой.


Переставные упоры для виключення подачі

Движения подачі но всех трёх направлениях могут автоматически выключаться посредством переставных упоров.

Установка упоров для вертикального переміщення суппорта производится на направляющей стойки со стороны дверцы, для продольного переміщення робочого стола — на нижней стороне робочого стола, а для переміщення шпиндельной бабки — на стойке со стороны дверцы. Во всех трёх случаях для ограничения ходу соответствующих ходовых винтов служат два внешних неподвижных упора. Два переставных упора могут устанавливаться в пределах етого максимального переміщення для желаемого ограничения пути подачі. Дополнительный упор по высоте 1 обеспечивает - особенно при вертикальном фрезеровании штампов - равномерную остановку фрезы у основания штампа (см. стр. 46, абз. 5).


Точные измерительные пристроя

Быстрое і точное определение размеров координатным способом калибрами і индикатором часового типа возможно при помощи держателей индикатора і переставных калибровых накладок. Грубое определение размеров осуществляется посредством соответствующих измерительных линеек.

Калибровая накладка 2 для продольного переміщення робочого стола обычно снимается, если робота производится без применения калибров. В случае необходимости ету калибровую накладку після отпуска винтов з внутренним шестигранником вдвигают в опору щупового индикатора 3 вплоть до упорного штифта і зажимают в ней. Для укрепления держателя щупового индикатора 4 на рабочем столе со стороны поворотной рукоятки имеется отверстие з резьбой, защищенное пружинным диском. Держатель щупового индикатора закрепляется посредством гвинта з внутренним шестигранником.




Вертикальная фрезерна головка фрезерного верстата Deckel FP2

Вертикальная фрезерна  головка фрезерного верстата Deckel FP2

Вертикальная фрезерна головка фрезерного верстата Deckel FP2

Вертикальная фрезерна головка фрезерного верстата Deckel FP2. Дивитись у збільшеному масштабі



Вертикальная фрезерна  головка фрезерного верстата Deckel FP2

Вертикальная фрезерна головка фрезерного верстата Deckel FP2

Вертикальная фрезерна головка фрезерного верстата Deckel FP2. Дивитись у збільшеному масштабі



Насадка головки на верстат

Вывинтить оба гвинта 4 з внутренним шестигранником і снять защитную крышку 7. После етого осторожно насадить вертикальную фрезерную головку сверху таким образом, чтобы задня призма 3 попала между обоими направляющими пазами 5 і 6, і вдвинуть її в направляющие до упора 1. Одновременно легким поворотом вертикального фрезерного шпинделя включить шестереночную передачу.

Наконец, прочно закрепить вертикальную фрезерную головку завинчиванием обоих вышеупомянутых винтов 4.

Съёмка

Вывинтить винты 1 з внутренним шестигранником, оттянуть вертикальную фрезерную головку вперед до упора 2 і поднять её вертикально вверх, а затем немедленно вставить і закрепить защитную крышку 7.



Дополнительное обладнання к фрезерному верстату Deckel FP2

Дополнительное обладнання к фрезерному верстату Deckel FP2

Дополнительное обладнання к фрезерному верстату Deckel FP2

Дополнительное обладнання к фрезерному верстату Deckel FP2. Дивитись у збільшеному масштабі



Дополнительное обладнання к фрезерному верстату Deckel FP2

Дополнительное обладнання к фрезерному верстату Deckel FP2

Дополнительное обладнання к фрезерному верстату Deckel FP2. Дивитись у збільшеному масштабі






Deckel FP2 Верстат фрезерный універсальний. Відеоролик.




Технічні характеристики верстата Deckel FP2

Наименование параметра СФ676 ФС-300 Deckel FP1 Deckel FP2 Deckel FP3
Основні параметри верстата
Класс точності по ГОСТ 8-82 Н П
Розміри вертикального стола, мм 250 х 630 291 х 740 195 х 600 240 х 830 420 х 800
Розміри горизонтального (углового) стола, мм 250 х 800 250 х 620 210 х 600 285 х 700
Максимальная масса обрабатываемой детали, кг 100 80
Предельные розміри устанавливаемой заготовки, мм 400 х 250 х 200
Предельные розміри внутренней обрабатываемой поверхности, мм 200
Расстояние от оси горизонтального шпинделя до рабочей поверхности горизонтального (углового) стола, мм 80..460 158..458 65..400 68..468
Наибольший продольный ход стола (X) (механика/ от руки), мм 450 400 290/ 300 490/ 500 490/ 500
Наибольший вертикальний ход суппорта стола (Y) (механика/ от руки) , мм 380 300 330/ 340 390/ 400 370/ 380
Наибольший поперечний ход шпиндельной бабки (Z) (механика/ от руки), мм 300 200 -/ 150 190/ 200 290/ 300
Наибольший диаметр фрезы, устанавливаемой на станке - для чугуна і стали, мм 63
Наибольший диаметр фрезы, устанавливаемой на станке - для цветных металлов, мм 90
Горизонтальный шпиндель
Частота обертання горизонтального шпинделя, об/мин 50..1630 15..3000
40..2000 40..2000 40..2000
Количество швидкостей горизонтального шпинделя 16 12 18 18 18
Конус горизонтального шпинделя 40АТ5 40АТ5 40АТ5 ISA 40 ISA 40
Перемещение пиноли шпинделя, мм - - - 100 100
Наибольший допустимый крутящий момент на горизонтальном шпинделе, Нм 148
Горизонтальная шпиндельна бабка
Перемещение бабки на одно деление лимба, мм 0,01 0,025 0,025
Количество подач горизонтальной шпиндельной бабки 16 - 18 18
Пределы подач горизонтальной шпиндельной бабки, мм/мин 13..395 10..1000 - 8..400 10..500
Быстрый ход горизонтальной шпиндельной бабки, мм/мин - 1200
Наибольшее усилие подач шпиндельной бабки, Н 5000
Вертикальная шпиндельна головка
Расстояние от торца вертикального шпинделя до рабочей поверхности горизонтального стола, мм 0..380 86..386
Наибольший вылет оси вертикального шпинделя, мм 125..375 280 335
Частота обертання вертикального шпинделя, об/мин 63..2040 15..3000
40..2000 40..2000
Количество швидкостей вертикального шпинделя 16 16 18
Наибольшее осевое перемещение пиноли вертикального шпинделя, мм 80 86 60 60
Наибольший угол поворота вертикальной головки в вертикальной плоскости, градус ±90° ±45° ±180° ±180° ±180°
Конус горизонтального і вертикального шпинделей 40АТ5 40АТ5 ISA 40 ISA 40
Наибольший допустимый крутящий момент на вертикальном шпинделе, Нм 120
Стол вертикальний. Подачи
Пределы продольных і вертикальних подач стола (X, Y), мм/мин 13..395 10..500 (16) 8..400 (18) 10..500
Ускоренный ход стола, мм/мин 935 - 1200 1500
Перемещение стола продольное на одно деление лимба, мм 0,025 0,025
Перемещение суппорта стола вертикальное на одно деление лимба, мм 0,01 0,025 0,025
Перемещение стола продольное на один оборот лимба, мм 4 4
Перемещение стола вертикальное на один оборот лимба, мм 2,5 2,5
Количество подач стола 16 18
Наибольшее усилие подач стола, Н 5000
Електроустаткування і привід верстата
Електродвигун головного привода, кВт (об/мин) 3 24 Нм 1/ 1,4 (1400/ 2800) 2,2 (1450) 3,0 (1420)
Електродвигун приводу насоса охлаждения, кВт 0,12 0,09
Суммарная мощность електродвигателей, кВт 3,12
Габарит і масса верстата
Габарити верстата (длина х ширина х высота), мм 1200 х 1240 х 1780 1100 х 1100 х 1650 1200 х 1160 х 1360 1430 х 1740 х 1770 1510 х 1800 х 1930
Масса верстата, кг 1050 1030 565 1100 1700