Виробником токарно-фрезерного верстата DMG CTX gamma 2000 TC є компанія DMG MORI , утворена в 2009 році найбільшими верстатобудівними компаніями світу - німецькою Deckel-Maho-Gildemeister та японською Mori Seiki .
Токарно-фрезерний верстат CTX gamma 2000 TC серії CTX виробляється на верстатобудівному заводі компанії Deckel-Maho-Gildemeister у німецькому місті Pfronten (Пфронтен).
Токарно-фрезерний верстат CTX gamma 2000 TC призначений для виконання комплексної токарної та фрезерної 2-х, 3-х, 4-х та 5-ї осьової обробки деталей малих та середніх розмірів в автоматичному або напівавтоматичному режимі.
Токарно-фрезерні верстати CTX gamma 2000 TC – це верстати преміум-класу серед токарних верстатів. Верстати серії CTX TC встановлюють нові стандарти обробки з інтеграцією токарної та фрезерної обробки, технології нарізування зубів та шліфування.
Одночасна 5-стороння токарно-фрезерна обробка забезпечує високу якість поверхонь навіть для складних деталей.
Комплексна 6-стороння обробка головним шпинделем та протишпинделем (контршпинделем).
Комбінація різних технологій - це одна з основних особливостей у сучасному виробничому процесі. Збільшений інструментальний магазин, автоматичний змінник інструменту та система вимірювання у процесі обробки роблять верстати серії CTX TC ідеальним обладнанням для оснащення систем автоматизації.
Висока динаміка і точність гарантують відмінну якість обробки, як звичайних, так і формотворних деталей. Поєднання таких функцій як, наприклад, контроль зміни прискорення, попередній вибір параметрів прискорення, Look-ahead і діюча орієнтація інструменту, дозволяє використовувати технології і краще пристосовуватися до вимог, що змінюються по швидкості, точності та якості поверхні. Підвищити продуктивність у кожному аспекті – при програмуванні, обслуговуванні та відпрацюванні програми допоможе Вам сучасна техніка систем керування SIEMENS.

Фото токарно-фрезерного верстата CTX gamma 2000 TC
Фото токарно-фрезерного верстата CTX gamma 2000 TC. Дивитись у збільшеному масштабі

Фото токарно-фрезерного верстата CTX gamma 2000 TC
Фото токарно-фрезерного верстата CTX gamma 2000 TC. Дивитись у збільшеному масштабі

Фото токарно-фрезерного верстата CTX gamma 2000 TC
Фото токарно-фрезерного верстата CTX gamma 2000 TC. Дивитись у збільшеному масштабі

Фото токарно-фрезерного шпинделя верстата CTX gamma 2000 TC
Фото токарно-фрезерного шпинделя верстата CTX gamma 2000 TC. Дивитись у збільшеному масштабі

Фото токарно-фрезерного шпинделя верстата CTX gamma 2000 TC
Фото токарно-фрезерного шпинделя верстата CTX gamma 2000 TC. Дивитись у збільшеному масштабі

Фото токарно-фрезерного шпинделя верстата CTX gamma 2000 TC
Фото токарно-фрезерного шпинделя верстата CTX gamma 2000 TC. Дивитись у збільшеному масштабі

Фото токарно-фрезерного шпинделя верстата CTX gamma 2000 TC
Фото токарно-фрезерного шпинделя верстата CTX gamma 2000 TC. Дивитись у збільшеному масштабі

Колінчастиний вал

Напрямна лопатка

Арматура
Універсальний токарний верстат CTX beta 800 відноситься до серії CTX, які закладені можливості обробки деталей діаметром від 200 до 700 мм і довжиною від 335 до 3065 мм.
Верстати серії CTX задають нові стандарти в галузі універсальної обробки. У серії реалізовані останні конструкт Москви рішення та технологічні можливості верстатобудування останніх років. Верстат дозволяє за лічені секунди обробляти складні деталі без їх переустановки, виконуючи токарні та фрезерні операції, нарізування різьблення, нарізування зубчастиних коліс.
Верстати серії CTX мають блокову модульну конструкцію та гнучко та мають можливість налаштовуватися для виконання комплексної обробки.

Розподіл верстатів сімейства CTX за розміром оброблюваних деталей
Розподіл верстатів сімейства CTX за розміром оброблюваних деталей. Дивитись у збільшеному масштабі

Позиціонування верстатів сімейства CTX
DMG MORI SLIMline® з Operate 4.5 (SlimlinePanel) - пульт керування УЧПУ Siemens 840D Solutionline: 15 дюймовий TFT екран та панель оператора з удосконаленим дизайном - спільна розробка компаній DMG MORI та SIEMENS для токарних та фрезерних верстатів з ЧПУ;
CELOS® - унікальний інтерфейс користувача від DMG MORI заснований на меню додатків APP. Дана панель керування так само проста у використанні, як смартфон, і дозволяє об'єднати в мережу всі верстати для ефективної організації виробництва.
CompactMASTER - надкомпактний та запатентований токарно-фрезерний шпиндель, з автоматичною зміною інструменту.
ShopTurn - це комплексна програма керування та програмування для токарних верстатів з одним супортом та максимум з 12 осями, включаючи кругові осі та шпинделі, (З 12 осей одночасно можуть бути індиковані 5 осей та 1 шпиндель) для відпрацювання токарної технології в цехових умовах.
Основні функції програми:
Мотор-шпиндель – інтегрований привід шпинделя (ISM). Шпиндель верстата є віссю приводного електродвигуна. У серії CTX (фірма DMG) застосовується 9 типорозмірів мотор-шпинделів. Мотор шпинделі мають високу точність та термостабільність завдяки рідинному охолодженню. Мотор шпинделі застосовуються як у головному приводі, так і в протишпинделі. (У верстаті CTX beta 800 встановлений мотор-шпиндель ISM 76 - потужністю (100% ED) 25 кВт, момент, що крутить (100% ED) 280 Нм. Швидкість обертання до 5000 об/хв, вбудована вісь C (0,001°).
Вісь С - у токарних верстатах з ЧПУ - програмне керування кутом повороту шпинделя та утримання його. Використовується синхронно із приводним інструментом. Основний параметр – мінімальний кут повороту шпинделя (У серії CTX мінімальний керований кут повороту 0,001 °). Може бути вбудованою в шпиндельний двигун або мати окремий серводвигун.
Вісь Y – вісь Y розширює можливості приводного інструменту. Механізми осі Y дозволяють спрямовувати інструмент зі зміщенням осі обертання деталі. Основний параметр – найбільший хід
Протишпиндель – у токарних верстатах з ЧПУ – додатковий шпиндель (контршпиндель), встановлений замість задньої бабки. У разі потреби обробки деталі з протилежного боку вона передається від головного шпинделя протишпинделю. Для цього за командою з ЧПУ швидкість обертання протишпинделя синхронізується зі швидкістю основного шпинделя, протишпиндель переміщається, захоплює і затискає деталь, що обробляється. Обробка продовжується з іншого боку деталі.
Лінійні напрямні - напрямні кочення. Для переміщення револьверної головки по осях X і Z в токарних верстатах серії CTX використовуються кулькові гвинти і кулькові (роликові) лінійні напрямні, які мають низький коефіцієнт тертя (малим тепловиділенням), відсутністю ефекту «прилипання» (швидкий хід до 30 м/хв), сталістю точності (низький зношування) і дуже низькою потребою в мастилі.
Лінійний привід – високодинамічний привід для максимальної динаміки та довготривалої точності по осі X (верхня револьверна головка). Привід із високим швидкісним ходом до 60 м/хв та прискореннями до 1,5 g скорочує допоміжний час до мінімуму. Лінійний привід складається з лінійних направляючих та лінійного двигуна, вузол ШВП виключений і сила тертя наближається до 0.
Direct Drive – технологія приводу приводного інструменту безпосередньо від електродвигуна.
TRIFIX® - спосіб встановлення інструменту на револьверну головку VDI з опорою на три точки з більш високою точністю, ніж при звичайній установці.
Привідний інструмент - інструмент, що обертається (свердло, фреза, мітчик.), призначений для установки в револьверну головку.
VDI - (Verein Deutscher Ingenieure - Асоціація Німецьких Інженерів) револьверна голова з різцетримачами для токарних верстатів з ЧПУ (Кріплення інструментальної державки: клин із зубами на хвостовику державки), виконаними за німецьким стандартом DIN 69880 (VDI 3429) (VDI 3429). З'єднання VDI мають шість типорозмірів 16, 20, 25, 30, 40, 50 залежно від потужності верстата та розміру інструменту. Використовується для кріплення як приводного, так і непривідного інструменту.
BMT® - (Built-in Motor Turret) револьверна голова із вбудованим приводом інструменту.
BOT - (Bolt-On Tools) револьверна голова з болтовим кріпленням непривідного інструменту. Термін прийнятий у документації Haas.
TWIN - верстат з двома незалежними робочими зонами - двома револьверними головами, які працюють одночасно з думкою шпинделями. Запатентована кінціпція компанії DMG.

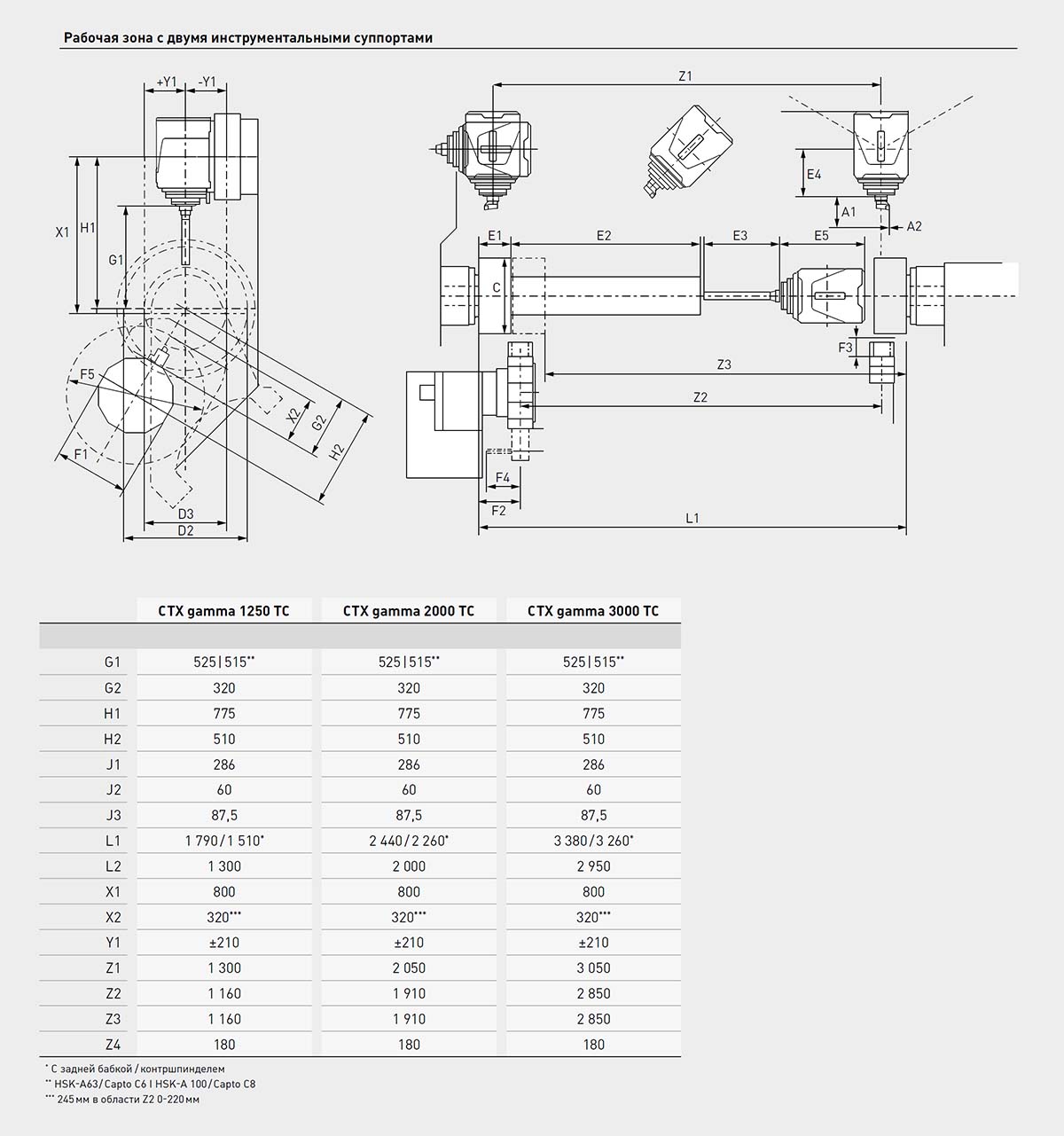
Робочий простір токарно-фрезерного верстата CTX gamma 2000 TC
Робоче місце токарно-фрезерного верстата CTX gamma 2000 TC. Дивитись у збільшеному масштабі

Робочий простір токарно-фрезерного верстата CTX gamma 2000 TC
Робоче місце токарно-фрезерного верстата CTX gamma 2000 TC. Дивитись у збільшеному масштабі

Технічні характеристики токарно-фрезерного верстата CTX gamma 2000 TC

Опції токарно-фрезерного верстата CTX gamma 2000 TC
Опції токарно-фрезерного верстата CTX gamma 2000 TC. Дивитись у збільшеному масштабі