metalinstryment.com
Довідник по металорізальних верстатів та пресовому обладнанні

5230 Верстат зуборезный напівавтомат для нарізання прямозубых конических колес
схеми, опис, характеристики

5230 Загальний вигляд зубострогального верстата







Відомості про виробника зуборезного напівавтомату 5230

Производитель зуборезного напівавтомату 5230 Саратовский завод тяжелых зуборезных верстатів, СЗТЗС, основанный в 1947 году.





Верстати, выпускаемые Саратовским заводом тяжелых зуборезных верстатів, СЗТС


5230 Верстат зуборезный напівавтомат для нарізання прямозубых конических колес. Назначение і область применения

Зуборезный напівавтомат 5230 изготовлен на базе зуборезного напівавтомату 525 для нарізання спиральных конических колес Ø 500. і отличается от него в основном конструкцией обкатной люльки.

Зуборезный верстат 5230 предназначен для нарізання прямозубых конических колес модулем от 1,5 до 8 мм і наибольшим диаметром до 320 мм в серийном производстве. Наибольшая ширина зубчатого венца 50 мм.

Особливості конструкції напівавтомату 5230

Производительность зуборезного напівавтомату 5230 в 3—5 раз выше производительности зубострогальных верстатів.

Нарезание зубьев производится двумя спаренными дисковыми фрезами, расположенными под углом 20° к оси люльки, методом обкатки, при котором профиль зубьев нарезаемых колес получается в результате согласованного руху люльки з инструментом і нарезаемого колеса. Зубчасті колеса до модуля 5 мм можно нарезать на заготовках за один проход без предварительной прорезки, а свыше 5 мм — за два прохода з помощью двухпроходного механізма.

Режущие кромки обеих фрез образуют исходный контур зуба производящего колеса. Зубья, обрабатываемые на станке, в зависимости от применяемых фрез, могут мати простую или бочкообразную форму. Можно осуществлять регулювання размеров і положений пятна контакта.

Режущий инструмент (фрезы) крепится на шпинделях люльки і устанавливается в определенном положении по шкалам і приборам.

На станке 5230 можно обрабатывать плоские ведомые колеса комбинированным методом. В етом случае сначала осуществляется врезание фрез в заготовку, а затем профилирование зуба методом обкатки.

Кинематическая ланцюг напівавтомату 5230 состоит из непрерывно зацепляющихся зубчатых колес, среди которых находится составное зубчатое колесо зовнішнього і внутреннего зацепления, приводящее обкатную люльку в качательное движение. Данное пристрій обеспечивает жесткую і непрерывную связь между рухуми инструмента і нарезаемого зубчатого колеса.

При серийном производстве один рабочий може обслуживать одновременно несколько верстатів.

Точность обробки вироби — 7-й степени.

Наибольшие погрешности при обработке зубчатых колес з числом зубьев 50, модулем 5 мм:

Лоскутов В.В. Ничков А.Г. Зубообрабатывающие верстати. Москва, М. 1978. Стр. 136.





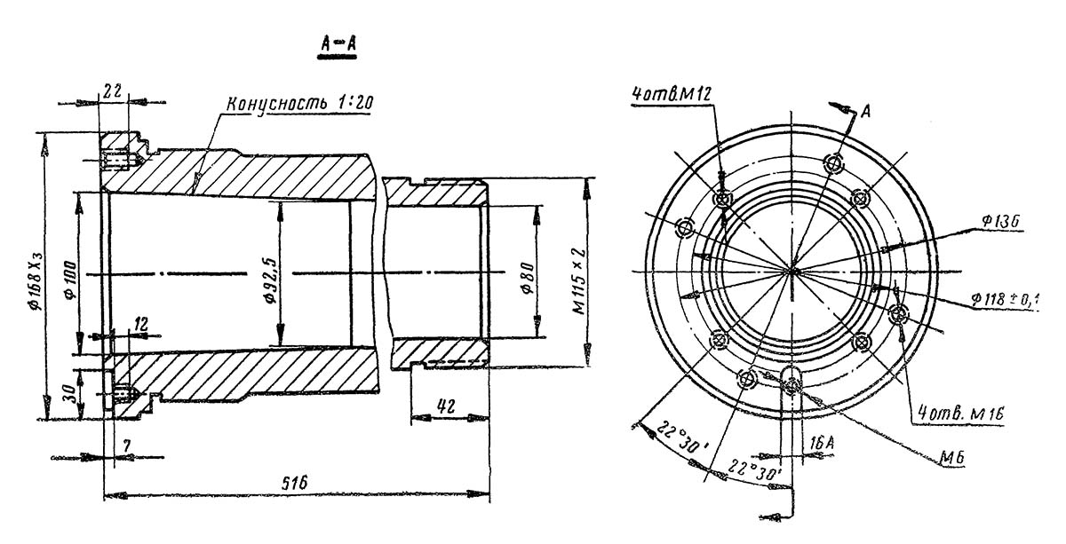
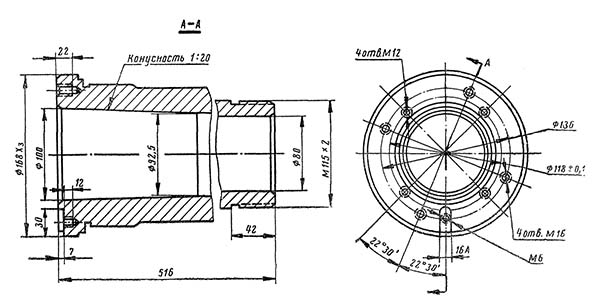
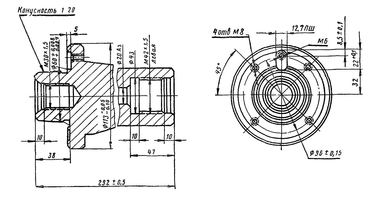
Посадочные і присоединительные базы инструмента зуборезного верстата 5230

Ескіз шпинделя для крепления инструмента на станке 5230

Ескіз шпинделя для крепления инструмента на станке 5230

Ескіз шпинделя для крепления инструмента на станке 5230. Дивитись у збільшеному масштабі



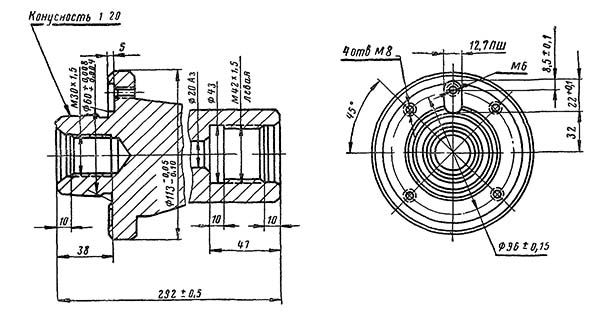
Ескіз шпинделя для крепления вироби на станке 5230

Ескіз шпинделя для крепления вироби на станке 5230

Ескіз шпинделя для крепления вироби на станке 5230



5230 Загальний вигляд зуборезного верстата

Фото зуборезного верстата 5230

Фото зуборезного верстата 5230

Фото зуборезного верстата 5230. Дивитись у збільшеному масштабі



5230 напівавтомат зуборезный. Загальний вигляд

Фото зуборезного верстата 5230


Модернизированный зуборезный верстат 5230

Модернизированный зуборезный верстат 5230


Розташування складових частин зуборезного верстата 5230

Розташування складових частин зуборезного верстата 5230

Розташування основних вузлів зуборезного верстата 5230

Розташування основних вузлів зуборезного верстата 5230. Дивитись у збільшеному масштабі



В станине 1 расположена люлька 2, несущая два фрезерных суппорта 3 і 5. На станине расположена делительная бабка 4 з нарезаемым зубчатым колесом. Верстат работает з двумя дисковыми фрезами з наружными диаметрами|275 мм. Одна из фрез — праворежущая (вращается по часовий стрелке, если смотреть со стороны шпинделя, на котором она закреплена), а другая — леворежущая. Обе фрезы прорезают одну і ту же впадину одновременно; Нарезание производят без подачі вдоль зуба, поетому дно нарезаемой впадины получают вогнутой формы.

Зубчасті колеса могут быть нарезаны з прямолинейными зубьями или же з бочкообразными. Если профиль режущей кромки зубьев фрезы прямолинейный і направлен перпендикулярно оси фрезы, то зубья нарезанного колеса будут прямолинейные, а если режущая кромка резцов фрезы будет расположена под углом к оси фрезы, то зубья будут нарезаны бочкообразными.





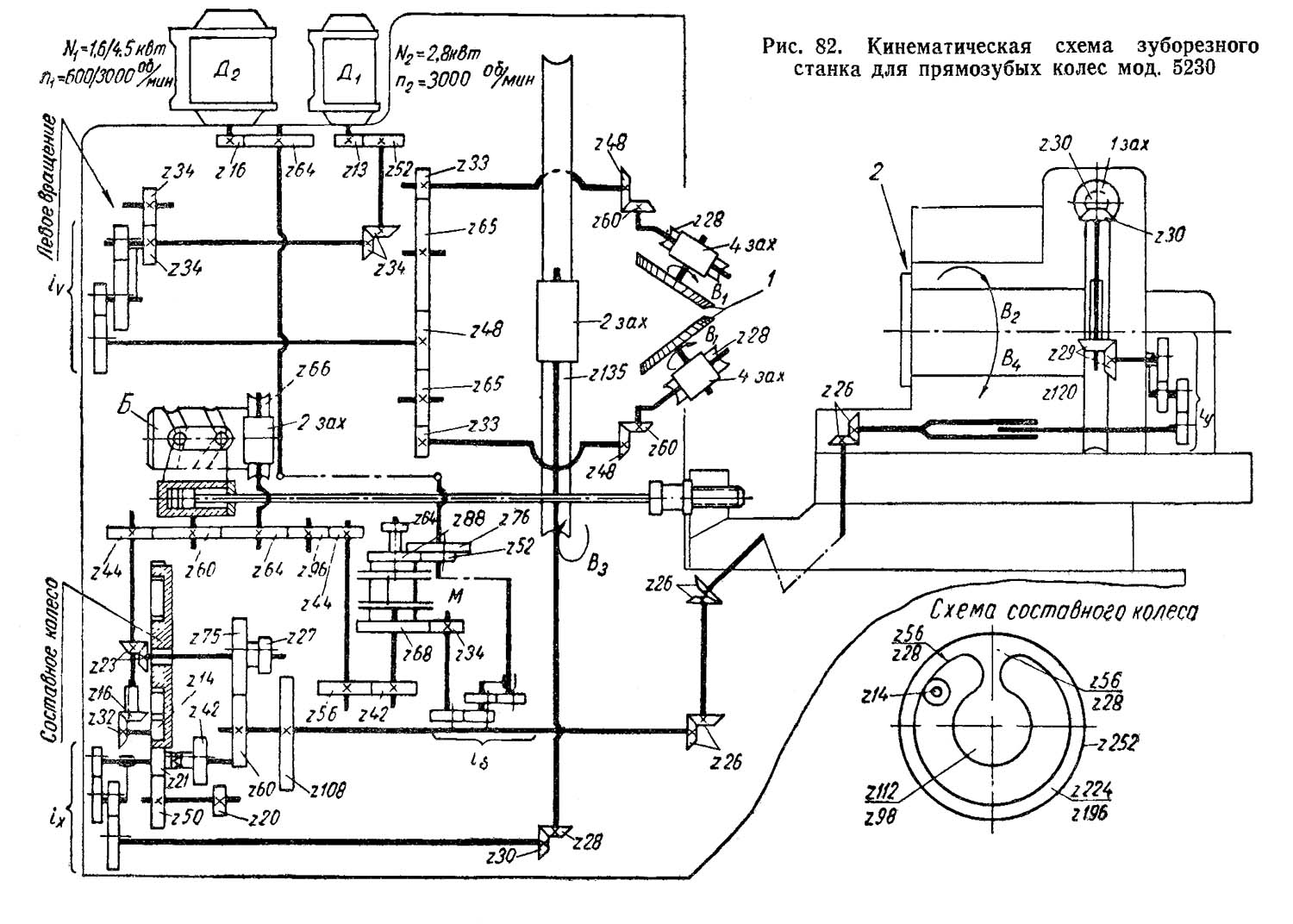
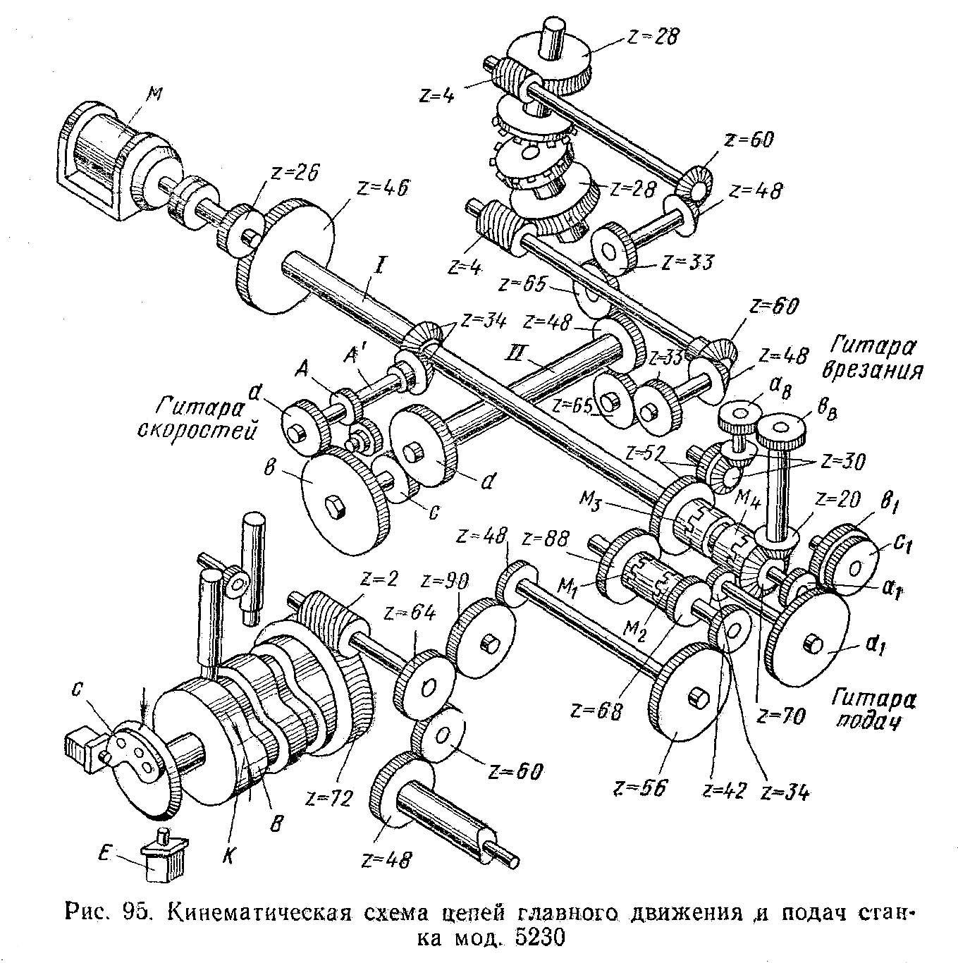
Схема кінематична зуборезного верстата 5230

Схема кінематична зуборезного верстата 5230

Кінематична схема зуборезного верстата 5230

1. Кінематична схема зуборезного верстата 5230. Дивитись у збільшеному масштабі

2. Кінематична схема зуборезного верстата 5230. Дивитись у збільшеному масштабі



Кінематична схема верстата мод. 5230 отличается от кінематичної схеми верстата мод. 5А250 только пристрійм механізма головного руху і круговой подачі. В состав кінематичної схеми верстата мод. 5230 входят составное зубчатое колесо, гітари деления і обкатки, настраиваемые по тем же формулам, что і для верстата мод. 5А250. Поетому рассмотрим только часть кінематичної схеми, отражающей ланцюг головного руху і подачі верстата (рис. 95).

Ланцюг головного вращательного руху (різання)

От електродвигуна М (N = 4,5 кВт; п — 1420 об/мин) рух передається через пару колер 26/46, вал I, коническую пару 34/34, сменные колеса гітари скорости різання a/b·c/d, вал II, колеса 48/65·65/33·48/60 і червячную передачу 4/28 шпинделям фрезерных головок.

Ланцюг круговой подачі

Цикл нарізання зуба колеса происходит за время одного оборота барабана подач, но рабочий ход совершается за 4/9 его оборота, как і в станке мод. 5А250п, в течение часу робочого ходу, равного tpс.

От електродвигуна М через колеса 26/46 полумуфту M3, сменные колеса гітари подач a1/b1·c1/d1, колеса 34/68·42/56·48/90 90/64 і червячную передачу 2/72 вращение передається барабану подач, полумуфта М2 включена вправо.

Комбинированный метод нарізання конических колес

Сущность его состоит в том, что сначала происходит врезание инструмента на глубину впадин, а затем начинается обкатка для образования евольвентного профиля зуба. При комбинированном способе нарізання вращение барабана подач на время врізання замедляется переключением муфт М3 — M4 из левого положения в правое. Это переключение осуществляют гідравлически от команды кулачка С нажимом на направляющий гідрораспределитель Е системы. Благодаря переключению муфты рух от електродвигуна М передається барабану подач по следующей ланцюги: колеса 26/46, далее 52/52, конические колеса 30/30, сменные колеса гітари врізання aв/bв конические колеса 20/70, сменные колеса гітари подач a1/b1·c1/d1, ряд колес 64/68·42/56·48/90·90/64 червячная передача 2/72, приводящая в рух барабан подач.

При врезании от кривой участка барабана К он повернется на 25°, что составит 25°/360° = 5/72 оборота барабана.

Нарезание стальных конических колес парными дисковыми фрезами производят со скоростью різання 30 — 35 м/мин і круговыми подачами 15 — 30 с/зуб.

Верстат гідрофицирован. Отвод стола з делительной бабкой в загрузочное положение, подвод его в рабочее положение, а также зажим нарезаемого колеса производят гідравлически. Уборка стружки производится автоматически з помощью гідравлічного двухшнекового транспортера. Смазка всех основних вузлів верстата автоматическая.

Автоматический счетчик циклов в каждый момент роботи верстата показывает число зубьев, оставшееся до кінця нарізання зубчатого колеса.


Люлька зуборезного верстата 5230

Люлька зуборезного верстата 5230

Люлька зуборезного верстата 5230

Люлька зуборезного верстата 5230. Дивитись у збільшеному масштабі



Люлька верстата мод. 5230 (рис. 94). Люлька верстата относится к наиболее сложным вузлам верстата, отражающим сущность роботи верстата. В круглом отверстии станины верстата 1 расположена люлька 2, на которой установлен верхний поворотный сегмент 3. Нижний сегмент 14 неповоротный, так как он соединен з деталями 15 і 18. Нижний сегмент 14 може перемещаться в осевом направлении двумя гвинтами 11, на которых установлены зубчасті колеса 16. Оба колеса 16 соединены венцом зубчатого колеса з внутренним зацеплением 17. Вращая шестигранник 10, поворачивают венец 17 і тем самым через шестерни 16, вращая винты 11, перемещают нижний сегмент 14 в осевом направлении. Это перемещение необходимо при наладке верстата для того, чтобы можно было установить вершины резцов фрез в одной вертикальной плоскости в том случае, когда одна из фрез отличается по наружному диаметру от другой. Оба сегмента 3 і 14 имеют направляющие, по которым могут перемещаться суппорты 5 і 13 при наладке верстата для установки инструмента по длине образующей начального конуса нарезаемого зубчатого колеса. Величину установки отсчитывают по шкалам, після чего суппорты закрепляют гвинтами 4. На каждом суппорте расположена фрезерна головка 9, которую можно поворачивать вокруг оси 6 і закреплять гвинтами 12. Шпиндели фрез в осевом направлении перемещают диференціальными гвинтами 5, а затем зажимают гвинтами 7.




5230 Верстат зуборезный напівавтомат. Відеоролик.



Технічні характеристики зуборезного верстата 5230

Технічні характеристики зуборезного верстата 5230

Технічні характеристики зуборезного верстата 5230

Технічні характеристики зуборезного верстата 5230. Дивитись у збільшеному масштабі



    Список литературы для налаштування верстата

  1. Инструкция по расчету наладочных установок зуборезных верстатів моделі 525 і 528 для нарізання конических колес со спиральными зубьями, ЭНИМС, МЗКРС.
  2. Руковдство по расчету геометрических размеров гипоидных зубчатых колес і наладок для их нарізання на верстатах моделей 528с, 528с, 5а27с1, Саратовский завод тяжелых зуборезных верстатів, 1967 год.
  3. Руковдство по расчету наладок верстатів 528с, 525 і 5а27с4п для нарізання конических колес методом обкатки, Саратовский завод тяжелых зуборезных верстатів, 1969 год.
  4. Список литературы по зубообработке

  5. Ачеркан Н.С. Металлорежущие верстати, Том 1, 1965.
  6. Гальперин Е.И. Наладка зуборезных верстатів, 1960.
  7. Козлов Д.Н. Зуборезные роботи, 1971.
  8. Кучер А.М., Киватицкий М.М., Покровский А.А., Металлорежущие верстати (Альбом общих видов, кинематических схем і вузлів), 1972.
  9. Лоскутов В.В., Ничков А.Г. Зубообрабатывающие верстати, 1978.
  10. Малахов Я.А. Зубообрабатывающие і резьбофрезерные верстати і их наладка, 1972.
  11. Мильштейн М.З. Нарезание зубчатых колес, 1972.
  12. Овумян Г.Г., Адам А.И. Справочник зубореза, 1983.
  13. Птицин Г.А., Кокичев В.Н. Зуборезные верстати, 1957.
  14. Шавлюга Н.И. Расчет і примеры наладок зубофрезерных і зубодолбежных верстатів, 1978.
  15. Руководящий материал для конструкторов, проектирующих технологическую оснастку. Основні данные і посадочные места металлорежущих верстатів. НИИМАШ, 1968.








Заказать

Кто владеет информацией - тот владеет миром.

Натан Ротшильд