Виробник універсального круглошліфувального верстата 3М131 - Лубенський верстатобудівний завод "Комунар"
Завод "Фенікс" заснований в 1915 році і в 1918 отримав назву "Комунар". З 1957 завод спеціалізується на виробництві універсальних і спеціальних круглошліфувальних верстатів з різним рівнем автоматизації, від верстатів з ручним керуванням до верстатів з сучасними ЧПУ.
Розробник верстата 3М131 Досвідчено-конструкторське бюро шліфувальних верстатів (ОКБ ШС), Харківського верстатобудівного заводу ім. С. В. Косіора, заснованого у 1936 році.
Верстат круглошліфувальний 3М131 замінив у виробництві застарілу модель 3А130 і був замінений на більш досконалу модель 3У131 .
Напівавтомат круглошліфувальний 3М131 призначений для зовнішнього та внутрішнього циліндричного шліфування (діаметром до 280 мм і довжиною до 700 мм), конічних і фасонних поверхонь, а також плоских фланцевих поверхонь виробів, в умовах одиничного і серійного виробництва.
Шліфування на верстаті 3М131 може проводитись у нерухомих центрах або патроні.
Обробка виробу на напівавтоматі 3М131 може проводитися поздовжнім або врізним шліфуванням у ручному або напівавтоматичному циклі. За особливим замовленням на напівавтоматі може встановлюватися прилад для автоматичного виправлення кола з компенсацією його зносу та прилад активного контролю.
Механізм поперечних подач верстата 3М131 шліфувальної бабки забезпечує ручні та автоматичні поперечні подачі, дозволяє проводити налаштування на загальну величину припуска, що знімається, і величину припуска, що знімається при чистовому шліфуванні. Механізм забезпечує автоматичне перемикання з чорнової подачі на чистову за допомогою командоапарата, розміщеного в корпусі механізму.
Верхня частинина столу, шліфувальна та передня бабки напівавтомата виконані поворотними.
Гідравлічний привід поздовжнього переміщення столу забезпечує плавне регулювання швидкості переміщення та зміну величини затримок у крайніх положеннях столу.
Є механізм ручного переміщення столу.
Шпиндель шліфувальної бабки змонтований в самовстановлюваних гідродинамічних підшипниках, які забезпечують стійке положення шпинделя при великих навантаженнях.
Шліфувальна бабка переміщається на роликових направляючих. У механізмі подач шліфувального кола застосовано гвинтову пару кочення, що забезпечує високу точність подачі.
Пуск переміщення столу, включення обертання виробу, охолодження та швидке підведення шліфувального кола до виробу проводиться однією рукояткою.
Відведення пінолі задньої бабки здійснюється від гідравліки за допомогою педалі.
Забезпечується швидке настановне переміщення шліфувальної бабки.
Виріб приводиться в обертання електродвигуном постійного струму через клинопасові передачі, що дає можливість безступінчасто регулювати обертання виробу.
Велика жорсткість конструкції напівавтомата, достатні розміри шліфувального кола та потужний привід забезпечують високу продуктивність.
Забезпечується тонке очищення олії та охолоджуючої рідини. Надійне блокування виключає включення приводів обертання шпинделя шліфувального круга та переміщення столу за відсутності мастила.
Резервуари для олії та охолоджуючої рідини винесені за межі станини для усунення теплових деформацій.
Напівавтомат комплектується механізмом балансування шліфувального кола на ходу та приладом для вимірювання величини вібрації.
Напівавтомат комплектується швидкісним точним внутрішньошліфувальним шпинделем.
Напівавтомат комплектується навісною індикаторною скобою для вимірювання діаметра виробу, що шліфується.
Шпиндель шліфувальної бабки встановлений у двох підшипниках ковзання спеціальної конструкції. Підшипники мають по три однакові вкладиші, що є окремими сегментами.
Сферичними лунками вкладиші спираються на гвинти зі сферичними головками, у результаті вкладиші самовстановлюються по шийках шпинделя.
Конструкція забезпечує масляний клин між вкладишами та шийкою шпинделя, що запобігає їх нагріванню та зносу.
Примусове проточне мастило шпинделя проводиться з окремого бачка, розташованого за межами верстата, що зменшує температуру нагрівання шліфувальної бабки.
Автоматичний контроль наявності мастила в підшипниках шпинделя шліфувальної бабки гарантує довговічність їхньої роботи.
Безступінчасте регулювання частоти обертання виробу, швидкості різання та поздовжніх подач дозволяє проводити обробку на оптимальних режимах.
Реле перевантаження приводу шліфувального кола при швидкому підведенні шліфувальної бабки дозволяє автоматично переходити на чорнову подачу, що значно підвищує продуктивність.
Компенсація зносу шліфувального кола здійснюється як вручну, і автоматично.
Правку шліфувального кола можна проводити правильним гідрофікованим приладом з автоматичним включенням в циклі роботи напівавтомата. Частоту правки можна змінювати в залежності від необхідної чистоти виробу, що шліфується, і стійкості шліфувального круга.
Правку шліфувального кола по радіусу можна робити правильним приладом, закріпленим на столі напівавтомата.
Напівавтомати оснащені пристроєм балансування шліфувального кола під час роботи, що складається з механізму балансування кола та електронного індикатора розмаху коливань. Пристрій відрізняється швидкодією, надійністю роботи, простотою керування, зручністю обслуговування, що сприяє підвищенню продуктивності та чистоти шліфування.
Напівавтомати оснащені індикаторним пристроєм, який забезпечує можливість вимірювання малих поздовжніх переміщень столу. Пристрій дозволяє здійснювати розмірне підшліфування торців деталей торцем шліфувального кола.
Індикаторний пристрій для контролю повороту верхнього столу в поєднанні з номограмою для визначення величини корекції положення верхнього столу різко скорочує час отримання конусності деталей, що шліфуються.
На напівавтоматах передбачена можливість встановлення приладів активного контролю з навісною та настільною скобами.
Прилади активного контролю дозволяють: підвищити точність виміру; збільшити швидкість налаштування на розмір за рахунок швидкодії циліндра та вільного переміщення рухомих частинин приладу під дією постійних зусиль незалежно один від одного на всій довжині ходу; ліквідувати можливі помилки, зумовлені вібраціями верхнього вимірювального щупа при обертанні деталі.
Клас точності напівавтомата П згідно з ГОСТ 11654-65.
Шорсткість обробленої поверхні за ГОСТ 2789-59:

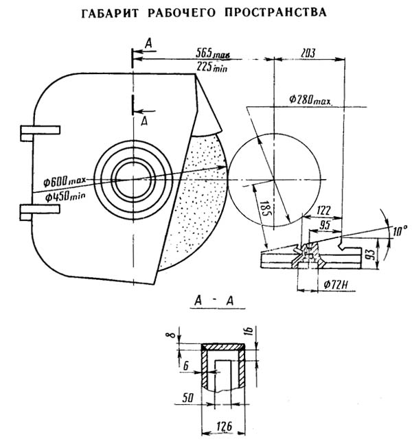
Креслення робочого простору шліфувального верстата 3М131

Приєднувальні та посадкові бази шліфувального верстата 3М131

Фото шліфувального верстата 3М131

Фото шліфувального верстата 3М131

Фото шліфувального верстата 3М131

Електрична схема круглошліфувального верстата 3М131
Схема електрична круглошліфувального верстата 3М131. Дивитись у збільшеному масштабі
| Найменування параметру | 3U131 | 3M131 | 3M132B |
|---|---|---|---|
| Основні параметри | |||
| Клас точності згідно з ГОСТ 8-82 | П/В | П | У |
| Найбільший діаметр виробу, що обробляється, мм | 280 | 280 | 280 |
| Найбільша довжина виробу, що обробляється, мм | 710 | 700 | 1000 |
| Найбільший діаметр шліфування без люнету, мм | 280 | 280 | 280 |
| Найбільший діаметр шліфування в люнеті, мм | 60 | 60 | 60 |
| Найменший діаметр шліфування при зношеному колі, мм | - | - | - |
| Найбільша довжина шліфування, мм | 710 | 700 | |
| Відстань від осі шпинделя передньої бабки до дзеркала столу (висота центрів), мм | 185 | 185 | 185 |
| Найбільша маса виробу, що обробляється, кг | 55 | 55 | 55 |
| Конус шпинделя передньої бабки та пінолі задньої бабки за ГОСТ 2847-67 | |||
| Кінець шліфувального шпинделя за ГОСТ 2323-67 (конусність 1:5, номінальний діаметр), мм | |||
| Станина та столи верстата | |||
| Найбільше поздовжнє переміщення столу, мм | 710 | 710 | 995 |
| Найменший хід столу між упорами, мм | 4 | 4 | |
| Ручне уповільнене/прискорене переміщення столу за один оберт маховика, мм | 3,1/ 20,5 | 2 | |
| Швидкість переміщення столу від гідросистеми, м/хв. | 0,05..5 | 0,05..5 | 0,05..5 |
| Найбільший кут повороту верхнього столу за годинниковою стрілкою, град | 3 | 3 | 8 |
| Найбільший кут повороту верхнього столу проти годинникової стрілки, град | 10 | 8 | 8 |
| Ціна поділу шкали повороту верхнього столу, град | 0°20′ | 0°20′ | 0°20′ |
| Шліфувальна бабка | |||
| Діаметр шліфувального круга - найбільший/найменший, мм | 600/450 | 600/450 | 600/450 |
| Діаметр шліфувального кола - посадковий, мм | 305 | 305 | 305 |
| Найбільша висота кола, що встановлюється, мм | 50 | 63 | 80 |
| Частота обертання шпинделя шліфувальної бабки (коло = Ø600мм), об/хв | 1111 | 1590 рік | |
| Найбільший кут повороту шліфувальної бабки, град | ±30° | ±30° | ±30° |
| Механізм поперечных подач шлифовальной бабки | |||
| Наибольшее перемещение шлифовальной бабки по винту, мм | 290 | 290 | 290 |
| Величина швидкого подвода шлифовальной бабки, мм | 50 | 50 | |
| Время швидкого подвода шлифовальной бабки, с | 2 | 2 | |
| Толчковая подача - периодическая подача з реверсированием стола, мм | 0,0025..0,025 | 0,0025..0,025 | 0,001..0,05 |
| Величина тонкой подачі, мм | 0,05 | 0,05 | |
| Величина тонкой толчковой подачі, мм | 0,001 | 0,001 | 0,001 |
| Величина врезной подачі на диаметр вироби, мм | 0,9 | 0,9 | |
| Непрерывная подача для врезного шлифования (бесступенчатое регулювання), мм/мин | 0,1..1 | 0,1..1 | |
| Цена деления лимба поперечної подачі, мм | 0,005 | 0,005 | 0,005 |
| Величина поперечного переміщення шлифовальной бабки за один оборот маховика, мм | 0,5 | 0,5 | 0,5 |
| Скорость швидкого установочного переміщення шлифовальной бабки, мм/мин | 240 | 200 | |
| Приспособление для внутреннего шлифования | |||
| Наибольший диаметр заготовки, устанавливаемой в патроне, мм | 200 | 200 | 200 |
| Наибольшая длина шлифуемого отверстия, мм | 125 | 125 | 125 |
| Диаметр шлифуемого отверстия, мм | 30..100 | 30..100 | 15..125 |
| Диаметр внутиришлифовальной головки, мм | 25..32 | 25..32 | |
| Число оборотів внутришлифовального шпинделя | 1690 | 1690 | |
| Передня бабка | |||
| Частота обертання вироби (бесступенчатое регулювання), об/мин | 40..400 | 40..400 | 40..800 |
| Конус центра по ГОСТ 13211-67 | Морзе 4 | Морзе 4 | Морзе 4 |
| Наибольший угол поворота передньої бабки к шлифовальному кругу, град | 90 | 90 | 90 |
| Наибольший угол поворота передньої бабки от шлифовального круга, град | 30 | 30 | 30 |
| Задня бабка | |||
| Величина відведення пиноли задньої бабки от руки, мм | 35 | 35 | 35 |
| Конус центра задньої бабки по ГОСТ 13211-67 | Морзе 4 | Морзе 4 | Морзе 4 |
| Привід і електрообладнання верстата | |||
| Количество електродвигателей на станке | 9 | 9 | |
| Електродвигун шпинделя шлифовальной бабки, кВт | 5,5 | 7,5 | |
| Електродвигун переміщення шлифовальной бабки, кВт | 0,18 | 0,18 | |
| Електродвигун внутришлифовального шпинделя, кВт | 1,1 | 1,1 | |
| Електродвигун приводу вироби, кВт | 0,75 | 0,85 | |
| Електродвигун насоса гідросистемы, кВт | 1,5 | 1,5 | |
| Електродвигун насоса системы змазки шпинделя, кВт | 0,27 | 0,27 | 0,27 |
| Електродвигун насоса системы змазки направляючих стола, кВт | 0,08 | 0,08 | |
| Електродвигун насоса системы охлаждения, кВт | 0,15 | 0,15 | |
| Електродвигун магнитного сепаратора, кВт | 0,12 | 0,12 | |
| Електродвигун вентилятора гідроагрегата, кВт | 0,12 | 0,12 | |
| Електродвигун фильтра-транспортера, кВт | 0,12 | 0,12 | |
| Габаритные розміри і масса верстата | |||
| Габаритные розміри верстата (длина х ширина х высота), мм | 5620 х 2585 х 1982 | 5620 х 2585 х 2170 | |
| Масса верстата з електрообладнанням і охолодженням, кг | 6200 | 6835 |