Виробник круглошліфувального верстата напівавтомату 3131 - Лубенський верстатобудівний завод "Комунар" .
Завод "Фенікс" заснований в 1915 році і в 1918 отримав назву "Комунар".
З 1957 завод спеціалізується на виробництві універсальних і спеціальних круглошліфувальних верстатів з різним рівнем автоматизації, від верстатів з ручним керуванням до верстатів з сучасними ЧПУ.
Круглошліфувальний 3131 спроектований на базі верстата 3130 і був замінений на більш досконалі моделі 3у131 (3у132, 3у133) та 3м131 (3м132, 3м133) .
Верстати 3131 призначені для зовнішнього шліфування циліндричних виробів та пологих конусів.
На верстатах 3131 , що мають гідравлічний механізм врізання, можна виконувати такі види обробки:
На верстатах 3131 цих моделей передбачена можливість встановлення приладів активного контролю, що поставляються з ними за особливим замовленням та за окрему плату.
Верстати моделей 3131 розраховані головним чином на роботу в умовах серійного та масового виробництв , але можуть використовуватися в одиничному виробництві.

Фото круглошліфувального верстата 3131

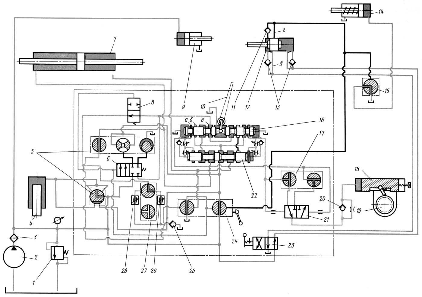
Гідравлічна схема круглошліфувального верстата 3131
1. Гідравлічна схема круглошліфувального верстата 3131. Дивитись у збільшеному масштабі
2. Гідравлічна схема круглошліфувального верстата 3131. Дивитись у збільшеному масштабі
3. Гідравлічна схема круглошліфувального верстата 3131. Дивитись у збільшеному масштабі
Роботою гідросистеми (рис. 31) керує за допомогою гідропанелі ГШУ, яка дає змогу виробляти:
Вимкнення механізму ручного переміщення столу . При включенні гідравлічного переміщення стола механізм ручного переміщення автоматично вимикається. Це досягається тим, що при перекладі рукоятки кранового розподільника 24 положення «Пуск» (показано на рис. 31) масло через крановий розподільник 5 надходить під плунжер 4, який, переміщаючись, вимикає муфту.
Рух столу . Нахилом рукоятки крановий розподільник 24 встановлюється положення, показане па рис. 31. Якщо золотник розподільника 16 знаходиться в правому положенні, масло поступає в ліву порожнину розподільника 22, переміщуючи його золотник у праве положення, в результаті чого поршень гідроциліндра 7 разом зі столом переміщається вправо. З правої порожнини циліндра 7 масло витісняється на злив через розподільники 22, 16, 8, дросель 26 або 28 в залежності від положення рукоятки розподільника 27. Дросель 28 використовується для регулювання великих швидкостей столу, а дросель 26 - для регулювання малих швидкостей виправлення кола.
Если переместить золотник распределителя 16 влево, то слив масла из правой полости цилиндра 7 прекратится і поршень остановится; одновременно масло из камеры а начнет поступать в правую полость распределителя 22. Золотник етого распределителя будет двигаться влево, і масло под давлением через проточки золотника попадет в правую полость цилиндра 7; поршень цилиндра со столом начнет двигаться влево. Для виключення гідравлічного переміщення стола рукоятку следует повернуть влево; при етом крановый распределитель 24 закроет путь маслу к распределителям 22 і 16 і соединит полости цилиндра 7 переміщення стола. При таком положении рукоятки распределителя 24 возможно перемещение стола механізмом ручного переміщення.
Быстрый подвод і отвод шлифовальной бабки. Наклоном рукоятки «к себе» золотник распределителя 23 ставится в положение, показанное на рис. 31. Масло поступает в поршневую полость цилиндра 12 швидкого подвода шлифовальной бабки, перемещая поршень в левое положение до упора в крышку цилиндра. Замедление руху в кінці ходу достигается постепенным перекрыванием поршнем каналов г і д, через которые масло вытесняется из цилиндра 12 на слив.
Если золотник распределителя 23 переводится в другое крайнее положение, масло поступает через обратный клапан 13 в штоковую полость цилиндра 12 швидкого подвода шлифовальной бабки, передвигая поршень в правое положение.
При отведенной шлифовальной бабке, т. е. при правом положении поршня цилиндра 12, открывается канал і из штоковой полости цилиндра 12 масло через етот канал подается к другим елементам гідросистемы.
Усунення зазору в винтовой паре механізма подачі шлифовальной бабки производится посредством гідроцилиндра 9, шток которого упирается в угольник, закрепленный на шлифовальной бабке.
Перегоны стола. Масло из цилиндра 12 по каналу г через крановый распределитель 24 подается в левую полость распределителя 6 і в верхнюю полость распределителя 8. Золотник распределителя 6, смещаясь вправо, своей левой выточкой открывает путь маслу к среднему сечению кранового распределителя 5, а правой выточкой — путь маслу, сливаемому через правое сечение того же распределителя 5. Золотник распределителя Я, опустившись вниз, закроет слив масла через дроссель 26 (или 28), Если теперь наклонить рукоятку в любую сторону, то повернувшись, распределитель 5 своим левым сечением разобщит полости цилиндра 7, средним — откроет путь маслу к средней полости распределителя 22, а правым — откроет слив из полостей в распределителя 16. Сечением, вынесенным на рис. 31 вниз, крановый распределитель 5 откроет путь маслу под плунжер 4, который выключит механізм ручного переміщення стола.
Автоматическая подача шлифовальной бабки. Подачей управляет крановый распределитель 17: при положении «Отключено» подача отсутствует; при двух других положениях кранового распределителя подача осуществляется один раз за двойной ход стола при реверсе (только справа или только слева) і при четвертом положении — подача при каждом реверсе стола.
Периодическая подача производится з помощью гідроцилиндра 18. При перемещении поршня гідроцилиндра 18 собачка поворачивает колесо 19, а з ним і вал поперечної подачі. На рис. 31 показано положение кранового распределителя 17, соответствующего подаче при каждом реверсе стола.
Если при гідравлическом перемещении стола переключить рычаг 10 реверса, то в правую полость а распределителя 16 поступит масло под давлением. Поток масла устремится через левое сечение распределителя 17 і выточку золотника распределителя 21 под поршень гідроцилиндра 18, перемещая его до регулируемого упора. Через демпфер масло будет поступать в левую полость распределителя 21, медленно перемещая его золотник вправо. Во второй частини своего пути, при реверсе стола, золотник закроет путь маслу от гідропанелі к полости поршня механізма подач і своей выточкой сообщит ету полость со сливом. Под действием пружины поршень гідроцилиндра 18 переместится в левое положение.
Отвод пиноли задньої бабки возможен при отведенной шлифовальной бабке, т. е. при наличии масла под давлением в канале г. Это масло подводится к крановому распределителю 15. Если нажать на педаль распределителя, то кран повернется, направив поток масла в цилиндр 14 пиноли задньої бабки. Посредством рычага рух передається пиноли, которая, сжимая пружину, отходит.

Гідропанель круглошлифовального верстата 3131
| Наименование параметра | 3130 | 3А130 | 3131 |
|---|---|---|---|
| Основні параметри верстата | |||
| Класс точності по ГОСТ 8-82 | |||
| Наибольший диаметр обрабатываемого вироби, мм | 280 | 280 | 280 |
| Наибольшая длина устанавливаемого вироби - межцентровое расстояние (РМЦ), мм | 700 | 700 | 1400 |
| Наибольший диаметр обрабатываемого вироби при внутреннем шлифовании, мм | 100 | 100 | 100 |
| Диаметр вироби, шлифуемого в закрытом люнете, мм | 20..100 | 20..100 | |
| Диаметр вироби, шлифуемого в открытом люнете, мм | 10..60 | 8..60 | 8..60 |
| Наибольший диаметр шлифования без люнета, мм | 10..280 | ||
| Наибольшая длина наружного/ внутреннего шлифования, мм | 630/ 100 | 630/ 100 | |
| Расстояние от оси шпинделя передньої бабки до зеркала стола (высота центров), мм | 165 | 154 | 154 |
| Рабочий стол верстата | |||
| Наибольшая продольное переміщення стола, мм | 775 | 675 | 1290 |
| Ручное ускоренное перемещение стола за один оборот маховика, мм | 24 | 24 | |
| Ручное замедленное переміщення стола за один оборот маховика, мм | 5 | 5 | |
| Наименьший ход стола от гідросистемы при переключении упорами, мм | 15 | 15 | |
| Скорость переміщення стола от гідросистемы (бесступенчатое регулювання), мм/мин | 100..6000 | ||
| Наибольший угол поворота верхнего стола по часовий стрелке/ против часовий стрелки, град | -6° +6° | -3° +11° | -2° +7° |
| Цена деления шкалы поворота верхнего стола, мин | 1° | 20' | 15' |
| Конусность (цена деления) | 1:100 | 1:100 | 1:200 |
| Шлифовальная бабка | |||
| Диаметр шлифовального круга, мм | 260..350 | 260..350 | 260..350 |
| Наибольшая ширина (высота) шлифовального круга, мм | 32 | 40 | 40 |
| Частота обертання шпинделя шлифовальной бабки, об/мин (количество швидкостей) | 1800 | 1880, 2110 (2) | 1880, 2110 (2) |
| Скорость різання шлифовального круга, м/с | 34 | ||
| Наибольшее поперечное перемещение шлифовальной бабки по винту, мм | 275 | 236 | 236 |
| Ручная подача шлифовальной бабки на диметр вироби за один оборот маховичка, мм | 1 | 0,5/ 2 | 0,5/ 2 |
| Цена деления лимба ручной подачі шлифовальной бабки на диаметр вироби за один оборот маховичка, мм | 0,01 | 0,005/ 0,02 | 0,005/ 0,02 |
| Величина швидкого подвода шлифовальной бабки от гідравлики, мм | 50 | 50 | |
| Время швидкого подвода шлифовальной бабки, с | |||
| Периодическая подача шлифовальной бабки от механізма врізання при каждом реверсе стола, мм | 0,005..0,08 | 0,005..0,08 | |
| Ручная мелкая толчковая подача шлифовальной бабки на глубину шлифования, мм | 0,01 | 0,0025..0,01 | 0,0025..0,01 |
| Цена деления лимба переміщення бабки головного/ точной установки, мм | 0,005/ 0,005 | ||
| Поворот шлифовальной бабки, град | ±90° | ±90° | ±90° |
| Цена деления шкалы поворота шлифовальной бабки, град | 1° | 1° | 1° |
| Приспособление для внутренней шлифовки | |||
| Диаметр шлифовального круга, мм | 10..25 | 20..30 | 20..30 |
| Наибольшая ширина (высота) шлифовального круга, мм | 13 | 16 | 16 |
| Частота обертання шпинделя шлифовальной бабки, об/мин | 10000 | 10000 | 10000 |
| Передня бабка | |||
| Частота обертання вироби (бесступенчатое регулювання), об/мин | 80..700 | 50..400 | 50..400 |
| Розміри центра передньої бабки | Конус Морзе 4 | Конус Морзе 4 | Конус Морзе 4 |
| Поворот передньої бабки по часовий стрелке/ против часовий стрелки, град | 30°/90° | 30°/90° | |
| Задня бабка | |||
| Розміри центра задньої бабки | Конус Морзе 4 | Конус Морзе 4 | Конус Морзе 4 |
| Величина відведення пиноли задньої бабки от руки, мм | 30 | 35 | 35 |
| Величина відведення пиноли задньої бабки от гідросистемы, мм | 35 | 35 | |
| Привід і електрообладнання верстата | |||
| Количество електродвигателей на станке | 6 | 6 | 6 |
| Електродвигун шпинделя шлифовальной бабки, кВт (об/мин) | 2,8 (1420) | 4 (1450) | 4 (1450) |
| Електродвигун шпинделя внутришлифовального, кВт (об/мин) | 1,0 (2860) | 1,1 (2830) | 1,1 (2830) |
| Електродвигун приводу вироби, кВт (об/мин) | 0,25 (350..3000) | 0,76 (250..2500) | 0,76 (250..2500) |
| Електродвигун насоса гідросистемы, кВт (об/мин) | 1,7 (1420) | 1,5 (950) | 1,5 (950) |
| Електродвигун насоса системы змазки підшибників шпинделя, кВт (об/мин) | |||
| Електродвигун насоса системы змазки направляючих стола, кВт (об/мин) | |||
| Електродвигун насоса системы охлаждения, кВт (об/мин) | 0,125 (2800) | 0,125 (2800) | 0,125 (2800) |
| Електродвигун магнитного сепаратора, кВт (об/мин) | |||
| Габаритные розміри і масса верстата | |||
| Габаритные розміри верстата (длина х ширина х высота), мм | 3100 х 1720 х 1490 | 3060 х 2000 х 1650 | 4990 х 2000 х 1650 |
| Масса верстата з електрообладнанням і охолодженням, кг | 3600 | 3780 | 4600 |
На службових сходах стійте праворуч. Не заважайте тим, хто йде вниз.