Виробник круглошліфувального верстата напівавтомата 3А130 - Лубенський верстатобудівний завод "Комунар" .
Завод "Фенікс" заснований в 1915 році і в 1918 отримав назву "Комунар".
З 1957 завод спеціалізується на виробництві універсальних і спеціальних круглошліфувальних верстатів з різним рівнем автоматизації, від верстатів з ручним керуванням до верстатів з сучасними ЧПУ.
Круглошліфувальний верстат 3А130 спроектований на базі верстата 3130 і був замінений на більш досконалі моделі 3у131 (3у132, 3у133) та 3м131 (3м132, 3м133) .
Верстати 3А130 призначені для зовнішнього шліфування циліндричних виробів та пологих конусів.
На верстатах 3А130 , що мають гідравлічний механізм врізання, можна виконувати такі види обробки:
На верстатах цієї моделі передбачена можливість встановлення приладів активного контролю, що поставляються з ними за особливим замовленням та за окрему плату.
Верстати моделей 3А130 розраховані головним чином на роботу в умовах серійного та масового виробництв, але можуть використовуватися в одиничному виробництві.

Фото круглошліфувального верстата 3а130

Гідравлічна схема круглошліфувального верстата 3а130
1. Гідравлічна схема круглошліфувального верстата 3А130. Дивитись у збільшеному масштабі
2. Гідравлічна схема круглошліфувального верстата 3А130. Дивитись у збільшеному масштабі
3. Гідравлічна схема круглошліфувального верстата 3А130. Дивитись у збільшеному масштабі
Роботою гідросистеми (рис. 31) керує за допомогою гідропанелі ГШУ, яка дає змогу виробляти:
Вимкнення механізму ручного переміщення столу . При включенні гідравлічного переміщення стола механізм ручного переміщення автоматично вимикається. Це досягається тим, що при перекладі рукоятки кранового розподільника 24 положення «Пуск» (показано на рис. 31) масло через крановий розподільник 5 надходить під плунжер 4, який, переміщаючись, вимикає муфту.
Рух столу . Нахилом рукоятки крановий розподільник 24 встановлюється положення, показане па рис. 31. Якщо золотник розподільника 16 знаходиться в правому положенні, масло поступає в ліву порожнину розподільника 22, переміщуючи його золотник у праве положення, в результаті чого поршень гідроциліндра 7 разом зі столом переміщається вправо. З правої порожнини циліндра 7 масло витісняється на злив через розподільники 22, 16, 8, дросель 26 або 28 в залежності від положення рукоятки розподільника 27. Дросель 28 використовується для регулювання великих швидкостей столу, а дросель 26 - для регулювання малих швидкостей виправлення кола.
Якщо перемістити золотник розподільника 16 вліво, то злив олії з правої порожнини циліндра 7 припиниться і зупиниться поршень; одночасно масло з камери а почне надходити в праву порожнину розподільника 22. Золотник цього розподільника рухатматися вліво, і масло під тиском через проточки золотника потрапить у праву порожнину циліндра 7; поршень циліндра зі столом почне рухатись вліво. Для вимкнення гідравлічного переміщення стола рукоятку слід повернути вліво; при цьому крановий розподільник 24 закриє шлях олії до розподільників 22 і 16 і з'єднає порожнини циліндра 7 переміщення столу. При такому положенні ручки розподільника 24 можливе переміщення столу механізмом ручного переміщення.
Швидке підведення та відведення шліфувальної бабки . Нахилом рукоятки "до себе" золотник розподільника 23 ставиться в положення, показане на рис. 31. Олія надходить у поршневу порожнину циліндра 12 швидкого підведення шліфувальної бабки, переміщуючи поршень у ліве положення до упору кришку циліндра. Уповільнення руху в кінці ходу досягається поступовим перекриванням поршнем каналів г і д, через які олію витісняється з циліндра 12 на злив.
Якщо золотник розподільника 23 перекладається в інше крайнє положення, масло надходить через зворотний клапан 13 штокову порожнину циліндра 12 швидкого підведення шліфувальної бабки, пересуваючи поршень в праве положення.
При відведеній шліфувальній бабці, тобто при правому положенні поршня циліндра 12 відкривається канал і з штокової порожнини циліндра 12 масло через цей канал подається до інших елементів гідросистеми.
Усунення зазору у гвинтовій парі механізму подачі шліфувальної бабки проводиться за допомогою гідроциліндра 9, шток якого впирається у косинець, закріплений на шліфувальній бабці.
Перегони столу . Олія з циліндра 12 по каналу через крановий розподільник 24 подається в ліву порожнину розподільника 6 і у верхню порожнину розподільника 8. Золотник розподільника 6, зміщуючись вправо, своєю лівою виточкою відкриває шлях маслу до середнього перерізу кранового розподільника 5, а правою виточкою - , що зливається через правий перетин того ж розподільника 5. Золотник розподільника Я, опустившись вниз, закриє злив масла через дросель 26 (або 28), Якщо тепер нахилити рукоятку в будь-який бік, то повернувшись, розподільник 5 своїм лівим перерізом роз'єднає порожнини циліндра 7, середнім - Відкриє шлях маслу до середньої порожнини розподільника 22, а правим - відкриє злив з порожнин у розподільника 16. Перетином, винесеним на рис. 31 вниз, крановий розподільник 5 відкриє шлях олії під плунжер 4, який вимкне механізм ручного переміщення столу.
Автоматическая подача шлифовальной бабки. Подачей управляет крановый распределитель 17: при положении «Отключено» подача отсутствует; при двух других положениях кранового распределителя подача осуществляется один раз за двойной ход стола при реверсе (только справа или только слева) і при четвертом положении — подача при каждом реверсе стола.
Периодическая подача производится з помощью гідроцилиндра 18. При перемещении поршня гідроцилиндра 18 собачка поворачивает колесо 19, а з ним і вал поперечної подачі. На рис. 31 показано положение кранового распределителя 17, соответствующего подаче при каждом реверсе стола.
Если при гідравлическом перемещении стола переключить рычаг 10 реверса, то в правую полость а распределителя 16 поступит масло под давлением. Поток масла устремится через левое сечение распределителя 17 і выточку золотника распределителя 21 под поршень гідроцилиндра 18, перемещая его до регулируемого упора. Через демпфер масло будет поступать в левую полость распределителя 21, медленно перемещая его золотник вправо. Во второй частини своего пути, при реверсе стола, золотник закроет путь маслу от гідропанелі к полости поршня механізма подач і своей выточкой сообщит ету полость со сливом. Под действием пружины поршень гідроцилиндра 18 переместится в левое положение.
Отвод пиноли задньої бабки возможен при отведенной шлифовальной бабке, т. е. при наличии масла под давлением в канале г. Это масло подводится к крановому распределителю 15. Если нажать на педаль распределителя, то кран повернется, направив поток масла в цилиндр 14 пиноли задньої бабки. Посредством рычага рух передається пиноли, которая, сжимая пружину, отходит.

Гідропанель круглошлифовального верстата 3а130
Питание ланцюгів електроустаткування осуществляется следующими напряжениями:
Питание верстата осуществляется от сети трехфазного переменного тока напряжением 380 В, частотой 50 Гц.
На станке установлены електродвигатели:
На станке установлены семь електродвигателей. Приводы шлифовального круга М3, приспособления для внутренней шлифовки М4, гідронасоса М1, насоса охлаждающей жидкости М5, насоса змазки підшибників шпинделя шлифовальной бабки М2 і магнитного сепаратора М6 осуществлены асинхронными електродвигунами трехфазного тока з короткозамкнутым ротором.
Изделие приводится во вращение електродвигуном М7 постоянного тока з независимым возбуждением. Двигатель получает питание от блока магнитных усилителей і выпрямителей типа ПМУМ.
Применение в магнитном усилителе отрицательной обратной связи по напряжению і положительной обратной связи по току нагрузки двигуна обеспечивает получение жесткой механической характеристики двигуна. Скорость електродвигуна приводу вироби можно бесступенчато регулировать в пределах от 220 до 2200 об/мин.Верстат изготовлен для живлення от електросети 380В 50Гц.

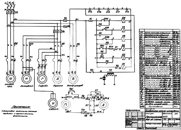
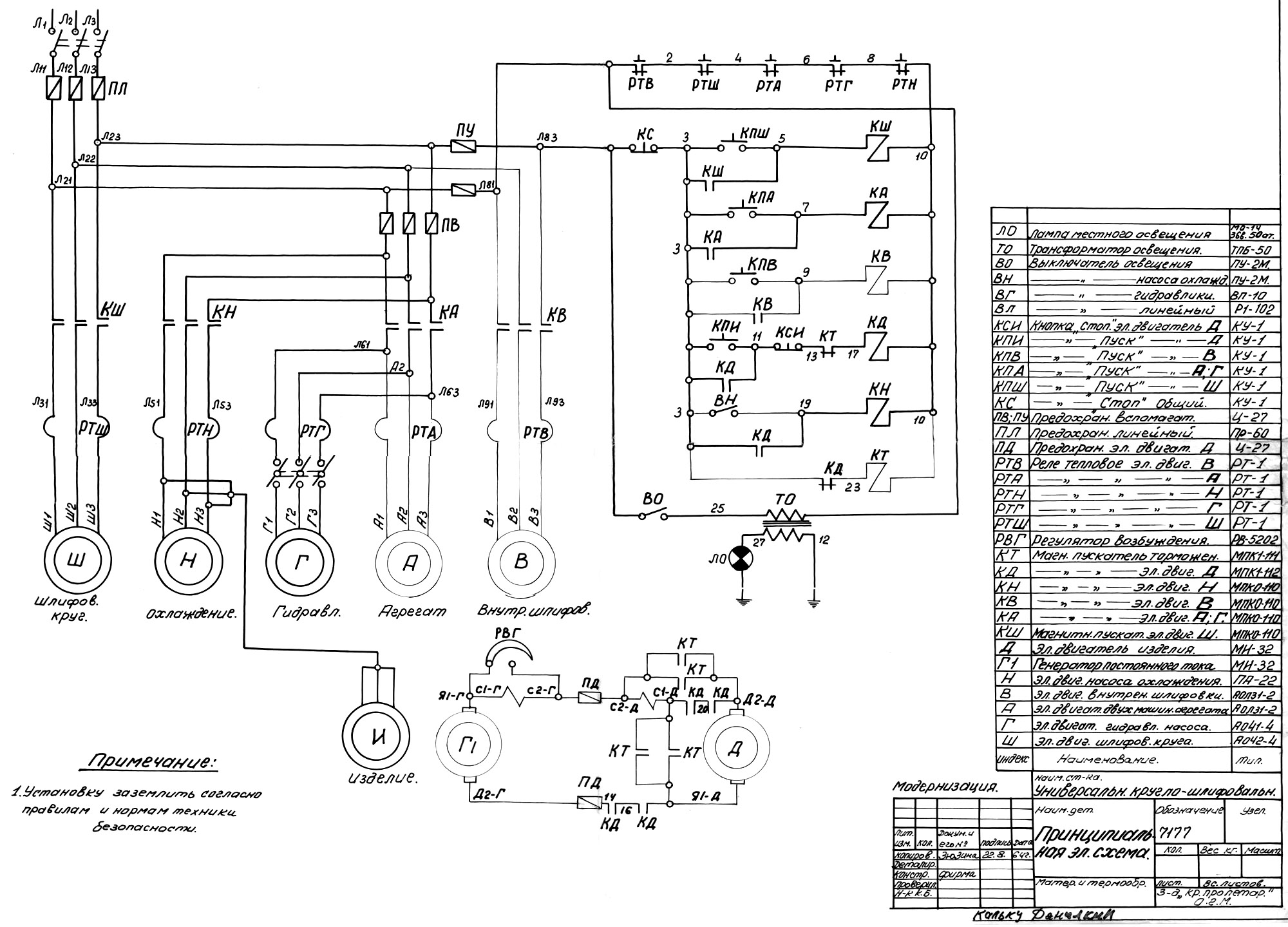
Електрична схема круглошлифовального верстата 3а130
Схема електрична принципова верстата 3А130. Дивитись у збільшеному масштабі
Для роботи верстата необходимо, чтобы были включены автоматы В1, В2, В3.
Работа на станке начинается після нажатия кнопки Кн2, при етом получают питание приводы гідронасоса М1, насоса змазки підшибників шпинделя шлифовальной бабки М2.
Переключателем В4, расположенным на гідропанелі, устанавливается режим роботи верстата на наружную (електродвигатель М3) или на внутреннюю шлифовку (електродвигатель М4).
Увімкнення і відключення двигателей шлифовальных кругов осуществляется кнопками Кн3, Кн4 і магнитными пускателями Р8 і Р9.
Электросхемой предусмотрены два режима керування работой електроприводу обертання вироби М7 автоматический і ручной.
Переключення осуществляется переключателем В5, установленным на пульті керування.
При ручном управлении режимом роботи двигуна контакты переключателя В5 (17-19) замкнуты.
Нажатием кнопки Кн6 включается реле Р11, которое управляет работой магнитного пускателя Р12, включающего двигатель вироби.
Для остановки електродвигуна вироби нажать кнопку Кн5, при етом отключается пускатель Р12 і включается пускатель Р13, который включает електродвигатель М7 в режим динамического торможения.
При автоматическом режиме роботи замкнуты контакты В5 (21-19). При установці на гідропанелі рукоятки в положение «Быстрый подвод шлифовальной бабки» шлифовальная бабка отойдет от исходного положения, замкнется н.з. контакт В6, і через промежуточное реле Р11 автоматически включается привід обертання вироби М7.
При установці на гідропанелі рукоятки в положение «Быстрый отвод шлифовальной бабки», под действием гідравлики шлифовальная бабка отойдет в исходное положение, В6 разомкнется, промежуточное реле Р11 автоматически переключит двигатель М7 в режим динамического торможения до останова.
Увімкнення і відключення електродвигателей М5 і М6 (приводы насоса охлаждения і магнитного сепаратора осуществляется автоматически одновременно з включением і отключением електроприводу увімкнення вироби. Кроме того, електродвигатели М5 і М6 могут быть включены і отключены вручную з помощью установленного на пульті переключателя В7 при неработающем електродвигателе М7.
Відключення всех електродвигателей осуществляется кнопкой Кн1.
Захист оборудования верстата от токов короткого замыкания осуществляется автоматическими выключателями В1, В2, В3, а также предохранителем Пр3 в ланцюги двигуна постоянного тока.
Захист ланцюгів керування і освещения выполнена предохранителями Пр1 і Пр2.
Захист електродвигателей от перегрузки выполнена тепловыми реле Р1, Р2, Р3, Р4, Р5, Р6, Р7.
Електродвигун приводу обертання вироби защищен от разноса при обрыве ланцюги возбуждения реле Р15.
На станке предусмотрена блокировка, исключающая возможность одновременного увімкнення електроприводу шлифовального круга і електроприводу приспособления для внутреннего шлифования, а также возможность відведення шлифовальной бабки при вращении круга внутренней шлифовки.
Эта блокировка выполнена переключателем В4, установленным на гідропанелі.

Електрична схема круглошлифовального верстата 3а130
Схема електрична принципова верстата 3А130. Дивитись у збільшеному масштабі
| Наименование параметра | 3130 | 3А130 | 3131 |
|---|---|---|---|
| Основні параметри верстата | |||
| Класс точності по ГОСТ 8-82 | |||
| Наибольший диаметр обрабатываемого вироби, мм | 280 | 280 | 280 |
| Наибольшая длина устанавливаемого вироби - межцентровое расстояние (РМЦ), мм | 700 | 700 | 1400 |
| Наибольший диаметр обрабатываемого вироби при внутреннем шлифовании, мм | 100 | 100 | 100 |
| Диаметр вироби, шлифуемого в закрытом люнете, мм | 20..100 | 20..100 | |
| Диаметр вироби, шлифуемого в открытом люнете, мм | 10..60 | 8..60 | 8..60 |
| Наибольший диаметр шлифования без люнета, мм | 10..280 | ||
| Наибольшая длина наружного/ внутреннего шлифования, мм | 630/ 100 | 630/ 100 | |
| Расстояние от оси шпинделя передньої бабки до зеркала стола (высота центров), мм | 165 | 154 | 154 |
| Рабочий стол верстата | |||
| Наибольшая продольное переміщення стола, мм | 775 | 675 | 1290 |
| Ручное ускоренное перемещение стола за один оборот маховика, мм | 24 | 24 | |
| Ручное замедленное переміщення стола за один оборот маховика, мм | 5 | 5 | |
| Наименьший ход стола от гідросистемы при переключении упорами, мм | 15 | 15 | |
| Скорость переміщення стола от гідросистемы (бесступенчатое регулювання), мм/мин | 100..6000 | ||
| Наибольший угол поворота верхнего стола по часовий стрелке/ против часовий стрелки, град | -6° +6° | -3° +11° | -2° +7° |
| Цена деления шкалы поворота верхнего стола, мин | 1° | 20' | 15' |
| Конусность (цена деления) | 1:100 | 1:100 | 1:200 |
| Шлифовальная бабка | |||
| Диаметр шлифовального круга, мм | 260..350 | 260..350 | 260..350 |
| Наибольшая ширина (высота) шлифовального круга, мм | 32 | 40 | 40 |
| Частота обертання шпинделя шлифовальной бабки, об/мин (количество швидкостей) | 1800 | 1880, 2110 (2) | 1880, 2110 (2) |
| Скорость різання шлифовального круга, м/с | 34 | ||
| Наибольшее поперечное перемещение шлифовальной бабки по винту, мм | 275 | 236 | 236 |
| Ручная подача шлифовальной бабки на диметр вироби за один оборот маховичка, мм | 1 | 0,5/ 2 | 0,5/ 2 |
| Цена деления лимба ручной подачі шлифовальной бабки на диаметр вироби за один оборот маховичка, мм | 0,01 | 0,005/ 0,02 | 0,005/ 0,02 |
| Величина швидкого подвода шлифовальной бабки от гідравлики, мм | 50 | 50 | |
| Время швидкого подвода шлифовальной бабки, с | |||
| Периодическая подача шлифовальной бабки от механізма врізання при каждом реверсе стола, мм | 0,005..0,08 | 0,005..0,08 | |
| Ручная мелкая толчковая подача шлифовальной бабки на глубину шлифования, мм | 0,01 | 0,0025..0,01 | 0,0025..0,01 |
| Цена деления лимба переміщення бабки головного/ точной установки, мм | 0,005/ 0,005 | ||
| Поворот шлифовальной бабки, град | ±90° | ±90° | ±90° |
| Цена деления шкалы поворота шлифовальной бабки, град | 1° | 1° | 1° |
| Приспособление для внутренней шлифовки | |||
| Диаметр шлифовального круга, мм | 10..25 | 20..30 | 20..30 |
| Наибольшая ширина (высота) шлифовального круга, мм | 13 | 16 | 16 |
| Частота обертання шпинделя шлифовальной бабки, об/мин | 10000 | 10000 | 10000 |
| Передня бабка | |||
| Частота обертання вироби (бесступенчатое регулювання), об/мин | 80..700 | 50..400 | 50..400 |
| Розміри центра передньої бабки | Конус Морзе 4 | Конус Морзе 4 | Конус Морзе 4 |
| Поворот передньої бабки по часовий стрелке/ против часовий стрелки, град | 30°/90° | 30°/90° | |
| Задня бабка | |||
| Розміри центра задньої бабки | Конус Морзе 4 | Конус Морзе 4 | Конус Морзе 4 |
| Величина відведення пиноли задньої бабки от руки, мм | 30 | 35 | 35 |
| Величина відведення пиноли задньої бабки от гідросистемы, мм | 35 | 35 | |
| Привід і електрообладнання верстата | |||
| Количество електродвигателей на станке | 6 | 6 | 6 |
| Електродвигун шпинделя шлифовальной бабки, кВт (об/мин) | 2,8 (1420) | 4 (1450) | 4 (1450) |
| Електродвигун шпинделя внутришлифовального, кВт (об/мин) | 1,0 (2860) | 1,1 (2830) | 1,1 (2830) |
| Електродвигун приводу вироби, кВт (об/мин) | 0,25 (350..3000) | 0,76 (250..2500) | 0,76 (250..2500) |
| Електродвигун насоса гідросистемы, кВт (об/мин) | 1,7 (1420) | 1,5 (950) | 1,5 (950) |
| Електродвигун насоса системы змазки підшибників шпинделя, кВт (об/мин) | |||
| Електродвигун насоса системы змазки направляючих стола, кВт (об/мин) | |||
| Електродвигун насоса системы охлаждения, кВт (об/мин) | 0,125 (2800) | 0,125 (2800) | 0,125 (2800) |
| Електродвигун магнитного сепаратора, кВт (об/мин) | |||
| Габаритные розміри і масса верстата | |||
| Габаритные розміри верстата (длина х ширина х высота), мм | 3100 х 1720 х 1490 | 3060 х 2000 х 1650 | 4990 х 2000 х 1650 |
| Масса верстата з електрообладнанням і охолодженням, кг | 3600 | 3780 | 4600 |
На службових сходах стійте праворуч. Не заважайте тим, хто йде вниз.