Виробником радіально-свердлильних верстатів 2М57 є Одеський Завод Радіально-Свердлильних Верстатів , заснований у 1884 році.
Радіально-свердлильний верстат моделі 2М57 замінив застарілу модель верстата цієї серії 2Н57 і був замінений на більш досконалу модель 2А576 .
Верстат радіально-свердлильний 2М57 призначений для свердління, розсвердлювання, зенкерування, розгортання, розточування отворів нарізання різьблення мітчиками, підрізання торців різцем, а також виконання інших аналогічних операцій при обробці різних корпусних деталей в механічних цехах одиничного, дрібносерій цехах заводів важкого транспортного машинобудування При оснащенні верстата пристроями та спеціальним інструментом його можна використовувати для високопродуктивної обробки великогабаритних деталей у великосерійному виробництві.
Радіально-свердлильний верстат 2М57 має двоколонне компонування верстатної частинини, що дозволяє створити жорстку конструкцію вузла, що не допускає зміщення осі шпинделя при затиску колони. Спеціальний затискач колони центрального типу створює гальмівний момент, що гарантує високопродуктивне свердління.
Для повороту колони потрібно незначне зусилля на найменшому радіусі свердління, що також забезпечує високу продуктивність роботи та знижує стомлюваність оператора. Широкий діапазон чисел оборотів і подач шпинделя забезпечує високопродуктивну роботу за будь-яких поєднаннях оброблюваних матеріалів, інструменту розмірів тощо.
Преселективний дистанційний електрогідравлічний пристрій дозволяє змінювати режими з попереднім набором.
Верстат 2М57 має механізм автоматичного вимкнення при досягненні заданої глибини свердління.
Врівноваження шпинделя забезпечується спеціальною противагою, що допускає зручне регулювання з робочого місця у разі зміни маси інструменту.
Деталь, що обробляється, або вузол встановлюються в залежності від розмірів або на столі, або на підставі верстата. Ріжучий інструмент закріплюється безпосередньо в конусі шпинделя або за допомогою набоїв, оправок та інших пристроїв.
У процесі обробки всього комплексу отворів з паралельними осями деталь залишається нерухомою, а суміщення осі ріжучого інструменту з осями оброблюваних отворів досягається поворотом траверси з колоною і переміщенням бабки шпиндельної вздовж траверси. Після поєднання осей проводиться затискач колони та шпиндельної бабки на траверсі.
Для кожного переходу за допомогою преселективного гідрофікованого механізму встановлюються найвигідніші швидкість обертання шпинделя та величина подачі. Потім шпиндель вручну швидко підводиться до отвору, що обробляється, після чого включається механічна подача, яка може бути автоматично відключена після досягнення встановленої глибини обробки.
У приводі руху різання є двостороння багатодискова фрикційна муфта для включення, вимкнення та реверсування обертання шпинделя, що полегшує керування верстатом, захищає привід верстата від перевантаження при високих числах оборотів шпинделя та покращує динаміку приводу при нарізанні різьблення мітчиками.
Для запобігання приводу різання від поломок при низьких числах оборотів шпинделя на перебірному валу коробки швидкостей встановлена друга фрикційна багатодискова муфта.
Верстат має преселективне гідрофіковане керування коробкою швидкостей та коробкою подач. Це дозволяє попередньо встановлювати режими обробки, тобто під час виконання якого-небудь переходу попередньо, без зупинки верстата, налаштувати механізм перемикання на кількість обертів шпинделя та величину подачі, які потрібні для виконання наступного переходу. Після зупинки шпинделя для зміни ріжучого інструменту та наступного включення пускового фрикціону верстат автоматично перестоюється на вибраний режим.
З метою запобігання поломок і перевантажень механізму підйому та опускання траверси у приводі цього механізму встановлена кулькова запобіжна муфта.
Розробник — СКБ APC м. Одеса
Категорія якості найвища.
Клас точності верстата Н згідно з ГОСТ 8-77.

Габарит робочого простору радіально-свердлувального верстата 2м57

Посадочні та приєднувальні бази верстата 2м57

Фото радіально-свердлувального верстата 2м57
Фото радіально-свердлувального верстата 2м57. Дивитись у збільшеному масштабі

Фото радіально-свердлувального верстата 2м57
Фото радіально-свердлувального верстата 2м57. Дивитись у збільшеному масштабі

Свердлильна головка радіально-свердлувального верстата 2м57

Свердлильна головка радіально-свердлувального верстата 2м57

Свердлильна головка радіально-свердлувального верстата 2м57

Розташування основних вузлів радіально-свердлувального верстата 2м57

Розташування органів керування радіально-свердлильним верстатом 2М57

Розташування органів керування радіально-свердлильним верстатом 2М57

Електрична схема радиально-сверлильного верстата 2М57
Схема електрична схема радиально-сверлильного верстата 2М57. Дивитись у збільшеному масштабі

Електрична схема радиально-сверлильного верстата 2М57
Схема електрична схема радиально-сверлильного верстата 2М57. Дивитись у збільшеному масштабі

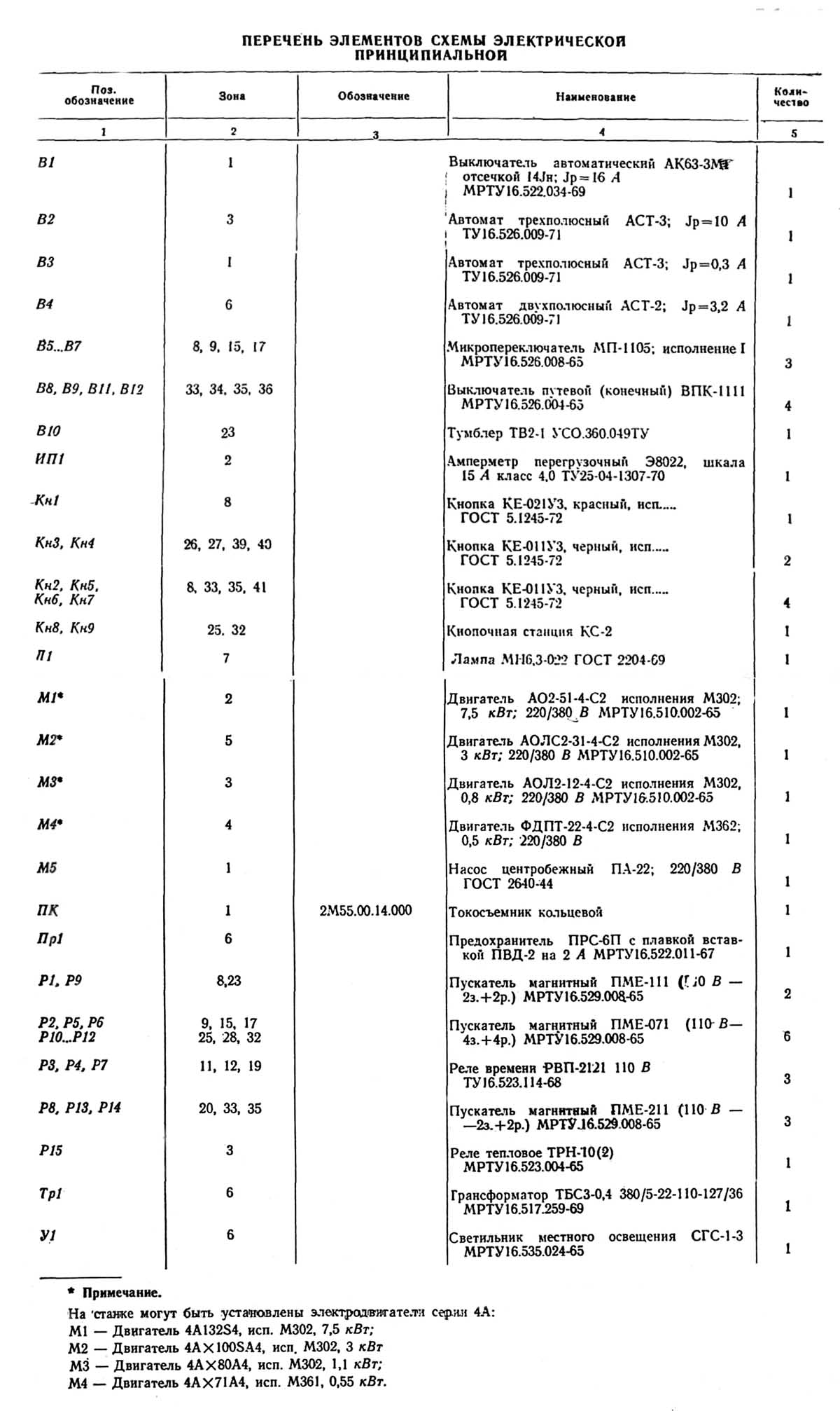
Специфікація радиально-сверлильного верстата 2М57
Специфікація радиально-сверлильного верстата 2М57. Дивитись у збільшеному масштабі
Електроустаткування верстата рассчитано на питание от електросети трехфазного тока напряжением, указанным в табл. 5.
Выбор робочого напряжения силовой ланцюги, ланцюги керування і местного освещения производит заказчик. В случае отсутствия в заказе специальных требований к електрооборудованию верстати поставляются в общепромышленном виконанні (см. табл. 5).
Верстат оборудован пятью електродвигунами (см. табл. 6).
Таблиця 5
Таблиця 6
Розташування електрооборудовании на станке приведено на рис. 27.
Вводной выключатель В1 і выключатель насоса охлаждения ВЗ расположены на вводном щите, укрепленном на цоколе колонны.
Панель керування расположена в нише рукава на подвижной частини верстата, поетому питание і защитное заземление осуществляются через кольцевой токоприемник ПК.
Пульт керування расположен на сверлильной головке.
Нагрузка електродвигуна шпинделя контролируется указателем нагрузки А, который размещен на пульті керування.
Для подготовки верстата к работе необходимо:
Керування наладочными операциями (рукав вверх - вниз, головка влево - вправо, зажим - отжим колонны і головки) осуществляется соответствующими кнопками.
Предварительный набор режимов може быть осуществлен как при нерухомому, так і при вращающемся шпинделе рукоятками набора швидкостей і подач.
Увімкнення нового режима осуществляется рукояткой командоаппарата. Рукоятку следует приподнять до упора, затем опустить і повернуть влево.
Для увімкнення обертання шпинделя без изменения режимов необходимо рукоятку командоаппарата повернуть в одно из рабочих положений.
Для остановки обертання шпинделя необходимо рукоятку командоаппарата вернуть в нейтральное положение.
Відключення верстата, обычное і аварийное, осуществляется кнопкой Кн1 з красным грибовидным толкателем.
Отсоединение шпинделя от коробки швидкостей з целью облегчения его ручного пропорота осуществляется нажимом на кнопку Кн7, отмеченную символом «ноль шпинделя».
ВНИМАНИЕ! Вводной автомат B1 под нагрузкой не выключать — ето допустимо только в аварийном случае.
Для подготовки верстата к работе необходимо проверить увімкнення автоматических выключателей В4 і В2, расположенных в електрошкафу. При включении вводного выключателя В1 напряжение через кольцевой токосъемник поступает к електрошкафу.
В исходном положении верстата рукоятка командоаппарата, управляющая фрикционной муфтой, находится в среднем (нейтральном) положении.
Нажатием на кнопку Кн2 включается магнитный пускатель Р1, електродвигатель гідронасоса головки МЗ, загорается сигнальная лампочка Л1, свидетельствующая о готовности верстата к работе, срабатывает реле ограничения холостого ходу Р7.
Вращение шпинделя включается поворотом рукоятки командоаппарата. При повороте рукоятки влево замыкается контакт выключателя В5 (21—27), включаются реле Р2, електромагнит Эм4 і отключается реле ограничения холостого ходу Р7, начинается вращение шпинделя в прямом направлении.
Для получения обратного обертання необходимо рукоятку керування перевести в крайнее правое положение. При етом отключается реле Р2, замыкается контакт выключателя В6 (21—35), включаются реле Р5 і електромагнит Эм6.
Схема передбачає преселективный набор швидкостей і подач во время роботи верстата.
При необходимости переключения швидкостей или подач рукоятку командоаппарата из нейтрального положения нужно поднять вверх. При етом замыкается контакт выключателя В7 (21—37), включается реле Р6, поворотом рукоятки в крайнее левое положение замыкается контакт В5 (21—27) і включаются реле часу РЗ, Р4, електромагнит Эм6. На реле РЗ набрана выдержка часу, необходимая для переміщення блоков без обертання. После обробки етой выдержки часу включается реле Р2 і електромагнит Эм4. Включается «вялое» вращение шпинделя. По истечении выдержки часу реле Р4 разрывается ланцюг саможивлення, отключаются реле Р3, Р4, P6 електромагнит Эм5.
Останов шпинделя производится отводом рукоятки командоаппарата, управляющей фрикционной муфтой, в среднее (нейтральное) положение.
Если за период выдержки часу реле ограничения холостого ходу Р7 не произойдет увімкнення шпинделя, то размыкающий контакт Р7 (23—25) разорвет ланцюг саможивлення пускателя Р1. произойдет відключення всех елементів схеми, включенных з помощью кнопки Кн2. После етого потребуется повторное увімкнення кнопкой Кн2.
Отсоединение шпинделя от коробки швидкостей осуществляется нажимом на кнопку Кн? которая включает гідрозолотник ЭмЗ, отключающий шпиндельный блок от коробки.
Для возобертання шпиндельного блока в рабочее состояние необходимо рукоятку керування фрикционной муфтой поднять вверх повернуть влево. В схеме предусмотрена блокировка, не дающая произвести отсоединение шпинделя во время его обертання.
Для увімкнення отжима колонны і головки необходимо нажать на кнопку Кн8. При етом включается реле Р10, пускатель гідронасоса колонны Р9, реле Р11, електромагниты Эм7 Эм8 отжима колонны і головки соответственно.
Для зажиму головки і колонны необходимо нажать на кнопку Кн9. Включается реле Р1 і обрывает ланцюг саможивлення реле P11. Отключаются реле P11 і електромагниты Эм7, Эм8. Включается пускатель Р9 гідронасос М4, і происходит зажим.
Если установить тумблер В10 в положении «отжим головки» і нажать кнопку Кн8, то произойдет - отжим только головки при зажатой колонне.
Для переміщення головки вдоль траверсы необходимо нажать на кнопку КнЗ (KH4) При етом включаются реле Р11, електромагниты Эм7, Эм1 (Эм2). Происходит автоматический отжим головки і перемещение її вдоль направляючих рукава. При етом предусмотрена блокировка, которая запрещает перемещение головки при вращающемся шпинделе.
Вертикальное перемещение рукава осуществляется з помощью кнопок Кн5 і Кн6, крайние положения ограничены выключателями В8 і В11.
Подъем рукава осуществляется нажимом кнопки Кн5, которая включает магнитный пускатель Р13. Начинает вращаться електродвигатель переміщення рукава, но подъема сразу не произойдет. Винт переміщення рукава сначала вращается вхолостую, перемещая сидящую на нем гайку отжима рукава. Завершиь отжим траверсы, гайка отжима входит в зацепление з грузовой гайкой, після чего начинается перемещение траверсы вверх, одновременно конечный выключатель В12 (21—77) подготавливает реверс двигуна, необходимый для зажиму в новом положении.
Прекращение подъема рукава осуществляется отпусканием кнопки Кн5.
Аналогично производится перемещение рукава вниз.
Увімкнення і відключення насоса охлаждения инструмента М5 производится автоматическим выключателем ВЗ.

Схема електрична з'єднань радиально-сверлильного верстата 2М57

Диаграмма роботи рукоятки керування фрикционной муфтой
| Наименование параметра | 2М57 | 2Н57 | 257 |
|---|---|---|---|
| Основні параметри верстата | |||
| Класс точності верстата | Н | Н | Н |
| Наибольший условный диаметр сверления в стали 45, мм | 75 | 75 | 75 |
| Расстояние от оси шпинделя до направляющей колонны (вылет шпинделя), мм | 500..2000 | 2000 | 500..2000 |
| Наибольшее горизонтальное перемещение сверлильной головки по рукаву, мм | 1500 | 1800 | |
| Наименьшее і наибольшее расстояние от торца шпинделя до плиты, мм | 400..2000 | 1750 | 600..1750 |
| Наибольшее вертикальное перемещение рукава по колонне (установочное), мм | 1100 | 900 | |
| Скорость вертикального переміщення рукава по колонне, м/мин | 0,75 | ||
| Наибольшее осевое перемещение пиноли шпинделя (ход шпинделя), мм | 450 | 450 | |
| Угол поворота рукава вокруг колонны, град | 360° | 360° | |
| Размер поверхности плиты (ширина длина), мм | 1630 х 2020 | 1630 х 2020 | |
| Шпиндель | |||
| Обозначение кінця шпинделя по ГОСТ 24644-81 | Морзе 6 | Морзе 6 | Морзе 6 |
| Частота прямого обертання шпинделя, об/мин (Количество швидкостей шпинделя) | 12,5..1600 (22) | 12,5..1600 (22) | 11,2..1400 (22) |
| Пределы рабочих подач на один оборот шпинделя, мм/об (Число подач шпинделя) | 0,063..3,15 (18) | 0,063..3,15 (18) | 0,04..2 (18) |
| Перемещение шпинделя на одно деление лимба, мм | 1 | ||
| Перемещение шпинделя на оборот лимба, мм | 150 | ||
| Наибольший допустимый крутящий момент, кгс*см | 14000 | ||
| Наибольшее усилие подачі, кН | 32 | ||
| Зажим обертання колонны | |||
| Зажим рукава на колонне | |||
| Зажим сверлильной головки на рукаве | |||
| Електроустаткування. Привод | |||
| Количество електродвигателей на станке | 5 | ||
| Електродвигун приводу головного руху, кВт | 7,5 | 7 | 7 |
| Електродвигун приводу переміщення рукава, кВт | 3,0 | ||
| Електродвигун приводу гідрозажиму колонны, кВт | 0,5 | ||
| Електродвигун приводу гідрозажиму сверлильной головки, кВт | 0,8 | ||
| Електродвигун насоса охлаждающей жидкости, кВт | 0,125 | ||
| Суммарная мощность установленных електродвигателей, кВт | |||
| Габарити і масса верстата | |||
| Габарити верстата (длина ширина высота), мм | 3500 х 1630 х 3780 | 3620 х 1550 х 3875 | |
| Масса верстата, кг | 10500 | 6500 |