Виробником радіально-свердлувальних верстатів 255 є Одеський Завод Радіально-Свердлильних Верстатів , заснований у 1884 році.
З 1928 року Державний машинобудівний завод ім. В. І. Леніна почав спеціалізуватися на випуску металорізальних верстатів. Було освоєно випуск вертикально-свердлильних верстатів діаметром свердління до 75 мм.
У листопаді 1946 року було випущено перший радіально-свердлильний верстат діаметром свердління 50 мм. Слідом за цими верстатами завод почав випускати радіально-свердлувальні верстати діаметром свердління 75 і 100 мм, переносні свердлильні верстати з поворотною головкою діаметром свердління до 75 мм, верстати хонінгу до діаметра 600 мм, верстати глибокого свердління до діаметра 50 мм.
Верстат 255 серійно вироблявся в 50-ті роки, його замінила більш досконала модель 2а55 .
Радіально-свердлильний верстат загального призначення 255 служить для свердління, розсвердлювання, зенкерування, підрізання торців в обох напрямках, розгортання, розточування отворів та нарізування різьблення мітчиками у великих деталях, переміщення яких по столу верстата здійснювати важко, а в деяких випадках і неможливо.
Радіальний свердлильний верстат 255 призначений для отримання наскрізних та глухих отворів в деталях за допомогою свердл, для розгортання та чистової обробки отворів, попередньо отриманих литтям або штампуванням, та для виконання інших операцій. Головний рух та рух подачі у свердлильному верстаті повідомляються інструменту.
Шпиндель верстата 255 отримує 19 ступенів обертання від коробки швидкостей, що забезпечує вільний вибір прямих швидкостей різання в діапазоні від 30 до 1700 об/хв.
Механізм подач забезпечує 18 подач шпинделя в діапазоні від 0,03 до 1,2 мм/об.
Застосування пристосувань та спеціального інструменту значно підвищує продуктивність верстата та розширює коло можливих операцій, дозволяючи проводити на ньому свердління квадратних отворів, виточення внутрішніх канавок, вирізування круглих пластин з листа тощо. При відповідному оснащенні на верстаті можна виконувати багато операцій, характерних для розточувальних верстатів.
Компонування верстатів традиційне для радіально-свердлильних верстатів і включає:

Габарит робочого простору радіально-свердлувального верстата 255
де:

Шпиндель радіально-свердлувального верстата 255
де:

Стіл радіально-свердлувального верстата 255
де:

Плита радіально-свердлувального верстата 255
де:

Фото радіально-свердлувального верстата 255
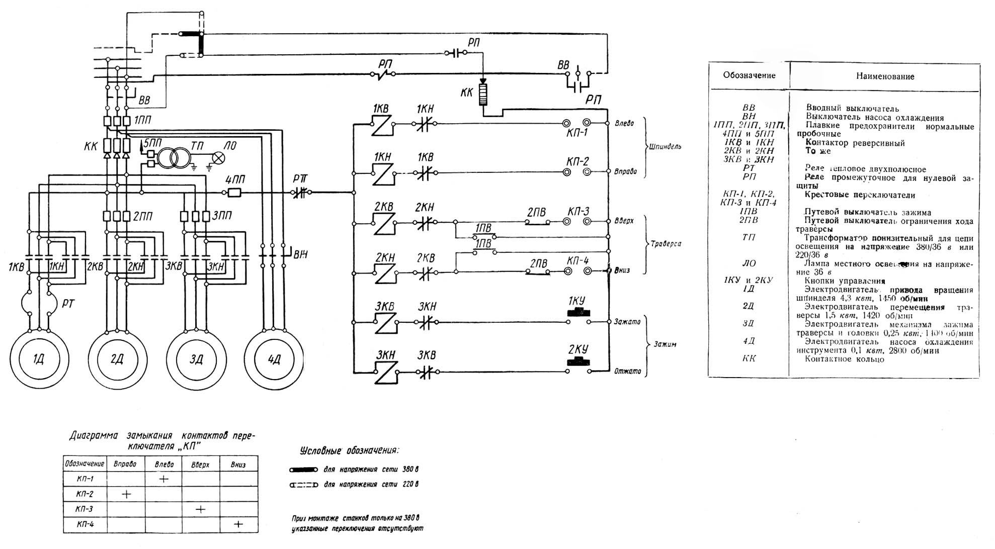
Живлення ланцюгів електроустаткування здійснюється наступними напругами:
Живлення верстата здійснюється від мережі трифазного змінного струму напругою 380, частотою 50 Гц.
На верстаті встановлені електродвигуни:

Електрична схема радіально-свердлувального верстата 255
1. Електрична схема радіально-свердлувального верстата 255. Дивитись у збільшеному масштабі
2. Електрична схема радиально-сверлильного верстата 255. Дивитись у збільшеному масштабі

Монтажная схема радиально-сверлильного верстата 2551
Схема Монтажная радиально-сверлильного верстата 2551. Дивитись у збільшеному масштабі
| Наименование параметра | 255 | 2а55 | 2н55 | 2м55 | 2а554 |
|---|---|---|---|---|---|
| Основні параметри верстата | |||||
| Класс точності верстата | Н | Н | Н | Н | Н |
| Наибольший условный диаметр сверления в стали 45, мм | 50 | 50 | 50 | 50 | 50 |
| Наибольший условный диаметр сверления в чугуне, мм | 63 | 63 | 63 | 63 | |
| Диапазон нарезаемой різьби в стали 45, мм | М52 х 5 | ||||
| Расстояние от оси шпинделя до направляющей колонны (вылет шпинделя), мм | 450...1500 | 450...1500 | 400...1600 | 375...1600 | 375...1600 |
| Наибольшее горизонтальное перемещение сверлильной головки по рукаву, мм | 1125 | 1050 | 1200 | 1225 | 1225 |
| Наименьшее і наибольшее расстояние от торца шпинделя до плиты, мм | 470...1500 | 470...1500 | 450...1600 | 450...1600 | 450...1600 |
| Наибольшее вертикальное перемещение рукава по колонне (установочное), мм | 680 | 680 | 800 | 750 | 750 |
| Скорость вертикального переміщення рукава по колонне, м/мин | 1,4 | 1,4 | 1,4 | ||
| Наибольшее осевое перемещение пиноли шпинделя (ход шпинделя), мм | 350 | 350 | 350 | 400 | 400 |
| Угол поворота рукава вокруг колонны, град | 360° | 360° | 360° | 360° | 360° |
| Рамер поверхности плиты (ширина длина), мм | 968 х 2430 | 1000 х 2530 | 1000 х 2555 | 1020 х 2555 | |
| Наибольшая масса инструмента, устанавливаемого на станке, кг | 15 | ||||
| Шпиндель | |||||
| Диаметр гильзы шпинделя, мм | 90 | ||||
| Обозначение кінця шпинделя по ГОСТ 24644-81 | Морзе 5 | Морзе 5 | Морзе 5 | Морзе 5 | Морзе 5 АТ6 |
| Частота прямого обертання шпинделя, об/мин | 30..1700 | 30...1900 | 20...2000 | 20...2000 | 18...2000 |
| Количество швидкостей шпинделя прямого обертання | 19 | 19 | 21 | 21 | 24 |
| Частота обратного обертання шпинделя, об/мин | 34..1700 | 37,4...1900 | |||
| Количество швидкостей шпинделя обратного обертання | 18 | ||||
| Пределы рабочих подач на один оборот шпинделя, мм/об | 0,03..1,2 | 0,05...2,2 | 0,056...2,5 | 0,056...2,5 | 0,045...5,0 |
| Число ступеней рабочих подач | 18 | 12 | 12 | 12 | 24 |
| Пределы рабочих подач на один оборот шпинделя при нарезании різьби, мм | 1,0...5,0 | ||||
| Перемещение шпинделя на одно деление лимба, мм | 1 | 1 | 1 | 1 | |
| Перемещение шпинделя на оборот лимба, мм | 122 | 122 | 120 | ||
| Наибольший допустимый крутящий момент, кгс*см | 7500 | 7100 | 7100 | 7100 | |
| Наибольшее усилие подачі, кН | 20 | 20 | 20 | 20 | |
| Зажим обертання колонны | Гідро | Гідро | Гідро | Гідро | |
| Зажим рукава на колонне | Электр | Электр | Электр | Электр | |
| Зажим сверлильной головки на рукаве | Гідр | Гідр | Гідр | Гідр | |
| Електроустаткування. Привод | |||||
| Количество електродвигателей на станке | 5 | 7 | 6 | 7 | |
| Електродвигун приводу головного руху, кВт (об/мин) | 4,3 (1500) | 4,5 | 4 | 4,5 | 5,5 |
| Електродвигун приводу переміщення рукава, кВт (об/мин) | 1,5 (1500) | 1,7 | 2,2 | 2,2 | 2,2 |
| Електродвигун приводу гідрозажиму колонны, кВт (об/мин) | 0,25 (1500) | 0,5 | 0,5 | 0,55 | 0,55 |
| Електродвигун приводу гідрозажиму сверлильной головки, кВт (об/мин) | 0,5 | 0,5 | - | - | |
| Електродвигун насоса охлаждающей жидкости, кВт (об/мин) | 0,1 (3000) | 0,125 | 0,125 | 0,125 | 0,125 |
| Електродвигун набора швидкостей, кВт (об/мин) | - | - | 0,15 | 0,15 | 0,15 |
| Електродвигун набора подач, кВт | - | - | 0,15 | 0,15 | 0,15 |
| Електродвигун приводу ускоренного переміщення шпинделя, кВт | - | - | - | 0,55 | |
| Суммарная мощность установленных електродвигателей, кВт | 8,9 | ||||
| Габарити і масса верстата | |||||
| Габарити верстата (длина ширина высота), мм | 2500 х 970 х 2250 | 2625 х 968 х 3265 | 2545 х 1000 х 3315 | 2665 х 1020 х 3430 | 2665 х 1030 х 3430 |
| Масса верстата, кг | 4300 | 4100 | 4100 | 4700 | 4700 |