Розробником та виробником верстатів моделі 1М61П є Єреванський верстатобудівний завод ім. Дзержинського .
На заводі випускалися токарно-гвинторізні верстати моделей 1Л61, 1Б61, 1П61, 1В61, 1М61, серія токарних верстатів 16Л20, 16П16, 16Е16. Випускалися також механізовані та спецверстати моделей ЕТ-23, ЕТ-26, ЕТ-34, ЕТ-41, багаторізцевий верстат моделі ЕТ-50.
В даний час завод називається Єреванське Верстатобудівне Виробниче Об'єднання ЕСПО , ВАТ. Продукція, що виробляється - універсальні токарно-гвинторізні верстати підвищеної точності 16Е25П і 16ЕГ25П з діаметром обробки 500 мм.
Універсальний токарно-гвинторізний верстат 1М61П вироблявся в сімдесяті роки минулого століття і замінив застарілу модель 1В61 .
Токарно-гвинторізний верстат 1М61П призначений для виконання різноманітних токарних робіт у механічних цехах в умовах дрібносерійного та одиничного виробництва.
Токарний верстат 1М61П дозволяє проводити такі види токарних робіт:
Зміна швидкості обертання здійснюється перемиканням шестерень, реверсування реверсом електродвигуна.
Передній кінець шпинделя виконаний за ГОСТ 12593 (DIN 55027, ІСО 702-3-75) під поворотну шайбу, з коротким конусом, що центрує, 1:4 (7°7′30″), номінальний діаметр конуса D = 106,375 мм. Умовний розмір кінця шпинделя – 6. Внутрішній (інструментальний) конус шпинделя – Морзе 5. Діаметр отвору шпинделя 35 мм. Стандартний діаметр токарного патрона 200, 250 мм.
Верстат замінив у виробництві модель 1-61.
Виробник – Єреванський верстатобудівний завод ім. Дзержинського.
Основні параметри верстата - відповідно до ГОСТ 18097-93 . Верстати токарно-гвинторізні та токарні. Основні розміри. Норми точності.
1 - токарний верстат (номер групи за класифікацією ЕНІМС)
М – покоління верстата (А, Б, В, Д, К, Л, М)
6 – номер підгрупи (1, 2, 3, 4, 5, 6, 7, 8, 9) за класифікацією ЕНІМС (6 – токарно-гвинторізний)
1 – висота центрів над станиною 170 мм
Літери наприкінці позначення моделі:
Г – верстат з виїмкою у станині
К – верстат з опірувальним пристроєм
П - точність верстата - (н, п, в, а, с) за ГОСТ 8-82 (П - підвищена точність)
Ф1 – верстат з влаштуванням цифрової індикації УЦІ та переднабором координат
Ф2 - верстат з позиційною системою числового керування ЧПУ
Ф3 - верстат з контурною (безперервною) системою ЧПУ

Габарит робочого простору токарного верстата 1М61П

Посадочні та приєднувальні бази верстата 1М61П

Фото універсального токарно-гвинторізного верстата 1М61П

Розташування основних вузлів токарно-гвинторізного верстата 1М61П

Розташування органів керування токарно-гвинторізним верстатом 1М61П

Розташування органів керування токарно-гвинторізним верстатом 1м61п
Розташування органів керування токарно-гвинторізним верстатом 1м61п. Дивитись у збільшеному масштабі

Таблиця налаштування різьб і подач токарно-гвинторізного верстата 1м61п

Таблиця налаштування різьб і подач токарно-гвинторізного верстата 1м61п

Кінематична схема токарно-гвинторізного верстата 1М61П
1. Схема кінематична токарно-гвинторізного верстата 1М61П. Дивитись у збільшеному масштабі
2. Схема кінематична токарно-гвинторізного верстата 1М61П. Дивитись у збільшеному масштабі

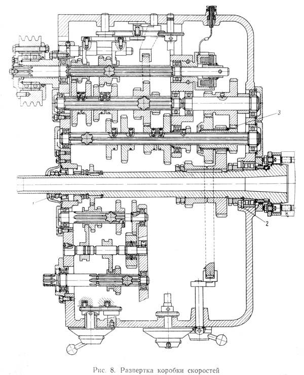
Креслення коробки швидкостей токарно-гвинторізного верстата 1М61П
Коробка швидкостей токарно-гвинторізного верстата 1М61п. Дивитись у збільшеному масштабі

Фото коробки швидкостей токарно-гвинторізного верстата 1М61П
Коробка швидкостей токарно-гвинторізного верстата 1М61п. Дивитись у збільшеному масштабі

Фото коробки швидкостей токарно-гвинторізного верстата 1М61П

Фото тормозной муфты токарно-гвинторізного верстата 1М61П
Тормозная муфта токарно-гвинторізного верстата 1М61п. Дивитись у збільшеному масштабі
Станина верстата устанавливается на двух тумбах і крепится к ним болтами. Между тумбами расположено корито, предназначенное для стока охлаждающей жидкости в бачок електронасоса, установленного в правой тумбе. В левой тумбе смонтирован електродвигатель головного приводу верстата. Станина имеет три равнобокие призматические і одну плоскую направляющие. По двум внешним призмам перемещается суппорт, а на одной (средней) призме з плоской направляющей устанавливается задня бабка.
Коробка швидкостей (рис. 8) обеспечивает 24 скорости обертання шпинделя (16—2000 об/мин). Она установлена і закреплена болтами на левой частини станины. Рух на коробку швидкостей передається от електродвигуна через клиноременную передачу.
Изменение скорости обертання шпинделя производится рукоятками У1 і У2 (см. рис. 6). Рукоятка У2 имеет два положения: верхнее, соответствующее 12-и ступеням оборотів в диапазоне 16—160 об/мин, і нижнее, соответствующее 12-и ступеням оборотів в диапазоне 200—2000 об/мин.
Трензель (шестерни 28—30) предназначен для реверсирования обертання ходового гвинта при нарезании левых різьб і управляется рукояткой УЗ.
Шпиндель і все валы смонтированы на підшипниках качения. Передня шейка шпинделя установлена на двухрядном роликовом подшипнике, а задня — на регулируемом коническом подшипнике.
Люфт шпинделя регулируется гайкой 1. Для устранения радиального люфта шпинделя при износе переднего підшипника следует подтянуть гайку 2 (рис. 8).

Креслення коробки подач токарно-гвинторізного верстата 1М61П
Коробка подач токарно-гвинторізного верстата 1М61п. Дивитись у збільшеному масштабі

Креслення коробки подач токарно-гвинторізного верстата 1М61П
Коробка подач токарно-гвинторізного верстата 1М61п. Дивитись у збільшеному масштабі

Фото коробки подач токарно-гвинторізного верстата 1М61П
Более поздний варіант коробки подач - назначение рукояток:
Коробка передач служит для передачи руху от коробки швидкостей в коробке подач і для налаштування подач на тип нарезаемой різьби.
При нарезании метрических і дюймовых різьб рух передається через шестерни 31, 33 і 35 (см. рис. 6), а при нарезании модульных і питчевых різьб рух передастся через шестерни 32, 33 і 36.
Коробке подач рух передається от коробки швидкостей через гітару (рис. 9)
Увеличенные подачі (шаги) получаются только при низких скоростях шпинделя (16—160 об/мин). Увеличение в 16 раз.
При нарезании метрических і модульных різьб рух передається от вала XI (см. рис. 6) через зубчатую муфту 37а — 376 на ходовой винт XVII.
При нарезании дюймовых і питчевых різьб рух на ходовой винт передається через шестерни 37 і 38.
Для более точных різьб ходовой винт имеет прямое включение, без механізма ланцюги подач. Это достигается соответствующей наладкой шестерен гітари, поставляемых по особому заказу. Установка величины різьби осуществляется рукоятками У4 і У5. Установка типа різьби, увімкнення ходового гвинта или ходового валика производится при помощи рукоятки У6.
Пример налаштування метрической різьби:
3*/4 • 32/36 • 30/60 • 30/60 • 30/60 • 6 = 0,5 мм
Пример налаштування дюймовой різьби:
25,4 : (3*/4 • 48/41 • 36/32 • 45/42 • 30/60 • 30/60 • 30/60 • 6) = 32
нитки на дюйм.
Примечание. Знаком * обозначено передаточное отношение шестерен от шпинделя до коробки подач, включая гітару.
Прямое увімкнення ходового гвинта осуществляется установкой рукояток У5 і У6 в положение „Прямое увімкнення ходового гвинта". При етом во избежание поломки шестерен необходимо сначала установить рукоятку У6, а затем рукоятку; У5. При ремонтных работах, связанных з разборкой коробки подач, следует обращать особое внимание і проверять правильность розположення шестерен согласно кінематичної схеме.

Креслення суппорта токарно-гвинторізного верстата 1М61П
Суппорт токарно-гвинторізного верстата 1М61п. Дивитись у збільшеному масштабі

Креслення фартука токарно-гвинторізного верстата 1М61П
Фартук токарно-гвинторізного верстата 1М61п. Дивитись у збільшеному масштабі
Фартук (рис. 10) передает рух суппорту от ходового гвинта или ходового валика. Подачи суппорта при обтачивании осуществляются исключительно при помощи ходового валика ходовой винт применяется только при нарезании різьби.
Для увімкнення поздовжньої подачі суппорта рукоятку У12 необходимо вытянуть на себя і затем повернуть вправо влево в зависимости от требуемого направления руху суппорта.

Фото фартука токарно-гвинторізного верстата 1М61П

Креслення задньої бабки токарно-гвинторізного верстата 1М61П
Задня бабка токарно-гвинторізного верстата 1М61п. Дивитись у збільшеному масштабі

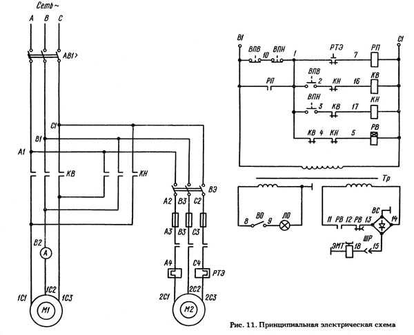
Електрична схема токарно-гвинторізного верстата 1М61П
Електроустаткування верстата размещено в специальном шкафу, в двух тумбах і в отдельной коробке, установленной з правой стороны кронштейна ходового гвинта.
Шкаф керування установлен за задньої бабкой.
Електроустаткування верстата рассчитано для роботи от сети трехфазного переменного тока напряжением 380 В, 50 Гц.
По особому заказу верстат може быть выполнен з електрообладнанням на напряжение 220 В, 50 Гц, 440 В, 60 Гц і 380 В, 60 Гц.
На станке установлены:
Пуск, останов і реверс електродвигуна головного приводу осуществляются реверсивным магнитным пускателем, управляемым путевыми выключателями при помощи рукоятки керування 14 (см. рис. 3). Для торможения електродвигуна головного приводу предусмотрена електромагнитная муфта. Реверсирование електродвигуна при нарезании різьби достигается переводом рукоятки 14 из крайнего верхнего в крайнее нижнее положение і наоборот. Для пуска електронасоса охлаждения електросхемой предусмотрены магнитный пускатель і выключатель 20. Кнопки автоматичного выключателя 21, выключатель електронасоса охлаждения 20, а также указатель нагрузки електродвигуна головного приводу 18 смонтированы на лицевой стороне електрошафи.
Лампа местного освещения ЛО (рис. 13) включается і выключается выключателем 22, установленным на светильнике местного освещения.
Схема електрична принципова показана на рис. 11. В табл. 7 указан перечень к схеме.
Керування електродвигуном M1 головного приводу осуществляется рукояткой керування путевыми выключателями ВПВ і ВПН, фиксируемой в трех положениях, В нейтральном положении рукоятки размыкающие контакты путевых выключателей ВПВ (В1-10) і ВПН (10-1) замкнуты.
Увімкненням автоматичного выключателя АВ через размыкающие контакты ВПВ (В1-10) і ВПН (10-1) промежуточное реле РП получает питание і через свой замыкающий контакт переходит на самопитание. Замкнувшиеся силовые контакты реле РП подготавливают ланцюг електронасоса охлаждения. Получает питание также реле часу РВ. Размыкающий контакт реле РВ з выдержкой часу 3-4 з отключает електромагнитную муфту торможения ЭМТ. Відключення електромагнитной муфты торможения в исходном положении необходимо для свободного проворота шпинделя.
Пуск електродвигуна M1 в направлении в направлении "вперед". Для пуска електродвигуна M1 в направлении "вперед" (вращение електродвигуна против часовий стрелки со стороны шкива), рукоятку 14 (см. рис. 3) поворачивают вверх. При етом размыкается размыкающий контакт путевого выключателя ВПВ (В1-10) (см. рис, 11) і замыкается замыкающий контакт ВПВ (1-2), срабатывает контактор KB і включает електродвигатель Ml на вращение "вперед". Размыкающий контакт KB (1-4) размыкается, обесточивается реле часу РВ, размыкая замыкающий контакт РВ (11-12) і замыкая размыкающий контакт РВ (12-13).
Відключення електродвигуна M1 производится переводом рукоятки 14 (см. рис. 3) в нейтральное положение. При етом размыкается контакт ВПВ (1-2) (см. рис. 11) і замыкается контакт ВПВ (В1-10).
Контактор KB обесточивается, реле часу РВ через контакт KB (1-4) получает питание і замыкает свой замыкающий контакт РВ (11-12). Срабатывает електромагнитная муфта ЭМТ, получая постоянный ток от селенового выпрямителя ВС, і затормаживает механізм коробки швидкостей і шпиндель. Несколько позже, з выдержкой часу 3-4 с, размыкается размыкающий контакт РВ (12-13), електромагнитная муфта отключается і система возвращается в исходное положение.
Пуск електродвигуна M1 в направлении "назад" производится переводом рукоятки 14 (см. рис. 3) в нижнее положение. Работа електросхеми аналогична работе при пуске електродвигуна М1 (см. рис. 11) в направлении "вперед", только в етом случае срабатывает контактор КН.
Электронасос охлаждения М2 включается і выключается выключателем РЭ і пускателем РП.
В електросхеме верстата предусмотрена защита от токов короткого замыкания електродвигуна головного приводу при помощи електромагнітних расланцюгителей автоматичного выключателя АВ і електронасоса охлаждения предохранителями П.
Нулевая защита осуществляется промежуточным реле РП.
Для защиты електронасоса охлаждения от перегрузки в електросхеме предусмотрено тепловое реле РТЭ.
Для предотобертання одновременного увімкнення контактов реверсивного пускателя KB і КН имеются механическая і електрична блокировки.
Подключение к цеховой системе заземления на станке осуществляется специальным болтом заземления.

Настановне креслення токарно-гвинторізного верстата 1М61П

На фотографии показан стальной шар, полностью изготовленный на токарному станке.
Из цельной заготовки з помощью набора инструметов возможно выточить шар в шаре, куб в кубе в кубе і в кубе, куб в додекаедре, который в свою очередь в шаре, кольцо в кольце.
| Наименование параметра | 1М61 | 1М61П |
|---|---|---|
| Основні параметри | ||
| Класс точності по ГОСТ 8-82 | Н | П |
| Наибольший диаметр заготовки над станиной, мм | 320 | 320 |
| Наибольший диаметр заготовки над суппортом, мм | 160 | 160 |
| Наибольшая длина заготовки (РМЦ), мм | 710, 1000 | 710 |
| Наибольшая длина обтачивания, мм | 640 | 640 |
| Высота центров, мм | 170 | 170 |
| Наибольшее рассояние от оси центров до кромки резцедержателя, мм | 180 | 180 |
| Высота резца, установленного в резцедержателе, мм | 25 | 25 |
| Шпиндель | ||
| Диаметр сквозного отверстия в шпинделе, мм | 35 | 35 |
| Наибольший диаметр прутка, проходящего через отверстие в шпинделе мм | 32 | 32 |
| Число ступеней частот прямого і обратного обертання шпинделя | 24 | 24 |
| Частота прямого і обратного обертання шпинделя, об/мин | 12,5...1600 | 12,5...1600 |
| Размер внутреннего конуса в шпинделе по ГОСТ 13214-67 | М5 | М5 |
| Кінець шпинделя по ГОСТ 12593-72 | 6К | 6К |
| Торможение шпинделя | есть | есть |
| Подачи | ||
| Наибольшее продольное перемещение каретки суппорта, мм | 600 | 600 |
| Наибольшее поперечное перемещение суппорта, мм | 200 | 200 |
| Найбільше переміщення верхнього супорта (різцевих санчат), мм | 120 | 120 |
| Ціна поділу лімба верхнього супорта (різцевих санок), мм | 0,05 | 0,05 |
| Число ступенів поздовжніх та поперечних подач | 17 | 17 |
| Межі швидкості поздовжніх подач, мм/про | 0,08...1,2 | 0,08...1,2 |
| Межі швидкості поперечних подач, мм/про | 0,04...0,6 | 0,04...0,6 |
| Швидкість швидких переміщень супорта, поздовжніх/поперечних, м/хв. | ні | |
| Кількість нарізних різьблень метричних | 13 | 13 |
| Межі кроків різьб метричних, що нарізаються, мм | 0,5..6 | 0,5..6 |
| Кількість нарізних різьблень дюймових | 16 | 16 |
| Межі кроків різьблення дюймових | 3,5...48 | 3,5...48 |
| Кількість нарізних різьблень модульних | 10 | 10 |
| Межі кроків різьблення модульних | 0,25...3 | 0,25...3 |
| Кількість нарізних різьблення питних | 16 | 16 |
| Межі кроків різьблення питних | 7...96 | 7...96 |
| Запобіжник від навантаження | ||
| Блокування поздовжніх та поперечних подач | ||
| Вимикаючі поздовжні упори | ||
| Шорсткість поверхні заготовки з конструкційної сталі при чистовому обточуванні, мкм, не більше | ||
| Задня бабка | ||
| Найбільша довжина переміщення пінолі задньої бабки, мм | 100 | 100 |
| Найбільше переміщення задньої бабки, мм | ±12 | ±12 |
| Центр у пінолі задньої бабки | Морзе 4 | Морзе 4 |
| Електроустаткування | ||
| Кількість електродвигунів на верстаті | 2 | 2 |
| Електродвигун головного приводу, кВт | 4 | 4 |
| Електродвигун насоса охолодження, кВт | 0,12 | 0,12 |
| Габарити та маса верстата | ||
| Габарити верстата (довжина ширина висота), мм | 2055 х 1095 х 1450 | 2055 х 1095 х 1450 |
| Маса верстата, кг | 1260 | 1260 |
1М61, 1М61П верстат токарно-гвинторізний: - паспорт, (djvu) 2,8 Мб, Скачать
Замовити
Хто володіє інформацією – той володіє світом.
Натан Ротшильд