Виробник та розробник токарно-револьверного верстата моделі 1К341 - Бердичівський верстатобудівний завод "Комсомолець" , м. Бердичів, Житомирська область, Україна.
У 1929-1931 pp. на базі підприємства було засновано трансмісійний завод.
У 1932 р. заводу надається ім'я «Комсомолець». У цей період завод освоїв випуск трубопровідно-запірної арматури та запасних частинин.
З 1980 завод освоює випуск нової гами токарно-револьверних верстатів, до складу якої входять автоматизовані верстати моделі 1Г340П, верстати з цикловим програмним керуванням моделі 1Г340ПЦ, верстати з числовим програмним керуванням моделі 1В340Ф30 і роботизовані комплекси на їх базі.
У 1984 році на заводі починається випуск багатоцільових токарно-револьверних верстатів моделі 1П420ПФ40, які, окрім токарної обробки, виконують свердлильно-фрезерну доробку деталі за одну установку в патроні.
Токарно-револьверний верстат 1К341 був запущений у серійне виробництво у 1975 році та замінив застарілу модель 1А341 .
Верстат токарно-револьверний універсальний моделі 1К341 призначений для обточування, розточування, зенкерування, свердління, розгортання та нарізування внутрішніх та зовнішніх різьблень в умовах серійного виробництва. На ньому можна обробляти деталі як із пруткового матеріалу в цанговому патроні, так і штучні заготовки в трикулачковому патроні. Обробка деталей із прутка здійснюється в автоматичному циклі, а штучні заготовки у трикулачковому патроні – у напівавтоматичному циклі.
Верстат токарно-револьверний 1К341 застосовується для виготовлення деталей із прутка, затиснутого в цангу, поміщеній у пустотілому шпинделі, або з штучних заготовок, що закріплюються в патроні.
Верстат призначений для обробки деталей із прутка та штучних заготовок в умовах серійного та дрібносерійного виробництва.
Токарно-револьверний верстат 1К341 має 16-позиційну револьверну головку з горизонтальною віссю обертання. Ріжучий інструмент за допомогою спеціального приладдя кріпиться в отворах револьверної головки.
Для кожної позиції револьверної головки можна запрограмувати кількість обертів шпинделя і величину подачі, які будуть включатися автоматично при повороті револьверної головки на наступну позицію.
Крім того, щоразу при повороті револьверної головки відбувається синхронний поворот барабана з наполегливими ггвинтами, що регулюють довжину робочого ходу револьверного супорта з точністю 0,1..0,2 мм.
Необхідні для кожного переходу числа обертів шпинделя і величин подач встановлюються автоматично командою, що легко переналагоджується, керуючим електромагнітними муфтами коробок швидкостей і подач, або вручну перемикачами, розташованими на пульті коробки швидкостей і подач.
Коробка швидкостей має чотири багатодискові електромагнітні муфти типу ЭТМ-122, з яких включається одне з чотирьох чисел оборотів шпинделя, кожної з двох позицій. Коробка подач має дві електромагнітні муфти типу ЕТМ-092, дві обгонні муфти і двовінцевий пересувний зубчастиний блок, який забезпечує отримання двох діапазонів подач з чотирма подачами, що автоматично перемикаються, в кожному з двох діапазонів. Для включення кругової подачі револьверної головки встановлено одну електромагнітну муфту типу ЕГМ-092.
Вал револьверної головки і барабан командоапарата, що жорстко сидить на ньому, мають однакову кількість позицій. На кожній позиції барабана встановлені два кулачки, що керують електромагнітними муфтами: один коробки швидкостей, інший коробки подач.
Затискач та подача прутка в цангу, а також затискач штучних заготовок у трикулачковому патроні проводиться автоматично гідравлічним механізмом з електричним керуванням. Найбільше коливання діаметра прутка, що затискається в цангу, ± 2 мм, а найбільше коливання штучних заготовок, що затискаються в патроні, ±3 мм. Керування механізмами однорукояткове. Після закінчення розтискання автоматично починається подача прутка. Весь цикл затискання, подачі та розтискання триває 2-3 сек.
Верстат 1К341 має автоматичне вимикання поздовжньої подачі жорсткого упору, що забезпечує високу точність обробки по довжині. Поперечна подача обмежується жорстким упором.
Наявність револьверної головки з горизонтальною віссю повороту дозволяє використовувати верстат для розточування внутрішніх камер та зовнішньої проточки за буртом інструментами, закріпленими в державках головки.
Поперечна обробка (підрізка торців, відрізка, прорізка канавок тощо) здійснюється за рахунок кругової подачі револьверної головки.
З метою підвищення продуктивності та зручності обслуговування передбачено програмне перемикання частоти обертання шпинделя та подач при зміні позицій револьверної головки.
Перемикання проводиться легко переналагоджує командоапаратом, що управляє електромагнітними муфтами коробки швидкостей і подач.
Гідравлічний механізм затиску, що використовується в конструкції верстата, дозволяє виробляти затискач каліброваного і некаліброваного прутків з відхиленням по діаметру до 2 мм. Передбачено можливість встановлення трикулачкового патрона; без переналагодження можна затискати штучні заготовки з відхиленням діаметром до 8 мм. Точність обробки – 3 клас.
Весь цикл розтискання, подачі та затиску триває 2..3 сек.
Верстат має автоматичне вимкнення поздовжньої подачі жорсткого упору, що забезпечує точність обробки по довжині 0,12..0,14 мм. Поперечна подача обмежується жорстким упором.
Для обробки прутків різних діаметрів до верстата надаються універсальна цанга, що подає, і змінні вкладиші для затиску круглого і шестигранного матеріалу, а також комплект різцетримачів, оправок, втулок і т. д.
На відміну від більшості верстатів токарно-револьверних верстат моделі 1К341 має наступні особливості, що дозволяють використовувати його більш ефективно:
Клас точності верстата Н згідно з ГОСТ 8-71.
Шорсткість поверхні Ra 2,5 мкм.

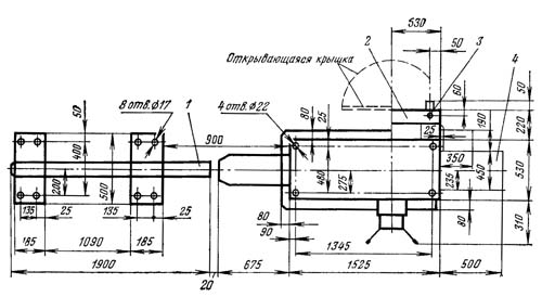
Габарит робочого простору верстата 1к341

Посадочні та приєднувальні бази верстата 1к341

Фото токарного револьверного верстата 1к341
Фото токарного револьверного верстата 1к341. Завантажити у збільшеному масштабі

Фото токарного револьверного верстата 1к341
Фото токарного револьверного верстата 1к341. Завантажити у збільшеному масштабі

Фото токарного револьверного верстата 1к341

Фото токарно-револьверного верстата 1к341

Розташування основних частинин револьверного верстата 1к341

Розташування органів керування токарно-револьверним верстатом 1к341

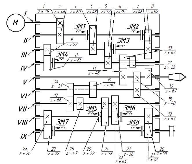
Кінематична схема токарно-револьверного верстата 1к341
Кінематична схема токарно-револьверного верстата 1К341. Завантажити у збільшеному масштабі
Рухи у верстаті:

Коробка швидкостей токарно-револьверного верстата 1к341 (рис.4а)
На корпусе коробки закреплен фланцевый електродвигатель, на валу которого находится приводная шестерня з z = 29, сопряженная з зубчатым колесом з z = 46 (рис. 4а). На втором валу коробки швидкостей находятся електромагнітні муфты ЭМ1 і ЭМ2.
При включении муфты ЭМ1 вращение передається валу III через шестерни з z = 60 і z = 48, а при включении муфты ЭМ2 — через шестерни з z = 46 і z = 62. От вала III к валу IV рух передається через шестерни з z = 22 і z = 85 (при включении муфты ЭМ4) либо через шестерни з z = 72 і z = 35 (при включении муфты ЭМ3).
Коробка швидкостей имеет два диапазона чисел оборотів шпинделя, получаемых з помощью передвижного двухвенцового зубчатого блока з z = 47 — z = 23. Торможение шпинделя осуществляется одновременным включением муфт ЭМ3 і ЭМ4 при выключенных остальных (двигатель в данном случае продолжает вращаться).
Коробка подач имеет четыре електромагнітні муфты — ЭМ5, ЭМ6, ЭМ7 і ЭМ8, которые вместе з двухвенцовым зубчатым блоком z = 31 — z = 50 обеспечивают восемь автоматически переключающихся подач.
Температура нагрева коробки швидкостей і подач і шпиндельных підшибників не должна превышать 50 °С.

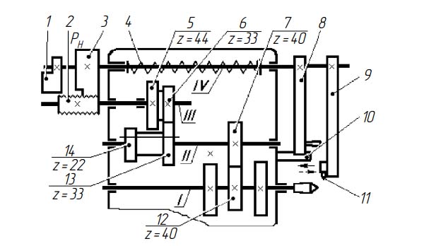
Коробка швидкостей токарно-револьверного верстата 1к341
Коробка швидкостей токарно-револьверного верстата 1к341. Скачать в увеличенном масштабе
Привід обертання шпинделя і подачі револьверного суппорта помещены в общем корпусе і составляют один узел — коробку швидкостей і подач.
На корпусе коробки закреплен фланцевый електродвигатель, на валу которого находится приводная шестерня z=29 (рис. 5). На первом валу коробки швидкостей находятся електромагнітні муфты ЭмМ4 і ЭмМ5.
При включении муфты ЭмМ4 вращение передається второму валу через шестерни z=46 і z=62, а при включении муфты ЭмМ5 — через шестерни z=60 і z=48.
От второго вала к третьему рух передається через шестерни z=22 і z=85 (при включении муфты ЭмМ2) либо через шестерни z=72 і 2=35 (при включении муфты ЭмМЗ). Тормозят шпиндель одновременным включением муфт ЭмМ2 і ЭмМ3 при выключенных остальных (двигатель в данном случае продолжает вращаться).
Коробка швидкостей имеет два диапазона чисел оборотів шпинделя, получаемых з помощью передвижного двухвенцового зубчатого блока z=23, z= 41. Левое положение рукоятки 22 (рис. 3) дает нижний диапазон чисел оборотів, правое — верхний.

Коробка подач токарно-револьверного верстата 1к341
Коробка подач токарно-револьверного верстата 1к341. Скачать в увеличенном масштабе
Коробка подач имеет три електромагнітні муфты ЭмМб (рис. 6), ЭмМ7 і ЭмМ8, которые в сочетании з двумя обгонными муфтами 1МО і 2МО обеспечивают шесть автоматически переключающихся подач.
Технічні данные електромагнітних муфт приведены в паспорте електроустаткування.
На рис. 7 показан разрез вала з установленной на нем електромагнитной муфтой.
Приводная шестерня 20 при отключенной муфте свободно вращается на підшипниках 19. Стакан приводной шестерни имеет прорезы, в которые входят выступы наружных дисков 4. Внутренние диски 3 шлицевым отверстием сидят в шлицах втулки 14 і могут перемещаться в осевом направлении. Корпус муфты 11 нерухомо закреплен на втулке 14. От осьового смещения корпус удерживается гайкой 15.
В расточке корпуса находится катушка 12, один конец которой соединен з корпусом, а второй — з токопроводящим кольцом 9, закрепленным на изоляционном кольце 10. Щетка 8 выполнена из латунной сетки, свернутой по диагонали, что обеспечивает надежный контакт її з вращающимся кольцом 9 в условиях масляной среды. Щетка 8 установлена в щеткодержателе 6, к которому присоединен токоподводящий провод 5. Щетки к кольцу поджимаются пружиной, находящейся в щеткодержателе 6, который завинчен в планку 7, укрепленную на корпусе коробки.
Якорь муфты состоит из внутреннего кольца 16 і свободно сидящего на нем наружного кольца 17, соединенных тремя штырями 2. Такая конструкция обеспечивает лучшее прилегание якоря к дискам.
Латунная гайка 18 екранирует якорь муфты от втулки 14, а латунный диск 1 екранирует якорь от підшипника 19 і шестерни-стакана 20.
Если ток будет включен, то якорь притягивается к корпусу муфты, сжимая диски, і шестерня 20 оказывается связанной з валом 13. При отключении тока якорь отходит влево, а диски расцепляются за счет их пружинных свойств і шестерня 20 начинает свободно вращаться на підшипниках 19.
Для демонтажу валов снимают переднюю і заднюю крышки, отсоединяют планки з токоподводящими щетками. Снимают отсоединенный от сети електродвигатель і подмоторную плиту 3 (рис. 5), а также кронштейн 32 (рис. 15). Сняв фланцы на левом торце коробки швидкостей і подач, вынимают валы.
При снятии валов з електромагнитными муфтами необходимо предохранять их от ударов.
Демонтировать шпиндель можно только при снятом узле зажиму і подачі після отвинчивания гаек 1 і 2 (рис. 5) легкими ударами выколотки (в направлении револьверної головки) при медленном повороте его. Следует помнить, что шпиндельный узел относится к наиболее точным вузлам верстата поетому разбирают его в исключительных случаях, соблюдая все меры предосторожности.
При сборке коробки швидкостей і подач необходимо соблюдать наступні условия:

Револьверний супорт і командоаппарат токарно-револьверного верстата 1к341
Револьверний супорт имеет продольную і поперечную (окружную) подачі револьверної головки. Обе подачі могут осуществляться вручную либо механически.
Револьверна головка 1 (рис. 8) установлена на ступице шестерни 5, закрепленной на валу 7, который вращается на двух радиально-упорных шарикопідшипниках 9, закрытых уплотнительными кольцами 6, 8 і 10.
Підшипники смазываются от маслораспределителя при смазке направляючих.
На правом кінці вала 7 закреплен барабан 11 з шестнадцатью упорами. Корпус 13 упора крепят на барабане гвинтами 14 і 15. Для регулировки упорного гвинта 16 нужно освободить стопорящий винт 14.
Инструментальные державки зажимаются в отверстиях револьверної головки сухарями 4 і гвинтами 3, завинченными во втулки 2. С барабаном 11 упоров связан барабан командоаппарата 24, имеющий шестнадцать продольных пазов, соответствующих шестнадцати позициям револьверної головки. В каждом пазу находится по два передвижных кулачка 21, фиксируемых шариками і пружинами: один в четырех, другой в шести положениях. Кулачки перемещаются между ограничительными кольцами 23.
В корпусе 19 командоаппарата, закрепленном на салазках револьверного суппорта, находится п'ять конечных выключателей 17, включающих електромагнітні муфты коробки швидкостей і подач. Каждый конечный выключатель включает одну муфту. Кулачки 21 нажимают на толкатели 18, а те, в свою очередь, на рычажки 26, качающиеся на оси 20, і через регулировочные винты 27 — на конечные выключатели.
Привід поперечної (окружной) подачі револьверної головки показан на рис. 4а і 4б.
С шестерней 5 (рис. 8) сцеплена приводная вал-шестерня 1 (рис. 4а), на кінці которой закреплен маховик 17 ручного обертання револьверної головки. На вал-шестерне свободно вращается стакан 9 з закрепленные на нем червячным колесом 8.
Выступы наружных дисков 10 входят в прорези стакана, внутренние диски 11 сидят на шлицах втулки 16, которая нерухома в корпусе електромагнитной муфты 12.
Переключателем 12 (рис. 3) включается електромагнитная муфта, обеспечивающая передачу крутящего момента от червячного колеса к вал-шестерне.

Привід подачі револьверної головки верстата 1к341
Привід подачі револьверної головки верстата 1к341. Скачать в увеличенном масштабе
На маховике 17 (рис. 9) находится лимб 15, который стопорится пружиной 14 і винтом 18. Отсчет делений производится по риске на крышке 13.
В шестерне 5 (рис. 8) установлены шестнадцать фиксаторных гнезд 2 (рис. 9), соответствующих шестнадцати позициям револьверної головки. Фиксатор 3 притерт во втулке 4 з зазором 0,005..0,01 мм.
Кінець фиксатора, входящий в паз фиксаторного гнезда, имеет суммарный угол клина 8°. Другой конец фиксатора входит во втулку 7. При етом угле пружина 6 обеспечивает правильное положение револьверної головки при фиксации.
Фиксатор отводится і удерживается в отведенном положении кулачком 5 з помощью рукоятки 8 (рис. 3). Червячное колесо приводится во вращение червяком 9 (рис. 10). Конические шестерни 6 з запрессованными в них кулачковыми втулками 7 свободно вращаются на валу 8. Шестерни 6 сцеплены з приводной шестерней 5, в отверстие которой входит вертикальний вал фартука.
Кулачковая муфта 4, сидящая на шлицевой частини вала 8, осуществляет увімкнення і реверс поперечної (окружной) подачі револьверної головки. На кінці вала 8 находится маховик 3 ручной подачі револьверної головки. На маховике имеется лимб 1, который стопорится пружиной 2.
Для ограничения окружной подачі револьверної головки служит выдвижной жесткий упор 5 (рис. 11), корпус 4 которого закреплен на салазках суппорта. На торце револьверної головки закреплен кронштейн 3, в который завинчен упорный винт 1, стопорящийся гайкой 2.
При подаче револьверної головки против направления обертання часовий стрелки винт 1 устанавливается вверх упорным концом.

Фартук револьверного суппорта верстата 1к341
Фартук револьверного суппорта верстата 1к341. Скачать в увеличенном масштабе
Фартук револьверного суппорта имеет механізм приводу поздовжньої і поперечної подач, виключення і удвоения поздовжньої подачі. Он закреплен на револьверном суппорте і перемещается вместе з ним по станине.
Ходовой вал 19 (рис. 12) связан муфтой 20 з выходным валом 21 коробки подач і через шпонку 14 передаст вращение гильзе 11. Через шестерни 6 і 8 і передвижной блок 7 получает вращение вал 9. Если блок будет в положении, показанном на рисунке, то получается табличный ряд продольных подач. Если же блок ввести в зацепление з шестерней 6, то получается верхний (удвоенный) ряд продольных подач. Переключается блок рукояткой 5.
Червяк 10 вращает червячное колесо 38, свободно сидящее вместе з зубчатой полумуфтой 37 на нерухомою оси 36. Подпружиненные штифты 35 удерживают полумуфту 33 в выключенном положении. На оси 36 сидит нерухомо закрепленный на крышке фартука кулачок 29 з торцевыми винтовыми выступами. Кулачок 30 также имеет винтовые торцевые выступы і може свободно двигаться на оси 36. При подъеме рычага 24 в верхнее положение жестко связанный з ним рычаг 34 поворачивает кулачок 30. При етом кулачок перемещается влево, сцепляя через подшипник 27 полумуфты 33 і 37.
В верхнем (включенном) положении рычаг 24 удерживается подпружиненным шариком.
Вращение передається через шестерню 41 реечной шестерне 39. Происходит рабочая продольная подача револьверного суппорта. Когда револьверний супорт доходит до жесткого упора, вращение реечной шестерни 39 і червячного колеса 38 прекращается. Червяк 10, продолжая вращаться, вывинчивается из нерухомого червячного колеса і перемещается влево по шлицам вала 9, снимая пружину 13.
Втулка 12, перемещаясь влево через ролик 23, поворачивает рычаг 34, а вместе з ним кулачок 30, одновременно отводя его вправо. Штифты 35 выводят из зацепления полумуфту 33. При повороте рычаг 34 переводит связанный з ним рычаг увімкнення подачі 24 из верхнего фиксированного положения в нижнее. Продольная автоматическая подача револьверного суппорта прекращается.
Для ручного виключення подачі необходимо рычаг 24 отвести вниз.
Монтажный зазор между роликом 23 і втулкой 12 — 0,5 мм.
Шайбы 31 служат для регулировки зазору между кулачком 29 і крышкой.
Усилие отключения подачі регулируется пружиной 13 з помощью гвинта 18 через сухарь 16. Пружина должна быть отрегулирована так, чтобы подача выключалась при усилии, не превышающем 600 кгс.
Перемещается револьверний супорт вручную штурвалом 28 через шестерни 42 і 40 при выключенной полумуфте 33. На ступице штурвала имеется лимб 26, который стопорится пружиной 25. Сальники 15 предотвращают вытекание масла по ходовому валу.
Привід поперечної (окружной) подачі револьверної головки осуществляется через шестерни 6, 4, 3, 2 к вертикальному валу 1, а затем к реверсивной конической передаче (рис. 10).
При выключении поздовжньої подачі от жесткого упора следует пользоваться отводным упором (рис. 13), закрепленным на верхней плоскости станины под барабаном револьверного суппорта, либо барабаном упоров, установленным на передньої стороне станины слева от револьверного суппорта.
Корпус 1 (рис. 13) отводного упора може переставляться при наладке в зависимости от длины обрабатываемой детали. Регулируемый упорный винт 5 барабана упоров револьверної головки упирается в кінці ходу в планку 3. Если робота выполняется без упора, то планка 3 отводится рукояткой 6. Гайки 4 регулируются так, чтобы вал 2 свободно проворачивался при минимальном осевом зазоре. Планка 3 фиксируется в рабочем положении шариком і пружиной.
Барабан упоров служит для виключення поздовжньої подачі, а также для установки револьверного суппорта при поперечном точении. Барабан 3 (рис. 14) расположен в корпусе 2, закрепленном в продольном пазу рейки 6, установленной на станине. В барабане имеются шесть регулируемых по длине упорных винтов 5. После регулировки винты стопорятся гайками 7. Барабан проворачивается рукояткой 1 і фиксируется в рабочих положениях шариком 4.
Смазку посадочной поверхности барабана производить не реже одного раза в 2—3 месяца консистентной смазкой.

Механізм зажиму і подачі материала верстата 1к341
Механізм зажиму і подачі материала верстата 1к341. Скачать в увеличенном масштабе
Механізм зажиму і подачі материала показан на рис. 15. Корпус цангового патрона 22 закреплен на переднем фланце шпинделя. Затискна подвижная цанга 24 связана з корпусом поводковыми штифтами 27. В расточке нерухомою цанги крепят сменные вкладыши 26, которые зажимают гвинтами 25 і удерживают от проворота штифтами 23. Такая конструкция механізма зажиму обеспечивает высокую стабильность положения (в пределах 0,1 мм) торца зажатого прутка. Затискна цанга навинчена на трубу 20 зажима.
На левом кінці трубы зажиму находится гайка 10, прижатая гайкой 9 к торцу поршня 11, перемещающегося в цилиндре 14 і связанного з ним штырями 15. Цилиндр 14 в сборе з крышкой 13 навинчен на резьбу шпинделя і закреплен закладной шпонкой 31. Цилиндр вместе со шпинделем вращается внутри нерухомою маслоподводящей втулки 16.
По радиальным каналам к кольцевым внутренним пазам втулки подводится масло от гідропанелі. Через отверстия в цилиндре масло подводится в правую либо левую полости цилиндра. Поршень в етом случае перемещается і происходит зажим или разжим материала.
Цилиндр подачі расположен в корпусе 32, закрепленном на левом торце коробки швидкостей. Масло, поступающее в левую полость цилиндра, перемещает поршень 30 вправо і соответственно ползун 33, скользящий по направляющим штангам 34 і 35.
В ползуне закреплен подшипник 7, в котором вращается втулка 6. К післядней винтом 4 закреплена труба подачі з ввинченной в нее сменной подающей цангой 21. Подшипник закрыт з двух сторон крышками 8. При движении ползуна 33 вправо подается пруток.
После поступления масла в правую полость цилиндра подачі происходит отвод цанги подачі по прутку, зажатому в зажимной цанге (происходит набор прутка). Ползун 33 отходит влево до упора 1. Величину подачі регулируют перемещая упор по направляющей штанге 34.
Вкладыши 26, подающие цанги 21 і направляющие кольца 3 є сменными деталями і устанавливаются в соответствии з диаметром і формой обрабатываемого материала. Комплект етих деталей для круглых і шестигранных прутков поставляется вместе со верстатом.
Кольца 3 крепятся во втулке 6 гвинтами 5, которые стопорятся пружинным кольцом 2.
Для подачі круглых прутков диаметром 20...30 мм і шестигранных прутков размером под ключ 19... 27 мм применяется универсальная цанга подачі. Цанга состоит из трубы 1 (рис. 16), пружины 2 і насадки 3. Она снабжена двумя сменными комплектами шариков 4 і 5. Комплект шариков большего диаметра дает возможность подавать прутки диаметром 20—24 мм і 5=19—22 мм. Комплект шариков меньшего диаметра применяется при подаче прутков диаметром 24...30 мм і S = 24...27 мм.
Для подачі прутков диаметром 32...40 мм і S=32 мм служат сменные цанги подачі.
Хитрость заключается в том, что подающая цанга удерживает пруток постоянно (она не сжимается і не разжимается), но її зусилля зажиму достаточно только для того, чтобы продвинуть пруток в зажимную цангу При движении подающей цанги в исходное положение она просто скользит по закрепленному прутку Длина ходу ползуна 14 регулируется з помощью гайки.
Для поддержания трубы з прутком з левого торца верстата устанавливаются стойки (их установка показана на плане фундамента верстата).
Загальний вигляд стоек показан на рис. 17. Труба 7 установлена на стойках 5 Внутри трубы находится волнистая пружина 6, внутри которой вращается обрабатываемый пруток. Пружина смягчает удары прутка о стенку трубы і тем самым снижает шум. В нижней частини стоек имеются выступы для хранения запасов прутков.
При установці стоек нужно совместить ось трубы з осью шпинделя з помощью винтов 4. После регулировки винты зажимаются через медные проставки болтами 3.
Для заправки прутка отвинчивают винт 1, откидывают прихват 2 і отводят трубу 7 на выступ прихвата. Пруток вводят в трубу з правого торца, ставят трубу на место, зажимают винтом 1 і проталкивают пруток сквозь подающую і зажимную цангу.
У правого кінця трубы, на корпусе механізма подачі находится конечный выключатель, не позволяющий включить шпиндель при отсутствии трубы или при неправильной її установці.
Бак охлаждения з електронасосом производительностью 22 л/мин установлен у правого торца нижней станины. Один шланг подведен к трубе, закрепленной на коробке швидкостей, второй — к трубе, перемещающейся з револьверним суппортом. В качестве охлаждающей жидкости необходимо применять емульсии, не вызывающие коррозии. Регулювання подачі емульсии производится краном 7 (рис. 3).

Різьбонарізне пристрій верстата 1к341
Різьбонарізне пристрій (рис. 18) предназначено для нарізання по копиру наружных і внутренних різьб резцами или гребенками.
Різьбонарізне пристрій, кроме нарізання різьби з помощью метчика, плашки или резьбонарезной головки, позволяет обрабатывать по копиру наружные і внутренние різьби резцами или гребенками. Для етого вращение от шпинделя верстата I передається через шестерни з z = 40 і передвижной блок з z = 33 — z = = 22 валику III сменного копира 2. Передвижной блок може быть поставлен в одно из трех положений:
В комплекте верстата есть копиры з шагом 2 і 3 мм. Таким образом, можно нарезать різьби з шагом 1; 1,5; 2 і 3 мм.
При нарезании різьби токарь опускает рычаг 8 до упора в планку 10. Штанга IV поворачивается, і сменная резьбовая губка 3 сцепляется з резьбой копира 2 і перемещается вдоль копира влево (если копир имеет правую резьбу). Штанга IV з закрепленным на ней противовесом 1 і суппортом 9, в котором установлена резьбовая гребенка 11, также перемещается влево. Пружина 4 сжимается. Рычаг 8 скользит по планке 10. Происходит нарезание різьби.
Продольное перемещение влево рычага 8 і суппорта 9 з резцом 11 ограничивается упором на правой стенке коробки швидкостей (на рисунке не показан) В результате дії упора рычаг 8 і супорт 9 приподнимаются, губка 3 выходит из контакта з копиром 2 і штанга IV под действием пружины 4 возвращает супорт в исходное, правое положение. Для повторения прохода следует снова опустить рычаг 8 После каждого прохода надо перемещать різець или гребенку на глубину різання, поворачивая спеціальний маховичок.
Для нарізання левой різьби копир 2 і губку 3 заменяют.

Різьбонарізне пристрій верстата 1к341
Різьбонарізне пристрій верстата 1к341. Скачать в увеличенном масштабе
На станке установлено три трехфазных короткозамкнутых асинхронных електродвигуна (рис. 20) з общей мощностью 7,125 кВт (при частоте 60 Гц мощность 6,725 кВт).
На станке могут применяться напряжения переменного тока частотой 50 или 60 Гц для ланцюгів:
По требованию заказчика верстати могут изготовляться на любую из вышеперечисленных величин напряжения.
Для живлення електромагнітних муфт применен постоянный ток напряжением 24 В, получаемый от селенового выпрямителя.
Електроустаткування верстата по роду защиты от воздействия окружающей среды изготовляется в обычном виконанні. По требованию заказчика електрообладнання верстата може быть выполнено в тропическом виконанні.

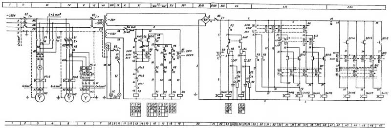
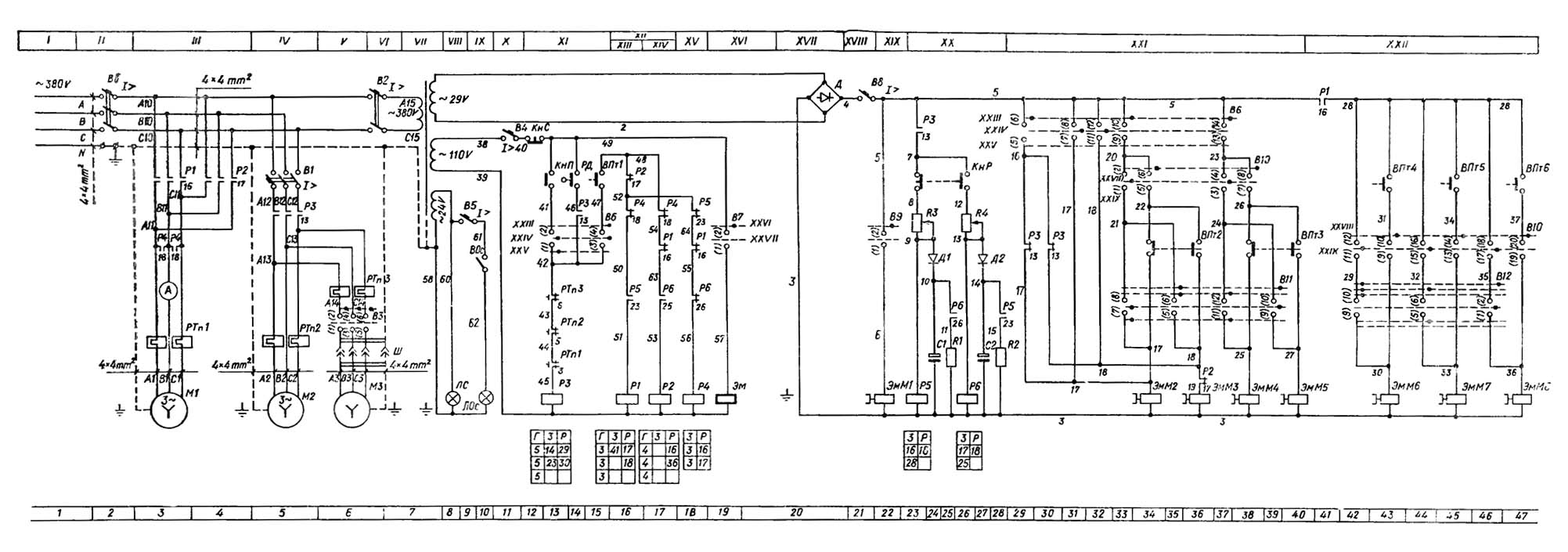
Електрична схема токарно-револьверного верстата 1к341
Електрична схема токарно-револьверного верстата 1К341. Скачать в увеличенном масштабе

Настановне креслення токарно-револьверного верстата 1к341
| Наименование параметра | 1341 | 1К341 | 1Г340п |
|---|---|---|---|
| Основні параметри верстата | |||
| Класс точності верстата Н по ГОСТ 8—71 | Н | Н | П |
| Точность обробки по длине, мм | 0,06..0,08 | ||
| Точность обробки по диаметру, класс | 2а | ||
| Наибольший диаметр обрабатываемого вироби над станиной, мм | 400 | 400 | 400 |
| Наибольший диаметр обрабатываемого вироби над суппортом, мм | 380 | 380 | 380 |
| Наибольший диаметр обрабатываемого прутка на переднем зажиме, мм | 40 | 40 | 40 |
| Наибольшая сторона квадрата обрабатываемого прутка, мм | 27 | 27 | 27 |
| Наибольший размер "под ключ" обрабатываемого шестигранника, мм | 32 | 32 | 32 |
| Наибольший диаметр обрабатываемого вироби в патроне, мм | 200 | 200 | |
| Наибольшая длина подачі прутка, мм | 150 | 100 | 100 |
| Наибольшая длина прутка, мм | 3000 | 3000 | 3000 |
| Наибольший диаметр обрабатываемого прутка в зажимной і подающей трубе круглого / шестигранного, мм | 40/ 32 | 40/ 32 | 40/ 32 |
| Высота центров, мм | 200 | 200 | 200 |
| Расстояние от торца шпинделя до револьверної головки, мм | 32..630 | 82..630 | 120..630 |
| Наибольшая длина нарезаемой різьби резьбонарезным пристрійм, мм | 50 | 50 | |
| Шпиндель | |||
| Диаметр отверстия в шпинделе, мм | 62 | 62 | 62 |
| Количество рабочих швидкостей шпинделя в двух автоматических диапазонах) - прямое вращение / обратное вращение | 8/ 4 | 8/ 4 | 12/ 6 |
| Пределы чисел оборотів шпинделя пруткового исполнения: прямое вращение, об/мин | 60..2000 | 60..2000 | 45..2000 |
| Частота обертання шпинделя в I диапазоне: прямое вращение, об/мин | 60,100,475,800 | 45,90,180,355 ,710,1400 |
|
| Частота обертання шпинделя во II диапазоне: прямое вращение, об/мин | 150,265,1180,2000 | 63,125,250,500 ,1000,2000 |
|
| Пределы чисел оборотів шпинделя пруткового исполнения: обратное вращение, об/мин | 60, 100, 150, 265 | 60, 100, 150, 265 | 45..250 |
| Пределы чисел оборотів шпинделя патронного исполнения: прямое вращение (скоростное виконання), об/мин | 36..1600 (56..2500) | ||
| Кінець шпинделя фланцевый по ГОСТ 12595-75 | 1-6Ц | ||
| Наибольший крутящий момент на шпинделе не менее, Нм (кг*м) | 234 (23,4) | ||
| Суппорт. Подачи | |||
| Наибольшее перемещение револьверного суппорта: продольное (Z), мм/ Круговое, град |
560/ 360° | 548/ 360° | 510/ 360° |
| Число упоров | 16 | 16 | |
| Количество продольных/ поперечных подач револьверного суппорта | 7/ 6 | 12/ 12 | |
| Диапазон швидкостей продольных подач револьверного суппорта, мм/об | 0,05..1,6 | 0,03..2,0 | 0,035..1,6 |
| Диапазон швидкостей поперечных подач револьверного суппорта, мм/об | 0,02..0,6 | 0,02..0,8 | |
| Быстрое продольное перемещение револьверного суппорта, мм/мин | нет | нет | 6/ 3 |
| Револьверна головка | |||
| Количество инструментов в револьверній головці | 16 | 16 | 16 |
| Диаметр отверстий в револьверній головці, мм | 30, 40 | 30, 40 | 30, 40 |
| Диаметр розположення отверстий в револьверній головці, мм | 200 | 200 | 200 |
| Перемещение продольное револьверної головки на одно деление лимба, мм | 0,5 | 0,5 | |
| Перемещение поперечное револьверної головки на одно деление лимба, мм | 0,5 | 0,01; 0,5 | |
| Електроустаткування верстата | |||
| Количество електродвигателей на станке, кВт | 3 | 3 | 5 |
| Електродвигун головного привода, кВт (об/мин) | 5,5 (1450) | 5,5 (1450) | 6,0/6,2 (960/ 1440) |
| Електродвигун ускоренных продольных перемещений револьверного суппорта, кВт (об/мин) | - | - | 1,1/ 1,5 (1420/ 2880) |
| Електродвигун насоса гідроприводу (зажим і подача прутка), кВт (об/мин) | 1,1 | 1,5 | 1,5 (1415) |
| Електродвигун насоса охлаждения, кВт (об/мин) | 0,125 (2800) | 0,125 (2800) | 0,125 (2800) |
| Електродвигун насоса змазки, кВт (об/мин) | - | - | 0,37 (1365) |
| Сумарна потужність усіх електродвигунів, кВт | 9,09 | ||
| Габарити та маса верстата | |||
| Габаритні розміри верстата (довжина, ширина, висота), мм | 3000 х 1200 х 1600 | 2200 х 1200 х 1380 | 2800 х 1200 х 1400 |
| Маса верстата, кг | 2200 | 2400 | 3000 |