Виробник та розробник токарно-револьверного верстата моделі 1Г340П, 1Г340 - Бердичівський верстатобудівний завод "Комсомолець" , м. Бердичів, Житомирська область, Україна.
У 1929-1931 pp. на базі підприємства було засновано трансмісійний завод.
У 1932 р. заводу надається ім'я «Комсомолець». У цей період завод освоїв випуск трубопровідно-запірної арматури та запасних частинин.
З 1980 завод освоює випуск нової гами токарно-револьверних верстатів, до складу якої входять автоматизовані верстати моделі 1Г340П, верстати з цикловим програмним керуванням моделі 1Г340ПЦ, верстати з числовим програмним керуванням моделі 1В340Ф30 і роботизовані комплекси на їх базі.
У 1984 році на заводі починається випуск багатоцільових токарно-револьверних верстатів моделі 1П420ПФ40, які, окрім токарної обробки, виконують свердлильно-фрезерну доробку деталі за одну установку в патроні.
Верстат токарно-револьверний 1Г340П замінив у виробництві застарілу модель 1К341 , а на основі верстата 1Г340П спроектований цілий ряд моделей з програмованим керуванням: 1Г340ПЦ , 1Г340ПФЦ , 1П420ПФ4 .
Токарно-револьверний верстат з горизонтальною віссю револьверної головки моделі 1Г340П і 1Г340 є універсальним токарно-револьверним верстатом і призначений для високопродуктивного виконання свердлильних, токарних (обточування, розточування, зенкерування, розгортання, відрізки, підрізки, прорізки, прорізки за допомогою різьбонарізного пристрою) робіт в умовах серійного виробництва.
Поперечна обробка здійснюється за рахунок кругової подачі револьверної головки.
При оснащенні додатковими пристроями на верстатах проводиться обробка конусів та фасонних поверхонь.
Верстати 1Г340П виготовляються у двох виконаннях:
Автоматичне перемикання частоти обертання шпинделя та подач супорта при зміні позицій револьверної головки відповідно до програми, заданої на штекерній панелі пульта керування значно підвищує продуктивність праці на верстатах та зручність їх обслуговування.
Для налагодження та обробки дрібних партій деталей передбачено ручне керування верстатами.
Застосування змінних револьверних головок забезпечує швидку переналагоджуваність верстатів.
Затискач та подача прутків, а також затискач штучних заготовок здійснюються гідравлічним механізмом. Найбільше допустиме коливання перерізу прутка ± 1 мм, а діаметр штучних заготовок ± 3 мм.
Токарно-револьверний верстат 1Г340П може бути прутковим або патронним і на ньому можна виконувати роботи, що вимагають послідовного застосування різного різального інструменту (чорнове та чистове точення, свердління, розточування, зенкерування, розгортання, нарізування різьблення тощо). Його застосовують за умов серійного виробництва. Верстат 1Г340П відносять до револьверних верстатів із горизонтальною віссю револьверної головки. Вісь обертання головки розташована нижче за осі шпинделя і паралельна їй. Револьверна головка має 16 гнізд, у яких за допомогою різних державок кріплять різальний інструмент. Цей верстат не має бокового (поперечного) супорта. Револьверна головка отримує поздовжню та поперечну подачі.
Автоматичне перемикання частоти обертання шпинделя та подач супорта при зміні позицій револьверної головки відповідно до програми, заданої на штекерній панелі пульта керування, значно підвищує продуктивність роботи на верстаті та зручність його обслуговування. Для налагодження та обробки дрібних партій деталей передбачено ручне керування верстатом.
Особливості токарно-револьверних верстатів 1Г340п та 1Г340:
Клас точності верстатів:

Габарит робочого простору верстата 1г340п
Габарит робочого простору токарного верстата револьверного 1Г340П. Дивитись у збільшеному масштабі

Посадочні та приєднувальні бази верстата 1г340п
Посадочні та приєднувальні бази верстата 1Г340П. Дивитись у збільшеному масштабі

Фото токарно револьверного верстата 1г340п

Фото токарно револьверного верстата 1г340п
Фото токарно-револьверного верстата 1г340п. Дивитись у збільшеному масштабі

Фото пульта керування токарно револьверного верстата 1г340п

Розташування основних вузлів верстата 1г340п
Розташування основних вузлів верстата 1г340п. Дивитись у збільшеному масштабі

Розташування органів керування токарним верстатом 1г340п
Розташування органів керування токарним верстатом 1г340п. Дивитись у збільшеному масштабі
Станіна є чавунним литим виливком, який складається з основи, верхньої станини і автоматичної коробки швидкостей.
У отворах основи встановлено станцію системи змащення та станцію системи охолоджуючої рідини (СОЖ). Електродвигун головного руху (обертання шпинделя) встановлений на підмоторній плиті, а на рухомій плиті - коробка швидкостей верстата. У середині основи передбачено місце для збирання стружки та зручного її вилучення.
На основу кріпиться станина з призматичними напрямними, якими переміщається револьверний супорт.
У лівій частинині станини кріпиться шпиндельна бабка, коробки подач, редуктора кругових подач револьверної головки та фартуха.
У правій частинині станини між направляючими встановлено упор обмеження поздовжнього переміщення револьверного супорта.

Коробка швидкостей токарно-револьверного верстата 1г340п
Коробка швидкостей токарно-револьверного верстата 1г340п. Дивитись у збільшеному масштабі

Кінематична схема коробки швидкостей верстата 1г340п
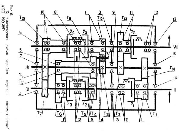
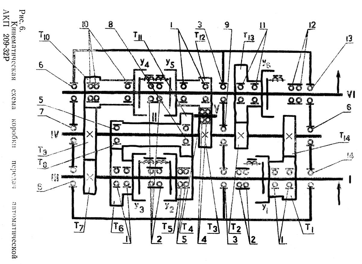
У верстаті використовується автоматична коробка швидкостей АКС206-32-31 або АКП209-32Р виробництва Псковського заводу зубчастиних коліс , що дозволяє перемикати частоту обертання на ходу і під навантаженням.
Ведучий вал 2 коробки подач отримує обертальний рух від останнього веденого валу коробки швидкостей через передачу. Крутний момент від електродвигуна на вхідний (відомий) вал 4 коробки швидкостей і вихідного валу 1 на шпиндельну бабку передається за допомогою плоскозубчастої ремінної передачі.
У коробці швидкостей розташовано п'ять електромагнітних муфт, які при включенні попарно видають на валу 12 швидкостей (з урахуванням реверсного електродвигуна).
Гальмування вихідного валу коробці швидкостей здійснюється одночасним включенням муфт цьому валу при відключених інших муфтах. Реверсування шпинделя здійснюється електродвигуном
Коробка подач токарно-револьверного верстата 1г340п
Коробка подач токарно-револьверного верстата 1г340п. Дивитись у збільшеному масштабі
За допомогою електромагнітних муфт і блоку шестерень 1 виходить 12 поздовжніх і поперечних подач револьверного супорта у двох діапазонах.

Револьверний супорт токарно-револьверного верстата 1г340п
Револьверний супорт токарно-револьверного верстата 1г340п. Дивитись у збільшеному масштабі
Револьверний суппорт призначений для переміщення різального інструменту в поперечному і поздовжньому переміщеннях. Подачі можуть здійснюватися автоматично або вручну.
Багатопозиційна револьверна головка встановлюється на зубчастому вінці. Зубчастиний вінець, у свою чергу, кріпиться на валу револьверної головки. Провідний вал встановлений на двох підшипниках. Поздовжні переміщення супорта здійснюються за допомогою рейки.
Барабан упорів 6 розташований співвісно з валом револьверної головки і зафіксований на ньому за допомогою втулки та гайок. Вал револьверної головки через шестерню пов'язаний з колектором керування розташуванням револьверної головки.
Кругові переміщення револьверної головці передаються від коробки подач верстата через ремінну передачу.

Кінематична схема токарно-револьверного верстата 1г340п
1. Схема кінематична токарно-револьверного верстата 1Г340П, 1Г340. Дивитись у збільшеному масштабі
3. Схема кінематична токарно-револьверного верстата 1Г340П, 1Г340. Дивитись у збільшеному масштабі
Рухи у верстаті:
Рухи у верстаті . Головний рух - обертання шпинделя (рис. 93) здійснюється від електродвигуна М (N=6,0/6,2 кВт; n=960/1440 хв -1 ) через коробку швидкостей. На верстаті застосовано уніфіковану автоматичну коробку швидкостей типу АКС 206—32—21 (рис. 93). У коробці швидкостей із чотирма валами є п'ять електромагнітних муфт 9 (ЕТМ-114) і п'ять електромагнітних муфт 10 (ЕМ-104), які, включаючись попарно, дають на вихідному валу 12 ступенів частоти обертання (з урахуванням двошвидкісного електродвигуна). Частоти обертання можна перемикати на ходу та під навантаженням. Гальмування вихідного валу коробки швидкостей здійснюється одночасно включенням муфт на цьому валу при відключених інших муфтах. Реверсування шпинделя здійснюється електродвигуном.
Рівняння кінематичного ланцюга для мінімальної частоти обертання шпинделя
n min = 960 x (d 1 /2) x (34/46) x (32/48) x (27/53) x (16/64) x (d 4 / d 3 )мин -1 .
Поздовжня подача револьверного супорта здійснюється від вихідного (IV) валу коробки швидкостей через плоскозубчасті ремінні передачі d 5 /d 6 і d 7 /d 8 , коробку подач і механізм фартуха. Коробка подач (рис. 93) має п'ять електромагнітних муфт 3 типу ЕТМ та блок зубчастиних коліс J(Z=18) і (Z=28), що забезпечує 12 подач револьверного супорта у двох діапазонах (по шість автоматичних подач). Рівняння кінематичного ланцюга мінімальної поздовжньої подачі:
S min = 1 об. шпинделя x (d 4 / d 3 ) x (d 5 / d 6 ) x (d 7 / d 8 ) x (18/58) x (19/62) x (21/75) x (28/39) x (2/34) х (24/72) х т3 х 12, мм/об.
Поздовжнє переміщення револьверного супорта вручну здійснюють штурвалом при відповідному положенні муфт у механізмі супорта. Схемою верстата передбачена можливість перемикання швидкостей та подач вручну перемикачами, встановленими на пульті керування, та автоматичним встановленням штекера у відповідне гніздо на штекерній панелі.
Поперечна (кругова) подача здійснюється від шпинделя верстата до ходового ггвинта по тому ж кінематичному ланцюгу, що і при поздовжній подачі, а далі через плоскозубчасту ремінну передачу d 9 /d 10 або циліндричну пару 32/34, конічний реверсивний механізм (Z=36 ; Z = 36; Рівняння кінематичного ланцюга мінімального поперечного (кругового) подачі:
S min = 1 об. шпинделя x (d 4 / d 3 ) x (d 5 / d 6 ) x (d 7 / d 8 ) x (18/58) x (19/62) x (21/75) x (d 6 / d 10 ) х (32/44) х (36/36) х (1/33) х (19/152) х 2πR мм/об
де R - радіус кола центрів інструментальних гнізд, мм (для даного верстата 100 мм).
На верстаті є копіювальний пристрій , призначений для поздовжнього та поперечного копіювання. Для цього на револьверній головці 7 закріплюють спеціальну державку з роликом, який упирається у копіювальну лінійку. Копіювальну лінійку встановлюють під необхідним кутом до горизонталі та закріплюють у цьому положенні.
Поздовжнє копіювання здійснюється при поздовжній подачі револьверного супорта, при цьому ролик державки рухається по похилій лінійці і повертає навколо осі револьверну головку разом з різцем, повідомляючи йому поперечну подачу. Ролик притискається до поверхні копіювальної лінійки силою різання. При одночасному здійсненні різцем поздовжньої та поперечної подач на заготовці утворюється конічна або інша фасонна поверхня. При поперечному копіюванні включається поперечна подача, а поздовжнє переміщення супорта відбувається під впливом копіювальної лінійки.
Різьбонарізний пристрій призначений для нарізування по копіру 1 (рис. 93) різцями або гребінками зовнішніх або внутрішніх різьблень різних кроків. Від шпинделя через кінематичний ланцюг з передавальним відношенням i 1 = (40/40) х (22/44) = (1/2) або i 2 = (40/30) х (33/33) = 1 обертання передається на змінний копір при передавальному відношенні i 2 = 1 крок різьби, що нарізається, дорівнює кроці різьблення встановленого копіра 7, а при передатному відношенні i 1 = 1/2 — половині цього кроку.
Для нарізування різьблення потрібно опустити важіль 5 до упору ггвинта цього важеля в планку 8. Разом із важелем 5 повертається суппорт 7 і важіль 3, закріплений на ньому різьбовою губкою 2 і вантажем. При цьому різьбова гребінка, закріплена на супорті, займає положення, потрібне для нарізування різьблення, а різьбова губка 2, переміщаючись по різьбленню копіра 7, буде рухати в осьовому напрямку штангу 6, важіль 5 і супорт 7, забезпечуючи поздовжню подачу інструменту на крок .
Поздовжнє переміщення супорта 7 обмежено упором, який прикріплений до важеля 5. В результаті дії упору важіль 5 і губка 2 піднімаються над різьбленням копіра 7 і штанга 6 під дією пружини 4 повертається у праве положення. Нарізання різьблення відбувається за кілька робочих ходів. Перед кожним наступним ходом різьбовий гребінець потрібно подавати в поперечному напрямку.
Налагодження верстата складається з наступних етапів:
З верстатом на особливе замовлення може бути поставлений відрізний супорт, який встановлюють на корпусі шпиндельної бабки.

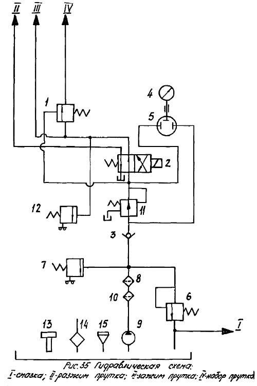
Гідравлічна схема токарно-револьверного верстата 1г340п

Настановне креслення токарно-револьверного верстата 1г340п
| Найменування параметру | 1341 | 1K341 | 1G340p |
|---|---|---|---|
| Основні параметри верстата | |||
| Клас точності верстата Н згідно з ГОСТ 8-71 | Н | Н | П |
| Точність обробки по довжині, мм | 0,06..0,08 | ||
| Точність обробки діаметром, клас | 2а | ||
| Найбільший діаметр виробу, що обробляється над станиною, мм | 400 | 400 | 400 |
| Найбільший діаметр виробу, що обробляється над супортом, мм. | 380 | 380 | 380 |
| Найбільший діаметр прутка, що обробляється, на передньому затиску, мм | 40 | 40 | 40 |
| Найбільша сторона квадрата обробленого прутка, мм | 27 | 27 | 27 |
| Найбільший розмір "під ключ" шестигранника, що обробляється, мм | 32 | 32 | 32 |
| Найбільший діаметр виробу, що обробляється в патроні, мм | 200 | 200 | |
| Найбільша довжина подачі дроту, мм | 150 | 100 | 100 |
| Найбільша довжина дроту, мм | 3000 | 3000 | 3000 |
| Найбільший діаметр оброблюваного прутка в затискній і трубі, що подає, круглого / шестигранного, мм. | 40/32 | 40/32 | 40/32 |
| Висота центрів, мм | 200 | 200 | 200 |
| Відстань від торця шпинделя до револьверної головки, мм | 32..630 | 82..630 | 120..630 |
| Найбільша довжина нарізання різьблення різьбонарізним пристроєм, мм | 50 | 50 | |
| Шпиндель | |||
| Діаметр отвору в шпинделі, мм | 62 | 62 | 62 |
| Кількість робочих швидкостей шпинделя у двох автоматичних діапазонах) - пряме обертання / зворотне обертання | 8/ 4 | 8/ 4 | 12/ 6 |
| Межі чисел оборотів шпинделя пруткового виконання: пряме обертання, об/хв | 60..2000 | 60..2000 | 45..2000 |
| Частота обертання шпинделя в I діапазоні: пряме обертання, об/хв | 60 100 475 800 | 45,90,180,355 ,710,1400 |
|
| Частота обертання шпинделя у II діапазоні: пряме обертання, об/хв | 150,265,1180,2000 | 63,125,250,500 ,1000,2000 |
|
| Межі чисел оборотів шпинделя пруткового виконання: зворотне обертання, об/хв | 60, 100, 150, 265 | 60, 100, 150, 265 | 45..250 |
| Межі чисел оборотів шпинделя патронного виконання: пряме обертання (швидкісне виконання), об/хв | 36..1600 (56..2500) | ||
| Кінець шпинделя фланцевий згідно з ГОСТ 12595-75. | 1-6C | ||
| Найбільший момент, що крутить, на шпинделі не менше, Нм (кг*м) | 234 (23,4) | ||
| Супорт. Подання | |||
| Найбільше переміщення револьверного супорта: поздовжнє (Z), мм/ Кругове, град |
560/360° | 548/360° | 510/360° |
| Число упорів | 16 | 16 | |
| Кількість поздовжніх/поперечних поперечних подач револьверного супорта | 7/6 | 12/12 | |
| Діапазон швидкостей поздовжніх подач револьверного супорта, мм/про | 0,05..1,6 | 0,03..2,0 | 0,035..1,6 |
| Діапазон швидкостей поперечних подач револьверного супорта, мм/про | 0,02..0,6 | 0,02..0,8 | |
| Швидке поздовжнє переміщення револьверного супорта, мм/хв. | немає | немає | 6/ 3 |
| Револьверна головка | |||
| Кількість інструментів у револьверній головці | 16 | 16 | 16 |
| Діаметр отворів у револьверній головці, мм | 30, 40 | 30, 40 | 30, 40 |
| Діаметр розташування отворів у револьверній головці, мм | 200 | 200 | 200 |
| Переміщення поздовжнє револьверної головки на один поділ лімба, мм | 0,5 | 0,5 | |
| Переміщення поперечне револьверної головки на один поділ лімба, мм | 0,5 | 0,01; 0,5 | |
| Електроустаткування верстата | |||
| Кількість електродвигунів на верстаті, кВт | 3 | 3 | 5 |
| Електродвигун головного приводу, кВт (об/хв) | 5,5 (1450) | 5,5 (1450) | 6,0/6,2 (960/ 1440) |
| Електродвигун прискорених поздовжніх переміщень револьверного супорта, кВт (об/хв) | - | - | 1,1/ 1,5 (1420/ 2880) |
| Електродвигун насоса гідроприводу (затискач та подача прутка), кВт (об/хв) | 1,1 | 1,5 | 1,5 (1415) |
| Електродвигун насоса охолодження, кВт (об/хв) | 0,125 (2800) | 0,125 (2800) | 0,125 (2800) |
| Електродвигун насоса мастила, кВт (об/хв) | - | - | 0,37 (1365) |
| Сумарна потужність усіх електродвигунів, кВт | 9,09 | ||
| Габарити та маса верстата | |||
| Габаритні розміри верстата (довжина, ширина, висота), мм | 3000 х 1200 х 1600 | 2200 х 1200 х 1380 | 2800 х 1200 х 1400 |
| Маса верстата, кг | 2200 | 2400 | 3000 |