Виробник та розробник токарно-револьверного верстата моделі 1341 - Бердичівський верстатобудівний завод "Комсомолець" , м. Бердичів, Житомирська область, Україна.
Фірма Беверс була заснована ще до революції як невелике підприємство з випуску ліжок і цвяхів.
У 1929-1931 pp. на базі підприємства було засновано трансмісійний завод.
У 1932 р. заводу надається ім'я «Комсомолець». У цей період завод освоїв випуск трубопровідно-запірної арматури та запасних частинин.
З 1980 завод освоює випуск нової гами токарно-револьверних верстатів, до складу якої входять автоматизовані верстати моделі 1Г340П, верстати з цикловим програмним керуванням моделі 1Г340ПЦ, верстати з числовим програмним керуванням моделі 1В340Ф30 і роботизовані комплекси на їх базі.
У 1984 році на заводі починається випуск багатоцільових токарно-револьверних верстатів моделі 1П420ПФ40, які, окрім токарної обробки, виконують свердлильно-фрезерну доробку деталі за одну установку в патроні.
Верстат токарно-револьверний універсальний 1341 з горизонтальною віссю револьверної головки призначений для обточування, розточування, зенкерування, свердління, розгортання та нарізування внутрішніх та зовнішніх різьблень в умовах серійного виробництва. На ньому можна обробляти деталі як із пруткового матеріалу в цанговому патроні, так і штучні заготовки в трикулачковому патроні. Обробка деталей із прутка здійснюється в автоматичному циклі, а штучні заготовки у трикулачковому патроні – у напівавтоматичному циклі.
Верстат 1341 вироблявся в 60-ті роки минулого століття і був замінений на більш досконалу модель - 1К341 .
Заготівля за допомогою пристрою кріпиться в шпинделі і здійснює обертальний рух B1 зі швидкістю різання vріз.
Інструменти, заздалегідь встановлені у відповідних пристрійх, кріпляться в гніздах револьверної головки і послідовно вступають у роботу при поворотах (індексаціях) револьверної головки, здійснюючи рух поздовжньої Фs1(П2) або поперечної Фs2 (В2) подачі відповідно до технологічного процесу обробки деталі.
Розміри деталі в поздовжньому або поперечному напрямку виходять автоматично завдяки тому, що величина шляху переміщення кожного інструменту обмежується наперед налаштованим на розмір обробки відповідним цьому інструменту упору. Налаштування режимів різання, при яких працює той чи інший інструмент, здійснюється також автоматично за рахунок того, що кулачки, розташовані на барабані командоапарата, що відповідають кожній позиції револьверної головки, впливають на електричні перемикачі, які керують включенням відповідних частот обертання шпинделя та швидкостей подачі (електричні перемикачі включають відповідні комбінації електромагнітних муфт у коробці швидкостей та коробці подач для отримання заданих частот обертання шпинделя і швидкостей поздовжніх або поперечних подач).
Якщо деталь оброблялася із штучної заготівлі, то після повної обробки її знімають із верстата вручну, встановлюють нову заготівлю, і цикл обробки повторюється.
Якщо як заготовка використовується пруток, то після повної обробки деталь відрізають, револьверну головку повертають у початкову позицію (у гнізді револьверної головки встановлений упор для заготівлі) і переміщують револьверний супорт до шпиндельної бабці до упору. На пульті керування верстата перемикачем включають механізм затиску та подачі дроту. Пруток автоматично подається до упору та затискається. Далі цикл обробки повторюється.
Токарно-револьверний верстат 1341 має 16-позиційну револьверну головку з горизонтальною віссю обертання паралельної осі шпинделя. Ріжучий інструмент за допомогою спеціального приладдя кріпиться в отворах револьверної головки.
Необхідні кожного переходу числа обертів шпинделя і величин подач встановлюються автоматично легко переналаживаемым командоапаратом , управляючим електромагнітними муфтами коробок швидкостей і подач, або вручну перемикачами, розташованими на пульті коробки швидкостей і подач.
Вал револьверної головки і барабан командоапарата, що жорстко сидить на ньому, мають однакову кількість позицій. На кожній позиції барабана встановлені два кулачки, що керують електромагнітними муфтами: один коробки швидкостей, інший коробки подач.
Коробка швидкостей має чотири багатодискові електромагнітні муфти типу ЭТМ-122, з яких включається одне з чотирьох чисел оборотів шпинделя, кожної з двох позицій. Коробка подач має дві електромагнітні муфти типу ЕТМ-092, дві обгонні муфти і двовінцевий пересувний зубчастиний блок, який забезпечує отримання двох діапазонів подач з чотирма подачами, що автоматично перемикаються, в кожному з двох діапазонів. Для включення кругової подачі револьверної головки встановлено одну електромагнітну муфту типу ЕГМ-092.
Затискач та подача прутка в цангу, а також затискач штучних заготовок у трикулачковому патроні проводиться автоматично гідравлічним механізмом з електричним керуванням. Найбільше коливання діаметра прутка, що затискається в цангу, ± 2 мм, а найбільше коливання штучних заготовок, що затискаються в патроні, ±3 мм. Керування механізмами однорукояткове. Після закінчення розтискання автоматично починається подача прутка. Весь цикл затискання, подачі та розтискання триває 2-3 сек.
Верстат 1341 має автоматичне вимкнення поздовжньої подачі жорсткого упору, що забезпечує високу точність обробки по довжині. Поперечна подача обмежується жорстким упором.
Наявність револьверної головки з горизонтальною віссю повороту дозволяє використовувати верстат для розточування внутрішніх камер та зовнішньої проточки за буртом інструментами, закріпленими в державках головки.
На відміну від більшості верстатів токарно-револьверних верстат моделі 1341 має наступні особливості, що дозволяють використовувати його більш ефективно:

Габаритні розміри робочого простору верстата 1341

Посадочні та приєднувальні бази верстата 1341

Загальний вигляд токарно-револьверного верстата 1341
Загальний вигляд токарного токарно-револьверного верстата 1341. Дивитись у збільшеному масштабі

Фото токарно-револьверного верстата 1341
Фото токарно-револьверного верстата 1341. Дивитись у збільшеному масштабі

Фото токарно-револьверного верстата 1341

Фото токарно-револьверного верстата 1341

Розташування складових частинин верстата 1341
Cклад токарно-револьверного верстата 1341. Дивитись у збільшеному масштабі
Нижня станина 49 служит основанием для крепления верхней станины 19, коробки швидкостей і подач 9 і електрошафи 30. В верхней частини станины 49 имеется широкое литое корито для охлаждающей жидкости. В левой внутренней частини станины помещается резервуар для масла гідропривода. Указатель 48 показывает уровень масла в етом резервуаре. К приливу нижней станины крепится гідропанель з насосом і електродвигуном М2.
С правой стороны станины устанавливается сварной ящик 36, в который ссыпается стружка. Применение отдельного ящика позволяет быстро убирать стружку.
Верхня станина 19 имеет направляющие для переміщення револьверного суппорта 40. На передньої стенке її помещены зубчатая рейка для продольного переміщення револьверного суппорта, ходовой валик 47 і барабан 46 з шестью регулируемыми гвинтами 45, которые упираются в упор 41.
На задньої стенке верхней станины крепится переставной кронштейн 44 з копирной линейкой 43,
С правой стороны станины между її направляющими помещен жесткий откидной упор, предназначенный для виключення поздовжньої подачі кулачками 34. Этот упор устанавливается в рабочее или выключенное положение поворотом рукоятки 35.
Коробка швидкостей і подач 9 имеет механізмы приводу головного руху, подач суппорта і передачи обертання копиру 5 резьбонарезного пристроя. В корпусе 3 помещены гідравлические циліндри, приводящие в действие механізмы подачі і зажиму обрабатываемых прутков. На передньої стенке коробки 9 расположен пульт 8 керування верстатом. Передний конец шпинделя закрыт предохранительным щитком 10.
Механізми зажиму і подачі обрабатываемого материала помещены в корпусе 3 (см. рис. 11, а) і приводятся в действие гідравлическими цилиндрами 12 і 29 (рис. 13),,
Гідравлический механізм зажима обрабатываемого прутка (рис. 13) обеспечивает постоянную силу зажатия при отклонениях диаметров прутков в пределах ±1 мм, а диаметров штучных заготовок — в пределах 8 мм.
Корпус 19 цангового патрона крепится болтами на переднем фланце шпинделя верстата. Затискна цанга 21 завинчивается левым концом в трубу зажиму 17. С корпусом 19 затискна цанга связана поводковыми штифтами 26. К расточке зажимной цанги 21 крепятся сменные вкладыши 23, которые зажимаются гвинтами 22 і удерживаются от проворота штифтами 20.

Розташування органів керування токарним верстатом 1341
Розташування органів керування токарно-револьверним верстатом 1341. Дивитись у збільшеному масштабі

Розташування основних вузлів токарно-револьверного верстата 1341
Електроустаткування верстата по роду защиты от воздействия окружающей среды принято нормальным. По специальному заказу електрообладнання верстата може быть выполнено в тропическом виконанні.
1. Электродвигатели, установленные на станке, по способу защиты от воздействия окружающей среды приняты закрытого обдуваемого исполнения, т. е. защищены от попадания внутрь пыли.
Электродвигатели выпускаются заводами на напряжение 220/380 і 500 В.
При двух напряжениях електродвигатели имеют шесть выведенных концов, что дает возможность подключить их к сети з напряжением 380 или 220 В. Напряжению 220 В соответствует соединение обмотки статора в треугольник, а напряжению 380 В — соединение обмотки статора в звезду.
Электродвигатели на 500 в имеют три выведенных кінця і обмотка статора соединена в звезду.
На рис. 69 приведена схема соединения концов обмотки статора електродвигателей при напряжениях 220 і 380 в і 500 в.
Технічні данные електродвигателей, установленных на станке, приведены в табл. 1, а характеристики применяемых нагревательных елементів тепловых реле і уставок автоматических выключателей — в табл. 2.
2. На станке установлено семь електромагнітних фрикционных муфт двух типорозмірів. В коробке швидкостей установлено четыре електромагнітні муфты типа ЭМ-52, в коробке подач — две муфты типа ЭМ-32 і для увімкнення круговой подачі револьверної головки одна муфта типа ЭМ-32.
Электромагнитные муфты, установленные на станке, выполнены со шлицевыми отверстиями в корпусе. Для живлення муфты служит селеновый выпрямитель, собранный по мостовой двухполупериодной схеме.
Напряжение выпрямленного тока равно 24 в. Муфты предназначены для роботи в масляной среде, температура масла не должна превышать 35—40° С.
Основні технические данные електромагнітних многодисковых фрикционных муфт, установленных на станке, приведены в табл. 3.
На токарно-револьверном станке 1341 установлены такие електрические машины, електроаппаратура керування і защиты.
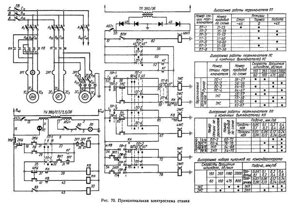
Поворачивая вводный пакетный выключатель ВВ (см. рис. 70) в вертикальное положение, верстат подключают к сети. Нажатием на кнопку ЗКУ «Гідропривід пуск» по ланцюги 13—15—17—19—21—23—25—27—9 включается пускатель електродвигуна гідравлики КГ.
Внимание! При пуске електродвигуна гідравлики необходимо удерживать в нажатом состоянии кнопку «Гідропривід пуск» в течение 2—3 сек для поднятия давления выше налаштування реле давления.
Переключатель ПТ «Работа — Тормоз — Стоп» должен находиться в положении «Тормоз» или «Стоп», чтобы контакт ПТ-1 переключателя был замкнут. Это предусмотрено для того, чтобы не началось вращение шпинделя при включении гідравлики, если переключатель ПТ находится в положении «Работа».
После увімкнення пускатель КГ становится на самопитание в точках 19—23. Поворотом переключателя ПТ в положение «Тормоз» замыкаются его контакты ПТ-1, ПТ-2, ПТ-7, ПТ-5 і по ланцюги 13—15—17—19—29—23—31—33—37—39—9 включается пускатель прямого обертання електродвигуна головного приводу KB, но ввиду того, что електромагнітні муфты 1МС і 2МС включены по ланцюги 51—58— корпус і 51—60—61 — корпус, шпиндель остается в заторможенном состоянии.
Если установить переключатель ПТ в положение «Работа», то размыкаются его контакты ПТ-1, ПТ-7, ПТ-5 і замыкаются ПТ-2, ПТ-3, ПТ-8, ПТ-6. При етом включаются определенные сочетания електромагнітних муфт, і шпиндель начинает вращаться.
Для остановки електродвигуна необходимо поставить рукоятку переключателя ПТ в положение «Стоп».
Кнопка 2КУ «Гідропривід стоп» является общим стопом верстата. Для аварийного отключения електродвигуна головного приводу і електродвигуна насоса гідравлики на пульті керування установлена красная грибовидная кнопка 1КУ.
При нажатии на нее отключается електродвигатель насоса гідравлики і електродвигатель головного привода.
Електродвигун насоса охлаждения включается пакетно-кулачковым выключателем ВНО, установленным на пульті керування верстата.
Подача і зажим материала. Для подачі прутка необходимо переключатель ВЭ «Зажим—Разжим», установленный на пульті верстата, поставить в положение «Разжим». При етом включается електромагнит ЭЗ, управляющий гідрозолотником. Золотник открывает доступ масла в полость разжима цилиндра зажима.
После окончания разжима подающая цанга подаст пруток вперед до упора.
При установці переключателя ВЭ в положение «Зажим» електромагнит ЭЗ отключается, золотник под действием пружины возвращается в прежнее положение і происходит зажим прутка і отвод ползуна подачі в исходное положение.
Переключення швидкостей і подач. Электросхемой верстата передбачаєся возможность переключения швидкостей і подач вручную переключателями ПС—ПП, установленными на пульті керування, і автоматически — командоапаратом при повороте револьверної головки. Переход з ручного переключения на автоматическое осуществляется переключателем ПР, установленным на пульті верстата.
При установці переключателя ПР в положение «Автоматическое переключение» замыкаются замыкающие контакты 52—55, 52—62, 54—68, 54—75 і размыкаются размыкающие контакты 52—56, 52—64, 54—69, 54—76. В етом случае увімкнення електромагнітних муфт осуществляется только контактами конечных выключателей 1КС—2КС, 1КП—2КП командоаппарата.
Скорости і подачі от командоаппарата переключаются так: каждому положению револьверної головки соответствует позиция командоаппарата. При наладке верстата кулачки в каждой позиции устанавливаются таким образом, чтобы в соответствующем положении револьверної головки получить необходимые скорости і подачі. Переключення швидкостей происходит при повороте револьверної головки. В ето время поворачивается барабан командоаппарата і установленные на нем кулачки нажимают на конечные выключатели, которые включают необходимые сочетания електромагнітних муфт.
Конструкція командоаппарата і переключателей ПП і ПС не допускает одновременного увімкнення муфт 1МС і 2МС, ЗМС і 4МС, 1МП і 2МП при положении переключателя ПТ «Работа».
Например, чтобы получить при автоматическом переключении скорость обертання шпинделя, равную 150 или 60 об/мин, кулачки надо расположить, как указано в таблице і диаграмме увімкнення конечных выключателей командоаппарата (см. рис. 70). Тогда размыкающие контакты конечных выключателей 1КС і 2КС 55—57 і 62—65 окажутся замкнутыми. В етом случае включатся електромагнітні муфты 1МС і ЗМС, которые обеспечат вращение шпинделя со скоростью 60 или 150 об/мин, в зависимости от положения рукоятки переключения диапазона швидкостей.
Для того, чтобы получить ети же скорости ручным переключением, необходимо рукоятку переключателя ПС на пульті керування поставить против стрелки, указывающей нужные скорости, что соответствует повороту рукоятки переключателя на 90° против обертання часовий стрелки от нулевого (вертикального) положения (см. таблицу роботи переключателя ПС на рис. 70). При етом контакты ПС-1 і ПС-3 переключателя окажутся замкнутыми, а контакты ПС-2 і ПС-4 — разомкнутыми, что обеспечивает увімкнення муфт 1МС і ЗМС.
Аналогично происходит переключение подач.
Электромагнитная муфта круговой подачі револьверної головки МПК включается выключателем ВКП.
Торможение шпинделя осуществляется одновременным включением електромагнітних муфт 1МС і 2МС, для чего необходимо рукоятку переключателя ПТ поставить в положение «Тормоз», что соответствует положению О по таблице роботи етого переключателя (см. рис. 70); контакт ПТ-3 переключателя размыкается, а контакты ПТ-7 і ПТ-5 замыкаются, в результате чего включаются муфты 1МС і 2МС, і шпиндель затормаживается. Во время торможения шпинделя електродвигатель головного приводу продолжает вращаться.
Когда рукоятка переключателя ПТ находится в положении «Работа», торможение шпинделя также осуществляется електромагнитными муфтами 1МС і 2МС через размыкающие контакты магнитного пускателя КГ в точках 52—58, 52—60.
Реверсирование шпинделя (необходимое при нарезании резьб) осуществляется изменением направления обертання електродвигуна головного привода. Если шпиндель вращается со скоростью 60 или 150 об/мин, то при реверсировании скорость его обертання соответственно увеличивается до 100 или 265 об/мин. Если скорость обертання шпинделя будет 100 или 265 об/мин, то реверсирование числа оборотів шпинделя не изменяется. При работе на более высоких прямых оборотах шпинделя реверс невозможен.
Реверсирование шпинделя осуществляется нажатием на кнопку 4КУ «Реверс», установленную на пульті керування верстата, причем если отпустить кнопку, шпиндель начинает вращаться з той скоростью, з какой он вращался до реверсирования. При нажатии на кнопку 4КУ пускатель прямого обертання головного електродвигуна KB отключается, а пускатель обратного обертання КН включается, реверсируя електродвигатель.
Замыкающие блок-контакты пускателя KB размыкаются в точках 65—66, отключая муфты ЗМС, если прямое вращение происходило при скорости 60 или 150 об/мин.
Размыкающий блок-контакт КН размыкается в точках 60—61, что исключает реверсирование при скорости обертання шпинделя выше 265 об/мин. Замыкающие блок-контакты пускателя КН замыкаются в точках 56—67 і 55—67, что обеспечивает увімкнення муфты 4МС как при ручном, так і автоматическом переключении скорости. В результате одновременного увімкнення муфт 1МС—4МС достигается реверсирование со скоростью обертання шпинделя 100 или 265 об/мин-
На станке имеется сигналізація подачі напряжения на схему керування верстата. При включении вводного выключателя ВВ загорается белая сигнальная лампа, установленная на пульті керування.
Электрической схемой верстата предусматриваются такие блокировки, исключающие возможность неправильных включений:
На станке установлен указатель нагрузки, определяющий степень использования мощности верстата путем измерения силы тока в обмотке електродвигуна головного привода.
Шкала указателя проградуирована в процентах і имеет рабочую часть, заключенную между значениями, соответствующими 20 і 100% номинального тока, і перегрузочную часть, заключенную между значениями, соответствующими 100 і 1000% номинального тока. Основная погрешность указателя (в пределах рабочей частини шкалы) не превосходит 4% номинального значения тока.
На станке установлен кронштейн местного освещения. Освещение включается і выключается выключателем ВО, установленным на пульті верстата.

Електрична схема токарного верстата 1341
Схема електрична токарно-револьверного верстата 1341. Дивитись у збільшеному масштабі

Список елементів токарно-револьверного верстата 1341
Список елементів токарно-револьверного верстата 1341. Дивитись у збільшеному масштабі

Список елементів токарно-револьверного верстата 1341
Список елементів токарно-револьверного верстата 1341. Дивитись у збільшеному масштабі

Список елементів токарно-револьверного верстата 1341
Список елементів токарно-револьверного верстата 1341. Дивитись у збільшеному масштабі

Список елементів токарно-револьверного верстата 1341
Список елементів токарно-револьверного верстата 1341. Дивитись у збільшеному масштабі

Список елементів токарно-револьверного верстата 1341
Список елементів токарно-револьверного верстата 1341. Дивитись у збільшеному масштабі
| Наименование параметра | 1341 | 1К341 | 1Г340п |
|---|---|---|---|
| Основні параметри верстата | |||
| Класс точності верстата Н по ГОСТ 8—71 | Н | Н | П |
| Точность обробки по длине, мм | 0,06..0,08 | ||
| Точность обробки по диаметру, класс | 2а | ||
| Наибольший диаметр обрабатываемого вироби над станиной, мм | 400 | 400 | 400 |
| Наибольший диаметр обрабатываемого вироби над суппортом, мм | 380 | 380 | 380 |
| Наибольший диаметр обрабатываемого прутка на переднем зажиме, мм | 40 | 40 | 40 |
| Наибольшая сторона квадрата обрабатываемого прутка, мм | 27 | 27 | 27 |
| Наибольший размер "под ключ" обрабатываемого шестигранника, мм | 32 | 32 | 32 |
| Наибольший диаметр обрабатываемого вироби в патроне, мм | 200 | 200 | |
| Наибольшая длина подачі прутка, мм | 150 | 100 | 100 |
| Наибольшая длина прутка, мм | 3000 | 3000 | 3000 |
| Наибольший диаметр обрабатываемого прутка в зажимной і подающей трубе круглого / шестигранного, мм | 40/ 32 | 40/ 32 | 40/ 32 |
| Высота центров, мм | 200 | 200 | 200 |
| Расстояние от торца шпинделя до револьверної головки, мм | 32..630 | 82..630 | 120..630 |
| Наибольшая длина нарезаемой різьби резьбонарезным пристрійм, мм | 50 | 50 | |
| Шпиндель | |||
| Диаметр отверстия в шпинделе, мм | 62 | 62 | 62 |
| Количество рабочих швидкостей шпинделя в двух автоматических диапазонах) - прямое вращение / обратное вращение | 8/ 4 | 8/ 4 | 12/ 6 |
| Пределы чисел оборотів шпинделя пруткового исполнения: прямое вращение, об/мин | 60..2000 | 60..2000 | 45..2000 |
| Частота обертання шпинделя в I диапазоне: прямое вращение, об/мин | 60,100,475,800 | 45,90,180,355 ,710,1400 |
|
| Частота обертання шпинделя во II диапазоне: прямое вращение, об/мин | 150,265,1180,2000 | 63,125,250,500 ,1000,2000 |
|
| Пределы чисел оборотів шпинделя пруткового исполнения: обратное вращение, об/мин | 60, 100, 150, 265 | 60, 100, 150, 265 | 45..250 |
| Пределы чисел оборотів шпинделя патронного исполнения: прямое вращение (скоростное виконання), об/мин | 36..1600 (56..2500) | ||
| Кінець шпинделя фланцевый по ГОСТ 12595-75 | 1-6Ц | ||
| Наибольший крутящий момент на шпинделе не менее, Нм (кг*м) | 234 (23,4) | ||
| Суппорт. Подачи | |||
| Наибольшее перемещение револьверного суппорта: продольное (Z), мм/ Круговое, град |
560/ 360° | 548/ 360° | 510/ 360° |
| Число упоров | 16 | 16 | |
| Количество продольных/ поперечных подач револьверного суппорта | 7/ 6 | 12/ 12 | |
| Диапазон швидкостей продольных подач револьверного суппорта, мм/об | 0,05..1,6 | 0,03..2,0 | 0,035..1,6 |
| Диапазон швидкостей поперечных подач револьверного суппорта, мм/об | 0,02..0,6 | 0,02..0,8 | |
| Быстрое продольное перемещение револьверного суппорта, мм/мин | нет | нет | 6/ 3 |
| Револьверна головка | |||
| Количество инструментов в револьверній головці | 16 | 16 | 16 |
| Диаметр отверстий в револьверній головці, мм | 30, 40 | 30, 40 | 30, 40 |
| Диаметр розположення отверстий в револьверній головці, мм | 200 | 200 | 200 |
| Перемещение продольное револьверної головки на одно деление лимба, мм | 0,5 | 0,5 | |
| Перемещение поперечное револьверної головки на одно деление лимба, мм | 0,5 | 0,01; 0,5 | |
| Електроустаткування верстата | |||
| Количество електродвигателей на станке, кВт | 3 | 3 | 5 |
| Електродвигун головного приводу, кВт (об/хв) | 5,5 (1450) | 5,5 (1450) | 6,0/6,2 (960/ 1440) |
| Електродвигун прискорених поздовжніх переміщень револьверного супорта, кВт (об/хв) | - | - | 1,1/ 1,5 (1420/ 2880) |
| Електродвигун насоса гідроприводу (затискач та подача прутка), кВт (об/хв) | 1,1 | 1,5 | 1,5 (1415) |
| Електродвигун насоса охолодження, кВт (об/хв) | 0,125 (2800) | 0,125 (2800) | 0,125 (2800) |
| Електродвигун насоса мастила, кВт (об/хв) | - | - | 0,37 (1365) |
| Сумарна потужність усіх електродвигунів, кВт | 9,09 | ||
| Габарити та маса верстата | |||
| Габаритні розміри верстата (довжина, ширина, висота), мм | 3000 х 1200 х 1600 | 2200 х 1200 х 1380 | 2800 х 1200 х 1400 |
| Маса верстата, кг | 2200 | 2400 | 3000 |