metalinstryment.com
Довідник по металорізальних верстатів та пресовому обладнанні

УГ9326 Автоматическая восьмипозиционная револьверна головка
Схеми, опис, характеристики

УГ9326 Автоматическая восьмипозиционная головка







Відомості про виробника револьверної головки УГ9326

Разработчиком і изготовителем револьверних головок УГ9326 является Гомельский завод станочных вузлів ГЗСУ, основанный в 1961 году.

В настоящее время Гомельский завод станочных вузлів производит автоматические многопозиционные головки моделей УГ9321, УГ9326-06, УГ8.

Головки автоматические универсальные є вузлами токарных верстатів з различными системами числового программного керування і предназначены для крепления, установки і автоматичною индексации режущего і вспомогательного инструмента. Головки УГ8 имеют повышенный по сравнению з ранее выпускавшимися головками ресурс надежности по наработке на отказ





Продукция Гомельского завода станочных вузлів ГЗСУ


УГ9326 головка револьверна автоматическая восьмипозиционная для токарных верстатів з ЧПУ. Назначение, область применения

Головка автоматическая восьмипозиционная УГ9326-06 предназначена для установки, крепления і автоматичною индексации режущего і вспомогательного инструмента на токарных верстатах з ЧПУ.

В головке УГ9326 используются инструментальные блоки (держатели) з цилиндрическим хвостовиком тпа VDI. Держатели (резцедержатели) для верстатів з ЧПУ устанавливаются на токарний верстат і служат для закрепления токарных, расточных или отрезных резцов.

Блоки VDI используются в токарных верстатах з ЧПУ і обрабатывающих центрах з ЧПУ для фиксации токарных резцов, расточных, отрезных резцов, корпусных сверл, цанг і т. д. Это система быстрой замены инструментов, которая обеспечивает быстрое і точное закрепление их в револьверній головці з креплением типа VDI.

Размер отверстия под держатель в головке УГ9326-06 - Ø40Н7 по ГОСТ 24900-81. Хвостовик резцедержателя соответствует ГОСТ 24900 і DIN 69880.

Резцедержатели з хвостовиком Ø 40 мм, предназначены для закрепления призматических резцов сечением 25х25 і 20х20, а также для закрепления инструмента з цилиндрическими і коническими хвостовиками.



Инструментальные блоки (держатели) з цилиндрическим хвостовиком тпа VDI

Инструментальные блоки (держатели) для верстатів з ЧПУ устанавливаются на токарний верстат і служат для закрепления токарных, расточных или отрезных резцов. Они не є универсальными і различаются между собой по конструкції для каждого типа оборудования. Например, свою отдельную систему крепления имеют блоки для верстатів стандарта BMT (DOOSAN, SMEC) или инструментальные блоки/держатели для верстата HAAS, OKUMA, MAZAK, DMG MORI і другие.

VDI (Verein Deutscher Ingenieure — Ассоциация германских инженеров) — ето крупнейшая инженерная ассоциация в Западной Европе з более чем 150 000 зарегистрированных участников-инженеров. Одноимённый стандарт держателей і хвостовиков инструментов VDI является одним из двух самых популярных стандартов в мире (второй — BMT).

Держатели VDI имеют зубчатый вал, который вставляется в отверстие на лицевой стороне револьверної головки. Инструмент удерживается на месте з помощью сопрягаемой частини з зубцами, размещаемой внутри револьверної головки. Инструмент надёжно удерживается на месте з помощью стопорного гвинта, закручиваемого з помощью шестигранного ключа. Держатель удерживается от скручивания штырём, расположенным на рабочей поверхности револьверної головки.

Из основних преимуществ VDI-инструментов перед инструментами стандарта BMT - ето настраиваемая высота центра, быстрая переналадка, больший ассортимент инструмента.

Блоки VDI подбираются в зависимости от направления обертання шпинделя, розположення револьверної головки верстата (слева или справа), типа токарной обробки, а также определяющего размера (30, 40, 50, 60 мм).

Фирмы-производители инструментальных блоков






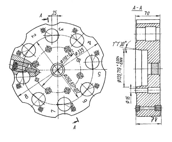
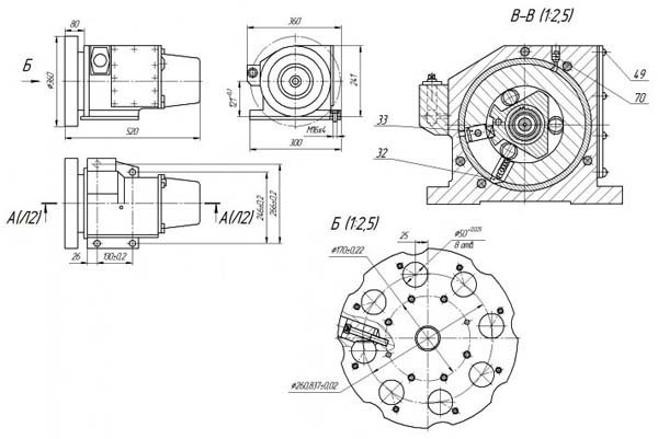
УГ9326 Габаритные розміри автоматичною револьверної головки

Габаритные розміри универсальной автоматичною головки УГ9326

Габаритные розміри револьверної головки уг9326-06


УГ9326 Загальний вигляд автоматичною восьмипозиционной головки

Загальний вигляд  универсальной автоматичною головки УГ9326

Фото автоматичною револьверної головки уг9326-06


УГ9326 автоматическая головка на станке

Загальний вигляд  универсальной автоматичною головки УГ9326

Фото автоматичною револьверної головки уг9326-06


Карта возможностей верстата 16А20Ф3 з восьмипозиционной револьверною головкою УГ9326

16А20Ф3 Карта возможностей токарного верстата з ЧПУ з восьмипозиционной револьверною головкою УГ9326

Карта возможностей револьверної головки уг9326


Конструкція универсальной автоматичною головки УГ9326

Конструкція универсальной автоматичною головки УГ9326

Конструкція револьверної головки уг9326


УГ 9326 Конструкція автоматичною револьверної головки

Cклад автоматичною револьверної головки УГ9326

В состав автоматичною головки входит инструментальный диск, корпус, включающий привід головки, механізм фиксации і датчик положения.

Специфікація автоматичною восьмипозиционной головки УГ9326

  1. УГ9326.0300.000 - Диск инструментальный восьмипозиционный
  2. УГ9321.0000.108 - Крышка
  3. УГ9321.0000.100 - Полумуфта подвижная
  4. УГ9321.0000.101 - Кулачок керування индексацией
  5. Болт - М6-8g-20.66.05 ГОСТ 7805
  6. Гайка - М6-6Н.6.05 ГОСТ 5927
  7. Шайба - 7019-0396 Химическое оксидирование прм. ГОСТ 13438
  8. Шайба - 7019-0416 Химическое оксидирование прм. ГОСТ 13438
  9. УГ9311.0200.085 - Гайка натяжения тарельчатых пружин
  10. УГ9321.0000.104 - Гайка
  11. УГ9321.0000.113 - Шайба сферическая (3 шт)
  12. УГ9321.0000.103 - Пята (6 шт)
  13. УГ9326.0000.011 - Плунжер (клапан подачі СОЖ)
  14. УГ9326.0000.007 - Коллектор (Блок СОЖ)
  15. УГ9311.0200.081 - Втулка
  16. УГ9321.0000.102 - Полумуфта нерухома
  17. УГ9321.0000.112 - Пружина расцепления муфт
  18. УГ9311.0200.057 - Колесо зубчатое подвижное (входит в состав планетарного редуктора)
  19. Подшипник - 2007113 ТУ37.006.162-89
  20. Подшипник - 1000905 ГОСТ 8338 (3 шт)
  21. УГ9311.0200.053 - Планетарный редуктор. Блок зубчатых колес - ремкомплект
  22. УГ9321.0000.111-02 - Корпус
  23. УГ9321.0000.001 - Планка
  24. Микровыключатель контроля сцепления муфт - (S2) ВП61-21-А111112-00УХЛ3,2
  25. УГ9311.0200.046 - Проставок (поворотная поводковая муфта)
  26. УГ9311.0200.013 - Електродвигун, вал ротора
  27. Електродвигун - (М) АИСХ7IВ4У3
  28. Подшипник - 80203 ГОСТ 7242
  29. УГ9324.0200.000-06 - (S1) Датчик углового положения инструментальной головки
  30. УГ9311.0208.000 - Муфта датчика
  31. УГ9311.0200.067-01 - Фланец електродвигуна
  32. УГ9311.0208.000 - Валик поворотный
  33. УГ9311.0270.000 - Гильза - корпус приводу головки
  34. УГ9326.0000.003-06 - Корпус головки
  35. УГ9311.0207.000 - Водило, ексцентрик (входит в состав планетарного редуктора)
  36. Подшипник - 1000911 ГОСТ 8338
  37. УГ9311.0200.055 - Колесо зубчатое нерухоме внутреннего зацепления (входит в состав планетарного редуктора)
  38. Подшипник - 1000916 ГОСТ 8338
  39. Подшипник - 203 ГОСТ 8338 (2 шт)
  40. УГ9311.0200.012 - Гайка регулировки гильзы
  41. УГ9326.0400.000 - Полумуфта фиксирующая нерухома, закрепленная на корпусе
  42. УГ9326.0400.000 - Полумуфта фиксирующая подвижная, связанная з инструментальным диском
  43. Пружина тарельчатая - ГОСТ 3057-90, 1-2-3-40х20х2х1 (18 шт)
  44. УГ9326.0000.002 - Корона
  45. Пробка - К1/4" ОСТ 2Г96-1-85 (2 шт)
  46. УГ9321.0000.063 - Фиксатор з пружиной
  47. УГ9321.0000.106 - Упор
  48. УГ9321.0000.0053 - Пружина фиксатора (2 шт)

УГ9321.0000.128 - Втулка

УГ9321.0000.091 - Штифт

УГ9326.0000.009 - компенсатор

УГ9326.0000.010 - компенсатор

Типы датчиков, з которыми може поставляться головка мод. УГ9326-06:




УГ9311.0200.000-09 - Привід головки автоматичною восьмипозиционной УГ9326 в сборе (головка без корпуса і диска)

  1. Шайба - 7019-0396 Химическое оксидирование прм. ГОСТ 13438
  2. Шайба - 7019-0416 Химическое оксидирование прм. ГОСТ 13438
  3. УГ9311.0200.085 - Гайка натяжения тарельчатых пружин
  1. УГ9311.0200.081 - Втулка
  1. УГ9311.0200.057 - Колесо зубчатое подвижное (входит в состав планетарного редуктора)
  2. Подшипник - 2007113 ТУ37.006.162-89
  3. Подшипник - 1000905 ГОСТ 8338 (3 шт)
  4. УГ9311.0200.053 - Блок зубчатых колес (сателлит), (входит в состав планетарного редуктора) - ремкомплект
  1. УГ9311.0200.046 - Муфта поворотная поводковая (Проставок)
  2. УГ9311.0200.013 - Вал
  3. Електродвигун - (М) АИСХ7IВ4У3
  4. Подшипник - 80203 ГОСТ 7242
  5. УГ9324.0200.000-06 - (S1) Датчик
  6. УГ9311.0208.000 - Муфта вала датчика
  1. УГ9311.0208.000 - Валик поворотный
  2. УГ9311.0270.000 - Гильза - корпус приводу головки
  1. УГ9311.0207.000 - Водило планетарного редуктора
  2. Подшипник - 1000911 ГОСТ 8338
  3. УГ9311.0200.055 - Колесо зубчатое нерухоме (входит в состав планетарного редуктора)
  4. Подшипник - 1000916 ГОСТ 8338
  5. Подшипник - 203 ГОСТ 8338 (2 шт)
  6. УГ9311.0200.012 - Гайка
  1. пакет тарельчатых пружин (18шт.)

Cклад планетарного редуктора к УГ9326 і УГ9321

  1. УГ9311.0200.057 - Колесо зубчатое подвижное
  1. УГ9311.0200.053 - Блок зубчатых колес (сателлит) - ремкомплект
  1. УГ9311.0207.000 - Водило планетарного редуктора (ексцентрик)
  1. УГ9311.0200.055 - Колесо зубчатое нерухоме внутреннего зацепления

Опис конструкції головки

Конструкція головки показана на рис.2. Рух от електродвигуна 27, встроенного в гильзу 33 корпуса 34, посредством (поворотной) поводковой муфты 25, выполненной на торце вала ротора 26 і водила 35 планетарного редуктора, сообщается блоку сателлитов 21. Один из них сопрягается з нерухомим зубчатым колесом внутреннего зацепления 37, а другой - з подвижным зубчатым колесом 18. На его ступице выполнен зубчатый венец, на который насажены кулачок керування индексацией 4 і полумуфта 3. Радиальной опорой служит гайка 40 підшипники 38 і 19.

Полумуфта 16, закрепленная на корпусе 22, сопрягается з полумуфтой 3 пятами 12 і шайбами сферическими 11. В ступице зубчатого колеса 18 расположен пакет тарельчатых пружин 43, шайбы 7 і 8, насаженные на втулку 15. Натяжение тарельчатых пружин 43 усилием 1600 кг производится гайкой 9, на которую навинчена гайка 10, позволяющая установить выход корпуса 22 требуемой величины. Зачеканка гайки 9 в паз втулки 15, болт 5, установленный в один из пазов гайки 10, позволяют сохранить постоянство произведенной регулировки вузла предварительного напряжения. К корпусу 22 прикреплены инструментальный диск 1 і фиксирующая полумуфта 42.

Вторая полумуфта 41 закреплена на корпусе головки. На торце гильзы 33 установлен датчик 29 углового положения инструментального диска, выполненный на герметичных магнитоуправляемых контактах (герконах) і соединенный з фланцем 2 корпуса 22 посредством валика 32 і муфты 30. Датчик защищен кожухом.

В нише корпуса помещаются набор клеммных зажимов. RC - цепочки двигуна і микропереключатель 24 контроля сцепления полумуфт 41 і 42.

Увімкнення подачі СОЖ на инструментальный диск осуществляется при нажатии диска I на толкатель клапана 13, встроенного в коллектор 14, прикрепленный к корпусу головки.

Принцип роботи головки

Работа головки осуществляется по циклу. Исходное положение показано на рис.2. Зафиксированное положение: снятие зусилля і расцепление плоскозубчатых муфт, поворот инструментального диска до заданной позиции, предварительная фиксация, сцепление муфт і сжатие их з необходимым усилием.

При пуске двигуна начинается вращение подвижного зубчатого колеса 18, кулачка 4, полумуфты 3, которая поворачивает зажатые пяты 12. В результате етого руху происходит расцепление зажатых полумуфт 41 і 42 под действием пружины 17. К окончанию расцепления приурочено соприкосновение уступа кулачка 4 з упором 47 і выход фиксатора 46 из пазов фланца 44. При дальнейшем вращении приводу происходит сцепление приводу і корпуса.

Когда инструментальный диск достигает необходимого углового положения, по команде датчика 29 осуществляется реверсирование двигатели соответственно, изменение направления обертання деталей головки. При етом фиксатор 46 западает в паз фланца 44, кулачок освобождается, і происходит расцепление приводу і корпуса. Одновременно осуществляется сближение пят, расположенных на полумуфте 3 і полумуфте 16, а также осуществляется сцепление фиксирующих полумуфт 41 і 42 і создание на них необходимого натяга.

В кінці цикла зажиму ротор електродвигуна приводу перестает вращаться. Через статор течет максимальный ток, приводящий к срабатыванию токового реле, который вместе з предварительным сигналом от микровыключателя 24 управляет отключением електродвигуна привода. Токовое реле з вставкой по току 3 А должно быть предусмотрено в електросхеме верстата.

Основні регулировки головки

Поворот шпинделя должен начинаться після полного выхода полумуфты 42 из зацепления з полумуфтой 41 корпуса 34 з образованием зазору между ними 0,5 ± 0,2 мм. Эта величина устанавливается гайкой 10.

При сборке приводу необходимо пакет тарельчатых пружин сжать предварительно до 1600 кг. Сборку головки производить в положении зафиксированных полумуфт 41 і 42. Кулачок 4 довести до упора 47 вращением ротора вручную против часовий стрелки за шлицевой паз ротора. Установка кулачка показана на рис.2. Шарнирную полумуфту 3 установить на выходной вал редуктора, совместив технологические отверстия в полумуфте 3 і кулачке 4. Расфиксировать полумуфты. Расфиксация производится вращением ротора в направлении часовий стрелки, при етом гайка 10 должна быть наживлена. Произвести сжатие гайкой 10 полумуфт 41 і 42 вне позиций до соприкосновения, після чего произвести отжим етой же гайкой на величину одного деления шести лунок на гайке 9, при етом обеспечивается минимальный зазор между полумуфтами. Занятое положение зафиксировать болтом 5 і гайкой 6. Проверить легкость обертання редуктора і шпинделя головки. Установить і зажать в первой позиции диск 1. В случае большого зусилля, создаваемого тарельчатыми пружинами (большие зусилля двигуна), необходимо отпустить гайку 10 до следующей лунки гайки.

Для правильной фиксации шпинделя необходим его перебег относительно заданной позиции на 3...50. Эта величина устанавливается поворотом фланца 2 или датчиком 29.

Микровыключатель 24 должен срабатывать за 0,5...1,0 мм до кінця ходу корпуса 22. Это достигается переміщенням планки 23 микровыключателя.





УГ9326 Кінематична схема универсальной автоматичною головки

Кінематична схема универсальной автоматичною головки УГ9326

Кінематична схема револьверної головки уг9326

На головках инструмент для центровых работ устанавливается з помощью вспомогательных втулок в расточки инструментального диска.

Подача СОЖ осуществляется в рабочей позиции через вспомогательные втулки.

Основні параметри елементів кинематики

  1. Полумуфта верхняя: число зубъев - 8, Модуль - 2,25
  2. Колесо зубчатое: число зубъев - 24, Модуль - 2,25
  3. Колесо зубчатое: число зубъев - 30, Модуль - 2,25
  4. Блок колес зубчатых: число зубъев - 27, Модуль - 2,25
  5. Колесо зубчатое: число зубъев - 33, Модуль - 2,25
  6. Блок колес зубчатых: число зубъев - 30, Модуль - 2,25
  7. Електродвигун 7

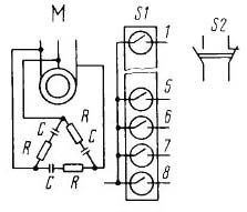
УГ9326 Електрична схема универсальной автоматичною головки

Електрична схема универсальной автоматичною головки УГ9326

Електрична схема револьверної головки уг9326

В головке установлено следующее електрообладнання:

Датчик S1 состоит из литого алюминиевого корпуса, контактного пристроя, флажка з постоянным магнитом, вала, установленного в подшипник ковзання і крышек.

В качестве коммутирующих контактов в датчике применены герконы. При вращении вала магнит проходит мимо герконов, расположенных в корпусе, приводя к их поочередному срабатыванию і отпусканию, тем самым осуществляется выдача информации о позиции головки в любой момент часу обертання диска. При етом зона срабатывания очередного контакта находится за зоной отпускания предыдущего контакта, т. е. контакты срабатывают без перекрытия.

К двигателю подключен блок R-C цепочек УГ9321.0200.000


УГ9326.0300.000 Инструментальный диск восьмипозиционный револьверної головки

Инструментальный диск восьмипозиционный револьверної головки УГ9326.0300.000

Инструментальный диск револьверної головки уг9326

Диски инструментальные восьмипозиционные предназначены для установки резцедержателей з цилиндрическим хвостовиком ГОСТ 24900 (DIN 69880) диаметром 40 мм.

Диски изготавливаются з припусками в отверстиях под инструмент з диаметрами D4.

Окончательная обработка отверстий D4 в размер 40Н7 производится по месту з установкой на конкретной делительной головке.

Диски инструментальные изготавливаются на ОАО «Барановичский завод станкоприладдя» — производителе универсальной зажимной технологической оснастки, для комплектации металлорежущих верстатів.


УГ9326 инструментальный диск револьверної головки

инструментальный диск револьверної головки УГ9326

Инструментальный диск револьверної головки уг9326


Резцедержатели з цилиндрическим хвостовиком Ø40 для токарных верстатів з ЧПУ

Резцедержатели з цилиндрическим хвостовиком для токарных верстатів з ЧПУ

Резцедержатели з цилиндрическим хвостовиком Ø40 для токарных верстатів з ЧПУ


Резцедержатели з цилиндрическим хвостовиком Ø40 для токарных верстатів з ЧПУ

Резцедержатели з цилиндрическим хвостовиком для токарных верстатів з ЧПУ

Резцедержатели з цилиндрическим хвостовиком Ø40 для токарных верстатів з ЧПУ

Резцедержатели (різцетримка, инструментальный блок) изготавливаются на ОАО «Барановичский завод станкоприладдя» по ТУ РБ 00222918.055-2001 і предназначены для закрепления призматических резцов сечением 25х25 мм і 20х20 - для резцедержателей з хвостовиком Ø40 мм, а так же для закрепления инструмента з цилиндрическими і коническими хвостовиками. По заказу потребителей комплектуются переходными втулками з цилиндрическими или коническими отверстиями. Хвостовик резцедержателя соответствует ГОСТ 24900 і DIN 69880.

291.341.121 резцедержатель з перпендикулярным пазом

291.341.221 резцедержатель з параллельным пазом

291.342.132 резцедержатель для осьового инструмента

291.342.222 резцедержатель для осьового инструмента со смещенной осью






УГ9326 головка револьверна автоматическая восьмипозиционная. Відеоролик.




Технічні характеристики головки УГ9326

Наименование параметра УГ9321 УГ9326 УГ9326-6 УГ8
Основні параметри
Количество позиций 6 8 8 8
Расстояние от базовой поверхности до оси головки, мм 121 121 121 121
Диаметр отверстия в инструментальном диске под резцедержатели по ГОСТ 24900, мм 50H7 40H7 40H7 40H7
Максимальный допустимый крутящий (опрокидывающий) момент от зусилля різання, кНм 2,6 2,8 2,8 2,8
Стабильность индексации головки в радиальном направлении, мкм, не более: 5 5 5 3
Стабильность индексации головки в осевом направлении, мкм, не более: 10 10 10 6
Максимальная масса режущих і вспомогательных инструментов, кг 45 45
Направление обертання Одностор. Одностор. Одностор. Реверс.
Время смены инструмента min/ max, сек
Посадочная поверхность инструментального диска: диаметр, мм Конус 7°7`30" Конус 7°7`30" Конус 7°7`30" Ø50h6
Електроустаткування, привід головки
Напряжение питающей сети, В ~380 50Гц ~380 50Гц ~380 50Гц ~380 50Гц
Напряжение ланцюги керування, В 24 24 24 24
Електродвигун привода, кВт 0,37 0,37 0,37 0,37
Тип датчика ПКГ-6 ПКГ-8 Фото Фото
Выходной сигнал Контакт геркона Контакт геркона кодовый 1-2-4-8 24В кодовый 1-2-4-8 24В
Габарити і масса автоматичною головки
Габаритные розміри основания головки, мм 690 х 400 х 450 520 х 335 х 335 610 х 400 х 450 540 х 430 х 550
Масса автоматичною головки, кг 142 130 140 185

    Список литературы

  1. Головка автоматическая восьмипозиционная УГ9326. Руководство по експлуатации. Станкоимпорт, 1984

  2. Локтева С.Е. Верстати з программным керуванням і промышленные роботы, 1986
  3. Тепинкичиев В.К. Металлорежущие верстати, 1973
  4. Чернов Н.Н. Металлорежущие верстати, 1988








Заказать

Чтобы обрести знание, каждый день что-нибудь добавляй; чтобы обрести мудрость, каждый день от чего-нибудь избавляйся.

Японская мудрость