metalinstryment.com
Довідник по металорізальних верстатів та пресовому обладнанні

Makita MLT100 Циркулярная пила настольная
Схеми, опис, характеристики

Makita MLT100 Пила циркулярная настольная







Поставщиком настольной циркулярной пилы Makita MLT100 является Компания Makita Corporation. Адрес сайта: http://www.makita.biz

Компания Makita была основана в 1915 году господином Масабуро Макита в японском городе Нагоя. В первые годы компания занималась продажей і ремонтом електромоторов і трансформаторов. В 1935 г. компания начала експортировать електромоторы і генераторы в Россию.

Корпорация Makita включает в себя 8 производственных предприятий, из которых два расположены в Европе: в Великобритании і Германии.

Представительство компании Makita в России - Макита, ООО г. Москва уже более 15 лет занимается продажей профессионального електроинструмента в Москве і по всей России. Адрес сайта: http://makita.ru





Верстати, выпускаемые компанией Makita


Makita MLT100 Циркулярная пила настольная. Назначение, область применения

Настольная циркулярная пила (синономы: пила дискова, верстат циркулярный, верстат распиловочный дисковый) моделі Makita MLT100 предназначена для индивидуального использования для обробки древесных заготовок, древесностружечных і древесноволокнистых плит: продольного или поперечного, косого, наклонного і комбинированного пиления заготовок.

Циркулярная пила Макита MLT100 является наиболее дорогостоящей моделью среди дисковых верстатів от японской компании, її стоимость составляет 42 тысячи. Данный верстат применим не только в бытовой сфере, но і на небольшом производстве.

Пила дискова Makita MLT100 выгодно отличается мощным двигателем 1,5 кВт, з числом оборотів холостого ходу 4800 об/мин для выполнения пропилов глубиной до 91 мм.

Не допускается обработка: алюминия і другие цветных металлов, асбоцементных материалов, мягких пластмассовых і резиноподобных материалов. Пила не рассчитана на работу при непрерывном производстве.

Циркулярная пила Makita MLT100 - начальный варіант для оснащения столярной мастерской, і в то же время способна удовлетворить многих профессионалов, которым не требуется обрабатывать большие объемы древесины или массивные заготовки из нее. Сильные стороны моделі – компактность, мобильность, высокая точность при работе з небольшими деталями, перенастраиваемая конструкция.

Компактная невысокая пила легко помещается на верстаке, но може устанавливаться і на пол: в комплект входит набор ног і уголков для сборки открытой подставки.

Верстат MLT100 выполняет косые, комбинированные, прямые і поперечные распила, а также торцевание. Верстат унаследовал от младших моделей систему стабилизации пускового тока, електрический тормоз і 4-ех секционный рабочий стол. Однако конфигурация стола в 2704 несколько изменена — на его правой стороне расположена рукоять для изменения наклона диска, а левая і правая частини є раздвижными, что позволяет обрабатывать крупногабаритные заготовки.

Сам рабочий стол выполнен из литого алюминия, его поверхность отшлифована, что исключает проблемы з переміщенням обрабатываемых заготовок. Канавки под установку транспортиру предусмотрены как слева, так і справа распиловочного диска. Транспортир имеет совмещенную з планкой конструкцию: при выполнении косого распила вы перемещаете транспортир, а прикрепленная к нему планка толкает деталь. Так можно аккуратно і безопасно для оператора выполнить точный распил под требуемым углом.

Технічні особливості конструкції пилы Makita MLT100:

Верстат работает от однофазной сети переменного тока напряжением 220 В частотой 50 Гц.

Верстат може експлуатироваться в нормальных климатических условиях:





Распиловочные верстати аналогичной конструкції, представленные в России


Стандартная комплектация настольной циркулярной пилы Makita MLT100


Makita MLT100 Загальний вигляд настольной циркулярной пилы

Загальний вигляд  настольной циркулярной пилы Makita MLT100

фото настольной циркулярной пилы Makita MLT100. Дивитись у збільшеному масштабі



Загальний вигляд  настольной циркулярной пилы Makita MLT100

фото настольной циркулярной пилы Makita MLT100. Дивитись у збільшеному масштабі



Загальний вигляд  настольной циркулярной пилы Makita MLT100


Загальний вигляд  настольной циркулярной пилы Makita MLT100


Загальний вигляд  настольной циркулярной пилы Makita MLT100

фото настольной циркулярной пилы Makita MLT100. Дивитись у збільшеному масштабі



Загальний вигляд  настольной циркулярной пилы Makita MLT100


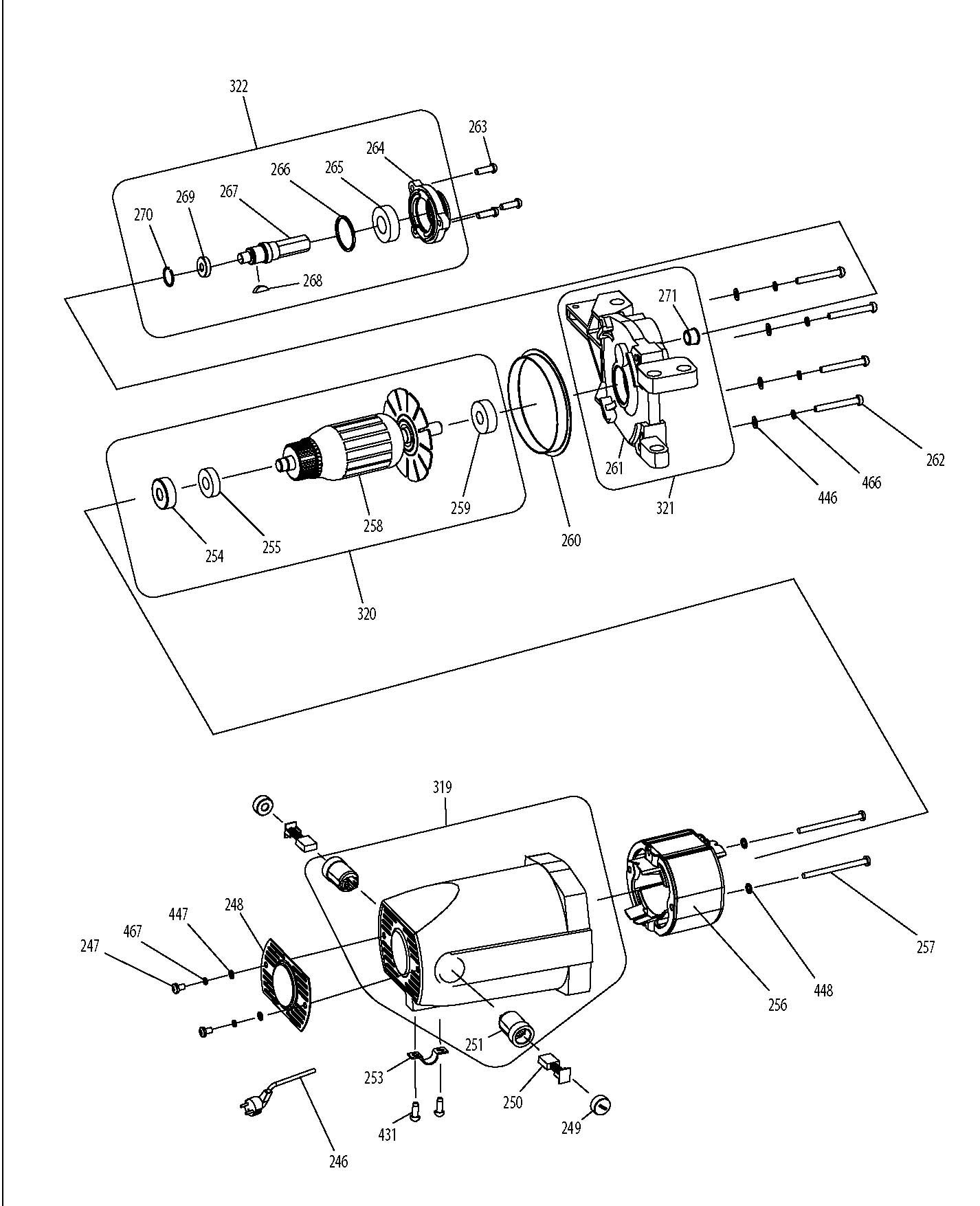
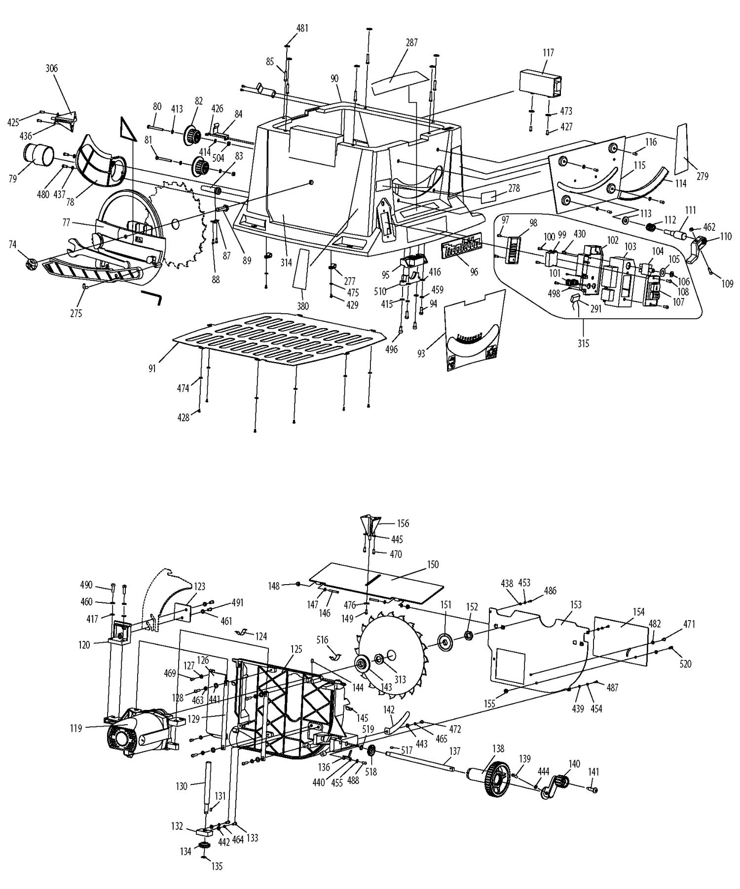
Makita MLT100 Пила циркулярная настольная. Схема і детали сборки

Makita MLT100 Пила циркулярная настольная. Схема і детали сборки

Makita MLT100 Пила циркулярная настольная. Схема і детали сборки. Дивитись у збільшеному масштабі



Makita MLT100 Пила циркулярная настольная. Схема і детали сборки

Makita MLT100 Пила циркулярная настольная. Схема і детали сборки. Дивитись у збільшеному масштабі



Makita MLT100 Пила циркулярная настольная. Схема і детали сборки

Makita MLT100 Пила циркулярная настольная. Схема і детали сборки. Дивитись у збільшеному масштабі



Makita MLT100 Пила циркулярная настольная. Схема і детали сборки

Makita MLT100 Пила циркулярная настольная. Схема і детали сборки. Дивитись у збільшеному масштабі



Makita MLT100 Пила циркулярная настольная. Схема і детали сборки

Makita MLT100 Пила циркулярная настольная. Схема і детали сборки. Дивитись у збільшеному масштабі



Makita MLT100 Пила циркулярная настольная. Схема і детали сборки

Makita MLT100 Пила циркулярная настольная. Схема і детали сборки. Дивитись у збільшеному масштабі





Makita MLT100 Циркулярная пила. Відеоролик





Технічні характеристики циркулярной настольной пилы Makita MLT100

Наименование параметра Makita
2704
Makita
MLT100
Bosch
PTS 10
Bosch
GTS 10 j
Bosch
GTS 10 xc
AEG
TS 250 K
Основні параметри
Частота обертання шпинделя диска на холостом ходу, об/мин 4800 4300 5000 3650 3200 4800
Наружный диаметр пильного диска х посадочный диаметр, мм 260 х 30 260 х 30 254 х 30 254 х 30 254 х 30 254 х 30
Максимальная глубина пиления под углом 90°, мм 93 93 93 79 79 90
Максимальная глубина пиления под углом 45°, мм 64 64 64 62
Угол наклона шпинделя диска, град -0,5..45,5° 0..45° 0..45° -2..47° -2..47° 0..45°
Розміри робочого стола (ДхШ), мм 1045 х 665 620 х 610 955 х 685 642 х 572 759 х 584 1020 х 745
Розміри робочого стола з расширением (ДхШ), мм 1066 х 753 1,155 х 835 1020 х 745
Материал робочого стола Литой алюминий Литой алюминий Литой алюминий Литой алюминий Литой алюминий Литой алюминий
Диаметр патрубка для пылесборника, мм 60 58
Електроустаткування пилы
Род тока питающей сети 220В 50Гц 220В 50Гц 220В 50Гц 220В 50Гц 220В 50Гц 220В 50Гц
Номинальная потребляемая мощность двигуна, кВт 1,65 1,5 1,4 1,8 2,1 1,8
Тип двигуна Щеточный Щеточный Щеточный Щеточный Щеточный Щеточный
Габарит і масса пилы
Габарит упаковки пилы (длина х ширина х высота), мм 726 х 984 х 333
Масса пилы, кг 36 34.8 35 26 35 41,5








Паспорта верстатів