metalinstryment.com
Довідник по металорізальних верстатів та пресовому обладнанні

Bosch PTS-10 Циркулярная пила настольная
Схеми, опис, характеристики

PTS-10 Пила циркулярная настольная







Поставщиком циркулярной пилы PTS-10 является компания Robert Bosch GmbH, Power Tools Division Германия г. Leinfelden-Echterdingen (Лайнфельден-Эхтердинген), которая является дочерним предприятием акционерного общества Robert Bosch GmbH г. Gerlingen (Герлинген).

На территории России продукцию компании ексклюзивно представляет Уполномоченная изготовителем организация: ООО «Роберт Бош» г. Москва. Адрес сайта: http://www.bosch-pt.ru, http://www.bosch-professional.com

Компания Bosch была основана немецким предпринимателем і инженером Робертом Бошем в 1886 году под названием «Мастерская точной механики і електротехники». Первоначальный штат фирмы состоял из одного механика і одного подмастерья, а уставный капитал в 10 000 немецких марок был взят из отцовского наследства.

Первое официальное представительство было открыто в Москве в 1997 г. В августе 2007 года Bosch стала первой иностранной компанией, которая начала производить свои електроинструменты в России. Сегодня на территории России расположены четыре собственных производства Bosch (три завода в Энгельсе і один завод в Самаре).





Верстати, поставляемые ООО «Роберт Бош» г. Москва


Bosch PTS-10 Циркулярная пила настольная. Назначение, область применения

Настольная циркулярная пила (синономы: пила дискова, верстат циркулярный, верстат распиловочный дисковый) PTS-10 предназначена для индивидуального использования для обробки древесины, древесностружечных і древесноволокнистых плит: продольного или поперечного, косого, наклонного і комбинированного пиления заготовок.

Пила дискова PTS-10 выгодно отличается мощным двигателем 1,4 кВт, з числом оборотів холостого ходу 5000 об/мин для выполнения пропилов глубиной до 75 мм.

Не допускается обработка: алюминия і другие цветных металлов, асбоцементных материалов, мягких пластмассовых і резиноподобных материалов. Пила PTS-10 не рассчитана на работу при непрерывном производстве.

Циркулярная пила PTS-10 - начальный варіант для оснащения столярной мастерской, і в то же время способна удовлетворить многих профессионалов, которым не требуется обрабатывать большие объемы древесины или массивные заготовки из нее. Сильные стороны моделі – компактность, мобильность, высокая точность при работе з небольшими деталями, перенастраиваемая конструкция.

Компактная невысокая пила PTS-10 легко помещается на верстаке, но може устанавливаться і на пол: в комплект входит набор ног і уголков для сборки открытой подставки.

Технічні особливості конструкції пилы PTS-10:

Верстат круглопильный PTS-10 работает от однофазной сети переменного тока напряжением 220 В частотой 50 Гц.

Верстат PTS-10 може експлуатироваться в нормальных климатических условиях:





Стандартная комплектация настольной циркулярной пилы PTS-10

Стандартная комплектация настольной циркулярной пилы PTS-10

Стандартная комплектация настольной циркулярной пилы PTS-10



Распиловочные верстати аналогичной конструкції, представленные в России





PTS-10 Загальний вигляд настольной циркулярной пилы

Загальний вигляд  настольной циркулярной пилы PTS-10

Загальний вигляд настольной циркулярной пилы PTS-10

фото настольной циркулярной пилы PTS-10. Дивитись у збільшеному масштабі



Загальний вигляд  настольной циркулярной пилы PTS-10

Загальний вигляд настольной циркулярной пилы PTS-10

фото настольной циркулярной пилы PTS-10. Дивитись у збільшеному масштабі



Загальний вигляд  настольной циркулярной пилы PTS-10

Вид изнутри настольной циркулярной пилы PTS-10

фото настольной циркулярной пилы PTS-10. Дивитись у збільшеному масштабі



Загальний вигляд  настольной циркулярной пилы PTS-10

Загальний вигляд настольной циркулярной пилы PTS-10


Розташування складових частин циркулярной пилы PTS-10

Розташування складових частин циркулярной пилы PTS-10

Розташування складових частин циркулярной пилы PTS-10


Розташування складових частин циркулярной пилы PTS-10

Розташування складових частин циркулярной пилы PTS-10


Розташування складових частин циркулярной пилы PTS-10

Розташування складових частин циркулярной пилы PTS-10


Список складових частин циркулярной пилы PTS-10

  1. Передвижные салазки (каретка) для торцевания или раскроя
  2. Удлинитель стола
  3. Плита-вкладыш
  4. Распорный клин
  5. Отсасывающий патрубок на защитном кожухе
  6. Защитный кожух
  7. Наклейка для обозначения линии распила
  8. Параллельный упор
  9. Расширитель стола
  10. Параллельный упор расширителя стола 9
  11. Стол пилы
  12. Маховичок для поднятия і опускания пильного диска
  13. Шкала для регулювання расстояния между пильным диском і параллельным упором 8
  14. Кнопка аварийного отключения
  15. Направляющий паз параллельного упора 8
  16. Угловой упор
  17. Кольцевой гаечный ключ (23 мм; 13 мм)
  18. Дополнительный параллельный упор (алюминий)
  19. Крепежный винт гнезда для хранения пильного диска
  20. Отверстия для крепления
  21. Направляющий шлиц для углового упора
  22. Толкатель
  23. Ручка фиксации удлинителя стола 2
  24. Арретирующий рычаг передвижных салазок
  25. Ручка фиксации параллельного упора 10
  26. Ручка фиксации расширителя стола 9
  27. Гнездо для хранения дополнительного параллельного упора 18
  28. Гнездо для хранения параллельного упора 8
  29. Ручка фиксации для налаштування вертикального угла распила
  30. Защитная крышка выключателя
  31. Скоба для крепления кабеля
  32. Выброс опилок
  33. Гнездо для хранения углового упора
  34. Всасывающий шланг
  35. Нижний щиток
  36. Винт з шестигранной головкой для крепления распорного клина 4
  37. Выемки под плиту-вкладыш
  38. Пильный диск
  39. Крепление для распорного клина
  40. Набор для крепления «Распорный клин»
  41. Набор для крепления «Удлинитель стола»
  42. Резиновый амортизатор
  43. Направляющая рейка углового упора
  44. Ручка фиксирования на угловом упоре
  45. Набор для крепления «Дополнительный параллельный упор/угловой упор»
  46. Затискна ручка параллельного упора
  47. Профильная рейка
  48. Ручки фиксации дополнительного параллельного упора (алюминий)
  49. Дополнительный параллельный упор (пластмасса)
  50. Рычаг фиксации шпинделя
  51. Затискна гайка
  52. Опорный/прижимой фланец
  53. Шпиндель робочого инструмента
  54. Ручка фиксации угла распила (горизонтального)
  55. Указатель угла на угловом упоре
  56. Указатель угла вертикального распила
  57. Шкала угла вертикального распила
  58. Лупа
  59. Шкала для регулювання расстояния между пильным диском і параллельным упором 10
  60. Кнопка увімкнення
  61. Юстировочный винт для налаштування стандартного вертикального угла распила 90°
  62. Юстировочный винт для налаштування стандартного вертикального угла распила 45°
  63. Винт указателя угла распила (вертикального)
  64. Гайка для налаштування силы зажиму параллельного упора 8
  65. Юстировочные винты люфта передвижных салазок
  66. Юстировочные винты плиты-вкладыша
  67. Углубления для захвата
  68. Набор для крепления «Подставка»*
  69. Подставка*

*Изображенные или описанные принадлежности не входят в стандартный объем поставки.





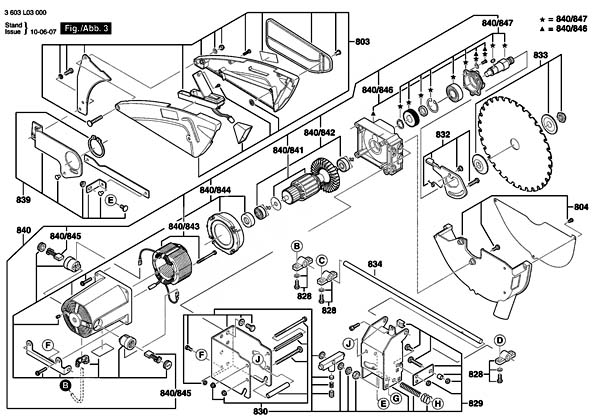
PTS-10 Пила циркулярная настольная. Схема і детали сборки

PTS-10 Пила циркулярная настольная. Схема і детали сборки

Схема і детали сборки циркулярной пилы PTS-10

PTS-10 Пила циркулярная настольная. Схема і детали сборки. Дивитись у збільшеному масштабі



PTS-10 Пила циркулярная настольная. Схема і детали сборки

Схема і детали сборки циркулярной пилы PTS-10

PTS-10 Пила циркулярная настольная. Схема і детали сборки. Дивитись у збільшеному масштабі



PTS-10 Пила циркулярная настольная. Схема і детали сборки

Схема і детали сборки циркулярной пилы PTS-10

PTS-10 Пила циркулярная настольная. Схема і детали сборки. Дивитись у збільшеному масштабі



PTS-10 Пила циркулярная настольная. Схема і детали сборки

Схема і детали сборки циркулярной пилы PTS-10

PTS-10 Пила циркулярная настольная. Схема і детали сборки. Дивитись у збільшеному масштабі



PTS-10 Пила циркулярная настольная. Схема і детали сборки

Схема і детали сборки циркулярной пилы PTS-10

PTS-10 Пила циркулярная настольная. Схема і детали сборки. Дивитись у збільшеному масштабі







PTS-10 Циркулярная пила. Відеоролик




Технічні характеристики циркулярной настольной пилы PTS-10

Наименование параметра Makita
2704
Makita
MLT100
Bosch
PTS 10
Bosch
GTS 10 j
Bosch
GTS 10 xc
AEG
TS 250 K
Основні параметри
Частота обертання шпинделя диска на холостом ходу, об/мин 4800 4300 5000 3650 3200 4800
Наружный диаметр пильного диска х посадочный диаметр, мм 260 х 30 260 х 30 254 х 30 254 х 30 254 х 30 254 х 30
Максимальная глубина пиления под углом 90°, мм 93 93 93 79 79 90
Максимальная глубина пиления под углом 45°, мм 64 64 64 62
Угол наклона шпинделя диска, град -0,5..45,5° 0..45° 0..45° -2..47° -2..47° 0..45°
Розміри робочого стола (ДхШ), мм 1045 х 665 620 х 610 955 х 685 642 х 572 759 х 584 1020 х 745
Розміри робочого стола з расширением (ДхШ), мм 1066 х 753 1,155 х 835 1020 х 745
Материал робочого стола Литой алюминий Литой алюминий Литой алюминий Литой алюминий Литой алюминий Литой алюминий
Диаметр патрубка для пылесборника, мм 60 58
Електроустаткування пилы
Род тока питающей сети 220В 50Гц 220В 50Гц 220В 50Гц 220В 50Гц 220В 50Гц 220В 50Гц
Номинальная потребляемая мощность двигуна, кВт 1,65 1,5 1,4 1,8 2,1 1,8
Тип двигуна Щеточный Щеточный Щеточный Щеточный Щеточный Щеточный
Габарит і масса пилы
Габарит упаковки пилы (длина х ширина х высота), мм 726 х 984 х 333
Масса пилы, кг 36 34.8 35 26 35 41,5








Паспорта верстатів