metalinstryment.com
Довідник по металорізальних верстатів та пресовому обладнанні

Макита-2012 Верстат деревообрабатывающий рейсмусовый
Схеми, опис, характеристики

Makita 2012 Верстат деревообрабатывающий рейсмусовый




Відомості про виробника рейсмусового верстата Макита-2012

Поставщиком рейсмусового деревообрабатывающего верстата Макита-2012 является Компания Makita Corporation. Адрес сайта: http://www.makita.biz

Компания Makita была основана в 1915 году господином Масабуро Макита в японском городе Нагоя. В первые годы компания занималась продажей і ремонтом електромоторов і трансформаторов. В 1935г. компания начала експортировать електромоторы і генераторы в Россию.

Корпорация Makita включает в себя 8 производственных предприятий, из которых два расположены в Европе: в Великобритании і Германии.

Представительство компании Makita в России - ООО Макита г. Москва уже более 15 лет занимается продажей профессионального електроинструмента в Москве і по всей России. Адрес сайта: http://makita.ru





Верстати, выпускаемые компанией Makita


Макита-2012 Верстат рейсмусовый переносной електрический. Назначение, область применения

Деревообрабатывающий рейсмусовый верстат Макита-2012 предназначен для строгания заготовок из древесины в предварительно заданные розміри. Верстат Makita 2012 предназначен для индивидуальной експлуатации і не рассчитан на работу при непрерывном производстве.

Легкий і компактный рейсмусовый верстат Макита-2012 предназначен для индивидуального использования в столярных мастерских і «на выезде» в условиях стройки. Благодаря коллекторному мотору он весит всего 27 кг, обладая при етом мощностью 1,65 кВт. Двигатели етого типа требовательны к соблюдению температурного режима, поетому Makita 2012 оснащен датчиком перегрева, отключающим питание, когда нужен перерыв на охолодження.

Верстат рейсмусовый Макита-2012NB

Рейсмусовыйверстат Макита-2012NB заменил более раннюю устаревшую модель Макита-2012.

Основні отличие верстата Макита-2012NB от Макита-2012:

Кроме того, верстат Макита-2012NB имеет более жесткую конструкцию силового каркаса і двойную изоляцию електрических ланцюгів.


Обладая високою производительностью, верстат весит 27 кг і остается мобильным: его можно взять на стройку или в одиночку перемещать по мастерской. Предусмотрена установка на пол (открытая подставка входит в стандартную комплектацию) или на верстак. При експлуатации верстата следует учитывать, что точная і безотказная робота возможна только при качественном стружкоудалении, например, з помощью вытяжных установок.

На верстатах не допускается обработка металлов, асбоцементных материалов, камня і подобных материалов, мягких пластмассовых і резиноподобных материалов.

По качеству строгания верстат не уступает стационарным моделям начального уровня, напротив, высокая скорость обертання ножевого вала делает его в ряде случаев более предпочтительным. Есть все стандартные системы, характерные і для стационарных аналогов: механізм автоподачі, подающий і разгрузочный столы з роликами (для удобства транспортировки і хранения они сделаны складными), ролики сверху корпуса для обратной подачі заготовки. Регулировку высоты ножевого вала, в зависимости от размера детали, производят единственной вращающейся рукояткой.

Накопленный опыт експлуатации Макита-2012 показал, что при соблюдении всего нескольких простых правил верстат очень долговечен і надежен. Требуется лишь избегать роботи без подключения к пылеотсосу і вовремя прочищать все механізмы от стружки.

Верстат работает от однофазной сети переменного тока напряжением 220 В частотой 50 Гц.

Верстат може експлуатироваться в нормальных климатических условиях:


Комплект поставки рейсмусового верстата Макита-2012NB

Дополнительные принадлежности рейсмусового верстата Макита-2012NB





Макита-2012NB Загальний вигляд рейсмусового верстата

Фото рейсмуса Макита 2012

Фото рейсмуса Макита-2012NB

Макита 2012 фото верстата рейсмусового. Дивитись у збільшеному масштабі



Фото вигляд рейсмуса Макита 2012

Фото рейсмуса Макита-2012NB

Макита 2012 фото верстата рейсмусового. Дивитись у збільшеному масштабі



Макита-2012NB Строгальный узел рейсмусового верстата

Вид на строгальный узел рейсмусового деревообрабатывающего верстата Макита 2012NB

Вид на строгальный узел рейсмусового деревообрабатывающего верстата Макита 2012NB

Вид на строгальный узел рейсмусового деревообрабатывающего верстата Макита 2012NB

Строгальный узел рейсмусового верстата Макита-2012NB


Основні конструктивные особливості рейсмуса 2012NB

Основні конструктивные особливості рейсмуса 2012NB

Основні конструктивные особливості рейсмуса Макита-2012NB

Основні конструктивные особливості рейсмуса 2012NB. Дивитись у збільшеному масштабі







Монтаж натяжителя ланцюги приводу прижимных валов верстата Макита-2012

Монтаж натяжителя ланцюги приводу прижимных валов верстата Макита-2012

Монтаж натяжителя ланцюги приводу прижимных валов верстата Макита-2012

  1. Установите ланцюг на звездочки
  2. Временно закрепите торсионную пружину 9 винтом, предварительно подтянув её короткую часть за ребро
  3. Удерживая длинную сторону пружины 9 щипцами, подожмите ею ланцюг
  4. Окончательно затяните винт торсионной пружины 9
  5. Затяните торцевым ключом болты з шестигранными головками, которые крепят звёздочки

Снятие моторного модуля з рейсмуса Макита 2012

Снятие моторного модуля з рейсмуса Макита 2012

Снятие моторного модуля з рейсмуса Макита 2012

  1. Поворотом ручки регулировки глубины поднимите главную раму в самую высокую точку
  2. Снимите боковую крышку, ланцюг і клиновидный ремень
  3. Моторный отсек крепится к главной раме 4 гвинтами. Два самонарезающих гвинта 5 х 30 расположены со стороны V ролика. Два самонарезающих стяжных гвинта 4 х 25 расположены со стороны выключателя. Для роботи з гвинтами потребуется короткая отвёртка. Обратите внимание. Эти винты должны попасть при сборке в те же самые отверстия.
  4. Вращая ручку регулировки глубины опустите главную раму в самую низкую точку і снимите моторный отсек.
  5. Открутите саморезы і снимите сначала крышку блока керування (самонарезающий винт для пластика 4 х 18 штуки), а затем і сам блок керування (самонарезающий стяжной винт для алюминия СТ 4 Х 12 2 штуки). Обратите внимание. Эти винты должны попасть при сборке в те же самые отверстия.




Установка моторного модуля рейсмуса Макита 2012

Установка моторного модуля рейсмуса Макита 2012

Установка моторного модуля рейсмуса Макита 2012

  1. Моторный модуль (состоящий из корпуса двигуна, редуктора і крышки редуктора) должен быть установлен так, чтобы его нижняя поверхность была строго параллельна основанию главной рамы.
  2. При сборке не забудьте установить на ведущий вал плоскую шайбу 14 (смотри рисунок 4).

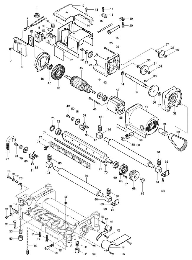
Макита 2012 Схема сборки рейсмусового верстата

Схема сборки рейсмуса Макита 2012

Схема сборки рейсмусового верстата Макита 2012

Схема сборки рейсмусового верстата Макита-2012. Дивитись у збільшеному масштабі



Схема сборки рейсмуса Макита 2012

Схема сборки рейсмусового верстата Макита 2012


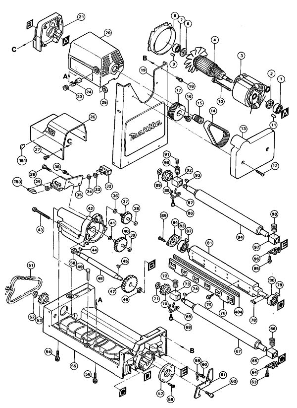
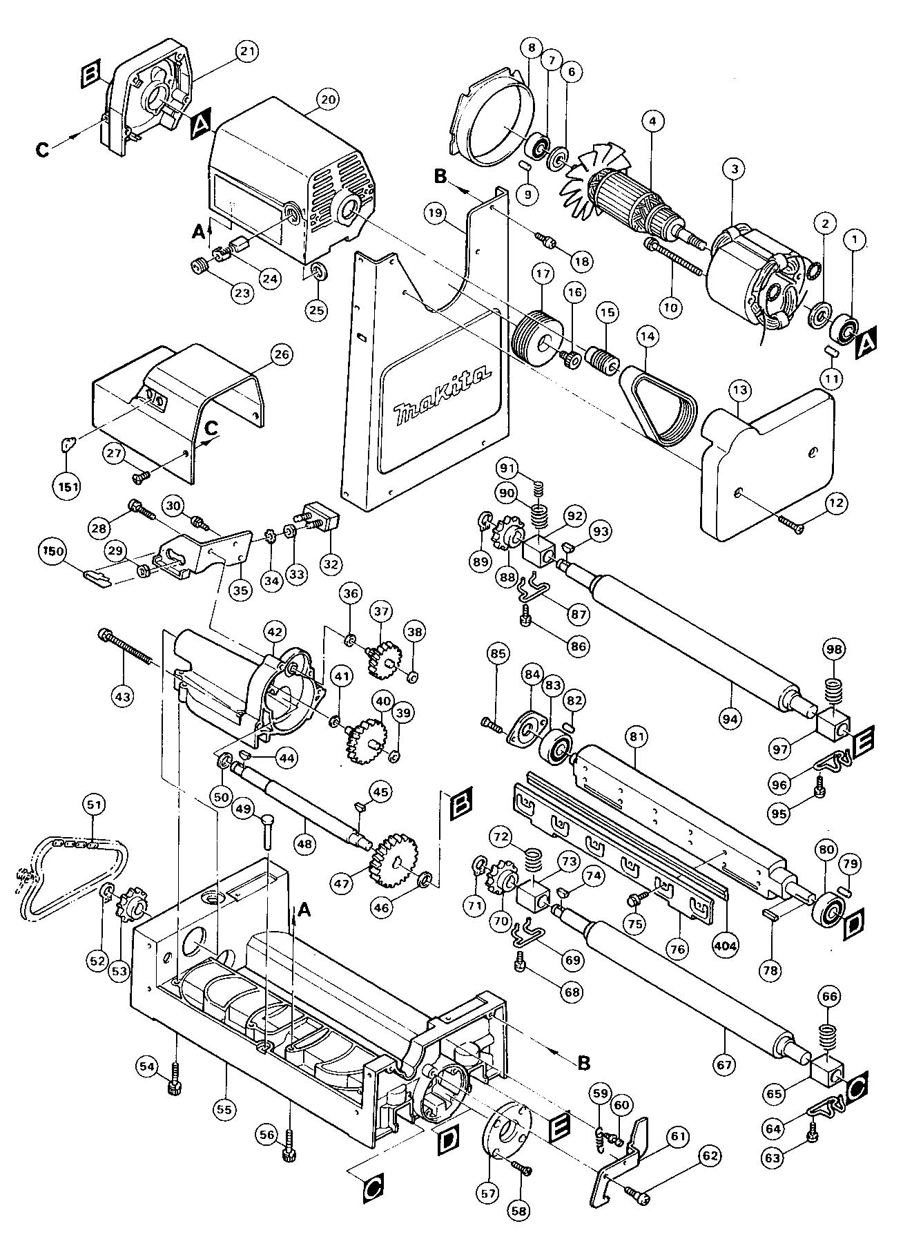
Макита-2012NB Схема сборки рейсмусового верстата

Схема сборки рейсмуса Макита-2012NB

Схема сборки рейсмусового верстата Макита 2012


Схема сборки рейсмуса Макита-2012NB

Схема сборки рейсмусового верстата Макита 2012





Пояснения к рисункам верстата Макита-2012NB





Макита-2012NB Верстат деревообрабатывающий рейсмусовый. Відеоролик












Технічні характеристики рейсмусового верстата Макита-2012NB

Наименование параметра JWP-12 Макита-2012NB
Строгание в размер - рейсмус. Основні параметри
Максимальная ширина строгания, мм 318 304
Диапазон толщины обрабатываемых заготовок, мм 6..153 3..155
Скорость механической подачі заготовки, м/мин 7 8,5
Минимальная длина обрабатываемой заготовки, мм 250
Максимальная глубина строгания при ширине строгания 3..150 мм, мм 2,5 3,0
Максимальная глубина строгания при ширине строгания 150..240 мм, мм 1,5
Максимальная глубина строгания при ширине строгания 240..304 мм, мм 1,0
Частота обертання строгального вала (на холостом ходу), об/мин. 9000 8500
Количество строгальных ножей на строгальном валу 2 2
Диаметр строгального вала, мм 48
Размер ножа: Длина, ширина, толщина, мм 319 х 18 х 3
Длина рейсмусового стола (с удлинителями), мм 690 771
Електроустаткування верстата
Род тока питающей сети 220В 50Гц 220В 50Гц
Количество електродвигателей на станке, шт 1 1
Електродвигун - номинальная мощность, кВт 1,8 1,65
Рабочий ток, А 8 8
Тип електродвигуна Коллекторный Коллекторный
Плавкий предохранитель, А 16
Соединительный провод 3 x 1мм² 3 x 1мм²
Габарит і масса верстата
Габарит верстата (длина х ширина х высота), мм 580 х 560 х 463 483 х 771 х 401
Масса верстата, кг 27 27