metalinstryment.com
Довідник по металорізальних верстатів та пресовому обладнанні

КД2124 Пресс однокривошипный простого дії открытый ненаклоняемый
схеми, опис, характеристики

Фото пресса однокривошипного простого дії открытого ненаклоняемого КД2124



Прессы механические, прессы гідравлические, верстати поперечно-строгальные

Відомості про виробника однокривошипного пресса КД2124

Разработчик однокривошипного пресса КД2124 — Азовское специальное конструкторское бюро кузнечно-прессового оборудования і автоматических линий, СКБ Ко.

Пресс КД2124 производился на заводах:

В настоящее время пресс КД2124 производят:





Машины, выпускаемые Сальским заводом кузнечно-прессового оборудования


КД2124 Пресс однокривошипный простого дії открытый ненаклоняемый. Назначение, область применения

Пресс однокривошипный простого дії открытый ненаклоняемый двостоєчний КД2124 предназначен для изготовления деталей операциями холодной листовой штамповки: гибкой, вырубкой, пробивкой, неглубокой вытяжкой і т.д., в том числе в составе автоматизированных комплексов.

Механические прессы КД2124 применяются на предприятиях различных отраслей промышленности, в цехах і на участках холодной листовой штамповки. Находят широкое применение при любом типе производства: мелкосерийном, серийном, массовом.

Прессы КД2124 предназначены для роботи как на одиночных, так і на непрерывных ходух при оснащении их автоматическими подачами (роликовыми, валковыми, шиберными і др.).

Принцип роботи і особливості конструкції верстата

Расчет усилий, необходимых для выполнения холодноштамповочных операций, рекомендуется производить, руководствуясь приведенной в паспорте пресса номограммой "усилие - ход" і справочниками по холодной листовой штамповке.

Величину допускаемых усилий на ползуне, в зависимости от угла поворота кривошипа, следует выбирать из графика допускаемых усилий на ползуне, помещенного в паспорте пресса.

Розміри штампуемого вироби на прессе определяются размерами штампового простору, величиной ходу ползуна і допускаемыми зусиллями на ползуне.

Прессы оборудованные автоматическими подачами могут использоваться в автоматических і поточных лініях.

Пресс КД2124 состоит из следующих основних вузлів:

Станина пресса литая чугунная коробчатой формы, воспринимает все зусилля, возникающие при штамповке.

Ползун, изготовленный из высокопрочного чугуна, коробчатой формы, з призматическими двусторонними направляющими. Левая направляющая регулируемая. Ползун снабжен предохранителем от перегрузки і клиновым пристрійм для выведения пресса из распора. Величина ходу ползуна регулируемая. В механізм регулировки введено кулачковое зацепление для сокращения часу на переналадку. Для устранения влияния массы ползуна і верхней половины штампа на работу прессов, а также для предотобертання произвольного опускания ползуна в аварийных ситуациях предусмотрены пневматические уравновешиватели.

Межштамповое пространство регулируется.

Прессы оснащены пневмосдувателем, возможна установка пневмоподушки. Удаление изделий из штампа осуществляется на провал і в просвет между стойками прессов.

Привід ползуна — от електродвигуна через клиноременную передачу, маховик з вмонтированной в него муфтой-тормозом, і ексцентриковый вал.

Муфта-тормоз — жесткосблокированная, многодискова, фрикционная, з пневматическим включением; вмонтирована в маховик.

Електросхема блока керування выполнена бесконтактной і сдублированной. Предусмотрены контроль величины тормозного пути і керування системой змазки.

Электроблокировка і ограждения обеспечивают надежную работу і безопасное обслуговування прессов.

Прессы однокривошипные открытые простого дії усилием 10-63 тс выполнены по следующим ГОСТам

Для приводу рабочих органів пресса используется:


Однокривошипный пресс простого дії. Загальні відомості

Прессы кривошипные простого дії

Кінематична схема кривошипного пресса:

  1. Ползун
  2. Тормоз
  3. Маховик
  4. Клиноремённая передача
  5. Електродвигун
  6. Передавальний вал
  7. Зубчатая передача
  8. Муфта
  9. Кривошипный вал
  10. Шатун
  11. Плита для крепления матрицы штампа

Кривошипный пресс - машина з кривошипно-шатунным механізмом, предназначенная для штамповки различных деталей.

Рабочей частью (инструментом) пресса является штамп, неподвижную часть которого крепят к столу, подвижную — к ползуну пресса. Ползун перемещается кривошипно-шатунным механізмом. За один оборот кривошипа шатун совершает полный ход, во время которого при движении ползуна вперёд происходит штамповка.

Усилие пресса создаётся за счёт крутящего момента, передаваемого кривошипному валу електроприводом. Привід состоит из електродвигуна, маховика, муфты увімкнення, тормоза і понижающей зубчатой передачи, от которой вращение передаётся кривошипному валу. Електродвигун вращает маховик, за счёт силы инерции которого на кривошипном валу возникает крутящий момент. Пресс може работать в режиме одиночных ходов, т. е. з вимкненням муфты після каждого полного ходу, или в автоматическом режиме, когда муфта включена постоянно.

Важнейшие характеристики пресса, в определяющие его технологические возможности:

Кривошипные прессы различных конструкций используют для объёмной і листовой штамповки.

По конструкції прессы имеют три основних исполнения:

Прессы наклоняемые позволяют использовать наклон станины для съема штампуемых изделий или удаления отходов под их собственным весом в просвет между стойками пресса.

Прессы з передвижным столом і рогом позволяют производить штамповку деталей, имеющих увеличенный размер по высоте, а также применять штампы различной высоты.

При замене стола рогом пресс може быть использован для обробки деталей з замкнутым контуром.

Конструкція наклоняемых і ненаклоняемых прессов з нерухомим столом передбачає возможность установки механізмов автоматичною подачі металла і пневматических подушек, а также встраивать их в автоматизированные поточные линии.


Обозначение кривошипных прессов

Значения первых двух цифр в обозначениях кривошипных прессов:

За двумя первыми цифрами следуют еще две цифры, обозначающие номинальное усилие пресса, а затем буква, которая показывает его модификацию в группе прессов данного вида.


Значения основного параметра (номинальное усилие пресса) в обозначениях прессов:

Таблиця 1. Обозначение основного параметра пресса

Обозн. пресса Усилие пресса, кН Обозн. пресса Усилие пресса, кН Обозн. пресса Усилие пресса, кН Обозн. пресса Усилие пресса, кН
14 25 кН 20 100 кН 30 1000 кН 40 10000 кН
15 31,5 кН 21 125 кН 31 1250 кН 41 12500 кН
16 40 кН 22 160 кН 32 1600 кН 42 16000 кН
18 63 кН 23 200 кН 33 2000 кН 43 20000 кН
24 250 кН 34 2500 кН 44 25000 кН
25 315 кН 35 3150 кН 45 31500 кН
26 400 кН 36 4000 кН 46 40000 кН
28 630 кН 38 6300 кН 48 63000 кН

Пример обозначения механических прессов:





Габаритные розміри робочого простору пресса КД2124

КД2124 Габаритные розміри робочого простору однокривошипного пресса КД2124 открытого ненаклоняемого

Габаритные розміри робочого простору пресса КД2124


Розміри столов однокривошипного пресса КД2124 простого дії открытого ненаклоняемого

Розміри столов однокривошипного пресса КД2124 открытого ненаклоняемого

Розміри столов однокривошипного пресса КД2124


Загальний вигляд однокривошипного пресса КД2124

КД2124 Загальний вигляд  кривошипного открытого ненаклоняемого пресса

Фото однокривошипного пресса КД2124


КД2124 Загальний вигляд  кривошипного открытого ненаклоняемого пресса

Фото однокривошипного пресса КД2124


КД2124 Загальний вигляд  кривошипного открытого ненаклоняемого пресса

Фото однокривошипного пресса КД2124


КД2124 Загальний вигляд  кривошипного открытого ненаклоняемого пресса

Фото однокривошипного пресса КД2124


Розташування складових частин однокривошипного пресса КД2124

КД2124 Розташування складових частин однокривошипного ненаклоняемого пресса КД2124

Розташування складових частин пресса КД2124

Розташування складових частин однокривошипного пресса КД2124. Дивитись у збільшеному масштабі



Список складових частин однокривошипного пресса КД2124

  1. Механізм наклона - КД2324-12-001
  2. Ограждение приводу - КД2324-71И-001
  3. Пристрій "Муфта-тормоз" - КД2324-26Е-001
  4. Станина - КД2324-11И-001, КД2124-11И-001
  5. Привід - КД2324-21И-001
  6. Воздухопровод - КД2324-41И-001
  7. Ограждение рабочей зоны - КД2324-73И-001
  8. Електроустаткування - КД2324-91Е-001
  9. Уравновешиватель ползуна - КД2324-34-001
  10. Вал ексцентриковый - КД2324-23Е-001
  11. Ограждение - КД2324-72-001
  12. Ползун - КД2324-31И-001
  13. Маслопровод - КД2324-82-001

Розташування органів керування однокривошипным прессом КД2124

КД2124 Органы керування однокривошипным прессом

Розташування органів керування прессом КД2124

Розташування органів керування однокривошипным прессом КД2124. Дивитись у збільшеному масштабі



Список органів керування однокривошипным прессом КД2124

  1. Педаль
  2. Кнопка "Ход ползуна" (двурукое включение)
  3. Кнопка "Стоп автороботи"
  4. Кнопка "Загальний стоп"
  5. Выключатель местного освещения
  6. Световая сигналізація
  7. Кнопка "Смазочный насос"
  8. Световая сигналізація
  9. Счетчик числа ходов
  10. Переключатель режимов роботи
  11. Вводные выключатель
  12. Замок ланцюги керування
  13. Кнопка "Пуск верстата"




Кінематична схема однокривошипного пресса КД2124

КД2124 Кінематична схема однокривошипного открытого ненаклоняемого пресса

Кінематична схема однокривошипного пресса КД2124

  1. Електродвигун 4АС
  2. Шкив привода
  3. Маховик привода
  4. Муфта-тормоз
  5. Винт механізма наклона
  6. Планка выталкивателя
  7. Ползун
  8. Винт регулировочный
  9. Вал ексцентриковый
  10. Втулка ексцентриковая
  11. Гайка

Режими роботи однокривошипного пресса КД2124

В зависимости от характера выполняемых работ і от наличия средств механизации в управлении прессом предусмотрены наступні режими роботи:


Одиночный ход

Режим "Одиночный ход" передбачає работу пресса от кнопок двурукого керування і от педали.


Непрерывные ходы

Режим "Непрерывные ходы" передбачає только кнопкове керування. Переключатель режимов в блоке керування бесконтактном БУБ-1A устанавливается в положение "Непрерывные ходы". Подвижный екран "Ограждение рабочей зоны" наклоняемых і ненаклоняемых прессов необходимо опустить в нижнее положение.

Нажатием кнопки "Пуск електродвигуна" на пульті керування включается електродвигатель.

Нажатием кнопок двурукого керування производится увімкнення муфты-тормоза. Если подвижный екран "Ограждение рабочей зоны" не опущен или не опустился в самое нижнее положение, то при нажатии кнопок двурукого керування муфта-тормоз не включится.

При включенной муфте-тормозе ползун пресса совершает ходы автоматически. Срабатывание командоаппарата в кінці каждого ходу ползуна при етом не будет оказывать влияние на работу електросхеми. Відключення муфты-тормоза производится нажатием кнопки "Стоп непрерывных ходов". При етом происходит срабатывание командоаппарата в кінці ходу ползуна.

Кнопку "Стоп непрерывных ходов" необходимо нажимать до тех пор, пока бесконтактные выключатели сработают, муфта-тормоз выключится і ползун остановится.

Режим "Непрерывные ходы" применяется при наличии средств автоматизации, подачі заготовок в штамп і удаления деталей за пределы рабочей зоны, а также при штамповке из полосы з ручной подачей в закрытом штампе, исключающем доступ рук в рабочую зону.


Толчок

Режим "Толчок" передбачає только кнопкове керування. Переключатель режимов в блоке керування бесконтактном БУБ-1A устанавливается в положение "Толчок", а второй переключатель - в положение "Кнопки".

Нажатием кнопки "Пуск електродвигуна" на пульті керування включается електродвигатель. Нажатием кнопок двурукого керування производится увімкнення і відключення муфты-тормоза. Продолжительность включенного состояния муфты-тормоза соответствует часу нажатия кнопок, благодаря чему можно остановить ползун в нужном положении.

Режим "Толчок" разрешается применять только при наладке штампов.


Ручной проворот

Режим "Ручной проворот" передбачає перемещение ползуна при вращении приводу вручную ломиком при включенной муфте-тормозе. При переходе на данный режим необходимо убедиться в полной остановке маховика.

Переключатель режимов на блоке керування бесконтактной БУБ-1A устанавливается в положение "Ручной проворот". При етом происходит увімкнення муфты-тормоза при отключенном електродвигателе,

Режим "Ручной проворот" разрешается применять при наладке прессов. Перемещение ползуна осуществляется при вращении приводу вручную ломиком, установленным в отверстие маховика.

Відключення муфты-тормоза осуществляется поворотом переключателя режимов в любое другое положение.

Способ керування муфтой-тормозом, кнопками или педалью выбирается переключателем на блоке керування бесконтактном БУБ-1А.


Кнопкове двурукое керування

Переключатель устанавливается в положение "Двурукое керування кнопками". Нажатием кнопок двурукого керування на пульті керування производится увімкнення муфты-тормоза на один ход.

В кінці етого ходу бесконтактные выключатели срабатывают. Муфта-тормоз отключается і ползун останавливается в верхней мертвой точке.

Для осуществления післядующего ходу ползуна необходимо отпустить і повторно нажать обе кнопки двурукого керування на пульті керування.


Керування педалью

Переключатель устанавливается в положение "Педаль". В наклоняемых і ненаклоняемых прессах екран "Ограждение рабочей зоны" необходимо опустить в нижнее положение. Нажатием педали производится увімкнення муфты-тормоза. Если подвижный екран "Ограждение рабочей зоны" не опущен или не опустился в самое нижнее положение, то при нажатии на педаль муфта-тормоз не включится. В кінці етого ходу бесконтактные выключатели срабатывают, муфта-тормоз отключается і ползун останавливается в верхней мертвой точке. Для осуществления післядующего ходу ползуна необходимо отпустить і повторно нажать педаль.

В режиме "Одиночный ход" кнопкове двурукое керування применяется при штамповке из штучных заготовок з загрузкой і выгрузкой вручную.

Керування от педали применяется при штамповке из листа полосы или крупногабаритных заготовок, которые в процессе опускания ползуна необходимо удерживать руками при наличии на прессе нерухомого ограждения рабочей зоны, а также при штамповке из штучных заготовок при наличии защитных устройств.


Регулювання

После налагодження і опробования пресса і в процессе его експлуатации возникает необходимость в регулировании окремих складових частин прессов.

Ремни на шкивы клиноременной передачи должны надеваться вручную без применения каких-либо инструментов.

Натяжение ремней при експлуатации пресса необходимо периодически контролировать і регулировать.





Опис окремих вузлів кривошипного пресса КД2124


Уравновешиватель

Уравновешиватель предназначен для устранения влияния веса ползуна і верхней половины штампа на работу пресса і для предотобертання произвольного опускания ползуна при аварийных случаях: обрыве гвинта регулировочного в шатуне или шпилек крышки шатуна.

По конструкції уравновешиватель представляет собой пневматический цилиндр одностороннего дії, установленный на станине.

Шток 3 (рис. 14) соединяется з кронштейном ползуна. Сжатий воздух в пневмоцилиндр 2 поступает из ресивера через отверстие в нижней крышке 4. Поршень I за шток 3 постоянно тянет ползун вверх.


Привід кривошипного пресса КД2124

КД2124 Привід кривошипного пресса КД2124

Привід кривошипного пресса КД2124

Привід пресса осуществляется от електродвигуна 3 через клиноременную передачу 5, маховик 6, муфту-тормоз к ексцентриковому валу.

Електродвигун установлен на качающейся подмоторной плите 4. Вращение електродвигуна против часовий стрелки (если смотреть на торец вала со стороны маховика).

Регулювання натяжения ремней осуществляется при помощи гвинта 2 і гайки I.


Пристрій "Муфта-тормоз" однокривошипного пресса КД2124

Муфта тормоз однокривошипного ненаклоняемого пресса КД2124

Муфта тормоз однокривошипного пресса КД2124

Пристрій "Муфта-тормоз" состоит из нормализованного вузла "муфта-тормоз УВ3138", воздухоподводящей головки 19 і маховика 12, опорами которого є радиальные шарикопідшипники 17, насаженные на втулку 18, которая в свою очередь устанавливается на вал ексцентриковый 22.

Собственно сама муфта-тормоз, жестко сблокированная многодискова фрикционная з пневматическим включением, состоит из следующих частин:

Пристрій "Муфта-тормоз" работает следующим образом: сжатый воздух через воздухоподводящую головку 19, вал ексцентриковый 22 поступает в пневмокамеру 1 і перемещает цилиндр 3 вдоль оси вала ексцентрикового в сторону муфты і зажимает ведущие диски 14 муфты, связанные з постоянно вращающимся маховиком 12 через пальцы 13, обеспечивая передачу крутящего момента через ступицу 21 на вал ексцентриковый 22.

В момент торможения вала ексцентрикового 22 сжатый воздух из пневмокамеры выпускается в атмосферу через воздухоподводящую головку 19, соединительный рукав і клапан трехходовой сдвоенный сблокированный.

При етом цилиндр 3 под воздействием пружин 20 возвращается в сторону тормоза і зажимает тормозной диск 10, сидящий на пальцах 11, связанных со станиной 9. при етом происходит торможение подвижных частин пресса.


Вал ексцентриковый однокривошипного пресса КД2124

Вал ексцентриковый однокривошипного пресса КД2124

Вал ексцентриковый однокривошипного пресса КД2124

Вал ексцентриковый состоит из собственно ексцентрикового вала 5 (рис. 11), ексцентриковой втулки 6, буксы 8 і переходной втулки 9, предназначенной для установки средств механизации на прессе.

Регулювання величины ходу ползуна осуществляется вращением ексцентриковой втулки 6, которая входит в зацепление з валом 5 через зубчатое евольвентное зацепление і выводится из зацепления вращением гайки 7.

При етом, во избежание смещения шатуна, необходимо между шатуном і буксой станины вложить деревянную проставку.

После установки необходимой величины ходу ползуна ексцентриковая втулка 6 вводится в зацепление з ексцентриковым валом 5 і стопорится гвинтами 10, а деревянная проставка удаляется.

Остановка ползуна в верхней мертвой точке після регулировки величины ходу ползуна осуществляется вращением дисков 3. Диски I і 2 предназначены для контроля тормозного пути і для отсчета ходов. Диски заштифтованы между собой і могут проворачиваться вместе після ослабления затяжки болтов 4.


Ползун однокривошипного пресса КД2124

Ползун однокривошипного пресса КД2124

Ползун однокривошипного пресса КД2124

Ползун является рабочим органом, к которому крепится верхняя часть штампа.

Ползун 3 (рис. 12) пресса имеет коробчатую форму з призматическими двухсторонними направляющими.

Ползун крепится к валу ексцентриковому посредством регулировочного гвинта 10 і разъемного шатуна 11, в корпусе і крышке которого установлены бронзовые вкладыши підшипника ковзання, охватывающие ексцентриковую втулку. В шатун знизу ввернут регулировочный винт 10, шаровая головка которого заключена между нижней опорой 5 і верхним плавающим вкладышем 6.

Шаровая головка, опора і плавающий вкладыш помещены в стакан 4. После регулировки зазору в шаровом з'єднанні гайка 8, ввернутая в стакан, стопорится шпонкой 19. Опорой стакана 4 является срезная предохранительная шайба 22, рассчитанная на разрушение при перегрузке пресса. Предохранительная шайба установлена на клиновой механізм 2 выведения пресса из распора. При срезании предохранительной шайбы необходимо приподнять шатун з регулировочным винтом і стаканом, вращая за маховик пресса в режиме "Ручной проворот", заменить предохранительную шайбу, опустить шатун з регулировочным винтом 10 і стаканом 4 в первоначальное положение, затянуть гайку 9 і застопорить винтом 20.

Регулювання величины штампового простору производится вращением регулировочного гвинта за его шестигранник з помощью гаечного ключа. Перед етим необходимо отрегулировать давление в пневмосети регулятором давления в пределах 1,5...2 кгс/см2 для обеспечения легкости проворачивания регулировочного гвинта.

Установленная величина штампового простору фиксируется стопорными втулками 15 і 16, которые оттягиваются винтом 17.

Нижний предел регулировки штампового простору ограничивается фиксатором 14.

Величина регулировки определяется по линейке 12.

В нижней частини ползуна расположены отверстия для крепления верхней плиты штампа і отверстие под хвостовик верхней плиты штампа.

Крепление хвостовика осуществляется прижимом 23 посредством двух шпилек з гайками.

Стопорный винт 31 служит для отталкивания прижима при снятии штампа. В пазу ползуна расположено коромысло I выталкивателя. Упорами для коромысла служат регулируемые по высоте упоры 7, закрепленные на станине.

Стопорные втулки 15 і 16 от проворачивания удерживаются гвинтами 18.


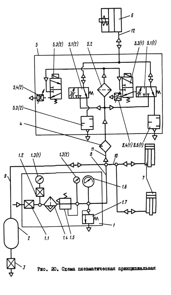
Пневматическая схема однокривошипного пресса КД2124

Пневматическая схема однокривошипного пресса КД2124


Схема електрична однокривошипного пресса КД2124

КД2124 Схема електрична  однокривошипного открытого ненаклоняемого пресса

Електрична схема однокривошипного пресса КД2124

Схема електрична однокривошипного пресса КД2124. Дивитись у збільшеному масштабі





КД2124 Пресс однокривошипный простого дії открытый ненаклоняемый. Відеоролик.




Основні технические характеристики пресса КД2124

Наименование параметра КД2122 КД2124 КД2324
Основні параметри
Номинальное усилие пресса, кН (т) 160 250 250
Наибольший ход ползуна (штока), мм 5..55 5..65 5..65
Розміри стола, мм 280 х 420 340 х 500 340 х 500
Розміри отверстия в столе, мм 140 х 210 170 х 250 170 х 250
Диаметр отверстия в столе, мм 180 210 210
Наибольшее расстояние между столом і ползуном в его нижнем положении - закрытая высота пресса, мм 220 250 250
Расстояние от оси штока до станины (вылет), мм 160 190 190
Частота ходов ползуна непрерывных, 1/мин 120 160 160
Частота ходов ползуна одиночных от кнопки, 1/мин 55 50 50
Величина регулировки расстояния между столом і ползуном, мм 45 55 55
Расстояние между стойками станины в свету, мм 200 240 240
Толщина подштамповой плиты, мм 40 75 75
Розміри нижней поверхности ползуна, мм 190 х 220 225 х 280 225 х 280
Максимальный ход выталкивателя в ползуне, мм 40 30 30
Высота стола над уровнем пола, мм 760 820 820
Тип муфты тормоза УА3135 УА3138
Електроустаткування
Количество електродвигателей 1 1 1
Електродвигун головного привода, кВт 2,0 2,7 2,7
Габарити і масса пресса
Габарити пресса (длина ширина высота), мм 990 х 1085 х 1875 1170 х 1191 х 2110 1180 х 1600 х 2295
Масса пресса, кг 1325 2100 1975

    Список литературы:

  1. Банкетов А.Н., Бочаров Ю.А., Добринский Н.С. і др. Кузнечно-прессовое обладнання, 1970
  2. Бочаров Ю.А., Прокофьев В, Н. Гідропривід кузнечно-прессовых машин, 1969
  3. Белов А.Ф., Розанов Б. В., Линц В. П. Объемная штамповка на гідравлических прессах, 1971
  4. Живов Л.И. Кузнечно-штамповочное обладнання, 2006
  5. Кузьминцев В.Н. Ковка на молотах і прессах, 1979
  6. Розанов Б.В. Гідравлические прессы, 1959
  7. Титов Ю.А. Обладнання кузнечно-прессовых цехов, 2001
  8. Щеглов В.Ф. Кузнечно-прессовые машины, 1989
  9. Берлет Разработка чертежей поковок, 2001
  10. Рудман Л.И. Справочник по оборудованию для листовой штамповки, 1989
  11. Романовский В.П. Справочник по холодной штамповке, 1965
  12. Охрименко Я.М. Технология кузнечно-штамповочного производства, 1966
  13. Кузьминцев В.Н. Ковка на молотах і прессах, 1979
  14. Мещерин В.Т. Листовая штамповка. Атлас схем, 1975