metalinstryment.com
Довідник по металорізальних верстатів та пресовому обладнанні

КД2122 Пресс однокривошипный простого дії открытый ненаклоняемый
схеми, опис, характеристики

Фото пресса однокривошипного простого дії открытого ненаклоняемого КД2122



Прессы механические, прессы гідравлические, верстати поперечно-строгальные

Відомості про виробника однокривошипного пресса КД2122

Разработчик однокривошипного пресса КД2122 — Азовское специальное конструкторское бюро кузнечно-прессового оборудования і автоматических линий, СКБ Ко.

Пресс КД2122 производился з 1984 года на заводах:

В настоящее время пресс КД2122 производят:




Машины, выпускаемые Сальским заводом кузнечно-прессового оборудования


КД2122 Пресс однокривошипный простого дії открытый ненаклоняемый. Назначение, область применения

Пресс однокривошипный простого дії открытый ненаклоняемый КД2122 усилием 16 тонн предназначен для изготовления деталей операциями холодной листовой штамповки: гибкой, вырубкой, пробивкой, неглубокой вытяжкой і т.д., в том числе в составе автоматизированных комплексов.

Пресс КД2122 применяется на предприятиях различных отраслей промышленности, в цехах і на участках холодной листовой штамповки. Находит широкое применение при любом типе производства: мелкосерийном, серийном, массовом.

Принцип роботи і особливості конструкції пресса

Пресс КД2122 имеет возможность функционировать в двух режимах:

  1. Режим Одиночный ход - тормозная муфта обеспечивает остановку ползуна в верхней мертвой точке (ВМТ) після каждого робочого ходу;
  2. Режим Непрерывные ходы - тормозная муфта включается і ползун совершает ходы непрерывно. Відключення муфты-тормоза кнопкой "Стоп непрерывных ходов".

Режим «Одиночный ход» используется при штамповке окремих заготовок з ручной загрузкой-выгрузкой. При штамповке полосы или деталей из листа применяют педальное керування, но загрузка-выгрузка остается ручной.

В непрерывном режиме пресс работает з макимальной для него производительностью. В етом случае применяется автоматизация загрузки-выгрузки деталей з помощью револьверних, валиковых, ролико-клиновых, клещевых і других видов подач.

Расчет усилий, необходимых для выполнения холодноштамповочных операций, рекомендуется производить, руководствуясь приведенной в паспорте пресса номограммой "усилие - ход" і справочниками по холодной листовой штамповке.

Величину допускаемых усилий на ползуне, в зависимости от угла поворота кривошипа, следует выбирать из графика допускаемых усилий на ползуне, помещенного в паспорте пресса.

Розміри штампуемого вироби на прессе определяются размерами штампового простору, величиной ходу ползуна і допускаемыми зусиллями на ползуне.

Прессы, оборудованные автоматическими подачами могут использоваться в автоматических і поточных лініях.

Пресс КД2122 состоит из следующих основних вузлів:

Станина прессов литая чугунная коробчатой формы, подвергнута старению для снятия внутренних напряжений, воспринимает все зусилля, возникающие при штамповке.

Ползун, изготовленный из высокопрочного чугуна, коробчатой формы, з призматическими двусторонними направляющими. Левая направляющая регулируемая. Ползун снабжен предохранителем от перегрузки і клиновым пристрійм для выведения пресса из распора. Величина ходу ползуна регулируемая; в механізм регулировки введено кулачковое зацепление для сокращения часу на переналадку.

Привід ползуна — от електродвигуна через клиноременную передачу, маховик з вмонтированной в него муфтой-тормозом, і ексцентриковый вал.

Пневматические уравновешиватели ползуна установлены на пресс для устранения влияния веса ползуна і верхней половины штампа на работу пресса і для предотобертання произвольного опускания ползуна в аварийных случаях (обрыв гвинта шатуна или шпилек).

Пресс оборудован центральной системой змазки основних пар трения.

Межштамповое пространство регулируется величиной ходу ползуна.

Муфта-тормоз — жесткосблокированная, многодискова, фрикционная, з пневматическим включением обеспечивает надежную остановку ползуна в ВМТ; вмонтирована в маховик. Удобная регулировка оптимальных зазоров между рабочими дисками по мере их износа.

Електросхема блока керування выполнена бесконтактной і сдублированной. Предусмотрены контроль величины тормозного пути і керування системой змазки.

Электроблокировка і ограждения обеспечивают надежную работу і безопасное обслуговування прессов.

Прессы оснащены пневмосдувателем, возможна установка пневмоподушки. Удаление изделий из штампа осуществляется на провал і в просвет между стойками прессов.

Дополнительное обладнання к прессу, предлагаемое производителем:

Прессы однокривошипные открытые простого дії усилием 10-63 тс выполнены по следующим ГОСТам

Для приводу рабочих органів пресса используется:


Обозначение кривошипных прессов

Значения первых двух цифр в обозначениях кривошипных прессов:

За двумя первыми цифрами следуют еще две цифры, обозначающие номинальное усилие пресса, а затем буква, которая показывает его модификацию в группе прессов данного вида.


Значения основного параметра (номинальное усилие пресса) в обозначениях прессов:

Таблиця 1. Обозначение основного параметра пресса

Обозн. пресса Усилие пресса, кН Обозн. пресса Усилие пресса, кН Обозн. пресса Усилие пресса, кН Обозн. пресса Усилие пресса, кН
14 25 кН 20 100 кН 30 1000 кН 40 10000 кН
15 31,5 кН 21 125 кН 31 1250 кН 41 12500 кН
16 40 кН 22 160 кН 32 1600 кН 42 16000 кН
18 63 кН 23 200 кН 33 2000 кН 43 20000 кН
24 250 кН 34 2500 кН 44 25000 кН
25 315 кН 35 3150 кН 45 31500 кН
26 400 кН 36 4000 кН 46 40000 кН
28 630 кН 38 6300 кН 48 63000 кН

Пример обозначения механических прессов:





Габаритные розміри робочого простору пресса КД2122

КД2122 Габаритные розміри робочого простору однокривошипного пресса КД2122 открытого ненаклоняемого

Габаритные розміри робочого простору пресса КД2122


Ескізы крепления инструмента пресса КД2122

КД2122 Ескізы крепления инструмента на однокривошипном прессе КД2122 открытого ненаклоняемого

Ескізы крепления инструмента на однокривошипном прессе КД2122


Загальний вигляд однокривошипного пресса КД2122

КД2122 Загальний вигляд кривошипного открытого ненаклоняемого пресса

Фото однокривошипного пресса КД2122


Загальний вигляд однокривошипного пресса КД2122

КД2122 Загальний вигляд кривошипного открытого ненаклоняемого пресса

Фото однокривошипного пресса КД2122


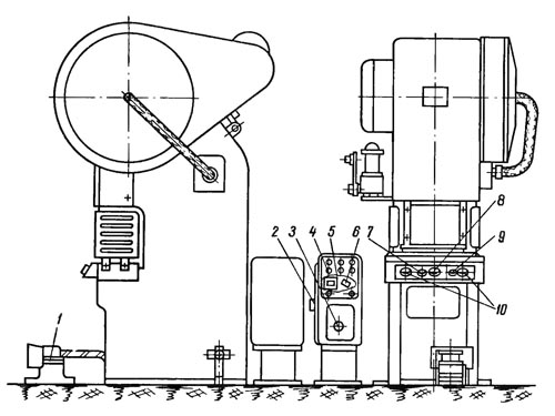
Розташування органів керування однокривошипным ненаклоняемым прессом КД2122

КД2122 Органы керування однокривошипным прессом

Розташування органів керування прессом КД2122


Список органів керування однокривошипным ненаклоняемым прессом КД2122

  1. педаль
  2. вводный выключатель
  3. переключатель режимов роботи
  4. замок ланцюги керування
  5. световая сигналізація
  6. выключатель местного освещения
  7. кнопка "Пуск електродвигуна
  8. кнопка "Загальний стоп"
  9. кнопка "Стоп автороботи"
  10. кнопка "Ход ползуна" (двурукое включение)




Кінематична схема ненаклоняемого пресса КД2122

КД2122 Кінематична схема однокривошипного открытого ненаклоняемого пресса

Кінематична схема однокривошипного пресса КД2122

  1. планка выталкивателя;
  2. ползун;
  3. регулировочный винт;
  4. шатун;
  5. вал ексцентриковый;
  6. втулка ексцентриковая;
  7. гайка;
  8. уравновешиватель;
  9. електродвигатель;
  10. шкив;
  11. маховик;
  12. муфта-тормоз;

* У прессов 100..250 Н (10..25 тс) отсутствуют червячные пары 13, 14, 15, 16, 17.


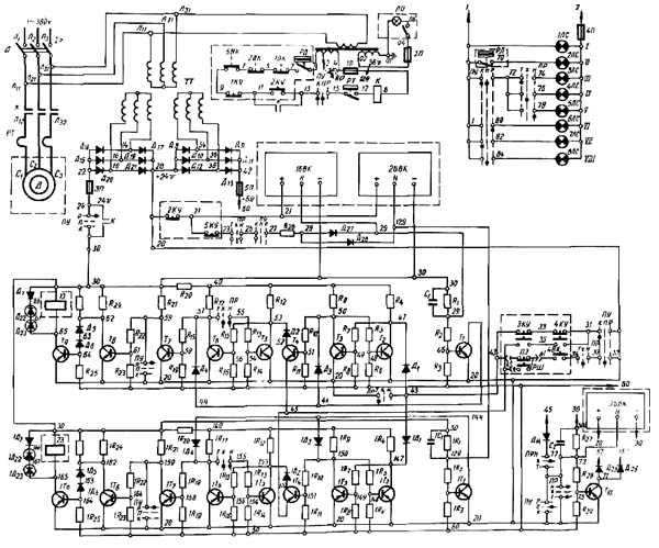
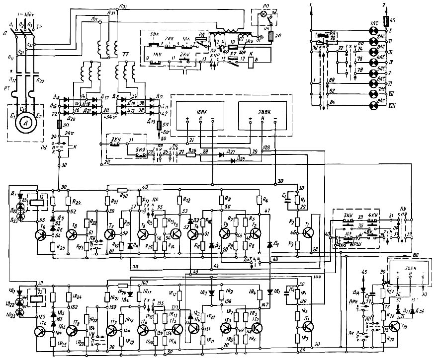
Схема електрична однокривошипного пресса КД2122

КД2122 Схема електрична  однокривошипного открытого ненаклоняемого пресса

Кінематична схема однокривошипного пресса КД2122

Схема електрична однокривошипного пресса КД2122. Дивитись у збільшеному масштабі




КД2122 Пресс кривошипный простого дії открытый ненаклоняемый. Відеоролик.





Технічні характеристики пресса КД2122 і КД2124

Наименование параметра КД2122 КД2124
Основні параметри
Номинальное усилие пресса, кН (т) 160 250
Наибольший ход ползуна (штока), мм 5..55 5..65
Розміри стола, мм 280 х 420 340 х 500
Розміри отверстия в столе, мм 140 х 210 17 х 250
Диаметр отверстия в столе, мм 180 210
Наибольшее расстояние между столом і ползуном в его нижнем положении - закрытая высота пресса, мм 220 250
Расстояние от оси штока до станины (вылет), мм 160 190
Частота ходов ползуна непрерывных, 1/мин 120 120
Частота ходов ползуна одиночных от кнопки, 1/мин 55 50
Величина регулировки расстояния между столом і ползуном, мм 45 55
Расстояние между стойками станины в свету, мм 200 240
Толщина подштамповой плиты, мм 40 50
Розміри нижней поверхности ползуна, мм 190 х 220 225 х 280
Максимальный ход выталкивателя в ползуне, мм 40 30
Высота стола над уровнем пола, мм 760 820
Тип муфты тормоза УА3135 УА3138
Електроустаткування
Количество електродвигателей 1 1
Електродвигун головного привода, кВт 2,0 2,7
Габарити і масса пресса
Габарити пресса (длина ширина высота), мм 990 х 1085 х 1875 1170 х 1191 х 2110
Масса пресса, кг 1325 2100

    Список литературы:

  1. Банкетов А.Н., Бочаров Ю.А., Добринский Н.С. і др. Кузнечно-прессовое обладнання, 1970
  2. Бочаров Ю.А., Прокофьев В, Н. Гідропривід кузнечно-прессовых машин, 1969
  3. Белов А.Ф., Розанов Б. В., Линц В. П. Объемная штамповка на гідравлических прессах, 1971
  4. Живов Л.И. Кузнечно-штамповочное обладнання, 2006
  5. Кузьминцев В.Н. Ковка на молотах і прессах, 1979
  6. Розанов Б.В. Гідравлические прессы, 1959
  7. Титов Ю.А. Обладнання кузнечно-прессовых цехов, 2001
  8. Щеглов В.Ф. Кузнечно-прессовые машины, 1989
  9. Берлет Разработка чертежей поковок, 2001
  10. Рудман Л.И. Справочник по оборудованию для листовой штамповки, 1989
  11. Романовский В.П. Справочник по холодной штамповке, 1965
  12. Охрименко Я.М. Технология кузнечно-штамповочного производства, 1966
  13. Кузьминцев В.Н. Ковка на молотах і прессах, 1979
  14. Мещерин В.Т. Листовая штамповка. Атлас схем, 1975








Если вы никак не можее добиться успеха, пересмотрите критерии успеха.

Закон Мерфи