Виробник токарно-гвинторізного верстата CU 400 – підприємство ЗММ Слівен АТ (ZMM-Sliven AD) , яке входить до верстатобудівного холдингу ЗММ Болгарія Холдинг АТ (Zmm-Bulgaria Holding AD) – найбільший виробник універсальних токарних верстатів у Європі.
Токарно-гвинторізний верстат CU 400 (СУ-400) призначений для виконання різних токарних робіт і нарізування метричної, модульної, дюймової та різьб. Оброблювані деталі встановлюються у центрах чи патроні.
Використовуючи конусну лінійку (опція) на верстаті CU 400, можна обробляти конічні поверхні.
Універсальний токарний верстат CU400 оснащений 21 прямими та 11 зворотними швидкісними ступенями частоти обертання шпинделя. Швидкісні щаблі верстата вказані у паспорті на малюнках 4-3, 4-4, 4-5 та 4-6.
Відповідно до замовлення клієнта верстат CU-400 може бути поставлений з кінцем шпинделя згідно DIN55027/ISO702-III або USAS B-5.9-D1/ ISO702-II (Camlock).
Токарний верстат CU-400 можна налаштувати для нарізування метричної, дюймової, модульної та різьби, як це зазначено на лицьовій табличці верстата.
Шпиндельна система, зубчасті трансмісії та інші механізми в коробці швидкостей змащуються автоматично через масляний зубчастиний насос і шляхом розбризкування.
Механізми в коробці змазуються автоматично поршневим масляним насосом і через розбризкування.

Габарити робочого простору токарного верстата CU-400

Фото токарно-гвинторізного верстата CU-400

Фото токарно-гвинторізного верстата CU-400

Фото токарно-гвинторізного верстата CU-400

Розташування органів керування токарним верстатом CU-400

Розташування органів керування токарним верстатом CU-400
Універсальні токарні верстати СU400 оснащені 21 прямими та 11 зворотними швидкісними ступенями частоти обертання шпинделя. Швидкісні щаблі кожної конкретної моделі верстата вказані на малюнках 4-3, 4-4, 4-5 і 4-6.
Вибір швидкісного ступеня для всіх моделей проводиться рукоятками 24, 25 та 26.
Диск, на рис.4-3 і рис.4-5, що знаходиться на лицьовій стороні коробки швидкостей і керований рукояткою 24 рис.4-1, має чотири фіксовані положення. Сектор диска, в якому знаходяться необхідні оберти, встановлюється лівіше або правіше вертикальної лінії залежно від того, де знаходиться фіксоване положення диска.
Рукояткою 26, рис.4-2, що має два фіксованих положення, покажчик встановлюється у напрямку до відповідного сектора.
Примітка: При моделі CU500MT сектор із необхідними оборотами рис.4-4 позиціонується проти стрілки на табличці.
Ступиця, рис.4-6, керована рукояткою 25, рис.4-1, забезпечена трьома кольоровими індикаціями (зеленою, червоною та синьою) рис.4-6. Колір на фоні необхідного зворотного ступеня встановлюється навпроти стрілки на табличці.
Запуск та зупинка шпинделя для обертання у прямому чи зворотному напрямку здійснюється рукояткою 22 рис.4-1.
Попередження : Зміна швидкості обертання шпинделя проводиться тільки після зупинки шпинделя. Будь-яка спроба зміни швидкості при шпинделі, що обертається, веде до ризику серйозного пошкодження в коробці швидкостей і втрати права на гарантію.
Механізм подачі верстата для подачі та нарізування різьблення включає:
Рух супорта при нарізанні різьблення здійснюється через провідний гвинт і гайку рознімання коробки супорта. Зачеплення гайки до провідного ггвинта проводиться за допомогою рукоятки 31 рис.4-1.
Між рукояткою для включення автоматичних подач і рукояткою для зачеплення гайки роз'ємної забезпечений захист, який забезпечує включення тільки однієї з них.
Керування супорта при зачепленій гайці проводиться через ручки 22 рис.4-1.
Окрім руху для подач супорт оснащений пристроєм для швидкого ходу з окремим електродвигуном.
Включення швидкого ходу супорта проводиться установкою рукоятки 32 рис.4-1 на автоматичну подачу в бажаному напрямку руху та натисканням 41 рис.4-2 для включення електродвигуна. Коробка супорта оснащена обгінною муфтою, яка забезпечує включення супорта на швидкий хід як при вимкненому, так і включеному рух коробкою подач.
Верстат можна налаштувати для нарізування метричного, дюймового, модульного та питного різьблення, як це зазначено на лицьовій табличці верстата.
Процедура:
Крім зазначеного різьблення, у таблиці на лицьовій табличці показані також три додаткові різьблення, які налаштовуються вищевикладеним способом.
Крім зазначеного різьблення, у таблиці на лицьовій табличці показані також три додаткові різьблення, налаштування яких відрізняється від того, яке було описано вище в тексті. (Дотримуйтесь вказівок додаткової таблички).
Процедура:
Попередження : При нарізанні багатоходового різьблення швидкість різання не змінювати.

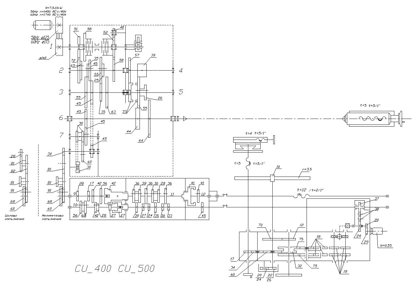
Кінематична схема токарно-гвинторізного верстата CU-400
Схема кінематична токарно-гвинторізного верстата CU-400 (СУ-400). Дивитись у збільшеному масштабі
Кінематична схема наведена для розуміння зв'язків та взаємодії основних елементів верстата.

Шпиндель токарно-гвинторізного верстата CU-400
Шпиндель токарно-гвинторізного верстату CU-400. Дивитись у збільшеному масштабі

Коробка подач токарно-гвинторізного верстата CU-400
Коробка подач токарно-гвинторізного верстата CU-400. Дивитись у збільшеному масштабі

Задня бабка токарно-гвинторізного верстата CU-400

Задня бабка токарно-гвинторізного верстата CU-400

Електрична схема токарно-гвинторізного верстата CU-400
Верстат CU-400 (СУ-400) оснащений головним електродвигуном, електродвигуном для швидкого ходу, електродвигуном насоса охолоджувальної установки, панеллю в електрошафі, панеллю керування з органами керування, робочим освітленням, сполучними кабелями та проводами, захисними засобами та ін.
Електропроводка і панель в електрошафі як і потужність головного електродвигуна, напруга живлення і частота виконуються згідно замовлення клієнта.
Усі електродвигуни трифазні асинхронні.
Живлення ланцюга керування здійснюється через трансформатор із вторинною напругою в 24V та частотою залежно від замовлення клієнта.
Відповідно до норм безпеки робоче освітлення з 12V.
Щодо деталей з електроустаткування та схеми з'єднань див. прикладену до цього посібника експедиційну електричну документацію.
Головний електродвигун та електродвигун насоса охолоджувальної системи захищені від короткого замикання через запобіжні ланцюгові вимикачі (в електрошафі), а від навантаження через струмовий захист (біметалічні термічні реле) FT1, FT2, FR1.
Через короткочасний режим роботи електродвигуна для швидкого ходу він забезпечений лише ланцюговим вимикачем.
Трансформатор (ТЗ) захищений запобіжниками FU1 … FU4.
З метою механічного та електричного захисту цей верстат оснащений такими мікровимикачами:
Цей верстат можна доставити з додатковою аварійною стоп - педаллю на замовлення клієнта (опція).

Технічні характеристики токарних верстатів CU
Технічні характеристики токарних верстатів CU. Дивитись у збільшеному масштабі

Технічні характеристики токарних верстатів CU
Технічні характеристики токарних верстатів CU. Дивитись у збільшеному масштабі

Технічні характеристики токарних верстатів CU
Технічні характеристики токарних верстатів CU. Дивитись у збільшеному масштабі
| Найменування параметру | 16K20 | СУ-400 | СУ-500 | СУ-400М | СУ-500М | СУ-580М |
|---|---|---|---|---|---|---|
| Основні параметри верстата | ||||||
| Клас точності згідно з ГОСТ 8-82 | Н | Н | Н | Н | Н | Н |
| Найбільший діаметр заготовки, що встановлюється над станиною, мм. | 400 | 440 | 500 | 440 | 500 | 500 |
| Висота осі центрів над плоскими напрямними станини, мм | 215 | 210 | 245 | 220 | 250 | 290 |
| Найбільший діаметр заготовки оброблюваної над супортом, мм | 220 | 230 | 300 | 240 | 300 | 300 |
| Найбільша довжина заготівлі, що встановлюється в центрах (РМЦ), мм | 710, 1000 1400, 2000 |
1000, 1500, 2000 | 1000, 1500, 2000 | 1000, 1500 2000, 3000 |
1000, 1500 2000, 3000 |
1000, 1500 2000, 3000 |
| Ширина направляючих, мм | 360 | 360 | 400 | 400 | 400 | |
| Найбільша відстань від осі центрів до кромки різцетримача, мм | 225 | |||||
| Найбільший діаметр свердла при свердлінні сталевих деталей, мм | 25 | |||||
| Найбільша маса заготівлі, що обробляється в центрах, кг | 460..1300 | |||||
| Найбільша маса заготівлі, що обробляється в патроні, кг | 200 | |||||
| Шпиндель | ||||||
| Діаметр отвору в шпинделі, мм | Ø 52 | Ø 62 | Ø 62 | Ø 72 | Ø 72 | Ø 72 |
| Найбільший діаметр прутка, що проходить через отвір у шпинделі, мм | Ø 50 | Ø 60 | Ø 60 | Ø 70 | Ø 70 | Ø 70 |
| Частота обертання шпинделя у прямому напрямку, об/хв | 12,5..1600 | 20..100; 80..400; 400..2000 | 20..100; 80..400; 400..2000 | |||
| Частота обертання шпинделя у зворотному напрямку, об/хв | 19..1900 | 20..100; 80..400; 400..2000 | 20..100; 80..400; 400..2000 | 20..100; 80..400; 400..2000 | 20..100; 80..400; 400..2000 | 20..100; 80..400; 400..2000 |
| Кількість прямих швидкостей шпинделя | 22 | 21 | 21 | 21 φ = 1,26 | 21 φ = 1,26 | 21 φ = 1,26 |
| Кількість зворотних швидкостей шпинделя | 11 | 11 | 11 | 11 | 11 | 11 |
| Кінець шпинделя за ГОСТ 12593-72 | 6K | |||||
| Кінець шпинделя ISO702-II/USAS B5.9D1 ISO702-III/DIN 55027 | 8 | 8 | ||||
| Конічний отвір шпинделя за ГОСТ 2847-67 | Морзе 6 | М 80 | М 80 | М 80 | М 80 | М 80 |
| Діаметр фланця шпинделя, мм | 170 | |||||
| Діаметр патрона, мм | 250 | 250 | ||||
| Найбільший крутний момент на шпинделі, Нм | 1000 | 100 | 100 | 120 | 120 | 120 |
| Супорт. Подання | ||||||
| Найбільша довжина поздовжнього переміщення, мм | 645, 935, 1335, 1935 | |||||
| Найбільша довжина поперечного переміщення, мм | 300 | 250/260 | 250/260 | 295 | 295 | 295 |
| Гвинт ходовий - Діаметр х крок, мм | 50 х 12 | 50 х 12 | 50 х 12 | |||
| Швидкість швидких поздовжніх переміщень, мм/хв. | 3800 | 3800 | 3800 | 3800 | 3800 | 3800 |
| Швидкість швидких поперечних переміщень, мм/хв. | 1900 рік | 1900 рік | 1900 рік | 1900 рік | 1900 рік | 1900 рік |
| Максимально допустима швидкість переміщень при роботі за упорами, мм/хв. | 250 | |||||
| Мінімально допустима швидкість переміщення каретки (супорта), мм/хв. | 10 | |||||
| Ціна поділу лімба поздовжнього переміщення, мм | 1 | |||||
| Ціна поділу лімба поперечного переміщення, мм | 0,05 | |||||
| Діапазон поздовжніх подач, мм/про | 0,05..2,8 | 0,04..12 | 0,04..12 | 0,039..12 | 0,039..12 | 0,039..12 |
| Діапазон поперечних подач, мм/про | 0,025..1,4 | 0,02..6 | 0,02..6 | |||
| Кількість подач поздовжніх | 42 | 120 | 120 | 120 | 120 | 120 |
| Кількість подач поперечних | 21 | 60 | 60 | 60 | 60 | 60 |
| Кількість нарізних різьблень - метричних | 64 | 64 | 64 | 64 | 64 | |
| Кількість нарізних різьблень - модульних | 64 | 64 | 64 | 64 | 64 | |
| Кількість нарізних різьблень - дюймових | 64 | 64 | 64 | 64 | 64 | |
| Кількість нарізних різьблень - питчових | 64 | 64 | 64 | 64 | 64 | |
| Межі кроків метричних різьблень, мм | 0,5..112 | 0,5..120 | 0,5..120 | 0,5..120 | 0,5..120 | 0,5..120 |
| Межі кроків дюймових різьблень, ниток/дюйм | 56..0,5 | 60..1/4 | 60..1/4 | 60..1/4 | 60..1/4 | 60..1/4 |
| Межі кроків модульних різьблень, модуль | 0,5..112 | 0,125..30 | 0,125..30 | 0,125..30 | 0,125..30 | 0,125..30 |
| Межі кроків різьб, питч діаметральний | 56..0,5 | 240..1 | 240..1 | 240..1 | 240..1 | 240..1 |
| Найбільше зусилля, яке допускається механізмом подач на різці - поздовжнє, Н | 5884 | 10000 | 10000 | 10000 | ||
| Найбільше зусилля, яке допускається механізмом подач на різці - поперечне, Н | 3530 | 5000 | 5000 | 5000 | ||
| Різцеві санки | ||||||
| Найбільше переміщення різцевих санчат, мм | 150 | 140 | 140 | 135 | 135 | 135 |
| Переміщення різцевих санок на один поділ лімба, мм | 0,05 | |||||
| Найбільший кут повороту різцевих санок, град | ±90° | ±90° | ±90° | |||
| Ціна поділу шкали повороту різцевих санчат, град | 1° | 1° | 1° | |||
| Найбільший переріз державки різця, мм | 25 х 25 | 25 х 25 | 25 х 25 | 32 х 32 | 32 х 32 | 32 х 32 |
| Висота від опорної поверхні різця до осі центрів (висота різця), мм | 25 | 30 | 30 | 36 | 36 | 36 |
| Число різців у різцевій головці | 4 | 4 | 4 | 4 | 4 | 4 |
| Задня бабка | ||||||
| Діаметр пінолі задньої бабки, мм | 70 | 70 | 75 | 75 | 75 | |
| Конус отвору в пінолі задньої бабки згідно з ГОСТ 2847-67 | Морзе 5 | Морзе 5 | Морзе 5 | Морзе 5 | Морзе 5 | Морзе 5 |
| Найбільше переміщення пінолі, мм | 150 | 180 | 180 | 250 | 250 | 250 |
| Переміщення пінолі на один поділ лімба, мм | 0,1 | |||||
| Розмір поперечного зміщення корпусу бабки, мм | ±15 | ±10 | ±10 | ±10 | ±10 | ±10 |
| Електроустаткування | ||||||
| Електродвигун головного приводу, кВт (об/хв) | 11 | 7,5; 11 (1450) | 7,5; 11 (1450) | 7,5; 11 (1450) | 7,5; 11 (1450) | 7,5; 11 (1450) |
| Електродвигун приводу швидких переміщень, кВт | 0,12 | 0,55 | 0,55 | 0,55 | 0,55 | 0,55 |
| Електродвигун насоса СОЖ, кВт | 0,125 | 0,09 | 0,09 | 0,18 | 0,18 | 0,18 |
| Габарити та маса верстата | ||||||
| Габарити верстата (довжина ширина висота) РМЦ = 1000 мм | 2795 х 1190 х 1500 | 2435 х 1185 х 1286 | 2435 х 1185 х 1304 | 2600 х 1250 х 1400 | 2600 х 1250 х 1400 | 2600 х 1250 х 1400 |
| Маса верстата, кг | 3010 | 2210 | 2280 | 2600 | 2600 | 2710 |