Виробник універсального заточувального верстата 3В642 - Вітебський завод заточувальних верстатів Візас , заснований у 1897 році.
З 1940 року підприємство спеціалізується на випуску заточувального обладнання та на сьогоднішній день є єдиним у СНД виробником верстатів для виготовлення та заточування будь-якого різального інструменту. Продукція заводу експлуатується більш як у шістдесяти країнах світу.
Універсальні заточувальні верстати 3В642 призначені для заточування основних видів різального інструменту: різців, фрез, зенкерів тощо з інструментальної сталі, твердого сплаву, металокераміки абразивними, алмазними та ельборовими колами.
Верстати універсально заточувальні 3В642 мають литу чавунну станину, це підвищує точність обробки і зменшує коливання, викликані при обробці деталі. Додатково на верстати можна поставити синусну плиту для закріплення заготовок, пристрій для заточування по радіусу різців і кінцевого багатолезового інструменту, пристрій для зовнішнього круглого шліфування, для внутрішнього шліфування, для заточування право- і ліворізальних зенкерів і т.д.
Універсально-заточний верстат 3В642 за конструкцією є спрощеною модифікацією верстата 3Б642 і відрізняється від останнього відсутністю гідроприводу. Для приводу шпинделя шліфувального кола використовується двошвидкісний електродвигун змінного струму. Зміна числа обертів шпинделя здійснюється перестановкою ременя та перемиканням швидкостей електродвигуна.
Універсально-заточувальні верстати моделей 3В642 та 3Б642 мають 94% уніфікованих деталей та відрізняються тим, що на верстаті мод. 3Б642 заточування інструменту може здійснюватися як при ручному, так і автоматичному його переміщенні, а на верстаті мод. 3В642 - тільки при ручному.
Заточування та шліфування виконуються лише при ручному переміщенні деталі зі столом.
Технічна характеристика верстата:
Верстати мають такі основні вузли: станину, колону, супорт, шліфувальну головку, механізм підйому шліфувальної головки, планетарний редуктор, систему охолодження.
Верстат моделі 3Б642 забезпечений, крім того, гідроагрегатом для автоматичної подачі столу, а в його супорт вбудовані гідроциліндр і гідропанель .
Універсально-заточними верстатами моделей 3В642 та 3Б642 можна користуватися для заточування інструментів алмазними та звичайними шліфувальними колами з охолодженням та всуху. Для заточування твердосплавного інструменту застосовують шліфувальні круги з карбіду кремнію або алмазні тих самих розмірів та форми.
Для захисту від розбризкування охолоджувальної рідини та відведення її в бак використовують спеціальну огорожу.
Область використання універсально-заточувальних верстатів розширюється пристроями, що додаються до них:
До верстата додаються:
Пристосування, що встановлюються на верхній площині поворотного столу, закріплюються за допомогою болтів із Т-подібними головками.
Як видно з переліку пристроїв, на верстатах можна проводити, крім заточувальних операцій, також зовнішнє, внутрішнє та плоске шліфування.
Кліматичне виконання та категорія розміщення верстатів, окремо розташованого обладнання та приладдя відповідає ГОСТ 15150-69 для поставки в райони:
з помірним кліматом – УХЛ4;
Клас точності верстата – П.
Заточувальні верстати служать для заточування інструменту та застосовуються в інструментальних цехах заводів та у заточних відділеннях механічних цехів. За способом заточування вони поділяються на дві групи:
Перша група має більшого поширення. Основний парк заточувальних верстатів складають верстати, що працюють абразивним інструментом. У промисловості набувають все більшого поширення алмазні круги для чистового заточування і доведення ріжучого інструменту, оснащеного твердосплавними пластинками. Застосування алмазних кіл замість звичайних шліфувальних значно підвищує продуктивність. Заточування інструменту алмазними колами на металевому зв'язуванні дозволяє у ряді випадків виключити операцію доведення інструменту.
До другої групи відносяться верстати для анодно-механічного заточування та для електроіскрового заточування та доведення інструменту.
За призначенням заточувальні верстати поділяються на
Універсально-заточувальні верстати використовуються для заточування багатолезового інструменту з інструментальної сталі та твердих сплавів. Заточувальні верстати дозволяють працювати з циліндричними та конічними інструментами, зенкерами та розгортками. Також заточувальні верстати використовують для обробки фрез, долб'яків і мітчиків, різців, черв'ячних фрез, зуборізних головок і протяжок, з гвинтовими і прямими зубами та ін.
На верстатах цього типу можна виконувати також кругле (зовнішнє і внутрішнє) і плоске шліфування.

Габаритні розміри робочого простору верстата 3В642

Фото універсального заточувального верстата 3В642

Фото універсального заточувального верстата 3В642

Фото універсального заточувального верстата 3В642
Фото універсального заточувального верстата 3В642. Дивитись у збільшеному масштабі

Фото універсального заточувального верстата 3В642
Фото універсального заточувального верстата 3В642. Дивитись у збільшеному масштабі

Розташування складових частинин заточувального верстата 3В642
Вузол 90. Приладдя (на малюнку не вказано)
Узел 93. Ограждение (на рисунке не указан). Універсальные приспособления, служащие для расширения круга работ, выполняемых на станке, поставляются со верстатом і входят в комплект і стоимость верстата, а специальные приспособления поставляются по заказу потребителей за особую плату.
Універсальный заточный верстат предназначен для заточки основних видов режущего инструмента: резцов, фрез, зенкеров і т. д. Верстат оснащается различными приспособлениями, позволяющими устанавливать і закреплять затачиваемый инструмент. Кроме заточки инструмента, на станке можно производить наружное, внутреннее і плоское шлифование.
Основні вузли верстата 3В642: станина, стол з суппортной группой і шлифовальная головка со шпинделем, на котором устанавливаются шлифовальные круги. На столе располагаются приспособления. Поперечное і продольное перемещение стола производится соответственно маховиками, а подъем і опускание шлифовальной бабки — маховиком.

Розташування органів керування заточным верстатом 3В642

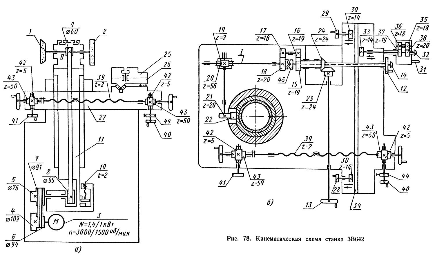
Кінематична схема заточного верстата 3В642
Схема кінематична заточного верстата 3В642. Дивитись у збільшеному масштабі
Главное движение — вращение шпинделя со шлифовальными кругами 1 і 2 — осуществляется от двухскоростного електродвигуна 3 через ременные передачи 4—5 или 6—7 і далее через передачу 8—9 на шпиндель 11.
Периферией цилиндрического круга 2 шлифуют поверхности тел обертання, которые устанавливаются в центрах приспособления на столе верстата, а чашечным кругом 1 — плоские поверхности инструмента, например, резьбу метчика по передньої плоскости.
Електродвигун вместе з кронштейном, на котором он установлен, і со шкивом 8 може опускаться з помощью гвинта 10 вниз, натягивая ремень шлифовальной головки.
Шлифовальная головка з шлифовальными кругами 1 і 2 (рис. 78, а) смонтирована на верхней частини вертикальной колонны 11 і може поворачиваться з ней вокруг вертикальной оси (рис. 78, б). Кроме поворота, колонна може перемещаться вверх или вниз з помощью маховиков 12 или 13. От маховика 12 рух на вал I може передаваться непосредственно, если кнопкой 14 включить муфту 45 (быстрое движение) или через планетарный механізм з зубчатыми колесами 15—18 і далее через червячную передачу 19—20 на реечную пару з реечным колесом 21 і рейкой 22, закрепленной на колонне (медленное движение).
Если колонна перемещается з помощью маховика 13, то рух идет через коническую пару 23—24 і далее по той же ланцюги.
Стол з суппортной группой состоит из трех частин. На верхней поворотной частини 25 устанавливается в соответствующих приспособлениях затачиваемый инструмент. Верхня часть стола поворачивается относительно средней частини 26 для заточки конических поверхностей инструмента. Средняя часть стола 26 имеет ручное продольное перемещение на роликовых направляючих нижней частини стола 27. Это перемещение производят маховиками 28 или 29 з реечными зубчатыми колесами 30, или рукояткой 31 на корпусе (поводке) планетарной передачи. В післяднем случае нажатием кнопки 32 реечное колесо 33, связанное з планетарным механізмом, включают, а колеса 30, связанные з маховиками 28 і 29, отключают от рейки 34, при етом стол получает медленную поперечную подачу от планетарного механізма з колесами 35—38.
Нижнюю часть стола 27 вместе со средней і верхней частинами перемещают в поперечном направлении з помощью ходового гвинта 39 і гайки, закрепленной на станине. Тонкая (замедленная) поперечная подача осуществляется вращением маховиков 40 или 41, которые через передачи 42—43 поворачивают ходовой винт 39.
Храповой механізм 44, который приводится в рух специальной рукояткой, через ту же передачу 42—43 сообщает ходовому винту, а следовательно, і столу периодическое замедленное движение. Тонкая (замедленная) подача стола позволяет осторожно подводить затачиваемый инструмент к шлифовальному кругу.
Пристосуванняверстата значительно расширяют область использования верстата. К ним относятся: передняя бабка з делительными дисками, задня бабка, универсальная заточная головка, универсальные поворотные тиски, пристрій для правки кругов, пристрій для заточки фрез з затылованными зубьями, пристрій для заточки сверл, упор для заточки фрез з винтовыми зубьями і некоторые другие.

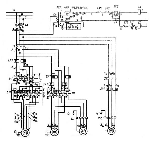
Електрична схема заточного верстата 3В642

Настановне креслення верстата 3В642
| Наименование параметра | 3В642 | 3Б642 |
|---|---|---|
| Основні параметри | ||
| Класс точності по ГОСТ 8-82 | П | П |
| Наибольшие розміри обрабатываемых изделий в центрах (длина х диаметр), мм | 630 х 250 | 630 х 250 |
| Расстояние между центрами универсальной і задньої бабок, мм | 550 | 550 |
| Расстояние между осью шлифовального круга і линией центров в горизонтальной плоскости, мм | 70..300 | 70..300 |
| Расстояние между осью шлифовального круга і линией центров в вертикальной плоскости, мм | 65..185 | 65..185 |
| Рабочий стол верстата | ||
| Розміри рабочей поверхности стола по ГОСТ 6569-75 (длина х ширина), мм | 900 х 140 | 900 х 140 |
| Наибольшее продольное/ поперечное ручное перемещение стола, мм | 450/ 230 | 450/ 230 |
| Перемещение продольное/ поперечное стола на одно деление лимба, мм | 0,1/ 0,01 | 0,1/ 0,01 |
| Перемещение поперечное стола на одно деление тонкой подачі, мм | 0,0025 | 0,0025 |
| Угол поворота стола в горизонтальной плоскости, град | 90 | 90 |
| Скорость переміщення стола от гідропривода, м/мин | - | 0,2..8 |
| Бабка шлифовальная | ||
| Наибольшее вертикальное перемещение бабки, мм | 250 | 250 |
| Цена деления лимба подачі вертикального переміщення стола, мм | 0,005 | 0,005 |
| Угол поворота бабки в горизонтальной плоскости, град | 350 | 350 |
| Шлифовальная головка | ||
| Число оборотів заточного круга при ступенчатом регулировании, об/мин | 2240, 3150, 4500, 6300 | 1300..6500 б/с |
| Кінець шлифовального шпинделя по ГОСТ 2324-77 виконання 2 | Морзе 3 | Морзе 3 |
| Наибольший диаметр устанавливаемого шлифовального круга, мм | 200 | 200 |
| Наибольший диаметр устанавливаемого шлифовального круга других типов, мм | 150 | 150 |
| Універсальная головка | ||
| Размер внутренних конусов шпинделей | Морзе 5 | Морзе 5 |
| Угол поворота в горизонтальной і вертикальной областях, град | 360 | 360 |
| Електроустаткування і привід верстата | ||
| Количество електродвигателей на станке | 4 | 5 |
| Електродвигун приводу шпинделя шлифовальных кругов, кВт | 1,5/ 1,1 | 2,5 |
| Електродвигун приводу вироби, кВт | 0,25 | 0,25 |
| Електродвигун гідропривода, кВт | - | |
| Електродвигун насоса охлаждения, кВт | 0,125 | 0,125 |
| Електродвигун пылесоса, кВт | 0,125 | 0,125 |
| Общая установленная мощность всех електродвигателей, кВт | 1,795 | |
| род тока питающей сети | 50Гц, 380/220 В | 50Гц, 380/220 В |
| Габарити і масса верстата | ||
| Габарит верстата, мм | 2050 х 1820 х 1550 | 2050 х 1820 х 1550 |
| Масса верстата, кг | 1250 | 1280 |
Той, хто не дивиться вперед, виявляється позаду.
Г. Уеллс