Виробник плоскошліфувального верстата 3Б722 - Липецький верстатобудівний завод , заснований у 1929 році.
В 1956 ремонтно-тракторний завод був переорієнтований на випуск верстатів і перейменований на Липецький верстатобудівний завод.
Верстат плоскошліфувальний 3Б722 замінив у виробництві застарілу модель 3А722 та був замінений на більш досконалу модель 3Д722 .
Плоскошліфувальний верстат моделі 3Б722 - верстат загального призначення з прямокутним столом та горизонтальним шпинделем, призначений для шліфування площин різних деталей периферією кола. Станина має поздовжні напрямні, якими зворотно поступально рухається робочий стіл. По вертикальним напрямним стійки переміщається шліфувальна бабка зі шліфувальним кругом.
Головний рух у верстаті - обертання шліфувального кола; поздовжня подача - прямолінійний зворотно-поступальний рух столу із заготівлею. Поперечна та вертикальна подачі повідомляються шліфувальній бабці зі шліфувальним кругом.
Шліфувальне коло кріпиться на кінці шпинделя шліфувальної бабки. Оброблювану деталь встановлюють на столі верстата. У процесі роботи стіл отримує прямолінійний зворотно-поступальний рух, а шліфувальний круг - обертальний. Якщо ширина оброблюваної деталі більша за ширину кола, то шліфувальній бабці повідомляється періодична поперечна подача після кожного одинарного або подвійного ходу столу. Шпиндельній бабці з колом повідомляється вертикальна подача для зняття необхідного припуску.
Верстат 3Б722 , поздовжньошліфувальний з прямокутним столом та горизонтальним шпинделем, призначений для шліфування площин різних деталей периферією кола як в індивідуальному, так і у великосерійному виробництві.
Деталі, що шліфуються, залежно від матеріалу, форми і розмірів, можуть закріплюватися або на електромагнітній плиті, або безпосередньо на робочій поверхні столу, або в спеціальних пристрійх.
Конструктивна особливість верстата - поперечна подача шліфувального кола забезпечується переміщенням стійки зі шліфувальною бабкою горизонтальними напрямними станини стійки. Шліфувальна бабка переміщається лише у вертикальному напрямку та має постійний виліт щодо стійки.
Застосування в верстаті гвинтових пар кочення, системи цифрової індикації вертикальних переміщень шліфувальної бабки, високоточних підшипників у шпиндельному вузлі та ряду інших конструктивних рішень дозволило підвищити точність, довговічність і продуктивність верстата в порівнянні з аналогічними верстатами, що випускаються серійно.
Коригований рівень звукової потужності LpA не повинен перевищувати 99 дБа.
Кінематика верстата 3Б722 забезпечує:
Тверда конструкція станини гарантує високоточне шліфування.
Конструкція складальних одиниць верстата, в т.ч шпиндельного вузла, дозволяє вибирати різні режими шліфування з поєднанням різних подач та швидкостей столу, забезпечує шліфування деталей із заданою точністю та шорсткістю.
3711Б - 1000 х 200, виробник Оршанський верстатобудівний завод Червоний борець
3Б721 - 1000 х 320, виробник Оршанський верстатобудівний завод Червоний борець
ОШ-400 - 1100 х 400, виробник Оршанський верстатобудівний завод Червоний борець

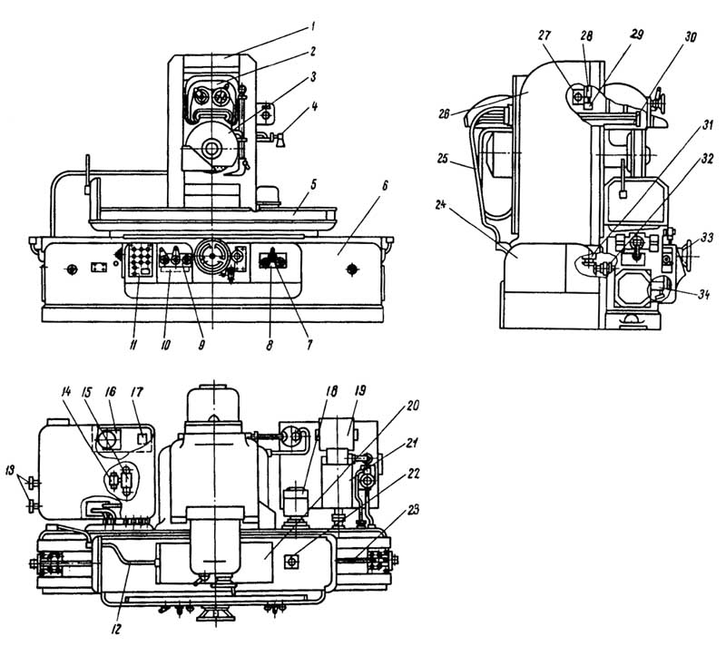
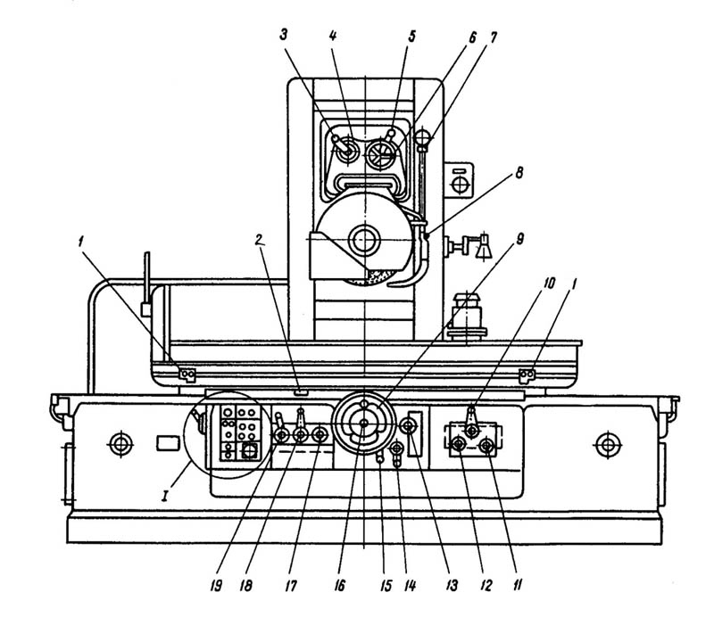
Приєднувальні та посадкові бази верстата 3Б722

Фото плоскошліфувального верстата 3Б722
Фото плоскошліфувального верстата 3Б722. Дивитись у збільшеному масштабі

Фото плоскошліфувального верстата 3Б722

Фото плоскошліфувального верстата 3Б722

Розташування складових частинин шліфувального верстата 3Б722
фільтр НГ-62

Розташування органів керування шліфувальним верстатом 3Б722

Пульт керування плоскошліфувальним верстатом 3Б722

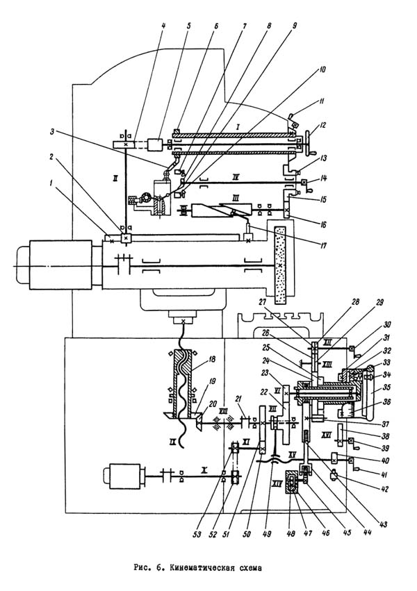
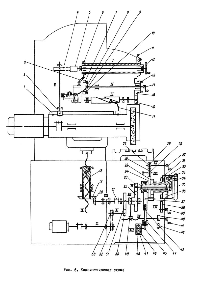
Кінематична схема плоскошліфувального верстата 3Б722
1. Схема кінематична плоскошліфувального верстата 3Б722. Дивитись у збільшеному масштабі
2. Схема кінематична плоскошліфувального верстата 3Б722. Дивитись у збільшеному масштабі
Ручна подача . Рух від маховика 35 передається через шестерні 23, 22, муфту 21, конічну пару шестерень 20, 19 на гайку 18, пов'язану з гвинтом IX.
Так як гайка зафіксована від вертикального переміщення, то при її обертанні гвинт IX буде переміщатися в осьовому напрямку та пересувати каретку зі шліфувальною бабкою.
Автоматична подача . У момент реверсу шліфувальної бабки масло подається в ту або іншу порожнину циліндра механізму подачі 46 і переміщає плунжер-рейку 47. Остання через шестерню 48 обертає кривошип 45, який черевий шатун 44 повертає на кут 40-50 ричаг .
Собачка повертає храповик 25, з'єднаний з маховиком 35. Далі рух передається по описаному вище ланцюгу до ггвинта.
Регулювання величини автоматичної подачі здійснюється поворотом перекришки 24, в результаті чого собачка 37 може повертати храповик 25 по всьому шляху свого руху або на частинини його. Зміна положення перекришки 24 здійснюється від рукоятки 30 через шестерні 28, 27, 29, 26 та зубчастиний сектор, нарізаний на перекришці 24.
Для автоматичного припинення подачі після зняття встановленого припуску служить сектор 31, 88 кріплений на лімбі 36. При цьому він входить в зону кочення собачки 37, яка починає ковзати по ньому, не зачіпаючи зубів храповика 25.
При роботі вручну до "жорсткого упору" рукояткою 39 підводиться жорсткий упор 38, який упирається в кінці ходу упор, закріплений на лімбі 32. Лімб пов'язаний з маховиком 35 за допомогою зубчастого фіксатора 33, включення якого проводиться натисканням кнопки 34.
Прискорене переміщення . Прискорене настановне переміщення готується поворотом рукояті 41. При цьому за допомогою гвинтової канавки на валу важелем 49 шестерня 22 виводиться із зачеплення з шестернею 23 і маховиком 35 відключається від ланцюга подачі. Одночасно кулачок 40 нажинає кінцевий вимикач 42, який розблокує кнопкову станцію пуску електродвигуна механізму прискореного переміщення.
При включенні електродвигуна рух від валу електродвигуна передається безшумним ланцюгом через зірочки 52, 53. шестерні 50, 51 на гвинт IX з розглянутого раніше ланцюга.
При цьому шліфувальна бабка переміщається вгору або вниз.
Ручна подача . Від маховика через 12 черв'ячну передачу (черв'як 5 - шестерня 4) обертання передається рейковій шестерні 2, яка знаходиться в зачепленні з рейкою I, укріпленої на шліфувальній бабці.
Для того щоб при гідравлічному переміщенні шліфувальної бабки від циліндра не відбулася поломка передачі, черв'як 5 виводиться з зачеплення з шестернею 4 шляхом повороту рукоятки II. При цьому ексцентрикова гільза кулачком 6 та важелем 3 здійснює блокування, виключаючи переміщення шліфувальної бабки від гідроциліндра при включеному черв'яку.
Автоматична подача . При поперечному переміщенні шліфувальної бабки від гідроциліндра палець 17, укріплений на корпусі бабки, ковзає по спіральному пазу вала III, змушуючи його обертатися. Далі через шестірні 16 і 15 приводиться у обертання диск з переставляемими упорами 13. Диск з упорами при максимальному поперечному проході шліфувальної бабки робить майже повний оборот, і упори, впливаючи на реверсивну рукоятку 14, повертають її разом з валиком і сідаючим. Важель одним зі своїх пальців впливає (при реверсі шліфувальної бабки) по черзі на кінцеві вимикачі 7 і 10, які дають команду на вертикальну автоматичну подачу, а іншим пальцем перемикає важіль 8, пов'язаний з реверсивним золотником гідрокоробки реверсу шліфувальної бабки.
Рукояткою 14 можна зробити також і ручний реверс шліфувальної бабки.
Привід шліфувальної бабки . Шпиндель шліфувального кола отримує обертальний рух через муфту від фланцевого електродвигуна потужністю 10 кВт при 1460 обертів за хвилину.

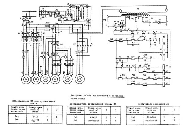
Електрична схема плоскошліфувального верстата 3Б722
Схема електрична плоскошліфувального верстата 3Б722. Дивитись у збільшеному масштабі
Напруга загальної мережі живлення змінного струму 380 В.
Напруга ланцюгів керування – 110 В, місцевого освітлення – 24 В, сигналізації – 5 в, ланцюгів керування постійного струму – 110 В.
Поворотом рукоятки вступного пакетного вимикача ПП1 в положення "Включено" включається ланцюг живлення верстата (рис. 18).
Для підготовки схеми до роботи необхідно включити вимикач AI та А2 у положення "Увімкнено". Увімкнення обертання шліфувального кола.
Увімкнення обертання шліфувального кола здійснюється повторним натисканням на кнопку КУ1.
Кнопка КУ1 має два Н.О. контакту 7-9 та 17 - II
Перший контакт включає ланцюг контактора КЗ, другий контакт включає контактор KI, який Н.О. контактом 17-II стає на саможивлення і включає електродвигун Д1.
Верстат обладнаний магнітною плитою для утримання деталей із магнітних матеріалів у процесі шліфування.
Працювати можна без магнітної плити. Для вибору роду робіт на пульті встановлено перемикач П1 "Робота з плитою" - "Без плити".
Поворотом рукоятки цього перемикача у положення "Робота з плитою" готується до включення ланцюг живлення електромагнітної плити.
Поворотом рукоятки перемикача П4 в положення "Включено" замикаються контакти П1-П3 та П4-П2 і на магнітну плиту подається напруга по ланцюгу П1-П3-П5-П4-П2
При цьому спрацьовує електромагнітне реле котушка якого включена послідовно з магнітною плитою. Реле Р> своїм Н.О. контактом 5-19 готує до включення ланцюг контактора К2, а контактом 3-107 включає сигнальну лампу ЛС1 "Плита включена". Для зняття виробів з магнітної плити необхідно ручку барабанного перемикача перевести в положення "Размагнічено" і відпустити.
Під дією пружини рукоятка повернеться до нульового положення. У нульовому положенні замикається контакт П4-П6, решта всіх контактів розімкнуті, плита, відключена від випрямляча, шунтується опором Р. Реле Р> вимикається, відключаючи сигнальну лампу ЛС1, а контакт 5-19 розмикається.
У положенні рукоятки перемикача П4 "Размагнічено" замкнуті його контакти П1-П4 і П2-П7 і в котушках електромагнітної плити протікає струм зворотного напрямку зниженої сили через наявність у ланцюзі частинини опору R. Короткочасний імпульс струму зворотної полярності необхідний для розмагнічування деталей, що частково шліфуються.

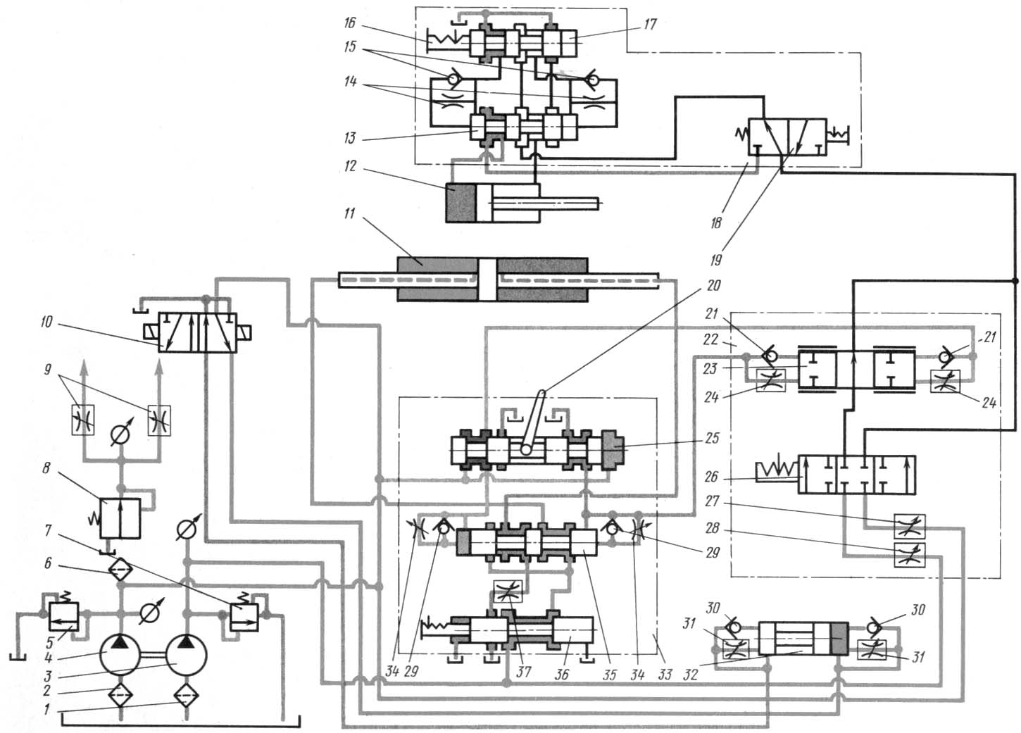
Гідравлічна схема плоскошліфувального верстата 3Б722
1. Схема гідравлічна плоскошліфувального верстата 3Б722. Дивитись у збільшеному масштабі
2. Схема гідравлічна плоскошліфувального верстата 3Б722. Дивитись у збільшеному масштабі

Гідроустаткування плоскошліфувального верстата 3Б722
Гідроустаткування плоскошліфувального верстата 3Б722. Дивитись у збільшеному масштабі
Гідропривід верстата (рис. 44) здійснює:
Гідропривід верстата має три основні системи:
Пересування та реверс столу . Масло з бака через фільтр 1 подається насосом через 3 напірний золотник 7 до розподільника 36.
При правому положенні золотника розподільника 36 масло надходить у ліву порожнину 11 циліндра, прикріпленого до столу. Стіл рухається вліво. Олія, що витісняється з правої порожнини 11 циліндра, через розподільник «95 і дросель 37 зливається в бак. Дросель 37 служить регулювання швидкості столу. При русі столу вліво упор за допомогою важеля 20 переміщує золотник розподільника 25. При цьому масло від насоса 4 через напірний золотник 5, розподільник 25, зворотний клапан 29 надійде під правий торець розподільника золотника 35 і перемістить його в крайнє ліве положення. Олія з-під лівого торця золотника 35 витісняється через дросель 34 розподільника 25 бак. Дросель 34 служить регулювання плавності реверсу столу.
Як тільки золотник розподільника 35 переміститься в крайнє ліве положення, масло почне надходити в праву порожнину циліндра 11. Стіл переміщатматися праворуч доти, поки упор не пересуне золотник розподільника 25, після чого цикл повториться.
Поперечні подачі та реверс шліфувальної бабки . Золотник розподільника 26 може займати одне з трьох положень (див. рис. 44): крайнє праве відповідає переривчастій подачі, крайнє ліве безперервній подачі і середнє відсутності подачі. Золотник розподільника 13 може займати одне з двох крайніх положень: праве, що відповідає переміщенню шліфувальної бабки гідравлічним приводом, і ліве, що відповідає переміщенню шліфувальної бабки вручну.
Безперервна подача шліфувальної бабки . Олія від насоса 4 через напірний золотник 5, дросель 27, розподільники 26 і 19 надходить у розподільник 13. Якщо золотник розподільника 13 знаходиться в лівому положенні, масло поступає в штокову порожнину циліндра 12 і шліфувальна бабка рухається вліво. З поршневої порожнини 12 циліндра масло через розподільники 13 і 17 зливається в бак.
При переміщенні важелем 16 золотника розподільника 17 вправо олію від насоса 4 через розподільники 26, 19, 13, 17 і зворотний клапан 15 потрапляє під лівий торець золотника розподільника 13 і переміщає його в праве положення, направляючи потік масла в поршневу порожнину 2 . рухається праворуч. З штокової порожнини 12 циліндра масло через розподільники 13 і 17 зливається в бак. Дроселі 14 регулюють швидкість переміщення золотника розподільника 13.
Переривчаста поперечна подача шліфувальної бабки відбувається при кожному реверсі столу, тобто при кожному переміщенні золотника розподільника 25. Від насоса через 4 розподільник 25 і зворотний клапан 21 масло надходить в праву порожнину дозуючого розподільника 3. З лівої порожнини дозує 4 розподільника 2 розподільника 25 олія зливається в бак. Під час переміщення дозатора з одного крайнього положення в іншу частинину масла від насоса через 3 напірний золотник 7, дросель 28, розподільник 26, дозатор 23 надходить у розподільник 19 і далі йде так само, як у разі безперервної подачі.
Вертикальна переривчаста подача шліфувальної бабки . При реверсі поперечної подачі шліфувальної бабки важіль 16 через кінцеві вимикачі включає один з електромагнітів розподільника 10, переміщуючи золотник його в одне з крайніх положень. Якщо золотник розподільника 10 знаходиться в лівому положенні, масло від насоса через напірний золотник 5 і зворотний клапан 30 потрапляє в циліндр 32 вертикальної подачі - відбувається вертикальна подача шліфувальної бабки. З лівої порожнини циліндра 32 олію через дросель 31 і розподільник 10 зливається в бак.
Вертикальна подача бабки у протилежному напрямку відбувається аналогічно.
Перед пошуком несправностей треба перевірити тиск у гідросистемі. Тиск має бути рівним: високий (в робочій системі) 1,5-2МПа, низький (в системі керування) - 0,6..0,8 МПа, в системі змащування направляючих станини - 0,05 МПа, в системі змащування підшипників шліфувальної бабки - 0,1 МПа.
| Найменування параметру | 3B722 | 3D722 | 3Л722В |
|---|---|---|---|
| Основні параметри | |||
| Клас точності згідно з ГОСТ 8-82 | П | П | В, А |
| Найбільші розміри виробів, що обробляються (довжина х ширина х висота), мм | 1000 х 360 х 400 | 1000 х 320 х 400 | 1250 х 320 х 400 |
| Найбільші розміри оброблюваних виробів на електромагнітній плиті (довжина х ширина х висота), мм | 900 х 320 х 280 | 1250 х 320 х 280 | |
| Найменші розміри оброблюваних виробів на електромагнітній плиті (довжина х ширина х висота), мм | 50 х 40 х 5 | 50 х 40 х 3 | |
| Відстань від осі шпинделя до дзеркала стола, мм | 190..630 | 210..625 | 210..625 |
| Найбільша маса виробів, що обробляються на столі, кг | 600 | 600 | |
| Найбільша маса виробів оброблюваних на плиті електромагнітної, кг | 300 | 400 | |
| Робочий стіл верстата | |||
| Розміри робочої поверхні столу (довжина x ширина), мм | 1000 x 320 | 1000 x 320 | 1000 x 320 |
| Розміри поверхні електромагнітної плити (довжина x ширина), мм | 900 x 320 | 900 x 320 | |
| Поздовжнє переміщення столу від гідравліки (найменше/найбільше, мм | 300..1050 | 300..1010 | |
| Швидкість зворотно-поступального руху столу (регулювання безступінчасте), м/хв. | 2..40 | 3..45 | 3..35 |
| Шліфувальна бабка | |||
| Розміри шліфувального кола (найменший та найбільший зовнішній діаметри), мм | 325...450 | ||
| Розміри шліфувального круга (внутрішній діаметр/висота), мм | 203/63 | ||
| Розміри шліфувального кола за ГОСТ 2424-75 | ПП450х80х203 | ПП450х80х203 | |
| Число оборотів шліфувального кола за хвилину | 1460 | 1460 | 1460 |
| Найбільший допустимий момент, що крутить, на шпинделі, кгс*м | 6,7 | ||
| Максимальна швидкість шліфування, м/с | 34,4 | ||
| Кінець шпинделя шліфувальної бабки за ГОСТ 2323-67, ГОСТ 2323-76 (конструкція/конусність/ найбільший діаметр) | 1/1:5/80 | 1/1:5/80 | |
| Найбільше поперечне переміщення шліфувальної бабки (стійки), мм | 400 | 410 | 430 |
| Ціна поділу лімба поперечного переміщення шліфувальної бабки, мм | 0,05 | ||
| Поперечне переміщення шліфувальної бабки на один оберт лімба, мм | 4,5 | ||
| Прискорене поперечне переміщення шліфувальної бабки, м/хв. | 1,2 | ||
| Межі швидкостей поперечної подачі шліфувальної бабки (безступінчасте регулювання), м/хв. | 0,05..3,0 | 0,5..3,0 | |
| Автоматична поперечна подача на кожен хід столу (безступінчасте регулювання), мм/хід | 1..30 | 2..48 | 1..60 |
| Найбільше вертикальне переміщення шліфувальної бабки, мм | 440 | 415 | 415 |
| Ціна поділу лімба вертикального переміщення шліфувальної бабки, мм | 0,005 | 0,004 | 0,002 |
| Вертикальне переміщення шліфувальної бабки на один оберт лімба, мм | 1,0 | 0,5 | 0,2 |
| Автоматичні вертикальні подачі шліфувальної бабки, мм | 0,005..0,1 | 0,004..0,1 | 0,002..0,128 |
| Швидкість прискореного вертикального переміщення, м/хв | 0,450 | 0,450 | 0,200 |
| Привід та електроустаткування верстата | |||
| Кількість електродвигунів на верстаті | 6 | 8 | 13 |
| Електродвигун шпинделя шліфувальної бабки (М1), кВт | 10 | 15 | 11 |
| Електродвигун насоса гідросистеми (М2) (гідростанція), кВт | 5,5 | 7,5 | 4,0 |
| Електродвигуни повітряного теплообмінника (М3, М11) (гідростанція), кВт | ні | 0,12 | 0,09 |
| Електродвигун насоса системи змащення (М4), кВт | 0,12 | 0,25 | 0,25 |
| Електродвигун приводу механізму редагування кола (М5), кВт | 0,09 | ||
| Електродвигун насоса системи охолодження (М6), кВт | 0,12 | 0,6 | 0,75 |
| Електродвигун магнітного сепаратора (М7), кВт | 0,12 | 0,12 | 0,12 |
| Електродвигун фільтру транспортера (М8), кВт | ні | 0,12 | 0,09 |
| Електродвигун регулювання дроселя швидкості руху столу (М9) (гідростанція), кВт | |||
| Електродвигун насоса охолодження олії (М10) гідростанція, кВт | 1,1 | ||
| Електродвигун вертикального прискореного переміщення шліфувальної бабки (М12), кВт | 1,1 | 0,75 | 0,6 |
| Електродвигун приводу поперечної подачі стійки (М13), кВт | 0,75 | ||
| Електродвигун вертикальної подачі шліфувальної бабки (М14), кВт | кроковий | ||
| Електродвигун насоса відкачування витоків, кВт | ні | 0,25 | ні |
| Загальна встановлена потужність усіх електродвигунів, кВт | 3685 | 18,25 | |
| рід струму мережі живлення | 50Гц, 380 В | 50Гц, 380 В | 50Гц, 380 В |
| Габарити та маса верстата | |||
| Габарит верстата (довжина x ширина x висота), мм | 3410 x 2020 x 2290 | 3510 х 2130 х 2360 | 4810 х 2660 х 2660 |
| Маса верстата, кг | 6950 | 8400 | 7000 |
Завжди не вистачає часу, щоб виконати роботу, як треба, але на те, щоб її переробити, час знаходиться.
Закон Мескімена