Виробник оздоблювально-розточувального верстата 2Е78П - Майкопський верстатобудівний завод ім. Фрунзе .
Майкопський верстатобудівний завод ім. Фрунзе - один із найбільших виробників металорізальних верстатів на Півдні Росії. Створено на базі заснованого у 1892 році чавунно-ливарного заводу Гурського.
Завод спеціалізується на випуску оздоблювально-розточувальних, хонінгувальних верстатів з широким діапазоном можливостей для ремонту та сервісного обслуговування двигунів внутрішнього згоряння (автомобільних, тракторних, суднових), стрічковопильних, верстатів високої точності та інших.
Верстати оздоблювально-розточувальні вертикальні 2Е78П та 2Е78ПН призначені для ремонтної розточування блоків циліндрів та гільз автомобільних, тракторних та мотоциклетних двигунів, а також для свердління та розточування отворів в окремих деталях, розміри яких відповідають технічній характеристиці верстатів. На верстаті моделі 2Е78П та 2Е78ПН можна здійснювати тонке фрезерування універсальним шпинделем.
Технічні дані верстата 2Е78П дозволяють робити тонку розточування в сталях, чавунах і кольорових металах, підрізування торця у отвору, що розточується, і безризиковий висновок різця.
Верстат 2Е78П забезпечений комплектом шпинделів, один з яких встановлюється на шпиндельну бабку, залежно від діаметра отвору, що розточується. Універсальним шпинделем, крім операції розточування, може проводитися свердління, зенкерування та розгортання.
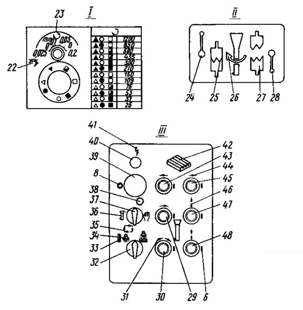
На верстаті моделі 2Е78П стіл може бути виконаний з пристроєм для відліку координат, що включає точні штрихові заходи довжини і відлікові приставні мікроскопи типу МО.
Верстат 2Е78П використовується для рухомих ремонтних майстерень.
Клас точності верстата П.
Розробник - Майкопський верстатобудівний завод ім. Фрунзе.
Синоніми: оздоблювально-розточувальний вертикальний верстат, fine borer, fine boring machine, finish boring machine, precision boring machine
Як інструмент на цих верстатах застосовуються алмазні та твердосплавні різці. Режим тонкого розточування: швидкість різання до 1000 м/хв, подача 0,01 – 0,1 мм/об та глибина різання 0,05 – 0,55 мм. Висока точність обробки отворів, відхилення діаметром 0,003 - 0,005 мм і шорсткість поверхні 8-9-го класу на алмазно-розточувальних верстатах забезпечуються завдяки застосуванню малих подач і високих швидкостей різання. На алмазно-розточувальних верстатах, крім чистової обробки отворів, виконується зовнішнє обточування, розточування та обточування конусів, підрізання торців і розточування канавок. Основними споживачами алмазно-розточувальних верстатів є заводи великосерійного та масового виробництва автомобільної, тракторної та авіаційної промисловості.
До деталей, для обробки яких застосовуються алмазно-розточувальні верстати, відносяться шатуни, втулки, вкладиші, гільзи, головки блоку і блоки циліндрів.
У оздоблювально-розточувальних верстатах шпиндель розташовується вертикально. Рухи, необхідні виконання технологічного циклу, повідомляються різним вузлам верстата. Головним рухом верстата є обертально-поступальний рух шпинделя щодо його осі.
Рух подачі повідомляється або інструменту, закріпленому в шпинделі, або заготівлі, встановленої на столі або пристрої, що встановлено на столі та. т.п.
Допоміжними рухами в цих верстатах є: настановні переміщення шпиндельної бабки у вертикальному напрямку, настановні переміщення столу за двома координатами, настановний рух у горизонтальній площині оператора, перемикання швидкостей та подач тощо.

Габарит робочого простору верстата 2е78п

Посадочні та приєднувальні бази оздоблювально-розточувального верстата 2е78п

Фото оздоблювально-розточувального верстата 2е78п

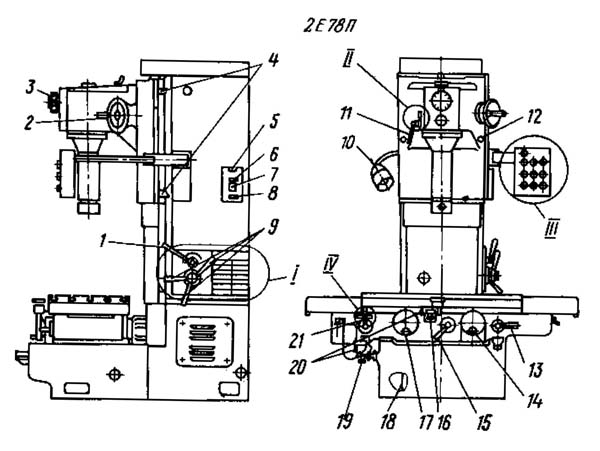
Розташування основних вузлів розточувального верстата 2е78п
Сменные шпиндели состоят из трех шпинделей з диаметрами резцовых головок 48, 78 і 120 мм.
Шпиндель устанавливается на шпиндельную бабку з учетом диаметра отверстия, которое предстоит растачивать. Шпиндель диаметром 48 мм — для расточки отверстий диаметрами от 50 до 82 мм; диаметром 78 мм — от 82 до 125 мм; диаметром 120 мм - от 125 до 200 мм.
Шпиндели собраны на прецизионных радиально-упорных шарикопідшипниках. Проникновение пыли в підшипники предотвращается лабиринтовыми уплотнениями.
В головке шпинделя имеется ползушка, которая дает возможность осуществить радиальную подачу резца. Внутри шпинделя проходит шток, который служит для переміщення ползушки.
Перемещение резца в шпинделях диаметрами 48 мм, 120 мм, 78 мм і специальном осуществляется по лимбу в резцовой головке.
Резцы крепятся з помощью прижимного гвинта. Резьбовое отверстие, расположенное в торце резцовой головки, необходимо для установки центроискателя.
При установці на резцовую головку подрезного резца можно осуществить подрезку торца на обрабатываемой детали.
Універсальный шпиндель устанавливается на верстат для расточки отверстий диаметрами от 27 до 200 мм небольших глубин при помощи борштанг или резцедержателя з точной подачей, а также для сверления или развертывания отверстий в окремих деталях і для фрезерування,
Шпиндель собран на прецизионных радиально-упорных сдвоенных шарикопідшипниках.
Приемный конус шпинделя выполнен по ГОСТ 15945—70, а конец шпинделя — по ГОСТ 24644—81 і рассчитан на применение вспомогательного инструмента, либо нормального инструмента в сочетании з переходными втулками.
Гайка на кінці шпинделя служит для затяжки і извлечения инструмента. Для извлечения инструмента гайку полностью отвинчивать ключом 2Е78П.74.010 не следует.
Кінець приемного конуса снабжен шпонками, в которые при закреплении входят своими пазами инструмент. Такое пристрій крепления инструмента гарантирует от проворота его в конусе шпинделя і предохраняет шпиндель от повреждений.
Специальный шпиндель служит для расточки v-образных двигателей диаметрами от 82 до 125 мм.
Шпиндель выполнен конструктивно аналогично сменному шпинделю диаметром 78 мм з радиальным переміщенням резца.

Розташування органів керування расточным верстатом 2е78п

Пульт керування расточным верстатом 2е78п

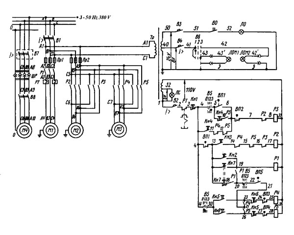
Кінематична схема отделочно-расточного верстата 2е78п
Кинематические ланцюги головного руху, быстрых ходов і руху подачі, післядовательность передачи обертання от електродвигателей до исполнительных органів ясны из схеми.
Предохранительная муфта механізма подачі шпиндельной бабки отрегулирована на передачу крутящего момента в 25 Н-м, в соответствии з допустимым усилием подачі.
Предохранительная муфта механізма швидкого ходу стола отрегулирована на передачу крутящего момента в 20 Н-м в соответствии з допустимым усилием при быстром ходе стола.
При превышении допустимых усилий в механізме подачі шпиндельной бабки (головним образом, в случае неправильно выбранных режимов різання) і в механізме швидкого ходу стола предохранительные муфты пробуксовывают з характерным треском.
Перемещение обрабатываемого вироби в двух взаимно перпендикулярных направлениях на верстати моделі 2Е78П осуществляется при помощи стола, состоящего из двух частин: нижней — салазок, перемещающихся в поперечном направлении по направляющим основаниям, і верхней — собственно стола, перемещающегося в продольном направлении по направляющим салазок
На передньої і боковой стенках салазок верстата могут быть установлены два отсчетных микроскопа з точностью нониуса 0,01 мм: один — для отсчета координат при перемещении стола в продольном направлении, второй — в поперечном.
Линейка для точного отсчета продольных перемещений стола расположена на передньої стенке стола, линейка для точного отсчета поперечных перемещений стола — на левой стенке основания.
Установчі переміщення стола, продольные і поперечные, а также установка по координатам производятся вручную при помощи маховиков.
В нужном положении стол фиксируется двумя рукоятками при помощи ексцентриковых зажимов.
Установочное перемещение стола в продольном направлении можно осуществить механически от електродвигуна швидкого ходу. Для етого рукоятка переключения быстрых ходов поворачивается в вертикальное положение. При етом вращение ходовому винту передається через винтовую пару. Рабочая подача стола включается переключением рукоятки. При етом вращение ходовому винту передається от редуктора в столе через червячную передачу.
Изменение направления быстрых ходов стола осуществляется поочередным нажатием на кнопки приводу стола „Вправо" или „Влево", в результате чего происходит реверсирование електродвигуна быстрых ходов.
Для предотобертання поломок механізма приводу стола вследствие перегрузок соответствующий вал стола соединен при помощи шариковой предохранительной муфты, рассчитанной на передачу максимального крутящего момента.
Колонна крепится на основании. По її направляющим — призматической і плоской — в вертикальном направлении перемещается шпиндельна бабка.
В верхней частини колонны на кронштейне укреплены ролики, по которым движется ланцюг противовеса, перемещающегося внутри колонны.
Противовес, уравновешивающий вес шпиндельной бабки со шпинделем, состоит из цельной чугунной отливки.
У передньої стенки колонны между направляющими расположены ходовой винт шпиндельной бабки і шлицевой валик приводу шпинделя, укрепленные в верхней частини колонны в приставных кронштейнах.
В нижней частини колонны располагается установленная на основании коробка швидкостей і подач. Керування коробкой, состоящее из рукоятки переключения подач і трех рукояток переключения швидкостей, выведено на крышку, расположенную на правой стенке колонны.
Над крышкой установлены два конечных выключателя, ограничивающих перемещение шпиндельной бабки вверх і вниз. В задньої стенке колонны в нише расположен електрошкаф. Через окна колонны, в задньої стенке закрытые крышкой, открывается доступ к гвинтам, крепящим противовес шпиндельной бабки к колонне в условиях транспортировки верстата.
Для транспортировки колонны используются два отверстия диаметром 55 мм.
Шпиндельная бабка перемещается в вертикальном направлении по направляющим колонны. В ней расположены механізмы приводу шпинделя, приводу шпиндельной бабки і ручных перемещений.
Сменные шпиндели устанавливаются посадочным пояском в корпус шпиндельной бабки і крепятся шестью гайками.
Привід шпинделя осуществляется через клиноременную передачу. Ведущий шкив етой передачи укреплен на вращающейся в підшипниках шлицевой гильзе, которая при перемещении шпиндельной бабки скользит по шлицевому валику колонны, выходящему из коробки швидкостей і подач.
Ведомый шкив укреплен на валу, имеющем на шлицевом кінці кулачковую полумуфту, при помощи которой вращение сообщается шпинделю. Натяжение ремней осуществляется при помощи натяжного ролика. Кулачковая муфта — управляемая; її увімкнення осуществляется вручную рукояткой, расположенной на левой стенке шпиндельной бабки, через валик з ексцентричным пальцем.
Відключення шпинделя муфтой от кінематичної ланцюги его приводу облегчает вращение шпинделя от руки при установці і центрировании обрабатываемых деталей по оси расточки.
Механізм ручных перемещений состоит из вращающейся в підшипниках гайки-шестерни, находящейся в зацеплении з червяком. Червяк сидит на одном валу з маховиком. При вращении маховика червяк вращает гайку—шестерню, осуществляя перемещение шпиндельной бабки.
При механической подаче, когда вращается ходовой винт, гайка-шестерня удерживается от поворота самотормозящей червячной передачей. Такое виконання механізма ручных перемещений позволяет вмешиваться в механическую подачу, благодаря чему сокращается время подвода резца на врезание.
В шпиндельной бабке предусмотрено пристрій для ручного радиального переміщення резца, которое позволяет осуществлять расточку отверстий различных диаметров, подрезку торца у растачиваемого отверстия і безрисочный вывод резца из обработанного отверстия. Маховичок ручного переміщення етого пристроя з лимбом і индикатором расположен на передньої стенке шпиндельной бабки.
Шпиндельная бабка поджимается к направляющим прижимными планками. На одной из планок крепятся регулируемые по высоте кулачки для отключения перемещений шпиндельной бабки.
С той же стороны шпиндельной бабки укреплена линейка для отсчета длины обрабатываемой поверхности. Маховик ручных перемещений снабжен лимбом для отсчета глубины врізання при подрезке торцов.
Ребра внутри корпуса шпиндельной бабки образуют ванну, используемую как масляный резервуар ддя лубрикатора, от которого смазываются направляющие і підшипники вращающихся валов.
Коробка швидкостей і подач установлена на основании внутри колонны і служит для передачи обертання от електродвигуна головного приводу к валику приводу шпинделя і ходовому винту шпиндельной бабки, а также для передачи обертання от електродвигуна быстрых ходов ходовому винту шпиндельной бабки.
Она обеспечивает шпинделю двенадцать швидкостей обертання шпинделя і четыре величины рабочих подач і ускоренное перемещение бабки.
Внутри її расположены:
Снизу к коробке крепится стакан з валиком шкива приводу быстрых ходов.
Керування коробкой швидкостей і подач осуществляется четырьмя рукоятками:
Три рукоятки переключения швидкостей расположены на одной оси.
Механізм переключения швидкостей состоит из трех зубчатых колес, закрепленных на трех полумуфтах, расположенных кінцінтрично на одной оси. Зубчасті колеса связаны з тремя вилками—рейками, переключающими зубчасті блоки. В пазы полумуфт, на которых закреплены зубчасті колеса, входят зубья полумуфт, на которых закреплены рукоятки (рис. 13).
Механізм переключения подач состоит из кривошипа з камнем, который перемещает вилку тройчатки.
В положениях, соответствующих включению определенных положений швидкостей і подач, вилки удерживаются шариковыми фиксаторами.
Обгонная двухсторонняя муфта позволяет осуществлять ускоренное перемещение, рабочую і ручную подачі шпиндельной бабки. При рабочей подаче наружная обойма муфты, жестко связанная з червячным колесом, получает вращение от червяка і через ролики ведет ступицу, связанную з ходовым винтом; при ручной подаче наружная обойма муфты не вращается, так как її удерживает самотормозящаяся червячная пара. При ускоренном перемещении средняя обойма муфты через ролики вращет внутреннюю обойму і ходовой винт.
Ролики муфты поджимаются пружинами. Благодаря обгонной муфте возможно увімкнення ускоренного переміщення шпиндельной бабки без виключення її рабочей подачі.
Для предотобертання поломок коробки швидкостей і подач вследствие перегрузки ходовой винт соединен при помощи шариковой предохранительной муфты, рассчитанной на передачу максимального крутящего момента.

На станке моделі 2Е78П установлены три трехфазных короткозамкнутых асинхронных двигуна; на станке моделі 2Е78ПН — два двигуна:
За особую плату поставляется електродвигатель приводу приспособления для заточки резцов типа 4АА 63 В2, мощностью 0,55 кВт, частотой обертання 3000 1/мин.
В станке применены наступні напряжения:
| Наименование параметра | 2Е78П | 2Е78ПН |
|---|---|---|
| Основні параметри верстата по ГОСТ 9520-73 | ||
| Класс точності верстата по ГОСТ 8-82 | П | П |
| Диаметр растачиваемого отверстия наибольший/ наименьший, мм | 200/ 28 | 200/ 28 |
| Наибольший диаметр сверления в стали 45, мм | 15 | 15 |
| Наибольшие розміри обрабатываемого вироби, мм | 750 х 500 х 450 | 750 х 500 х 450 |
| Наибольшая масса обрабатываемого вироби, кг | 200 | 200 |
| Наименьшее расстояние от торца шпинделя до стола, мм | 25 | 25 |
| Точность межцентровых координат продольных/ поперечных, мм | 0,03/ 0,025 | - |
| Расстояние от оси шпинделя до стойки (вылет шпинделя), мм | 320 | 320 |
| Шпиндельная бабка | ||
| Наибольшее вертикальное перемещение шпиндельной бабки, мм | 500 | 500 |
| Величина переміщення на один оборот маховика, мм | 0,75 | 0,75 |
| Частота обертання шпинделя, об/мин | 26..1200 | 26..1200 |
| Количество швидкостей шпинделя | 12 | 12 |
| Пределы рабочих подач на один оборот шпинделя, мм | 0,025..0,200 | 0,025..0,200 |
| Количество подач | 4 | 4 |
| Скорость швидкого ходу, мм/мин | 2000 | 2000 |
| Предохранение от перегрузки механізма подач (муфта) | имеется | имеется |
| Выключающие упоры | имеется | имеется |
| Автоматичне повернення у вихідне положення після закінчення розточування | є | є |
| Робочий стіл | ||
| Робоча поверхня столу, мм | 1000 x 500 | 1250 x 500 |
| Найбільше переміщення столу, мм | 800/200 | - |
| Швидкість робочого ходу столу в поздовжньому/поперечному напрямку, мм/хв. | 100/ ні | - |
| Переміщення столу верстата на один оборот маховика в поздовжньому/поперечному напрямку, мм | 4,2/ 2,9 | - |
| Величина прискореного переміщення столу в поздовжньому/поперечному напрямку, мм/хв. | 2000/ ні | - |
| Спосіб відліку координат при переміщенні столу | мікроскоп | - |
| Вимикаючі упори механічного швидкого ходу | є | - |
| Закріплення столу верстата моделі 2Е78П від переміщень | ручне | - |
| Привід | ||
| Кількість електродвигунів на верстаті | 3 | 2 |
| Електродвигун приводу головного руху, кВт | 2,2 | 2,2 |
| Електродвигун приводу прискореного ходу шпиндельної бабки, кВт | 0,75 | 0,75 |
| Електродвигун приводу столу, кВт | 0,75 | ні |
| Стендовий калібр | ||
| Габарити верстата, включаючи хід столу (довжина x ширина x висота), мм | 1750 х 1560 х 2125 | 1250 х 1260 х 2125 |
| Маса верстата, кг | 2680 | 2100 |