Виробник радіально-свердлильного верстата моделі 2Е52 - Гомельський завод верстатних вузлів ДЗСУ , заснований у 1961 році.
Випуск радіально – свердлильних верстатів моделі 2Е52 освоєно на підприємстві Гомельський завод верстатних вузлів у 1972 році.
Розробник верстата 2Е52 — Одеське спеціальне конструкторське бюро алмазно-розточувальних та радіально-свердлильних верстатів .
Верстат моделі 2Е52 вироблявся, також, на підприємстві Октемберянський верстатобудівний завод .
Радіально-свердлильний переносний верстат моделі 2Е52 призначений для обробки отворів у середніх та великих деталях у одиничному, дрібносерійному та серійному виробництві.
На верстаті 2Е52 можна виконувати: свердління, розсвердлювання, зенкерування, розгортання, нарізування різьблення та розточування отворів. Найбільш ефективно верстат може бути використаний при обробці отворів, розташованих під кутами в різних площинах великогабаритних деталей, інструментальних, ремонтних, експериментальних, складальних і виробничих цехах.
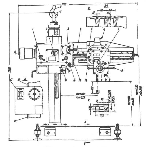
Переносний радіально-свердлильний верстат моделі 2Е52 включає такі вузли:
Станіна є жорсткою чавунною плитою з поздовжніми і поперечними ребрами, на якій встановлена колона. Гвинт 3 призначений для переміщення коробки швидкостей.
Коробку швидкостей змонтовано на колоні. Керування швидкостями здійснюється за допомогою рукояток 4 та 3 (див. рис.3). Рукоятка 4 призначена для:
Траверса встановлюється в циліндричному отворі коробки швидкостей за допомогою цапфи I. По направляючих траверси переміщається каретка 2 зі шпиндельною головкою.
Шпиндельна головка із механізмом подач розміщується в одному корпусі.
Механічна подача шпинделя відбувається при повороті рукоятки 2 "Від себе".
Тонка подача вручну здійснюється при вимкненому положенні перевантажувальної муфти обертанням маховичка 1.
Приставні ніжки застосовуються, коли верстат використовується як переносний. Вони підвищують стійкість верстата. При використанні верстата як стаціонарного (на фундаменті) ніжки знімаються.
Стіл кутовий служить для кріплення пристроїв та деталей.
Клас точності верстата Н згідно з ГОСТ 8-77.
Шорсткість оброблених поверхонь залежно від виконуваних робіт R = 80-20 мкм.
Синоніми: radial drilling machine.
Переміщення по площині столу великогабаритних та важких деталей викликає великі незручності та втрату часу. Тому при обробці великої кількості отворів у таких деталях застосовують радіально-свердлувальні верстати. При роботі на них деталь залишається нерухомою, а шпиндель зі свердлом переміщається щодо деталі та встановлюється у потрібне положення.
Свердлильні верстати призначені для свердління, зенкування, зенкерування, розгортання отворів, для підрізання торців виробів та нарізування різьблення мітчиками. Застосовуються вони в основному в одиничному та дрібносерійному виробництві, а деякі модифікації цих верстатів – в умовах масового та великосерійного виробництва.
Основними формоутворюючими рухами при свердлильних операціях є:
Кінематичні ланцюги, що здійснюють ці рухи, мають самостійні органи налаштування i v і i s за допомогою яких встановлюється необхідна швидкість обертання інструменту і його подача.
До допоміжних рухів відносяться:
Основними вузлами радіально-свердлильних верстатів є:
Основними параметрами верстата є найбільший діаметр свердління отвору сталі, виліт і максимальний хід шпинделя.

Загальний вигляд переносного радіально-свердлувального верстата 2е52

Розташування органів керування радіально-свердлильним верстатом 2е52
Живлення ланцюгів електроустаткування здійснюється наступними напругами:
Електроустаткування верстата призначене для підключення до трифазної мережі змінного струму з глухозаземленим або ізольованим нейтральним дротом.
На верстаті встановлені чотири трифазні короткозамкнуті асинхронні електродвигуни:

Електрична схема радиально-сверлильного верстата 2е52
Схема електрична радиально-сверлильного верстата 2Е52. Дивитись у збільшеному масштабі
Напряжение к силовой ланцюги і к ланцюги керування подается при включении рычага автоматичного выключателя А (рис.10). При етом включается трансформатор керування і освещения ТУ0.
Переключатель керування двигателем находится в нейтральном положении, т.е. все контакты КПС, КПВ, КПН разомкнуты.
Траверса зажата і находится на средней высоте колонны. В етом положении НЗ контакты ПВВ і ПВН путевых выключателей замкнуты.
При повороте рукоятки керування 4 (си. рис.3) по пазу I вверх замыкается контакт КПС (2-11), а переходный контакт КПВ (2-1) включается і отключается. В ето время включается катушка KB реверсивного пускателя НО блок-контактом KB (2-1) переходит на самопитание і головними НО контактами KB включает електродвигатель.
Відключення двигуна производится переводом рукоятки в нейтральное положение.
Реверсирование двигуна осуществляется поворотом рукоятки вниз. В етом случае замыкается контакт переключателя КПН і включается катушка пускателя КН.
Быстрое перемещение траверсы производится поворотом рукоятки керування по пазу II при разжатом положении рукава на колонне.
Перемещение траверсы вверх і вниз ограничивается путевыми выключателями ПВВ і ПВН, которые при размыкании HЗ контактов в ланцюги катушек пускателя отключают двигатель.
Лампа местного освещения включается выключателем ВО.
Захист електродвигуна ланцюги керування от токов короткого замыкания і защита двигуна от перегрузки осуществляется автоматом АК 50.
При исчезновении напряжения защита производится НО блок—контактами KB і КН пускателя і переходными контактами переключателя КПВ і КПН.
Нулевая защита електродвигуна осуществляется магнитным пускателем.

Список елементів радиально-сверлильного верстата 2Е52
Список елементів радиально-сверлильного верстата 2Е52. Дивитись у збільшеному масштабі

Монтажная схема радиально-сверлильного верстата 2Е52
Монтажная схема радиально-сверлильного верстата 2Е52. Дивитись у збільшеному масштабі
| Наименование параметра | 2К52-1 | 2Е52 |
|---|---|---|
| Основні параметри верстата | ||
| Класс точності верстата | Н | Н |
| Наибольший условный диаметр сверления в стали 45, мм | 25 | 25 |
| Диапазон нарезаемой різьби в стали 45, мм | М16 | М16 |
| Расстояние от оси шпинделя до направляющей колонны (вылет шпинделя), мм | 300..800 | 325..800 |
| Наибольшее горизонтальное перемещение сверлильной головки по рукаву, мм | 410...900 | |
| Наименьшее і наибольшее расстояние от торца шпинделя до плиты, мм | 125..1000 | 58..900 |
| Наибольшее вертикальное перемещение рукава по колонне (установочное), мм | 625 | 390..1230 |
| Наибольшее осевое перемещение пиноли шпинделя (ход шпинделя), мм | 250 | 132 |
| Угол поворота рукава вокруг колонны, град | 360 | 360 |
| Диаметр колонны, мм | 180 | 180 |
| Рамер поверхности плиты (ширина длина), мм | 800 х 630 | |
| Шпиндель | ||
| Частота прямого обертання шпинделя, об/мин | 63..1600 | 56..1400 |
| Кількість швидкостей шпинделя прямого обертання | 8 | 8 |
| Межі робочих подач на один оборот шпинделя, мм/об | 0,125; 0,2; 0,315 | 0,1..0,2 |
| Число ступенів робочих подач | 3 | 3 |
| Найбільший допустимий момент, що крутить, Н-м | 90 | |
| Найбільше зусилля подачі, кН | 5 | 5 |
| Конус шпинделя | Морзе 3 | |
| Затискач обертання колони | Ручний/ел. | Ручний |
| Затискач рукава на колоні | Ручний | Ручний |
| Затискач головки на рукаві | Ручний | Ручний |
| Електроустаткування. Привід | ||
| Кількість електродвигунів на верстаті | 2/ 3 | 1 |
| Електродвигун приводу головного руху М2, кВт | 1,5 | 2,2 |
| Електродвигун затискача колони М3, кВт | ні | |
| Електродвигун насоса охолоджувальної рідини М1, кВт | 0,125 | |
| Сумарна потужність встановлених електродвигунів, кВт | 2,2 | |
| Габарити та маса верстата | ||
| Габарити верстата (довжина ширина висота), мм | 1760 х 915 х 1970 | 1750 х 750 х 1900 |
| Маса верстата, кг | 1250 | 1030 |