Содержание
Для получения прочного гвинта з большим шагом применяют многозаходную резьбу. В етом случае шаг, высота різьби і її внутренний диаметр соответствуют однозаходной, а ход різьби во столько раз больше шага, сколько имеется заходов; например, у двухзаходной різьби ход вдвое больше її шага (см. рис. 320, б), у трех-заходной (см. рис. 320, в) — втрое больше і т. д.

Однозаходная і многозаходная різьби
У однозаходной різьби шаг і ход різьби одинаковы, при етом за один оборот гвинта гайка перемещается на величину шага. Если перемещение гайки за один оборот должно быть большим, то ход, а следовательно, і шаг однозаходного гвинта должны быть большими. Чем больше шаг, тем глубже получается резьба (высота різьби зависит от шага) і тем меньше будет внутренний диаметр гвинта. Винт з малым внутренним диаметром недостаточно прочен і не може передавать больших усилий.
Примеров применения многозаходных різьб множество: окуляры в биноклях і микроскопах, колпачки шариковых ручек, крышки для стеклянных банок і т.д.
Многозаходная резьба изготавливается согласно ГОСТ 24739-81, который устанавливает номинальные диаметры, шаги, ходы і допуски на трапецеидальный профиль многозаходной різьби. Встречаются, также, метрические і евольвентные многозаходные різьби, но они не гостированны.

Ход і шаг трапецеидальной двухзаходной різьби
Основні понятия і параметри в процессе нарізання многозаходной різьби:
В условное обозначение трапецеидальной многозаходной різьби должны входить: буквы Tr, номинальный диаметр різьби, числовое значение ходу і в скобках буква P і числовое значение шага, буквы LH для левой різьби.
Пример условного обозначения трапецеидальной многозаходной різьби номинальным диаметром d=20 мм, числовым значением ходу Ph=8 мм і шагом P=4 мм:
Тr20×8 (Р4)
Условное обозначение левой різьби:
Тr20×8 (Р4) LH
Поле допуска многозаходной трапецеидальной різьби состоит из обозначения поля допуска среднего диаметра, т.е. цифры, обозначающей степень точності, і буквы, обозначающей основне отклонение.
Поле допуска 4h диаметра d і поле допуска 4Н диаметра d1 в условном обозначении різьби не указывают.
Длина свинчивания, если она отличается от длины різьби, указывается в миллиметрах в кінці обозначения різьби, например:
Тr80×40 (Р10)-8е-180
Обозначение метрической многозаходной різьби начинается з буквы М. Пример обозначения різьби номинальным диаметром d=16 мм, ходом Ph=3 мм, і шагом 1,5 мм і полем допуска 6h:
M16×Ph 3 P1,5-6h
Основной проблемой при нарезании многозаходной різьби является установка резца в начало следующего шага різьби. Для точной установки резца в начало следующего шага используется несколько приемов:

Сменные зубчасті колеса
При делении з помощью сменных зубчатых колес необходимо, чтобы первое ведущее сменное колесо имело число зубьев, которое делится без остатка на число заходов різьби, например, на три при трехзаходной резьбе. Нарезав первый виток різьби, проводят мелом риски (рис. 332): риску 3 посредине зуба первого ведущего колеса z1 і риску 4 против соответствующей впадины зуба второго колеса z2. Отсчитывают от риски 3 требуемое число зубьев первого колеса (при двухзаходной резьбе половину, при трехзаходной треть і т. д.) Соответствующий зуб отмечают риской 2. После етого снимают первое сменное ведущее колесо з валика і поворачивают шпиндель до тех пор, пока при надевании колеса z1 зуб з риской 2 не совпадет з риской 4 (колеса z2, z3 і z4 при етом остаются неподвижными). После етого снова сцепляют колеса і нарезают второй виток різьби. Перед нарезанием третьего витка повторяют описанный прием деления; риска 1 должна совпадать з риской 4.

Поводковый делительный патрон
Поводковый патрон з несколькими пазами позволяет значительно упростить точный поворот заготовки. Число пазов должно равняться числу ходов гвинта или быть кратным етому числу. После нарізання первого витка різьби супорт возвращают в исходое положение не размыкая маточную гайку, заготовку снимают з центров і снова ставят на них таким образом, чтобы хомутик попал в следующий паз поводкового патрона. Затем нарезают вторую нитку.

Поводковый делительный патрон
Специальный поводковый делительный патрон (рис. 333.) также значительно облегчает деление многозаходной різьби на заходы. Патрон состоит из двух дисков 2 і 3, соединенных двумя болтами 1 і 5; на одном диске 2 имеется риска, а на втором 3 нанесена шкала в градусах. Нарезав один виток різьби супорт возвращают в исходое положение не отключая маточную гайку, поворачивают диск 3 з поводком 4 і деталь относительно нерухомою риски на 360°/2 = 180° при нарезании двухзаходной різьби, на 360°/3 = 120°— при нарезании трехзаходной різьби і т.д.
Этот способ деления применяют для деталей, которые можно обрабатывать в центрах; для работ в кулачковом патроне он не пригоден.
Деление на многозаходные різьби на станке 1к62 происходит поворотом заготовки на нужный угол как і в предыдущих случаях.
Для облегчения деления в станке имеется специальные опции:
Таким образом, на станке можно производить нарезание многозаходных різьб з делением на 2, 3, 4, 5, 6, 10, 12, 15, 20, 30 і 60 заходов.
Для деления на многозаходные різьби следует (из инструкции к верстату 1к62):
Деление на многозаходные різьби на станке 16к20 осуществляется точно также как і на 1к62.
При нарезании многозаходных різьб следует (из инструкции к верстату 16к20):

Деление многозаходных різьб смещением по шагу
Деление з разбивкой по шагу является наиболее простым і быстрым способом деления многозаходных резьб, доступным в условиях единичного производства.
Этот способ заключается в следующем. Вначале нарезают первый виток різьби. Нарезав его, выводят різець из канавки поперечної подачей на себя і дают ходовому винту обратный ход, возвращая різець в начальное положение не размыкая маточную гайку.
Для захода на второй виток перемещают різець в продольном направлении на шаг різьби, но уже не ходовым винтом, а винтом верхних салазок суппорта. Отсчет продольного переміщення резца ведут при етом по лимбу гвинта верхних салазок, если винт і гайки верхних салазок вполне исправны.
Для более точной установки резца применяют индикаторные приборы і набор мерных плиток. Так для нарізання двухзаходной різьби різець следует переместить на Ph/2, для нарізання трехзаходной різьби - на Ph/3, четырехзаходной - на Ph/4 і т.д.

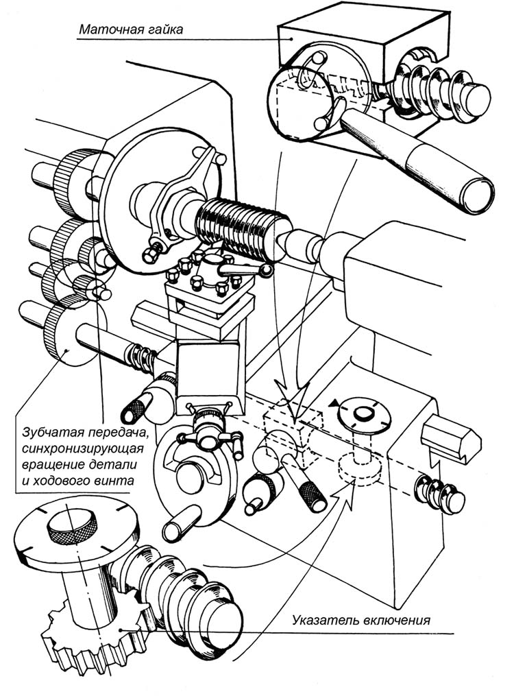
Индикатор нарізання реьбы (указатель увімкнення)
Основным недостатком деления многозаходных різьб на заходы поворотом заготовки является ускоренный износ маточной гайки і уменьшение производительности, так как після каждого робочого прохода супорт возвращается в исходное положение без размыкания маточной гайки до окончания нарізання різьби. То есть в кінці каждого прохода нужно отвести різець от детали, остановить верстат, дать ему задний ход, снова остановиться в исходном положении, дать резцу поперечную или боковую подачу, для нового прохода і повторить цикл. Таким образом, супорт остается все время в жесткой кінематичної связи со шпинделем верстата і різець не може не попасть в шаг різьби.
Другой способ состоит в том, что до увімкнення верстата в работу метками отмечается положение шпинделя относительно станины і суппорта относительно ходового гвинта. В кінці каждого прохода маточную гайку размыкают і возвращают в исходное положение вручную или з помощью механізма ускоренной подачі. Для повторного увімкнення (смыкания) маточной гайки нужно снова совместить метки взаимного положения.

Индикатор нарізання реьбы (указатель увімкнення)
Лучшие результаты дает использование специального пристроя, называемого индикатор резьбонарізання (указатель увімкнення), которое устанавливается в суппортах большинства современных верстатів.
В начале резьбонарізання Индикатор нарізання реьбы должен быть закреплен на фартуке і сцеплен з ходовым винтом верстата.
Необходимо установить різець в начальное положение нарезки, совместить его з нужной линией индикации на индикаторе і запустить верстат на точение різьби. После каждого выполненного прохода маточная гайка ходового гвинта може быть открыта, і продольный супорт возвращается ускоренно или маховиком в исходное положение.
Если требуемая резьба не може быть выполнена за один проход необходимо заново выровнять начальное положение нарезки і линию индикации і повторить проход. Таким образом будет нарезан виток нужной різьби.
Следующий виток, если резьба многозаходная, должен быть выполнен со смещением на шаг от начального положения нарезки.
Настрйку Индикатора нарізання різьби на нужный режим следует осуществлять по инструкции конкретной моделі индикатора і верстата.
При одновременном нарезании многозаходной різьби несколькими резцами, установленными в специальных державках, деление обеспечивается автоматически. При нарезании двухзаходных ходовых винтов пользуются резцедержателем (рис.18 , в), в котором закреплены два резца. Устанавливаются они по шаблону на расстоянии, точно соответствующему шагу между заходами. Таким образом, оба резца нарезают одновременно две канавки. Очевидно, что для обробки трехзаходной різьби можно было бы таким же образом установить і три резца.

Нарезание двухзаходной різьби двумя резцами
Применением многопрофильных резьбовых гребенок. В етом случае все заходы різьби нарезаются одновременно. Ход різьби обеспечивается подачей суппорта, шаг – шагом гребенки.
Второй і третий способы наиболее производительны. Ограничивают их применение:
Рубикон, 2019
Полезные ссылки по теме. Дополнительная информация