metalinstryment.com
Довідник по металорізальних верстатів та пресовому обладнанні

СВПГ Верстат сверлильно-пазовальный
Схеми, опис, характеристики

СВПГ Верстат сверлильно-пазовальный







Відомості про виробника сверлильно-пазовального верстата СВПГ

Производителем сверлильно-пазовального верстата СВПГ-2а является Днепропетровский станкостроительный завод ДСПО в настоящее время ООО "Станкостроитель".

В СССР Днепропетровский станкостроительный завод специализировался на верстатах фрезерной группы на протяжении всего своего существования. Однако в мае 1999 года ето крупнейшее на Украине производство верстатів было реструктуризировано, і в результате появилось шесть самостоятельных предприятий, одно из которых - ООО "Станкостроитель".

В России Кировским станкостроительным заводом выпускаются сверлильно-пазовальные верстати СВПГ-1е, которые имеют один рабочий стол.





Верстати, выпускаемые Днепропетровскм станкостроительным заводом ДСПО


СВПГ-2а Верстат сверлильно-пазовальный. Назначение, область применения

Верстат сверлильно-пазовальный СВПГ-2А предназначен для выборки пазов і сверления отверстий одновременно в двух виробих из древесины.

Станина верстата СВПГ-2А - цельнолитая, коробчатой формы. На станине смонтированы: два стола з прижимами, работающими на сжатом воздухе, з гідравлическим регулюванням скорости рабочей подачі. Столы имеют горизонтальную рабочую подачу і вертикальное настроечное перемещение.

Подача стола на глубину паза і прижим заготовки - пневматические. Всё ето увеличивает производительность верстата (по сравнению з СВПГ-1Р) более чем в два раза.

Привід обертання і колебаний шпинделя - от двухскоростного електродвигуна. Шпиндель двухсторонний, режущий инструмент закрепляется з обеих сторон. Возвратно-поступательное перемещение шпинделя осуществляется на линейных підшипниках качения. За счёт того, что передача от двигуна к шпинделю ременная, а сам шпиндель перемещается по длине паза на салазках, достигается высокая точность высверливаемого паза.

Рабочее рух столов з зажатыми деталями к режущему инструменту производится поочередно в непрерывном цикле. Отвод стола ускорен.

Верстат СВПГ-2а оснащен специальным фиксатором шпинделя в крайнем положении на всех длинах пазования, шкалами рабочих і установочных перемещений, а также пристрійм для базирования обрабатываемых деталей на столах.

Принцип роботи сверлильно-пазовального верстата СВПГ-2а

Обработка заготовок на станке СВПГ-2а производится методом фрезерування кінцівыми фрезами з осевой і радиальной подачами одновременно при пазовании і только з осевой подачей при сверлении сверлами.

Цикл обробки - напівавтоматический з ручной установкой заготовок і их съемом після обробки.

Прижим заготовок, рабочая подача, возврат в исходное положение і освобождение прижима поочередно на обоих столах производится в автоматическом режиме з регулируемой продолжительностью цикла обробки.

При нажатии кнопки «стоп верстата» или падении давления сжатого воздуха в пневмосистеме ниже 0,4 МПа (4 кгс/см2) привід верстата отключается, столы возвращаются в исходное положение, а прижимы освобождают заготовки независимо от фазы обробки установленной заготовки.

Основні руху в станке

Верстат имеет наступні рабочие руху:

Кроме рабочих движений на станке имеются настроечные переміщення:

Возвратно-поступательное рух шпинделя выполнено з регулируемой величиной амплитуды і частоти колебаний, а стола з регулируемой скоростью рабочей подачі.




СВПГ Загальний вигляд сверлильно-пазовального верстата

Фото сверлильно-пазовального верстата СВПГ

Фото сверлильно-пазовального верстата СВПГ-2А


Фото сверлильно-пазовального верстата СВПГ

Фото сверлильно-пазовального верстата СВПГ-2А


Фото сверлильно-пазовального верстата СВПГ

Фото сверлильно-пазовального верстата СВПГ-2А


Розташування складових частин сверлильно-пазовального верстата СВПГ

Розташування складових частин сверлильно-пазовального верстата СВПГ

Розташування складових частин сверлильно-пазовального верстата СВПГ-2А

  1. Станина СВПГ-2А.11.000 - 1
  2. Стол СВПГ-2А.22.000 - 2
  3. Прижим СВПГ-2А.27.000 - 2
  4. Бачок СВПГ-2А.29.000 - 1
  5. Шпиндель СВПГ-2А.31.000 - 1
  6. Кривошип СВПГ-2А.50.000 - 1
  7. Ограждение СВПГ-2А.79.000 - 1
  8. Стружкоприемник СВПГ-2А.76.000 - 2
  9. Пневмогідрообладнання СВПГ-2А.66.000 - 1
  10. Електроустаткування СВПГ-2А.80.000 - 1

Розташування органів керування сверлильно-пазовальным верстатом СВПГ

Розташування органів керування сверлильно-пазовальным верстатом СВПГ

Розташування органів керування сверлильно-пазовальным верстатом СВПГ-2А

  1. Винт налаштування длины паза
  2. Гайка фиксации установленной длины паза
  3. Фиксатор положения шпинделя
  4. Рукоятка фиксации стола от вертикального переміщення
  5. Маховичок вертикального переміщення стола
  6. Винт фиксации упора рабочей подачі стола
  7. Упор ограничения рабочей подачі стола
  8. Упор ограничения ходу стола назад
  9. Винт фиксации упора ограничения ходу стола назад
  10. Рукоятка фиксации положения прижима
  11. Кнопка «Стоп верстата»
  12. Кнопка «Шпиндель пуск»
  13. Сигнальная лампа «Шпиндель вращается»
  14. Переключатель «Непрерывный цикл»
  15. Сигнальная лампа Верстат под напряжением
  16. Рукоятка вводного автомата
  17. Рукоятка переключателя частоти обертання шпинделя
  18. Штифт фиксаций стола в нулевом положении
  19. Рукоятка фиксации стола на оси поворота
  20. Винт натяжения ремня
  21. Рукоятка вывода из зацепления маховика фрикционной передачи
  22. Пластина фиксации отключенного приводу колебаний шпинделя
  23. Кнопка налаштування скорости подачі
  24. Гайка натяжения ремня
  25. Лимб
  26. Лимб



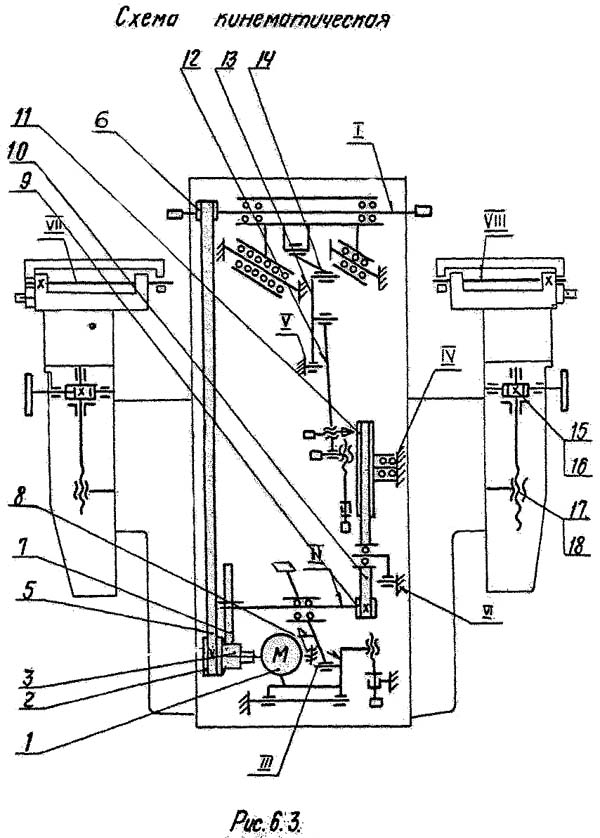
Схема кінематична сверлильно-пазовального верстата СВПГ

Схема кінематична сверлильно-пазовального верстата СВПГ

Кинематическая cхема сверлильно-пазовального верстата СВПГ-2А

Схема кінематична сверлильно-пазовального верстата СВПГ-2А. Дивитись у збільшеному масштабі



Кинематические ланцюги верстата осуществляют наступні руху:

  1. Вращение шпинделя фрезы, сверла
  2. Колебательное рух шпиндельной бабки в горизонтальной плоскости
  3. Рабочая подача столов от пневмоцилиндров вдоль оси шпинделя
  4. Установочное ручное перемещение стола вверх-вниз
  5. Прижим заготовки з помощью плунжерного пневмоцилиндра
  6. Наклон столов вокруг горизонтальных оси, параллельной оси шпинделя
  7. Фиксация столов в нужном положении

На валу електродвигуна 1 укреплен шкив 2 і ролик 3, вращение от которых через ремень 5, шкив б передається шпинделю I, а через маховик 7 - промежуточному валу II.

Промежуточный вал II закреплен на подмоторной плите 8 з возможностью поворота на оси III, обеспечивающее изменение передаточного отношения фрикционной дисковий передачи 3, 7 посредством переміщення маховика 7 на валу II, а соответственно частоту колебания шпинделя I.

На валу II жестко закреплен шкив 9, вращение от которого через ремень 10 передається шкиву 11, закрепленному на оси IV.

На шкиву 11 з возможностью, переміщення в радиальном направлении і фиксацией посредством гайки закреплена стойка, являющаяся пальцем кривошипно-шатунного механізма.

В колебательное рух шпиндель I, перпендикулярно оси обертання по двум направляющим, приводит кривошипно-шатунный механізм через шатун 12, рычаг 13 і серьгу 14. Рычаг 13 закреплен на станине посредством оси V. Натяжение ремня 5 производится переміщенням електродвигуна М относительно шпинделя I винтом, а ремня 10 подпружиненным роликом, который закреплен на оси VI посредством рычага.

На шатуне 12 з осевым переміщенням на резьбе закреплен палец, обеспечивающий фиксацию шпинделя I от перемещений (колебаний) вводом его в Т-образный паз шкива 11.

Столы верстата имеют рабочую подачу посредством пневмоцилиндров, установочное вертикальное перемещение посредством зубчатых передач 15 і 16 і винтовых пар 18 і 17, і наклон вокруг горизонтальных осей VII і VIII з фиксацией требуемого розположення их рабочих поверхностей относительно направления колебаний шпинделя гайками.


Общая компановка сверлильно-пазовального верстата СВПГ

Все составные частини верстата смонтированы на станине, а именно:

Станина

Станина литая, коробчатой формы, з окнами для монтажа і технического обслуживания, расположенных в ней механізмов і апаратури. Окна закрыты дверками і крышками. Внутри станины расположены ниша електроапаратури, две ременные передачи, фрикционная дискова передача, кривошипно-шатунный механізм, рычаг, серьга і бачок. На верхней стенке верстата смонтированы шпиндель і пульт керування, а на боковых стенках - столы з прижимами і стружкоприемниками.

Стол (рис.6.4)

Стол включает закрепленный на станине кронштейн I по призматическим направляющим которого имеет вертикальное перемещение ползун 2 з закрепленным на нем корпусом 3. Перемещение ползуна ручное, посредством зубчатой передачи 4, 5 і винтовой 6, 7.

По призматическим направляющим корпуса 3 посредством пневмоцилиндра 8 перемещаются салазки 9 со столом 10. Соединение салазок 9 со столом 10 выполнено осью II, расположенной параллельно направлению її переміщення. Вокруг оси стол имеет установочное перемещение розположення его рабочей поверхности относительно направления колебаний шпинделя, фиксируемое рукояткой 12.

Параллельно пневмоцилиндру 8 в корпусе 3 закреплен плунжерный гідроцилиндр 13, обеспечивающий (дросселированием вытесняемого из него масла) регулювання рабочей скорости подачі.

Прижим

Прижим представляет собой плунжерный пневмоцилиндр з пружинным возвратом, состоящим из корпуса 1, штока 2, пружины 3 і прижимной обрезиненной круглой пяты 4.

Корпус 2 закреплен на круглой штанге 5, которая посредством разрезной муфты 6 рукояткой 7 крепится на стойке стола.

Бачок

Бачок представляет собой емкость для масла, он включает трубу 1 з двумя крышками 2 і 3. В нижней крышке имеется два отверстия для подсоединения маслопроводов, на верхней крышке отверстие для масла, которое закрыто пробкой 4 со щупом 5 для определения уровня масла і встроенным в нее впускным обратным клапаном 6.

Шпиндель

Шпиндель включает литой корпус 1, в котором на двух спаренных радиально-упорных підшипниках з пружинным натягом выбора зазоров, смонтирован вал 2, на концах которого з двух сторон выполнены расточки і наружная резьба для крепления режущего инструмента посредством цанг і гаек 4. В корпусе шпинделя, перпендикулярно его оси, выполнены параллельные отверстия, в которых закреплены підшипники линейного переміщення 5 для осуществления колебаний шпинделя і одно отверстие, параллельное оси шпинделя, для подсоединения серьги механізма приводу колебаний.

Кривошип

Кривошип включает ось 1, нерухомо закрепленную в станине, на которой посредством двух радиальных шарикопідшибників смонтирован шкив 2 з Т-образным пазом. В Т-образном пазе подвижно смонтирована ось 3 кривошипа, имеющая посредством винтовой передачи 4 установочное перемещение з фиксацией. На оси кривошипа посредством радиального підшипника закреплен шатун 5 приводу колебаний шпинделя з пальцем 6 фиксации шпинделя в крайнем положении. Палец 6 соединен з шатуном посредством різьби, а фиксация осуществляется вводом его в Т-образный паз шкива 2.

Ограждение

Ограждение включает корпус 1, закрепленные на нем направляющие 2 і смонтированные на направляючих козырьки 3 і 5, пружину 4, а также упор 6 і 7. Козырьки 3 і 5 закрывают режущий инструмент і устанавливаются в исходное положение пружинами 4.

Исходное положение козырьков в зависимости от величины вылета (длины) инструмента регулируется упорами 6 і 7.

Стружкоприемник

Стружкоприемник представляет собой открытую сверху емкость, сваренную из листового железа з патрубком для подсоединения вытяжной вентиляции. Он закреплен на кронштейне стола под режущим инструментом. На станине установлено два стружкоприемника - левый і правый.


Стол сверлильно-пазовального верстата СВПГ

Стол сверлильно-пазовального верстата СВПГ

Стол сверлильно-пазовального верстата СВПГ-2А. Рис. 8





Електроустаткування сверлильно-пазовального верстата СВПГ

Схема електрична принципова сверлильно-пазовального верстата СВПГ

Електрична схема сверлильно-пазовального верстата СВПГ-2А

Схема електрична сверлильно-пазовального верстата СВПГ-2А. Дивитись у збільшеному масштабі



Загальні відомості

В состав електроустаткування верстата входит двухскоростной електродвигатель з короткозамкнутым ротором: в качестве приводу шпинделя і механізма качания.

Електроустаткування верстата выполнено для живлення от сети переменного тока 380В, 50 Гц.

Электрические параметри ланцюгів:

В електронише верстата установлены:

На пульті керування установлены: сигнальные лампы, кнопки керування приводами верстата.

Разводка силових ланцюгів і ланцюгів керування по верстату выполнена проводом ПВЗ. Выбор і прокладка питающего кабеля для подключения верстата і питающей електросети осуществляется заказчиком в соответствии з величиной тока, указанной в табличке на станке (3х1+Nх1+РЕх1).

Опис режима роботи сверлильно-пазовального верстата СВПГ-2А

Подача, напряжения живлення осуществляется выключателем Q1, о наличии напряжения в станке сигнализирует лампа H1.

Положением рукоятки переключателя SА1 собирается схема обмоток двухскоростного двигуна в YY или delta, что соответствует частоте обертання шпинделя 12000 или 6000 об/мин.

Кнопкой керування SВ2 включается пускатель K1 і реле часу K2. Пускатель K1 своим н.о. контактом становится на «самоподхват», подает напряжение на двигатель і своим н.о. контактом включает сигнальную лампу H2. Реле K2 замыкает свой контакт, подготавливая тем самым ланцюг увімкнення блока динамического торможения. При нажатии на кнопку SВ1, она самофиксируется в нажатом положении і разрывает ланцюг живлення пускателя K1, пускатель выключается і двигатель отключается от питающего напряжения, выключается сигнальная лампа Н2. Одновременно замыкается контакт пускателя К1 і включается пускатель К3, который своими линейными контактами подключает блок динамического торможения А1 на фазное напряжение сети - 220В.

Блок представляет собой однополупериодный выпрямитель на диодах V1 і V2. Он обеспечивает протекание по обмоткам статора двигуна выпрямленного постоянного тока в положительные полупериоды сетевого напряжения. При протекании указанного тока, двигатель создает тормозной момент і обеспечивает торможение і остановку шпинделя за время не более 6с. По окончании выдержки часу реле K2, его контакт в ланцюги размыкается і блок торможения отключается от сети.


Пневмогідравлическая схема сверлильно-пазовального верстата СВПГ

Схема Пневмогідравлическая сверлильно-пазовального верстата СВПГ

Пневмогідравлическая схема сверлильно-пазовального верстата СВПГ-2А

Схема пневмогідравлическая верстата СВПГ-2А. Дивитись у збільшеному масштабі








СВПГ-2А Верстат сверлильно-пазовальный. Відеоролик





Технічні характеристики сверлильно-пазовального верстата СВПГ-2А

Наименование параметра СВПГ-2А
Основні параметри
Наибольшая толщина обрабатываемой заготовки, мм 125
Наибольший диаметр высверливаемого отверстия (фрезеруемого паза), мм 30
Наибольшая глубина высверливаемого отверстия (фрезеруемого паза), мм 90
Наибольшая длина фрезеруемого паза, мм 125
Наибольшее расстояние от оси шпинделя до стола, мм 10..120
Количество шпинделей, шт 2
Поворот стола, град ±25°
Точность обробки. Равномерность ширины обрабатываемого паза или диаметра отверстия, постоянность ширины заплечика по длине паза (отверстия), перпендикулярность оси обрабатываемого отверстия поверхности на длине 100 не более, мм 0,15
Наибольшая скорость подачі стола, м/мин 3
Величина подачі стола, мм 30..110
Наибольшее число двойных ходов шпинделя в 1 минуту 140
Частота обертання шпинделя, об/мин 3,6
Количество обслуживающего персонала 1
Наименьший цикл обробки одного паза, с 8000; 12000
Наибольший расход сжатого воздуха, м³/час 1
Рабочее давление воздуха, МПа 0,4..0,6
Електроустаткування верстата
Род тока питающей сети 380В 50Гц
Количество електродвигателей на станке, шт 1
Електродвигун приводу фрезы, кВт 1,5 / 2,0
Габарит і масса верстата
Габарит верстата (длина х ширина х высота), мм 1496 х 724 х 1115
Масса верстата, кг 525

    Список литературы:


  1. Амалицкий В.В. Деревообрабатывающие верстати і инструменты, 2002
  2. Афанасьев А.Ф. Резьба по дереву, Техника, Инструменты, Изделия, 2014
  3. Бобиков П.Д. Мебель своими руками, 2004
  4. Борисов И.Б. Обработка дерева, 1999
  5. Джексон А., Дей Д. Библия работ по дереву, 2015
  6. Золотая книга работ по дереву для владельца загородного участка, 2015
  7. Ильяев М.Д. Резьба по дереву, Уроки мастера, 2015
  8. Комаров Г.А. Четырехсторонние продольно-фрезерные верстати для обробки древесины, 1983
  9. Кондратьев Ю.Н., Питухин А.В... Технология изделий из древесины, Конструирование изделий і расчет материалов, 2014
  10. Коротков В. И. Деревообрабатывающие верстати, 2007
  11. Лявданская О.А., Любчич В.А., Бастаева Г.Т. Основы деревообробки, 2011
  12. Любченко В.И. Рейсмусовые верстати для обробки древесины, 1983
  13. Манжос Ф.М. Дереворежущие верстати, 1974
  14. Расев А.И., Косарин А.А. Гідротермическая обработка і консервирование древесины, учебное пособие, 2010
  15. Рыженко В.И. Полная енциклопедия художественных работ по дереву, 2010
  16. Рыкунин С.Н., Кандалина Л.Н. Технология деревообробки, 2005
  17. Симонов М.Н., Торговников Г.И. Окорочные верстати, 1990
  18. Соловьев А.А., Коротков В.И. Наладка деревообрабатывающего оборудования, 1987
  19. Суханов В.Г. Круглопильные верстати для распиловки древесины, 1984
  20. Фокин С.В., Шпортько О.Н. Деревообработка, Технологии і обладнання, 2017
  21. Хилтон Билл Работы по дереву, Полное руководство по изготовлению стильной мебели для дома, 2017