metalinstryment.com
Довідник по металорізальних верстатів та пресовому обладнанні

НГ-13 Ножницы гильотинные кривошипные з наклонным ножом для листового металла
Схеми, опис, характеристики

НГ-13 Ножницы кривошипные листовые (гильотинные) з наклонным ножом для обробки листового металла



Прессы механические, прессы гідравлические, верстати поперечно-строгальные

Відомості про виробника гильотинных ножниц НГ-13

Изготовителем і разработчиком ножниц НГ-13 является Армавирский механический завод АрМеЗ, основанный в 1928 году.

Основной вигляд деятельности завода - производство гильотинных ножниц, в 1983 году завод выпустил первую модель ножниц, которые применяются для резки листового проката, а так же рубки прутка і уголка.

На сегодняшний день выпускается восемь модификаций гильотинных ножниц: НГ16; НГ16-01; НГ13; НГ13-01; НГ6,3; НГ6,3-01; НГ6,3/2,5; НГ6,3/3; НГ4/2,5, а так же сопутствующее обладнання: рольганги і тележка накопительная.

В настоящее время производит, также, ПАО «Кувандыкский завод КПО «Долина» Оренбургская обл., г. Кувандык





Верстати, выпускаемые Армавирским механическим заводом АрМеЗ


НГ-13 Ножницы кривошипные листовые гильотинные з наклонным ножом. Назначение і область применения

Ножницы гильотинные НГ13 механические з наклонным ножом для листового металла предназначены для поздовжньої і поперечної резки листового материала.

Гильотинные ножницы НГ13 применяются в заготовительных цехах машиностроительных предприятий.

Ножницы НГ13 выполнены з верхним приводом і з прямым ходом верхнего ножа.

Машина для резки листового і профильного материала НГ13 і НГ13-01 предназначена для резки листовой і профильной стали обыкновенного качества і углеродистой качественной конструкционной з временным сопротивлением σв ≤ 500 МПа (50 кгс/мм²).

Ножницы могут применяться в заготовительных і ремонтных цехах предприятий различных отраслей промышленности. Ножницы имеют климатическое виконання УХЛ4 по ГОСТ 15150-69 і предназначена для експлуатации в помещениях з температурой воздуха от плюс 5° С до плюс 35° С, относительной влажности не более 80% при температуре плюс 25° С.

Ножницы оснащены лазерным индикатором линии реза, интегрированным пультом керування.

Ножницы НГ-13-01 дополнительно оснащены централизованной смазочной системой.

Привід ножниц. Вращение от електродвигуна через клиноременную передачу, муфту-тормоз, цилиндрический редуктор передається на ексцентриковый вал і далее через кривошипно-шатунный механізм — ножевой балке.

Станина ножниц представляет собой сварную конструкцию, состоящую из двух стоек, связанных между собой швеллерами.

На стойки опирается стол, к которому гвинтами крепятся нижние ножи. Горизонтальным переміщенням стола регулируется зазор между верхними і нижними ножами. К столу крепятся передний і боковой упоры.

Ножевая балка — сварной конструкції Г-образной формы, усиленная ребрами. На ножевой балке крепятся верхние ножи.

Уравновешиватели служат для компенсации массы ножевой балки, а также для снижения динамических нагрузок при работе ножниц.

Для мерной резки полос ножницы снабжены задним упором, который установлен з тыльной стороны ножевой балки. Установка заднего упора производится з помощью винтового механізма, приводимого от маховичка вручную.

Лист при резке прижимается прижимной балкой, работающей согласованно з ножевой балкой. Необходимые зусилля прижима обеспечивают пружины, которые размещаются в стаканах прижимной балки.

Електросхема обеспечивает работу ножниц на одиночных і автоматических ходух.

Керування ножниц кнопкове і от педали.

Разработчик — Армавирский механический завод.


Гильотинные ножницы. Загальні відомості

Синонимы: ножницы гильотинные, ножницы листовые, ножницы механические, ножницы кривошипные, ножницы гідравлические, shears for sheet metal working, guillotine shears, crank shears.

Гильотинные ножницы - ножницы з наклонным ножом предназначены для прямолинейной поздовжньої і поперечної резки листового металла. На гильотинных ножницах може производиться резка листов, как по разметке, так і без нее - по заднему или боковому упорам.

В зависимости от типа приводу верхнего ножа гильотинные ножницы бывают:

Гідравлические гильотинные ножницы є наиболее мощными, длина реза у них достигает 8 і более метров, толщина разрезаемого материала - до 60 миллиметров.

Гильотинные ножницы з механическим приводом во многом схожи з гідравлическими ножницами, основным отличием является система привода: оба руху лезвия (и вверх і вниз) обеспечиваются кривошипным механізмом.

Ножницы з механическим приводом не обладают високою мощностью і применяются для резки материалов максимальной толщиной 3 - 8мм. Однако скорость реза у етого класса гильотин достаточно высока – до 56 резов в минуту (для сравнения, у гідравлических ножниц количество резов варьируется от 3 до 18 в минуту).

Гильотинные ножницы различают, также, по конструкції приводу верхнего ножа:

У гильотинных ножниц з прямым ходом верхнее лезвие закреплено на раме, которая за счет кривошипа или 2-х гідроцилиндров перемещается вниз по прямым направляющим, расположенным на внутренней поверхности боковых стенок машины.

У гильотинных ножниц з поворотной балкой перемещение верхнего ножа происходит за счет обертання балки вокруг центров, находящихся на боковых стенках в задньої частини верстата. Поскольку система приводу поворотной балки находится внутри корпуса машины - ножницы з поворотной балкой более компактные.

При относительно низкой стоимости ножниц з поворотной балкой, компактности і простоте их исполнения, у них все же имеется определенный недостаток: угол резки не изменяется, оставаясь равным установленному производителем, вне зависимости, режутся ли толстые или тонкие листы.





Загальний вигляд гильотинных ножниц НГ-13

НГ 13 Складні частини гильотинных ножниц

Фото гильотинных ножниц НГ-13


Розташування складових частин гильотинных ножниц НГ13

НГ13 Складні частини гильотинных ножниц

Розташування складових частин гильотинных ножниц НГ-13


Специфікація складових частин гильотинных ножниц НГ13

  1. Станина НГ13-01.00.000
  2. Привід НГ13-02.00.000
  3. Балка ножевая НГ13-03.00.000
  4. Прижим НГ13-04.00.000
  5. Упор задний НГ13-05.00.000
  6. Валы приводные НГ13-08.00.000
  7. Муфта увімкнення НГ13-09.00.000
  8. Уравновешиватель НГ13-10.00.000
  9. Электромагнитное керування НГ13-12.00.000
  10. Тормоз НГ6,3-09.00.000-03
  11. Ограждение НГ13-13.00.000
  12. Решетка защитная НГ13-20.00.000
  13. Електроустаткування НГ13-50.00.000
  14. Пульт керування НГ13-50.01.000

Кінематична схема ножниц НГ-13

НГ 13 кінематична схема ножниц гильотинных

Кінематична схема гильотинных ножниц НГ-13


Электромагнитное керування муфтой увімкнення ножниц НГ-13

НГ 13 Электромагнитное керування ножницами НГ-13

Электромагнитное керування муфтой увімкнення ножниц НГ-13


Конструкція гильотинных ножниц НГ-13

Ножницы состоят из станины, ножевой і прижимной балок, привода, валов приводных, муфты увімкнення, заднего упора, уравновешивателя, тормозов, ограждения, системы електроустаткування і змазки, решетки защитной.

Неправильная експлуатация гильотинных ножниц НГ-13

Наиболее часто втречающиеся причины выхода из строя гильотинных ножниц вследствие несоблюдения требований к их експлуатации:





Схема електрична принципова гильотинных ножниц НГ 13

Схема електрична принципова гильотинных ножниц НГ-13

Електрична схема гильотинных ножниц нг-13


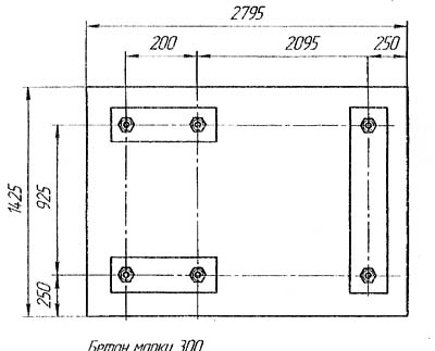
Настановне креслення гильотинных ножниц НГ 13

Настановне креслення гильотинных ножниц НГ13

Настановне креслення гильотинных ножниц НГ 13


Креслення ножа гильотинных ножниц НГ-13, НГ-16 (25 х 60 х 670)

Нож гильотинных ножниц НГ-13, НГ-16

Креслення ножа гильотинных ножниц НГ-13, НГ-16 (25 х 60 х 670)


Комплект ножей для гильотинных ножниц НГ-13, НГ-16

  1. Розміри ножа: 670*60*25 мм
  2. Расстояние от торца до центра крайнего отверстия 50 мм
  3. Расстояние между центрами отверстий 190 мм
  4. Количество отверстий 4 d 18 мм. Фаска под 90° d 27 мм
  5. Марка стали 6ХС по ГОСТ 5950—73, ножи шлифуются комплектно
  6. Твердость ножей — HRC 54 ... 58
  7. Допуск плоскостности поверхности Б — не более 0,1 мм на длине 100 мм
  8. Допускаемая разность размеров ножей комплекта в месте стыка не более 0,03 мм
  9. Неуказанные предельные отклонения H14; h14; ±IT14/2
  10. Остальные технические требования для комплекта ножей по ГОСТ 25306-82. Ножи плоские к листовым ножницам. Основні і присоединительные розміри. Технічні требования
  11. Комплект ножей 6 шт




НГ-13 Ножницы кривошипные листовые гильотинные з наклонным ножом для обробки листового металла. Відеоролик.




Технічні характеристики гильотинных ножниц НГ-13

Наименование параметра НГ-6,3 НГ-6,3 х 2500 НГ-6,3 х 3000 НГ-13 НГ-16
Основні параметри ножниц
Наибольшая толщина разрезаемого листа при σ BP ≤ 500 МПа, мм 6,3 6,3 6,3 13,0 16,0
Наибольшая длина разрезаемых листов в мм, мм 2000 2500 3000 2000 2000
Число холостых ходов ножа в минуту не менее 50 40 40 34
Угол наклона подвижного ножа в градусах 1°30' 1°30' 2°10' 2°50'
Ход ножа, мм 92 92
Длина отрезаемого листа по заднему упору, мм 500 500 500 500 500
Наибольшие розміри разрезаемого уголка, мм 56 х 56 х 5 63 х 63 х 6 63 х 63 х 6 63 х 63 х 6 63 х 63 х 6
Наибольший диаметр разрезаемого прутка, мм 30 30 30 30 30
Расстояние от верхней кромки нижнего ножа до пола, мм 830 910 800 770
Число режущих кромок ножа 4 4 4 4 4
Усилие прижима листа, кН 18 29 29 29 29
Режимов роботи 2 2 2 2 2
Тип муфты-тормоза Электромагн Электромагн Электромагн Электромагн Электромагн
Расстояние между стойками в свету, мм
Максимальное усилие реза, кН
Тип тормоза Ленточн Ленточн Ленточн
Размер ножа, мм 20 х 50 х 502 25 х 60 х 332 25 х 60 х 332 25 х 60 х 670 25 х 60 х 670
Електроустаткування і привід ножниц
Електродвигун привода, кВт 11 11 15 18,5 22
Габарит і масса ножниц
Габарит ножниц (длнна х ширина х высота), мм 3050 х 1200 х 1565 3630 х 1280 х 1455 4180 х 1325 х 1500 3100 х 2000 х 2250 3145 х 1920 х 2225
Масса ножниц, кг 3550 4950 6050 5600 6900

    Список литературы:

  1. Банкетов А.Н., Бочаров Ю.А., Добринский Н.С. і др. Кузнечно-прессовое обладнання, 1970
  2. Бочаров Ю.А., Прокофьев В, Н. Гідропривід кузнечно-прессовых машин, 1969
  3. Белов А.Ф., Розанов Б. В., Линц В. П. Объемная штамповка на гідравлических прессах, 1971
  4. Живов Л.И. Кузнечно-штамповочное обладнання, 2006
  5. Кузьминцев В.Н. Ковка на молотах і прессах, 1979
  6. Розанов Б.В. Гідравлические прессы, 1959
  7. Титов Ю.А. Обладнання кузнечно-прессовых цехов, 2001
  8. Щеглов В.Ф. Кузнечно-прессовые машины, 1989
  9. Берлет Разработка чертежей поковок, 2001
  10. Рудман Л.И. Справочник по оборудованию для листовой штамповки, 1989
  11. Романовский В.П. Справочник по холодной штамповке, 1965
  12. Охрименко Я.М. Технология кузнечно-штамповочного производства, 1966
  13. Кузьминцев В.Н. Ковка на молотах і прессах, 1979
  14. Мещерин В.Т. Листовая штамповка. Атлас схем, 1975