metalinstryment.com
Довідник по металорізальних верстатів та пресовому обладнанні

КД2114 Пресс однокривошипный простого дії открытый
схеми, опис, характеристики

Фото пресса однокривошипного простого дії открытого ненаклоняемого КД2114



Прессы механические, прессы гідравлические, верстати поперечно-строгальные

Відомості про виробника однокривошипного пресса КД2114

Разработчик однокривошипного пресса КД2114 — Азовское специальное конструкторское бюро кузнечно-прессового оборудования і автоматических линий, СКБ КО.

Пресс КД2114 выпускал з 1978 года Курский завод кузнечно-прессового оборудования, основанный в 1943 году.

В настоящее время пресс КД2114 производят:




Верстати, выпускаемые Курским заводом кузнечно-прессового оборудования


КД2114 Пресс однокривошипный простого дії открытый ненаклоняемый. Назначение, область применения

Механический быстроходный пресс КД2114 усилием 25 кН (2,5 тс) предназначен для выполнения вырубки, гибки, неглубокой вытяжки, пробивки і других различных операций холодной штамповки.

Принцип роботи і особливості конструкції пресса КД2114

Станина литая чугунная коробчатого сечения С-образной формы установлена на двух стойках.

Ползун коробчатой формы з призматическими направляющими.

Высота межштампового простору регулируется вручную вращением гвинта шатуна.

Привід одноступенчатый от електродвигуна. Через клиноременную передачу рух передається на маховик, находящийся на кривошипном валу.

Муфта-тормоз жесткосблокированная многодискова фрикционная з пневматическим включением.

На прессе КД2114 возможна установка средств механизации і автоматизации.

Електросхема обеспечивает работу пресса на одиночных і автоматических ходух, в режимах «Толчок» і «Ручной проворот». Для безопасной роботи предусмотрена двурукая кнопочная електроблокировка, а также ограждение штампового простору.

Керування прессом кнопкове і педальное.

Смазка ручная, индивидуальная.

Пресс изготовляется з основними параметрами по ГОСТ 9408—77.


Однокривошипный пресс простого дії. Загальні відомості

Прессы кривошипные простого дії

Кінематична схема кривошипного пресса:

  1. ползун
  2. тормоз
  3. маховик
  4. клиноремённая передача
  5. електродвигатель
  6. передавальний вал
  7. зубчатая передача
  8. муфта
  9. кривошипный вал
  10. шатун
  11. плита для крепления матрицы штампа

Кривошипный пресс - машина з кривошипно-шатунным механізмом, предназначенная для штамповки различных деталей.

Рабочей частью (инструментом) пресса является штамп, неподвижную часть которого крепят к столу, подвижную — к ползуну пресса. Ползун перемещается кривошипно-шатунным механізмом. За один оборот кривошипа шатун совершает полный ход, во время которого при движении ползуна вперёд происходит штамповка.

Усилие пресса создаётся за счёт крутящего момента, передаваемого кривошипному валу електроприводом. Привід состоит из електродвигуна, маховика, муфты увімкнення, тормоза і понижающей зубчатой передачи, от которой вращение передаётся кривошипному валу. Електродвигун вращает маховик, за счёт силы инерции которого на кривошипном валу возникает крутящий момент. Пресс може работать в режиме одиночных ходов, т. е. з вимкненням муфты після каждого полного ходу, или в автоматическом режиме, когда муфта включена постоянно.

Важнейшие характеристики пресса, в определяющие его технологические возможности:

Кривошипные прессы различных конструкций используют для объёмной і листовой штамповки.

По конструкції прессы имеют три основних исполнения:

Прессы наклоняемые позволяют использовать наклон станины для съема штампуемых изделий или удаления отходов под их собственным весом.

Прессы ненаклоняемые з передвижным столом предназначены для выполнения операций штамповки на деталях з широким диапазоном размеров по высоте, а при замене стола рогом обрабатывать вироби з замкнутым контуром.

Конструкція наклоняемых і ненаклоняемых прессов з нерухомим столом передбачає возможность установки механізмов автоматичною подачі металла і пневматических подушек, а также встраивать их в автоматизированные поточные линии.


Обозначение кривошипных прессов

Значения первых двух цифр в обозначениях кривошипных прессов:

За двумя первыми цифрами следуют еще две цифры, обозначающие номинальное усилие пресса, а затем буква, которая показывает его модификацию в группе прессов данного вида.


Значения основного параметра (номинальное усилие пресса) в обозначениях прессов:

Таблиця 1. Обозначение основного параметра пресса

Обозн. пресса Усилие пресса, кН Обозн. пресса Усилие пресса, кН Обозн. пресса Усилие пресса, кН Обозн. пресса Усилие пресса, кН
14 25 кН 20 100 кН 30 1000 кН 40 10000 кН
15 31,5 кН 21 125 кН 31 1250 кН 41 12500 кН
16 40 кН 22 160 кН 32 1600 кН 42 16000 кН
18 63 кН 23 200 кН 33 2000 кН 43 20000 кН
24 250 кН 34 2500 кН 44 25000 кН
25 315 кН 35 3150 кН 45 31500 кН
26 400 кН 36 4000 кН 46 40000 кН
28 630 кН 38 6300 кН 48 63000 кН

Пример обозначения механических прессов:





КД2114 Габарити робочого простору кривошипного пресса

Габарити робочого простору кривошипного пресса КД2114 открытого ненаклоняемого

Габарити робочого простору кривошипного пресса КД2114


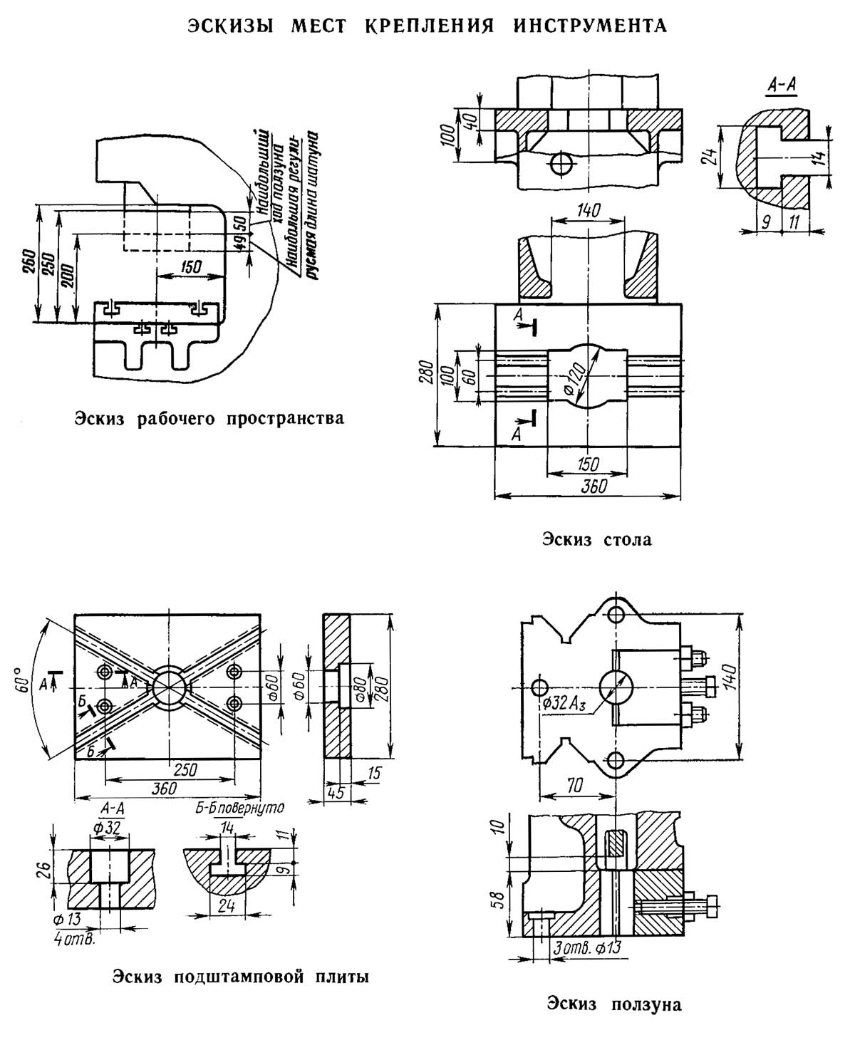
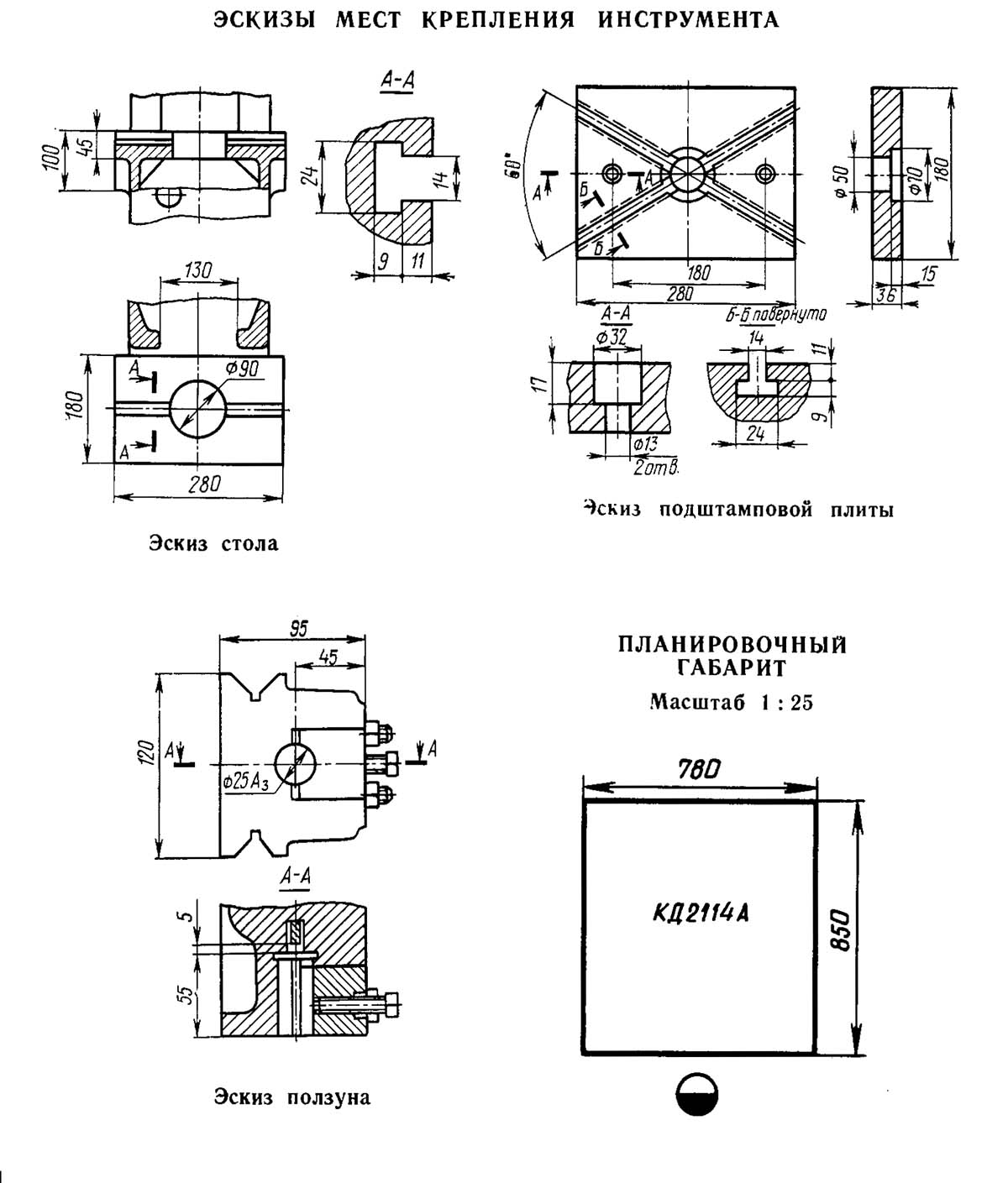
КД2114 Ескізы мест крепления инструмента кривошипного пресса

Ескізы мест крепления инструмента кривошипного пресса КД2114

Ескізы мест крепления инструмента кривошипного пресса КД2114

Ескізы мест крепления инструмента кривошипного пресса КД2114. Дивитись у збільшеному масштабі



КД2114 общий вигляд однокривошипного пресса

КД2114 Загальний вигляд  кривошипного открытого ненаклоняемого пресса

Загальний вигляд однокривошипного пресса КД2114

Загальний вигляд кривошипного пресса КД2114. Дивитись у збільшеному масштабі




КД2114 изображение однокривошипного пресса

КД2114 Изображение кривошипного открытого ненаклоняемого пресса

Фото однокривошипного пресса КД2114

Фото однокривошипного открытого ненаклоняемого пресса КД2114. Дивитись у збільшеному масштабі



КД2114 Изображение кривошипного открытого ненаклоняемого пресса

Фото однокривошипного пресса КД2114


КД2114 Изображение кривошипного открытого ненаклоняемого пресса

Фото однокривошипного пресса КД2114

Фото однокривошипного открытого ненаклоняемого пресса КД2114. Дивитись у збільшеному масштабі



КД2114 Изображение кривошипного открытого ненаклоняемого пресса

Фото однокривошипного пресса КД2114


Розташування основних вузлів однокривошипного пресса КД2114

Розташування основних вузлів однокривошипного пресса КД2114 открытого ненаклоняемого пресса

Розташування основних вузлів однокривошипного пресса КД2114

Розташування основних вузлів однокривошипного пресса КД2114. Дивитись у збільшеному масштабі



  1. КД2114.A-11-001 - Станина
  2. КД2114.A-23-001 - Вал ексцентриковый
  3. КД2114.A-24-001 - Командоаппарат
  4. КД2114.А-72-001 - Ограждение командоаппарата
  5. КД2114.A-42-001 - Головка воздухоподводящая
  6. КД2114.A-7I-001 - Ограждение привода
  7. КД2114.А-41-001 - Воздухопровод
  8. КД2114.A-2I-001 - Привод
  9. КД2114.A-22-001 - Муфта-тормоз
  10. КД2114.А-25-001 - Маховик
  11. КД2114.А-26-001 - Установка муфта-тормоз
  12. КД2114.А-31-001 - Ползун
  13. КД2114.А-73-001 - Ограждение рабочей зоны
  14. КД2114.А-92-001 - Пост керування кнопочний
  15. КД2114.A-91-001 - Електроустаткування

Розташування органів керування однокривошипным прессом КД2114

Розташування органів керування однокривошипным прессом КД2114

Розташування органів керування однокривошипным прессом КД2114

Розташування органів керування однокривошипным прессом КД2114. Дивитись у збільшеному масштабі






Схема кінематична однокривошипного пресса КД2114

Кінематична схема однокривошипного пресса КД2114 открытого ненаклоняемого пресса

Кінематична схема однокривошипного пресса КД2114

Кінематична схема однокривошипного пресса КД2114. Дивитись у збільшеному масштабі

Схема розположення підшибників однокривошипного пресса КД2114. Дивитись у збільшеному масштабі



Список елементів кінематичної схеми

  1. Електродвигун
  2. Шкив
  3. Маховик
  4. Муфта-тормоз
  5. Вал ексцентриковый
  6. Упор выталкивателя
  7. Планка выталкивателя
  8. Винт механізма наклона
  9. Ползун
  10. Винт регулировочный
  11. Шатун
  12. Втулка ексцентриковая
  13. Гайка

Опис роботи пресса КД2114

Станина

Станина ненаклоняемого пресса I (рис. 7) чугунная коробчатой формы воспринимает все зусилля, возникающие при штамповке.

Станина крепится на двух стойках посредством четырех пальцев. В верхней частини станины в стаканах 15 і 17 расположены підшипники качения 14 і 16, служащие опорами ексцентриковому валу. Сверху на скосе станины имеется платик для подмоторной плиты, на которой устанавливается електродвигатель.

Спереди на специально обработанных поверхностях станины крепятся призматические направляющие ползуна. Левая направляющая регулируемая і її регулировка осуществляется при помощи резьбового соединения II, 12, 13. Передня часть станины закрыта дверкой 2.

На рабочей плоскости стола закреплена подштамповая плита 5. Для крепления штампов на плите имеются Т-образные пазы.

Для роботи на провал в столе і плите предусмотрены отверстия. К нижней частини станины крепится наклонный лоток 6 для удаления готовых деталей или отходов. Внизу между стойками 7 і 8 расположена регулируемая по высоте і углу наклона подставка 9 для ног. При работе на прессе з верхним выталкивателем используется регулируемый упор 4, установленный в кронштейне 3.

Вал ексцентриковый

Вал ексцентриковый состоит из собственно ексцентрикового вала I (рис. 9) і ексцентриковой втулки 2. Регулювання величины ходу ползуна осуществляется вращением ексцентриковой втулки, которая соединена з ексцентриковым валом через зубчатую передачу і выводится из зацепления вращением гайки 3.

После установки необходимой величины ходу ползуна ексцентриковая втулка вводится в зацепление з ексцентриковым валом вращением гайки 3, которая стопорится винтом 6. Необходимая величина ходу ползуна устанавливается по шкале 5 з помощью указателя 4.

Угловое положение ексцентрикового вала относительно верхней мертвой точки (ВИТ) остается неизменным лишь в двух случаях, при установці наибольшей или наименьшей величины ходу ползуна.

При установці любой промежуточной величины ходу ползуна происходит угловое отклонение ексцентрикового вала, которое може достигать 53е у прессов усилием 25 кН (при ходе ползуна 10...13 мм) і 55° у прессов усилием 63 кН (при ходе ползуна 14..17 мм). Вследствие етого ползун не доходит до ВМТ, что исключает возможность роботи пресса з верхним выталкивателем. С целью устранения вышеупомянутого явления в прессах применена корректировка углового положения ексцентрикового вала, которая осуществляется з помощью алюминиевых дисков командоаппарата.

Командоаппарат

Командоаппарат (система путевых бесконтактных конечных выключателей sq1...sq4) предназначен для коммутации тока в електрических цепях керування прессом.

Командоаппарат устанавливается на левый конец ексцентрикового вала. Через втулку 4 (рис. 10) осуществляется привід автоматических подач (ВП32,РКП15).

Бесконтактные конечные выключатели типа БВК20124 установлены на кронштейне 11, закрепленном на станине.

На алюминиевом диске 1 расположен конечный выключатель 6 (sq2), управляющий одним електропневматическим вентилем сдвоенного трехлинейного пневмораспределителя типа У7122А (остановка ползуна в ВМТ).

На алюминиевом диске 2 расположен конечный выключатель 10 (sql), управляющий другим електропневматическим вентилем пневмораспределителя і одновременно осуществляющий контроль тормозного пути (при увеличении тормозного пути, например, при разрегулировании муфты-тормоза или недопустимом износе тормозных накладок муфту-тормоз включить невозможно).

На алюминиевом диске 3 расположены конечный выключатель 9 (sq3), осуществляющий блокировку ходу ползуна вниз при двуруком включении (если ползун не доходит до нижней мертвой точки, то отпускание кнопок двурукого увімкнення вызывает останов ползуна), і конечный выключатель 5 (SQ4), который осуществляет блокировку системы контроля тормозного пути, т.е. исключает подачу команды на срабатывание електропневматического вентиля при прохождении контролирующего выреза диска 2 через конечный выключатель sq1).

При изменении величины ходу ползуна необходимо произвести регулировку командоаппарата, для чего расстопорить гайки 7, отпустить винты 8, повернуть алюминиевые диски 1, 2 і 3 на угол, соответствующий углу смещения ВМТ ексцентрикового вала, і вновь затянуть винты 8, застопорив их гайками 7.

Привод

Привід пресса осуществляется от електродвигуна 6 (рис. II) через клиноременную передачу I, маховик 2 з вмонтированными в него пальцами, муфту-тормоз к ексцентриковому валу.

Електродвигун установлен на качающейся подмоторной плите 7. Регулювання натяжения ремней осуществляется винтом 5 і гайками 3 і 4.

Установка муфта-тормоз

Установка муфта-тормоз состоит из следующих складових частин: муфты-тормоза, воедухоподводящей головки 12 (рис. 12) і маховика 20, опорами которого служат радиальные шарикопідшипники 19, насаженные на втулку 18, которая в свою очередь устанавливается на ексцентриковый вал 17.

Муфта-тормоз жестко сблокированная многодискова фрикционная з пневматическим включением. Ведущей частью служат ведущие диски 2 муфты з фрикционными накладками. Ведомая часть состоит из ступицы 14 з нерухомо присоединенным поршнем II; цилиндра 6; промежуточных дисков 8, воспринимающих окружные зусилля; разрезных опорных гаек 16 і 10 муфты і тормоза, установленных соответственно на ступицу 14 і поршень II і воспринимающих осевые зусилля нажимного диска 7 тормоза, жестко установленного на цилиндре 6. Тормозной частью служит тормозной диск 3 з фрикционными накладками.

Работа муфты-тормоза происходит следующим образом:

Сжатый воздух через воздухоподводящую головку 12, поршень II, ступицу 14 поступает в пневмокамеру К, перемещает цилиндр 6 вдоль оси ексцентрикового вала 17 в сторону муфты і зажимает ведущие диски 2 муфты, связанные з постоянно вращающимся маховиком 20 через пальцы 4, обеспечивая передачу крутящего момента через ступицу на ексцентриковый вал. В момент торможения ексцентрикового вала сжатый воздух из пневмокамеры выпускается в атмосферу через воздухоподводящую головку, соединительный рукав і сдвоенный трехлинейный пневмораспределитель.

При етом цилиндр 6 под воздействием пружин 13 возвращается в сторону тормоза і зажимает тормозной диск 3, сидящий на пальцах 5, закрепленных в кронштейне I, который з помощью пальца 21 жестко связан со станиной 22.

По мере износа фрикционных накладок дисков 2 і 3 увеличивается зазор а , что вызывает повышенный стук при включении муфты і увеличивает расход сжатого воздуха. Для регулювання етого зазору служат разрезные гайки 16 й 10,. которые фиксируются гвинтами 15 і 9.




Ползун

Ползун является рабочим органом пресса, к которому крепится верхняя часть штампа. Ползун 3 (рис. 13) имеет коробчатую форму з призматическими двухсторонними направляющими. Ползун крепится к ексцентриковому валу посредством регулировочного гвинта II і разъемного шатуна 12, в корпусе і крышке которого установлены бронзовые вкладыши 13 і 14 підшипника ковзання, охватывающие ексцентриковую втулку. Шаровая головка регулировочного гвинта II, нижняя опора 7 і плавающий вкладыш 8 помещены в стакан 6. После регулировки зазору в шаровом з'єднанні гайка 9, ввернутая в стакан, стопорится шпонкой 16.

Опорой стакана шарового соединения является срезная предохранительная шайба 5,рассчитанная на разрушение при перегрузке пресса. При срезании предохранительной шайбы необходимо винтом 17 расстопорить гайку 10, вывернуть її на 1,5-2 оборота, приподнять шатун з регулировочным винтом і стаканом и, вращая маховик пресса в режиме "Ручной проворот", заменить предохранительную шайбу, затянуть гайку 10 і застопорить її винтом 17.

Регулювання величины штампового простору производится вращением регулировочного гвинта.

Установленная величина штампового простору фиксируется стопорными втулками 20 і 22, которые стягиваются винтом 21.

Нижний предел регулювання штампового простору ограничивается фиксатором 15. Величина регулювання определяется по линейке 2.

В нижней частини ползуна расположено отверстие под хвостовик верхней плиты штампа. Крепление хвостовика осуществляется прижимом 18 посредством двух шпилек з гайками. Стопорный винт 19 служит для дополнительной фиксации хвостовика штампа, а также для отталкивания прижима при снятии штампа. В пазу ползуна расположено коромысло выталкивателя 4, подпружиненное двумя пружинами I.


Електроустаткування

Загальні відомості

Електросхема пресса включает в себя наступні ланцюги:

  1. питающую ланцюг електродвигуна головного приводу трехфазного переменного тока частотой 50 Гц напряжением 220, 230, 240, 380, 400, 415 В і частотой 60 Гц напряжением 220, 380, 440 В;
  2. ланцюг керування переменного тока напряжением 110 В для живлення бесконтактного блока керування БУБ-IA (електрошафи);
  3. ланцюг керування постоянного тока напряжением 24 В для живлення електропневматических вентилей Sql і Sq2 пневмораспределителя У7122А, бесконтактных конечных выключателей Sq1..Sq4 типа БВК201-24, електромеханического счетчика числа ходов;
  4. ланцюг сигнализации переменного тока напряжением 5 В;
  5. ланцюг освещения переменного тока напряжением 24 В.

Схема розміщення електроустаткування на прессе, схеми електрические принципова і з'єднань,схеми електрические з'єднань поста керування і пневмораспределителя показаны на рис. 14...18.




КД2114 Пресс кривошипный простого дії открытый. Відеоролик.




Технічні характеристики пресса КД2114

Технічні характеристики однокривошипного пресса КД2114 открытого ненаклоняемого пресса

Технічні характеристики однокривошипного пресса КД2114

Технічні характеристики однокривошипного пресса КД2114. Дивитись у збільшеному масштабі




    Список литературы:

  1. Банкетов А.Н., Бочаров Ю.А., Добринский Н.С. і др. Кузнечно-прессовое обладнання, 1970
  2. Бочаров Ю.А., Прокофьев В, Н. Гідропривід кузнечно-прессовых машин, 1969
  3. Белов А.Ф., Розанов Б. В., Линц В. П. Объемная штамповка на гідравлических прессах, 1971
  4. Живов Л.И. Кузнечно-штамповочное обладнання, 2006
  5. Кузьминцев В.Н. Ковка на молотах і прессах, 1979
  6. Розанов Б.В. Гідравлические прессы, 1959
  7. Титов Ю.А. Обладнання кузнечно-прессовых цехов, 2001
  8. Щеглов В.Ф. Кузнечно-прессовые машины, 1989
  9. Берлет Разработка чертежей поковок, 2001
  10. Рудман Л.И. Справочник по оборудованию для листовой штамповки, 1989
  11. Романовский В.П. Справочник по холодной штамповке, 1965
  12. Охрименко Я.М. Технология кузнечно-штамповочного производства, 1966
  13. Кузьминцев В.Н. Ковка на молотах і прессах, 1979
  14. Мещерин В.Т. Листовая штамповка. Атлас схем, 1975