metalinstryment.com
Довідник по металорізальних верстатів та пресовому обладнанні

JRT-2 Стол фрезерный універсальний чугунный
Схеми, опис, характеристики

JRT-2 Стол фрезерный







Відомості про виробника фрезерного стола Jet JRT-2

Поставщиком фрезерного стола Jet JRT-2 является JPW Tools AG Швейцария, которое является дочерним предприятием акционерного общества Walter Meier (Tool) AG. Адрес сайта: www.jettools.com

На территории России продукцию компании Jet ексклюзивно представляет компания ИТА-СПб г.Санкт-Петербург, основанная в 2004-ом году, как дочернее подразделение, наделенное всеми правами по продаже, продвижению і техническому обслуговування.





Верстати, выпускаемые компанией JPW Tools AG, Швейцария, Китай


Jet JRT-2 Стол фрезерный універсальний чугунный. Назначение, область применения

Універсальный фрезерный стол JRT-2 предназначен для роботи ручным електрофрезером Triton TRA001 і MOF001 в стационарном положении. Стол производитель относит к хобби-уровню, фрезер — профессиональный, оборудованный микролифтом, пригоден для проведения высокоточных работ.

Стол Jet JRT-2 адаптирован под крепеж платформы фрезера Triton. Сверления установочной пластины сделаны уже на заводе, плюс к етому предусмотрено отверстие з пластиковой втулкой для рукоятки микролифта. Монтажу моделей других производителей ети отверстия не помешают.

Очевидное достоинство стола Jet JRT-2 - чугунное литье. Большая масса стола положительно сказывается как на удобстве роботи, так і на качестве фрезерування.

Стол JRT-2 комплектуется подвижным угловым упором і имеет паз для него; также предусмотрены фрезерный упор з ограждением і патрубком пылеотсоса, магнитный пускатель і съемные удлинители из листовой стали.

Стол Jet JRT-2 з фрезером Triton TRA001 или MOF001 предназначен для фрезерных операций:




Особливості конструкції Jet JRT-2

Фото рейсмуса JRT-2

Фото фрезерного стола JRT-2


Фото фрезерного стола JRT-2 з установленным фрезером

Фото фрезерного стола JRT-2 з установленным фрезером


Работа на фрезерном столе JRT-2

Работа на фрезерном столе JRT-2


TRA001 Двухрежимный погружной фрезер з микролифтом

TRA001 Двухрежимный погружной фрезер з микролифтом





Розташування складових частин фрезерного стола JRT-2

Розташування складових частин фрезерного стола JRT-2

Розташування складових частин фрезерного стола JRT-2

  1. Основной стол
  2. Опорная нога
  3. Поддерживающий кронштейн
  4. Дополнительный стол
  5. Электрокоробка
  6. Угловая направляющая
  7. Вытяжной штуцер
  8. Основная направляющая
  9. Отверстие для установки рукоятки микролифта




Установка ручного фрезера TRA001 на фрезерный стол JRT-2

>Подготовка фрезера TRA001 к установці на фрезерный стол JRT-2

Подготовка фрезера TRA001 к установці на фрезерный стол JRT-2

Для установки фрезера демонтируйте з платформы фрезера скользящую подошву. Приложите монтажную пластину фрезерного стола 1 (см. рис. В) к платформе фрезера 3, наметьте і просверлите отверстия 2 в пластине, совпадающие з резьбовыми отверстиями на платформе. Прикрепите гвинтами монтажную пластину к платформе фрезера.


Установка фрезера TRA001 на фрезерный стол JRT-2

Установка фрезера TRA001 на фрезерный стол JRT-2


Установка ручного фрезера Triton TRA001 в універсальний фрезерный стол Jet JRT 2

В столярном деле фрезер — один из главных инструментов на заключительных етапах деревообробки: выборка четвертей, пазов, отделка кромок — ети и многие другие операции можно выполнить одним и тем же инструментом, просто меняя его фрезы. Но возможности ручного фрезера ограничены: некоторые операции требуют точності, которой при удержании «на руках» не добиться. Даже в простых случаях, вроде фигурной обробки кромок, перемещать довольно тяжёлый ручной фрезер, точно выдерживая его, — работа, простая лишь на первый взгляд. Одно дело, например, если кромку надо обработать на широкой панелі — подошве фрезера найдётся опора, но та же операция на узкой планке или торце доски — задача уже нетривиальная. Попробовать-то можно, но иногда одним движением легко испортить всю заготовку.

Стационарные фрезерные верстати почти всегда удобнее ручных фрезеров, но стоят они немало, места занимают изрядно, да и переместить такой верстат даже с одного места на другое непросто, не то что взять его с собой «на выезд». Компромисс — установка фрезера «в стол». Большинство ручных фрезеров теоретически можно приспособить для настольной установки, хотя доступ к отдельным елементам фрезера ето усложнит: не все они рассчитаны на такую работу.

Для мастера, который освоил работу с фрезером, собрать или приспособить подходящий столик — не проблема. Впрочем, ничто не мешает приобрести и «заводской» стол. И фрезер с удобной конструкцией именно для роботи «в столе».

Jet JRT 2 — стол, который предназначен для роботи ручным фрезером в стационарном положении. Найти применение в мастерской для небольшого столика с чугунной столешницей — не проблема. Модель оборудована двумя удлинителями, крепящимися к боковинам стола при помощи кронштейнов і винтов, угловым упором, который можно перемещать по пазам в столе и удлинителям, и сборным фрезерным упором для переміщення заготовки. Положение фрезерного упора и направляючих планок на нём регулируется в зависимости от типа и диаметра установленной фрезы, патрубок для системы пылеудаления встроен в упор, диаметр патрубка — 57 мм, переходника — 100 мм. Также к упору и столу можно прикрепить две планки, ограничивающие перемещение заготовки.

Ещё один важный елемент стола — магнитный выключатель с кабелем длиной 2,2 м. Он оборудован тепловым предохранителем, с тыльной стороны корпуса выключателя предусмотрена пара розеток, предназначенных для подключения собственно фрезера и пылесоса.

Стол адаптирован для установки вертикальних фрезеров Triton, имеющих некоторые отличия от представленных на рынке моделей других производителей. Хотя поставить на него можно и любой другой фрезер.

Адаптация заключается в двух особенностях. Первая — заранее просверленные в монтажной пластине стола отверстия именно для крепления подошвы фрезеров Triton. При использовании другого фрезера отверстия для его крепления придётся просверлить самостоятельно. Вторая особенность — дополнительное отверстие в самом столе, рядом с монтажной пластиной. Оно нужно для установки специальной рукоятки микролифта, которой регулируют вылет фрезы со стороны подошвы. Это «фишка» именно фрезеров Triton, которые сами по себе адаптированы для установки в стол. На фрезерах других производителей такая рукоятка не предусмотрена, регулируют их «как обычно», со стороны, противоположной подошве.

Вообще говоря, вертикальные фрезеры у Triton представлены двумя моделями, вторая, Triton MOF001, отличается мощностью двигуна — 1400 Вт и ещё некоторыми техническими параметрами. Но для установки ето несущественно.

Первым делом снимаем с фрезера скользящую подошву, а со стола — монтажную пластину. Винтами «с подошвы» прикручиваем пластину к фрезеру. Если фрезер другой марки, предварительно придётся разметить, просверлить и раззенковать отверстия в пластине «по месту». Но если человек умеет работать фрезером — ета робота не должна показаться ему сложной. Далее крепим пластину вместе с фрезером к столу.

Если в предыдущем абзаце рассказывалось, какие операции нужны для установки фрезеров «других марок», то в етом «дополнительно поработать» придётся обладателям фрезеров Triton. Чтобы использовать их «в столе», необходимо снять возвратную пружину. При работе инструмента «фрезой вниз» ета пружина при разблокировке поднимает корпус фрезера относительно подошвы, а «в столе» она не нужна. Отворачиваем винт, поворачиваем против часовий стрелки и снимаем колпачок (на него действует пружина, так что снимать надо осторожно), убираем пружину.

Ставить колпачок обратно нет необходимости. Наоборот, при установці фрезера в стол в колпачок будет набиваться мусор. Пружину, колпачок и скользящую подошву убираем. Они могут пригодиться, если фрезер потребуется для роботи «вне стола».

Ещё пара особенностей фрезеров Triton, которые и позволяют говорить об их адаптированности для роботи «в столе». Первая: шпиндель з гайкой фиксации фрезы легко поднять до уровня стола. Это упрощает роботи, связанные с установкой и снятием фрез. В етом положении шпиндель жёстко фиксируется, выключатель блокируется. И вторая: на столе предусмотрено отверстие с пластиковой втулкой. Установив в него специальную ручку, входящую в комплект фрезера, можно точно отрегулировать вылет фрезы с верхней стороны стола. Механізми швидкого изменения высоты и точной регулировки положения фрезы — независимые.

Вставляем вилку инструмента в розетку на корпусе магнитного выключателя. Ко второй розетке удобнее всего подключить пристрій для пылеудаления: при запуске фрезера оно будет включаться автоматически.

Напіслядок — пример использования стола. На шпинделе установлена пазовая комбинированная фреза. Далее нужно отрегулировать положение упора относительно фрезы, положение горизонтальных направляючих планок на упоре (придвинув их поближе к фрезе) и установить ограничительные планки на столе и упоре так, чтобы заготовка «не болталась» при фрезеровании. Если есть система пылеудаления — её желательно подключить.

Результат — доска с пазом. Ручным фрезером работать с подобной фрезой почти невозможно, а на столе фрезерование занимает секунды, причём паз получается ровным по всей поверхности.

Если же понадобится использовать фрезер в ручном режиме — снять і перенастроить его несложно. Тут главное не забывать, куда убраны снятые с него пружина, колпачок и скользящая пластина.





Сборный фрезерный упор фрезерного стола JRT-2

Сборный фрезерный упор фрезерного стола JRT-2 з вытяжным штуцером


Пластина з отверстиями под фрезер Triton TRA001

Пластина з отверстиями под фрезер Triton TRA001


Снять пластину з фрезерного стола JRT-2 і закрепить на фрезере

Снять пластину з фрезерного стола JRT-2 і закрепить на фрезере


Закрепить фрезер на столе JRT-2

Закрепить фрезер на столе JRT-2


Установка фрезы на шпиндель фрезера Triton TRA001

Установка фрезы на шпиндель фрезера Triton TRA001


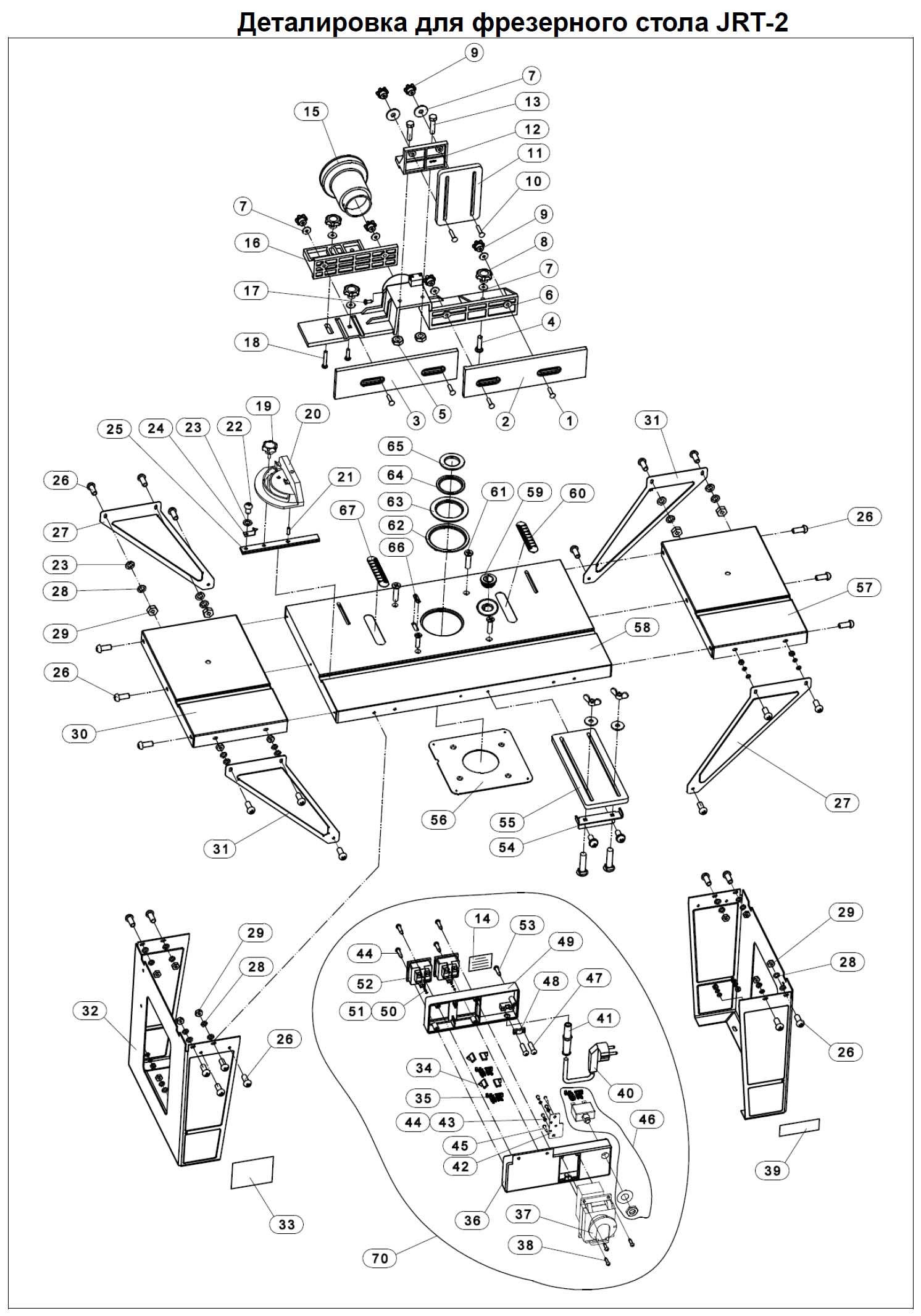
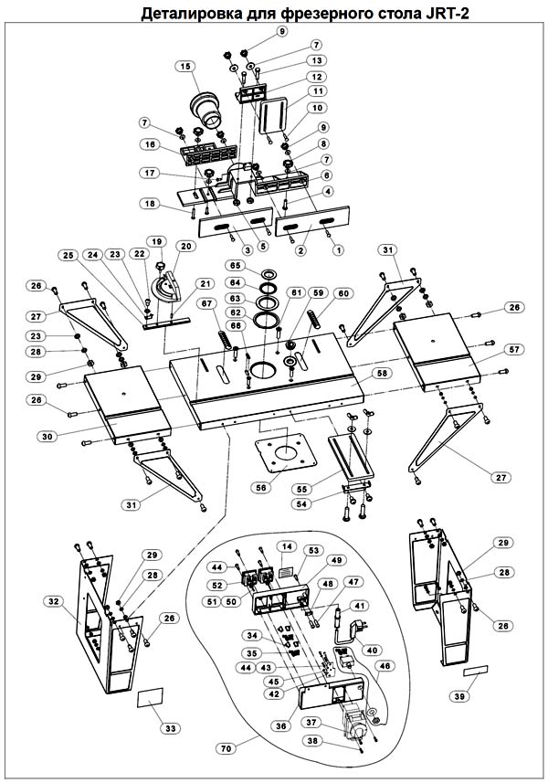
Схема і детали сборки стола фрезерного стола JRT-2

Схема і детали сборки стола фрезерного стола JRT-2

Схема і детали сборки стола фрезерного стола JRT-2

Схема і детали сборки стола фрезерного стола JRT-2. Дивитись у збільшеному масштабі




JRT-2 Стол фрезерный. Відеоролик

Обзор





Технічні характеристики фрезерного стола JRT-2 і ручного фрезера Triton TRA001

Наименование параметра JRT-2
Фрезерный стол JRT-2. Основні параметри
Розміри робочого стола (ДхШ), мм 610 х 360
Удлинение робочого стола спереди і сзади, мм 210х360
Розміри фрезерного упора (ДхВ), мм 540 - 610 х 75
Максимальный диаметр фрезы, мм 40
Диаметр вытяжного штуцера, мм 57 / 100
Магнитный выключатель 230В, 50-60 Гц, 2700 Вт
Габарит верстата (длина х ширина х высота), мм 1030 х 360 х 615
Масса стола, кг 23
Triton TRA001 Вертикальный фрезер (ручная фрезерна машина) с микролифтом. Основні параметри
Частота обертання фрезы (холостой ход), об/мин 8000..20000
Вертикальный ход фрезы, мм 68
Диаметр цанги, мм 8,0; 12,0; 12,7
Потребляемая мощность, кВт 2,4
Вес, кг 6,0