metalinstryment.com
Довідник по металорізальних верстатів та пресовому обладнанні

Ц6-2 Верстат круглопильный універсальний
Схеми, опис, характеристики

Ц6-2 Верстат універсальний







Відомості про виробника круглопильного верстата Ц6-2

Производители і модификации круглопильного верстата Ц6-2:





Верстати, выпускаемые Кировским станкостроительным заводом, КСЗ

Ц6-2 Верстат круглопильный універсальний з торцовочной кареткой. Назначение, область применения

Верстат круглопильный універсальний моделі Ц6-2 предназначен для поздовжньої і поперечної распиловки досок, брусьев, древесных плит і листовых материалов (ДСП, ДВП, фанера, бумажно-слоистый пластик і т.п.).

Круглопильный верстат Ц6-2 является обладнанням общего назначения для деревообрабатывающих производств.

На станке Ц6-2 возможно выполнение следующих технологических операций:

Помещение, где устанавливается верстат Ц6-2, должно соответствовать требованиям класса П-II по ПУЭ.

Верстат Ц6-2 може експлуатироваться в диапазоне температур от +10 до +40°C, при средней относительной влажности воздуха не более 80%, высоте над уровнем моря до 1000 метров в не взрывоопасной среде, при отсутствии прямого воздействия атмосферных осадков.

Вид климатического исполнения і категория розміщення верстата - УХЛ4.2.

Категория условий хранения - 2 по ГОСТ15150-69.

Верстат Ц6-2 соответствует ГОСТ 12.2.026-81 ССБТ «Обладнання деревообробне. Верстати круглопильные. Требования безопасности.»


Условное обозначение деревообрабатывающих верстатів

Деревообрабатывающие верстати і обладнання имеют условное обозначение (индексацию) буквами і цифрами. Буквенная индексация состоит из начальных букв наименования типа или вида верстата. Первая буква означает тип, вторая і третья— основной признак верстата.

Буква А обозначает наличие елементів автоматизации.

Например: СвПА—сверлильно-пазовальный з автоподачей. Цифра, стоящая сразу після букв или между ними, обозначает основні параметри верстатів (число режущих инструментов или ширину строгания в мм, см, дм). Например:

Цифра, стоящая після дефиса, обозначает номер моделі верстата, например:

Загальний вигляд круглопильного універсального верстата Ц6-2(К) (Кировский станкостроительный завод)

Загальний вигляд круглопильного універсального верстата Ц6-2(к)

Фото круглопильного універсального верстата Ц6-2


Загальний вигляд круглопильного універсального верстата Ц6-2Д (Станкостроитель г. Днепропетровск)

Загальний вигляд круглопильного універсального верстата Ц6-2Д

Фото круглопильного універсального верстата Ц6-2


Загальний вигляд круглопильного універсального верстата Ц6-2ИТ (ТехСнаб г. Иваново)

Загальний вигляд круглопильного універсального верстата Ц6-2ИТ

Фото круглопильного універсального верстата Ц6-2


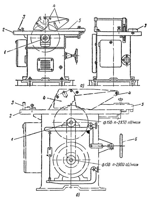
Ц6-2 Розташування складових частин круглопильного універсального верстата

Розташування складових частин круглопильного універсального верстата Ц6-2

Розташування складових частин круглопильного універсального верстата Ц6-2

Ц6-2 Розташування складових частин круглопильного універсального верстата. Дивитись у збільшеному масштабі



Список складових частин круглопильного універсального верстата Ц6-2(К):

  1. Станина - Ц6-2(К).10.000
  2. Суппорт Ц6-2(К).20.000
  3. Механізм подъема Ц6-2(К).30.000
  4. Каретка Ц6-2(К).40.000
  5. Линейка направляющая Ц6-2(К).50.000
  6. Ограждение Ц6-2(К).60.000
  7. Електроустаткування Ц6-2(К).80.000

Ц6-2 Пристрій та принцип роботи круглопильного універсального верстата

Загальний вигляд верстата з обозначением органів керування показан на рисунке 1. Верстат имеет две кнопки керування: «Пуск» і «Стоп» расположенные на кронштейне ограждения.


Габаритные розміри робочого простору круглопильного універсального верстата Ц6-2

Габаритные розміри робочого простору верстата Ц6-2


Пристрій основних вузлів верстата Ц6-2

Опис верстата:

- Станина представляет собой жесткую сварную коробчатую конструкцию, накрываемую плоским столом. Внутри станины з подвеской к ней размещаются супорт з приводом і механізм регулировки высоты пильного диска над столом верстата.

- Суппорт представляет собой жесткую качающуюся раму, в передньої частини которой расположен шпиндель, сзади - шарнирная подвеска крепится к станине верстата. В нижней частини рамы предусмотрены шарнир для крепления рычагов подъема – опускания суппорта і отверстия для подвижной подмоторной плиты приводу верстата. На подвижной плите смонтирован електродвигатель. Рычаги подъема – опускания в нижней частини крепятся шарнирно к раме верстата, а в середине рычагов установлена гайка.

- Ограждение служит для ограждения пильного диска во время роботи верстата і предотобертання вылета заготовки на оператора. Оно представляет собой опрокинутый сварной короб над пильным диском, к боковым стенкам которого подвешены когтевые упоры. Ограждение подвешено на трубчатом кронштейне к столу верстата. Ограждение охватывает выступающую часть пильного диска і расклинивающий нож.

- Линейка направляющая служит для направления материала при продольном распиливании. Представляет собой подвижную балку, перемещаемую по столу верстата параллельно плоскости пильного диска. Линейка закреплена на подвижном ползуне, перемещаемом по цилиндрической штанге, закрепленной под передньої кромкой стола. В выбранном месте линейка фиксируется зажимом.

- Каретка служит для переміщення і направления пиломатериалов, брусковых і щитовых заготовок при точной поперечної і под углом к пласти распиловке. Представляет собой консольный, подвижный столик, установленный в одной плоскости з основным столом верстата.

Перемещается вручную на роликовых опорах по цилиндрическим направляющим штангам, установленным под левой боковой кромкой стола параллельно пильному диску.

Ролики каретки установлены на ексцентриковых осях, что позволяет регулировать положение каретки по высоте і наклону. У задньої кромки каретки расположена поворотная базовая линейка, к которой прижимается раскраиваемый материал во время пиления. На линейке предусмотрен упор для отпиливания партии заготовок «в размер».

Положение упора фиксируется винтовым зажимом.

Винт предназначен для регулювання положения суппорта по высоте, т.е для регулювання высоты пилы над столом верстата. Применительно к пиле ето делается для обеспечения оптимальных условий різання і смены инструмента, которая производится при нижнем положении шпинделя.

Винт входит в зацепление з гайкой рычагов суппорта. Вращением гвинта з помощью маховичка, расположенного на задньої стенке верстата, производят поворот рычагов и, соответственно, подъем или опускание суппорта (инструмента).


Верстати болеее ранних годов выпуска: круглопильный верстат Ц-5 і круглопильный верстат Ц-6


Загальний вигляд круглопильного верстата Ц-5


Загальний вигляд круглопильного універсального верстата Ц-5

Загальний вигляд круглопильного універсального верстата Ц-5


  1. станина
  2. кожух ограждения пильного диска
  3. рабочий стол
  4. прорезь в столе
  5. верхнее ограждение пильного диска
  6. направляющая линейка
  7. щиток кнопочного керування
  8. маховичок подъемного механізма

Загальний вигляд круглопильного верстата Ц-6

Універсальный круглопильный верстат Ц-6 з ручной подачей предназначен для продольного і поперечного распиливания пиломатериалов шириной до 400 мм і толщиной до 130 мм


Загальний вигляд круглопильного універсального верстата Ц-6

Загальний вигляд круглопильного універсального верстата Ц-6


  1. шпиндель
  2. стол
  3. передвижной угольник
  4. ограждение
  5. направляющая линейка
  6. маховичок механізма налаштування суппорта пилы по высоте

Верстат имеет пильный шпиндель 1, стол 2, по которому вручную подается заготовка, передвижной опорный угольник 3 для перепиливания поперек или под углом, передвигаемый по сделанному в столе пазу, параллельному пильному диску, і направляющую линейку 5.

Пила на нужную высоту устанавливается поворотом маховичка 6. На столе установлено ограждение пильного диска, обеспечивающее безопасность роботи. При продольном пилении универсальные верстати следует оборудовать автоподатчиками, обеспечивающими механизацию подачі заготовок.






Схема кінематична круглопильного універсального верстата Ц6-2

Ц6-2 Схема кінематична круглопильного універсального верстата

Кінематична схема круглопильного універсального верстата Ц6-2


Работа верстата Ц6-2

Увімкненням вводного переключателя на боковой стенке електрошафи подается питание на силовые ланцюги і ланцюги керування, при етом должна загораться сигнальная лампа. В зависимости от предполагаемого вида работ заранее должны быть установлены инструмент і направляющие приспособления, должны быть отрегулированы упоры і направляющая линейка. При выполнении продольнопильных операций на направляющую линейку должны быть установлены соответствующие деревянные накладки. Если будет производиться поперечний раскрой или раскрой листовых материалов – необходимо убрать расклинивающий нож. При продольном раскрое коротких заготовок необходимо подготовить доталкиватель. Воздействием на кнопку «Пуск» включают привід верстата і подают вручную подготовленный к обработке материал на вращающийся инструмент. Если материал крупногабаритный, то з другой стороны верстата его должен поддерживать второй станочник.

Порядок роботи на станке

Подготовка к первоначальному пуску і первоначальный пуск верстата:

Для первоначального пуска верстата необходимо:

ВНИМАНИЕ: Верстат оснащен динамическим торможением приводу шпинделя. Частые пуски і торможения приводят к перегреву обмоток двигуна. Не злоупотребляйте частым отключением верстата. Допустимая частота торможения верстата – не чаще одного раза в 10 минут і не более 6 циклов в 1 час.

Убедившись в нормальной работе верстата на холостом ходу, приступают к налаштуванні его для роботи.

Налаштування верстата на выполнение определенной технологической операции

На станке выполняются наступні настроечные операции:

ВНИМАНИЕ: При продольном раскрое пиломатериалов, з использованием боковой направляющей линейки для базирования материала, на линейке должна быть укреплена накладка (см. рис.7);

Работа на станке Ц6-2

Работа на станке включает наступні операции: подача заготовок на верстат і прием из верстата обработанных заготовок.

Все виды продольного раскроя должны выполняться двумя станочниками: один подает, а другой принимает полученные заготовки і в случае необходимости возвращает левую недораскроенную часть станочнику на повторную обработку.

ВНИМАНИЕ: Короткие заготовки длиной менее 600 мм обрабатываются обязательно з применением доталкивателя (см. рис.8а).

Поперечный раскрой заготовок до 12 кг і длиной до 1500 мм може выполняться одним станочником. Заготовки больших размеров обрабатываются з помощником. Короткие обрезки, получающиеся при торцовке «в размер» по заднему упору, і короткие детали убираются со стола верстата з использованием доталкивателя (рис.8б)

При продольном раскрое пиломатериалов за пильным диском должен обязательно устанавливаться расклинивающий нож толщиной 4,5 мм симметрично относительно ширины пропила. В случае нарушения симметричности взаимного положения пилы і ножа его необходимо отрегулировать з помощью гаек.

ВНИМАНИЕ: Поперечный раскрой з расклинивающим ножом недопустим!

Смена инструмента

Смена инструмента производится при нижнем положении суппорта через переднюю дверку при крайнем правом (исходном) положении каретки. Для смены инструмента необходимо пользоваться двумя ключами.

Заточку пил рекомендуется производить на специальных заточных верстатах. При смене инструмента отключить вводный выключатель.





Схема електрична принципова круглопильного універсального верстата Ц6-2(К)

Схема електрична круглопильного універсального верстата Ц6-2

Електрична схема круглопильного універсального верстата Ц6-2


Електроустаткування верстата Ц6-2(К). Загальні відомості

Електроустаткування верстата Ц6-2(К) представлено на схеме електрической принципиальной (рис.3), схеме з'єднань (рис.4). Список елементів к схеме (рис.3) приведен в табл.5.

Електроустаткування верстата предназначено для подключения к сети трехфазного переменного тока напряжением 380 В, частотой 50 Гц і обеспечивает возможность его експлуатации в пожароопасных зонах класса П II в соответствии з классификацией «Правил пристроя електроустановок» ПУЭ.

Захист силових ланцюгів от токов короткого замыкания, електродвигуна М от длительных перегрузок осуществляется автоматическим выключателем QF1, ланцюгів керування і сигнализации – предохранителем FU1…FU4, от длительных перегрузок електродвигуна – тепловым расланцюгителем автоматичного выключателя QF1.

Керування работой верстата осуществляется от кнопок SB1 і SB2, расположенных на кронштейне ограждения. Электроаппаратура керування размещается в електрошкафу, расположенном на боковой стенке верстата.

Схемой предусмотрено електродинамическое торможение двигуна М після его виключення. Двигатель должен затормаживаться не более чем за 6 секунд. Допустимая частота торможения верстата – не чаще одного раза в 10 минут і не более 6 циклов в 1 час.

Пуск верстата в работу

Перед пуском верстата необходимо внешним осмотром проверить качество монтажа і надежность ланцюгів заземления. Включить вводный выключатель SA, при етом загорается лампа HL, сигнализирующая о подаче напряжения в схему верстата.

Нажатием на кнопку SB2 (5-6) включить вращение електродвигуна М. Останов з торможением происходит от нажатия на кнопку SB1 (4-5).

Блокировки верстата Ц6-2(К)

Електрична схема верстата обеспечивает наступні блокировки:

Требования безопасности

При установці верстат должен быть надёжно заземлён согласно действующим правилам і нормам. Для етого контактный зажим наружного защитного контура необходимо соединить з цеховым заземляющим контуром. Кроме етого на станине верстата предусмотрен болт заземления.

При експлуатации верстата необходимо периодически проверять состояние електроапаратури, обращая особое внимание на состояние контактов, а также систематически проводить технические осмотры і профилактические ремонты електродвигателей.

Периодичность техосмотров устанавливается в зависимости от производственных условий, но не реже одного раза в два месяца. При етом електродвигатель очищается от загрязнений, проверяется надёжность заземления і з'єднань.

Периодичность профилактических ремонтов устанавливается не реже одного раза в год. Во время профилактических ремонтов производится разборка і внутренняя чистка електродвигуна, оценка состояния підшибників. Смазка в підшипники заложена на весь период роботи підшибників і рассчитана не менее, чем на 12000 часов роботи.

ВНИМАНИЕ: При ремонтi електроустаткування вводный выключатель SA должен быть обязательно отключен.




Технічні характеристики круглопильного універсального верстата Ц6-2

Наименование параметра Ц6-2 Ц6-2(К) Ц6-2Т
Основні параметри верстата
Наибольшая ширина отпиливаемого материала при базировании материала на столе по направляющей линейке, мм 400 500 400
Наибольшая ширина отпиливаемого материала при базировании материала на каретке по направляющей линейке, мм 400 600 400
Наибольшая толщина обрабатываемого материала при продольном пилении, мм 100 125 110
Наибольшая толщина обрабатываемого материала при поперечном пилении, мм 130 125 110
Диаметр пильного диска (дисковий пилы), мм 315..500 400 400
Способ подачі заготовки Ручной Ручной Ручной
Наибольшая высота подъема суппорта пилы, мм 100
Угловая скорость пильного вала, рад/сек 301,44
Частота обертання пильного диска, об/мин 2880 3180 3000
Время торможения пилы, с, не более 6
Рабочая поверхность стола, мм 830 х 1200 820 х 1115 700 х 1300
Высота поверхности стола над уровнем пола, мм 800 747
Ход подвижной каретки, мм 1000 977 900
Рабочая поверхность стола подвижной каретки, мм 510 х 590 450 х 600 550 х 700
Диаметр патрубка пылеприемника, мм 110
Объем отсасываемого воздуха, м/ч 810
Електроустаткування верстата
Род тока питающей сети 380В 50Гц 380В 50Гц 380В 50Гц
Количество електродвигателей на станке, шт 1 1 1
Електродвигун пилы, кВт 4 4 4
Габарит і масса верстата
Габарит верстата (длна х ширина х высота), мм 1610 х 1505 х 1150 1410 х 1600 х 1095 1380 х 1300 х 1250
Масса верстата, кг 815 405 620

    Список литературы:

  1. Верстат круглопильный Ц6-2. Руководство по експлуатации, 1987

  2. Амалицкий В.В. Деревообрабатывающие верстати і инструменты, 2002
  3. Афанасьев А.Ф. Резьба по дереву, Техника, Инструменты, Изделия, 2014
  4. Бобиков П.Д. Мебель своими руками, 2004
  5. Борисов И.Б. Обработка дерева, 1999
  6. Джексон А., Дей Д. Библия работ по дереву, 2015
  7. Золотая книга работ по дереву для владельца загородного участка, 2015
  8. Ильяев М.Д. Резьба по дереву, Уроки мастера, 2015
  9. Комаров Г.А. Четырехсторонние продольно-фрезерные верстати для обробки древесины, 1983
  10. Кондратьев Ю.Н., Питухин А.В... Технология изделий из древесины, Конструирование изделий і расчет материалов, 2014
  11. Коротков В. И. Деревообрабатывающие верстати, 2007
  12. Лявданская О.А., Любчич В.А., Бастаева Г.Т. Основы деревообробки, 2011
  13. Любченко В.И. Рейсмусовые верстати для обробки древесины, 1983
  14. Манжос Ф.М. Дереворежущие верстати, 1974
  15. Расев А.И., Косарин А.А. Гідротермическая обработка і консервирование древесины, учебное пособие, 2010
  16. Рыженко В.И. Полная енциклопедия художественных работ по дереву, 2010
  17. Рыкунин С.Н., Кандалина Л.Н. Технология деревообробки, 2005
  18. Симонов М.Н., Торговников Г.И. Окорочные верстати, 1990
  19. Соловьев А.А., Коротков В.И. Наладка деревообрабатывающего оборудования, 1987
  20. Суханов В.Г. Круглопильные верстати для распиловки древесины, 1984
  21. Фокин С.В., Шпортько О.Н. Деревообработка, Технологии і обладнання, 2017
  22. Хилтон Билл Работы по дереву, Полное руководство по изготовлению стильной мебели для дома, 2017