metalinstryment.com
Довідник по металорізальних верстатів та пресовому обладнанні

7210 Верстат продольно-строгальный двостоєчний
опис, характеристики, схеми

Фото продольно-строгального двухстоечного верстата 7210







Відомості про виробника продольно-строгального верстата 7210

Разработчиком і изготовителем продольно-строгального верстата 7210 является Минский станкостроительный завод им. Октябрьской революции МЗОР, основанный в 1908 году.

Минский станкостроительный завод «МЗОР» з вековой историей является одним из немногих в мире предприятий, которое производит тяжёлые многофункциональные металорізальні верстати і обрабатывающие центры, оснащенные УЦИ, ЧПУ, УАСИ для обробки деталей шириной от 800 до 5000 мм і длиной от 3000 до 20000 мм.

История завода:

1948 год - разработаны і изготовлены первые післявоенные верстати.

1951-1956 годы - был выпущен первый строгальный верстат типа 7231А. Это была первая післявоенная трудовая победа коллектива минских станкостроителей.






7210 Верстат продольно-строгальный двостоєчний. Назначение і область применения

Продольно-строгальный двостоєчний верстат 7210 предназначен для строгания плоских поверхностей изделий из черных і цветных металлов в условиях единичного і серийного производства. На станке можно производить черновое, чистовое, а также отделочное строгание.

На станке 7210 могут быть обработаны горизонтальные, вертикальные і наклонные плоскости, а также продольные пазы различного профиля. Возможна также отделочная обработка деталей з точностью, указанной в акте приемки верстата.

Строгальный двостоєчний верстат 7210 имеет два вертикальних і один боковой правый суппорты. По специальному заказу верстат може быть поставлен з левым боковым суппортом. Направляющие стола, одна из которых V-образная, а другая плоская, а также нижние поджимные планки стола оснащены пластмассовыми накладками.

Особливості конструкції продольно-строгального двухстоечного верстата 7210

Привід стола осуществляется от реверсивного електродвигуна постоянного тока через двухдиапазонную коробку швидкостей і червячно-реечную передачу. Бесступенчатое і независимое регулювання швидкостей робочого і обратного ходов стола в широком диапазоне достигается електроприводом по системе генератор — двигатель з електромашинным усилителем поперечного поля. Привід обеспечивает плавное врезание резца і замедленный выход его из вироби. Скорость обратного ходу стола регулируется независимо от скорости робочого ходу.

Механізм установки длины ходу стола, расположенный на коробке швидкостей, обеспечивает минимальную величину пробега стола на всем диапазоне швидкостей его руху.

Направляющие станины обеспечивают стабильное возвратно-поступательное рух стола, предохраняя его от возможных боковых сдвигов в процессе різання.

Для предупреждения возможного схода стола з направляючих станины при аварийном его перебеге в станине предусмотрено специальное тормозное пристрій.

Механізми подачі обеспечивают периодическую подачу супортів перед началом робочого ходу стола, а также установочные независимые переміщення каждого из супортів.

В станке предусмотрена выборка зазоров в направляючих кареток супортів і в гайке ходового гвинта ползуна супортів.

Смазка направляючих станины і червячно-реечной пары стола производится от центральной смазочной станції под давлением.

Керування направлением движений каждого из супортів — однорукояточное. Основні руху верстата осуществляются з подвесной кнопочной станції.

Система необходимых блокировочных устройств і специальные тормозные пристроя обеспечивают безаварийную работу верстата.

Класс точності верстата 7210 - Н. Шероховатость обработанной поверхности V5—V6.

Верстат 7210 работает нормально при температуре окружающего воздуха от +5 до +40 С.





Габарит робочого простору продольно-строгального верстата 7210

Габарит робочого простору строгального верстата 7210

Габарит робочого простору верстата 7210


Посадочные і присоединительные базы строгального верстата 7210. Резцовая головка. Розміри робочого стола

Резцовая головка строгального верстата 7210

Резцовая головка. Розміри робочого стола верстата 7210


Загальний вигляд продольно-строгального верстата 7210

фото продольно-строгального верстата 7210

Фото продольно-строгального верстата 7210

фото продольно-строгального верстата 7210

Фото продольно-строгального верстата 7210



Розташування органів керування продольно-строгальным верстатом 7210

Розташування органів керування продольно-строгальным верстатом 7210

Розташування органів керування продольно-строгальным верстатом 7210

Розташування органів керування продольно-строгальным верстатом 7210. Дивитись у збільшеному масштабі



Специфікація органів керування продольно-строгального верстата 7210

  1. Прибор для контроля загрузки приводу стола
  2. Кнопка установочных перемещений супортів поперечини
  3. Кнопка установочных перемещении бокового суппорта
  4. Кнопка установочного переміщення стола в направлении робочого ходу
  5. Кнопка установочного переміщення стола в направлении обратного ходу
  6. Кнопка виключення руху стола
  7. Кнопка виключення двухмашинного агрегата. Только в верстатах мод. 7210, 7110, 7212, 7112
  8. Кнопка увімкнення двухмашинного агрегата. Только в верстатах мод. 7210, 7110, 7212, 7112
  9. Лампа, сигнализирующая о включении двухмашинного агрегата
  10. Рукоятка установки величины скорости обратного ходу стола
  11. Переключатель подъема резцедержателей супортів поперечини
  12. Переключатель подъема резцедержателя бокового суппорта
  13. Рукоятка установки величины скорости робочого ходу стола
  14. Лампа, сигнализирующая о включении трехмашинного агрегата
  15. Кнопка виключення трехмашинного агрегата. Только в верстатах мод. 7210, 7110, 7212, 7112
  16. Кнопка увімкнення трехмашинного агрегата. Только в верстатах мод. 7210, 7110, 7212, 7112
  17. Рукоятки установки длины ходу стола
  18. Кнопка увімкнення автоматичного цикла руху стола в направлении обратного ходу
  19. Кнопка увімкнення автоматичного цикла руху стола в направлении робочого ходу
  20. Кнопка переміщення поперечини вниз
  21. Кнопка переміщення поперечини вверх
  22. Переключатель освещения верстата
  23. Кнопка увімкнення прибора, контролирующего загрузку приводу стола
  24. Лампа, сигнализирующая о подключении верстата к сети
  25. Рукоятка переключателя для подключения верстата к сети
  26. Маховики переміщення повзунів суппорта вручную
  27. Шестигранники для рукоятки поворота супортів вручную
  28. Винты крепления резцов
  29. Рукоятки увімкнення пристроя для возврата резцедержателей супортів
  30. Муфта горизонтального переміщення левого суппорта поперечини вручную
  31. Муфта переміщення ползуна левого суппорта поперечини вручную
  32. Муфта переміщення ползуна правого суппорта поперечини вручную
  33. Муфта горизонтального переміщення правого суппорта поперечини вручную
  34. Гайки прижимной планки резцедержателя супортів
  35. Гайки зажиму повзунів супортів
  36. Гайки зажиму поворотной частини супортів
  37. Винты зажиму кареток
  38. Рукоятка выбора направления переміщення бокового суппорта
  39. Муфта переміщення ползуна бокового суппорта вручную
  40. Маховик установки величины подачі бокового суппорта
  41. Муфта вертикального переміщення бокового суппорта вручную
  42. Рукоятка переключения диапазона швидкостей руху стола
  43. Рукоятка выбора направления переміщення левого суппорта поперечини
  44. Рукоятка выбора направления переміщення правого суппорта поперечини
  45. Маховик установки величины подачі супортів поперечини
  46. Кнопка увімкнення двухмашинного і трехмашинного агрегатов
  47. Кнопка виключення двухмашинного і трехмашинного агрегатов. Только в верстатах мод. 7216, 7116
  48. Лампа, сигнализирующая об отсутствии змазки на направляючих станины. Только в верстатах мод. 7216, 7116
  49. Лампа, сигнализирующая о незажатом состоянии поперечини

Пульт керування продольно-строгальным верстатом 7210

Пульт керування продольно-строгальным верстатом 7210


Керування електроприводами верстата дистанционное з помощью кнопок, выключателей і потенциометров, расположенных на подвесной кнопочной станції і главном пульті керування. Последний установлен на крышке коробки швидкостей приводу стола.

Список кнопок керування на подвесной станції продольно-строгального верстата 7210

Список кнопок керування на главном пульті керування (рис. 5, часть I, § 2) продольно-строгального верстата 7210

Внутри пульта керування смонтирован диск з переключающими упорами. Переключающий упор, осуществляющий реверс стола з робочого на обратный ход, помечен в желтый цвет, а упор, осуществляющий реверс стола з обратного на рабочий ход, — в зеленый. Изменение положения переключающих упоров осуществляется специальными рукоятками з метками соответствующих цветов.

Примечания: 1.

  1. При выборе супортів контакты переключателей 1ВП і 2ВП одновременно замыкают ланцюги електромагнитов подъема резцовых головок на етих суппортах;




Кінематична схема продольно-строгального верстата 7210

7210 Схема кінематична строгального верстата

Кінематична схема продольно-строгального верстата 7210

1. Схема кінематична строгального верстата 7210. Дивитись у збільшеному масштабі

2. Схема кінематична строгального верстата 7210. Дивитись у збільшеному масштабі

3. Схема кінематична строгального верстата 7210. Дивитись у збільшеному масштабі



Опис кінематичної продольно-строгального схеми. Характеристика основних механізмов верстата

Главное рух (привід стола). Механізм головного руху посредством двухступенчатой коробки швидкостей і регулируемого електроприводу постоянного тока по системе Г—Д обеспечивает возвратно-поступательное рух стола з обрабатываемой деталью з заданной скоростью.

Рух подачі. Прерывистая подача супортів, а также быстрые установочные переміщення их осуществляются з помощью коробок подач, имеющих пристрій для установки величины подачі. Для приводу коробок подач применен асинхронный двигатель з короткозамкнутым ротором.

Перемещение і зажим поперечини. Поперечина з двумя суппортами і коробкой подач перемещается вверх или вниз посредством асинхронного двигуна з короткозамкнутым ротором, передающего рух через червячные редукторы і винтовые пары. Зажим поперечини на верстатах осуществляется также з помощью асинхронного двигуна з короткозамкнутым ротором посредством червячного редуктора, винтовой пары і системы рычагов.

Порядок передачи обертання от електродвигателей до исполнительных органів показан на рис. 54. (см. вкладку).

Кінематична схема одностоечных верстатів состоит из тех же валов і шестерен, что і двухстоечных з различием в механізмах подъема і зажиму поперечини.

Коробки швидкостей верстатів разных моделей имеют различия в связи з неодинаковыми тяговыми зусиллями, скоростями ходу стола і диапазонами регулювання числа оборотів вала електродвигуна приводу стола.

На станке (рис. 45) производится строгание плоскостей размером до 3000 х 1000 мм на деталях различной формы высотой не более 900 мм. Верстат двостоєчний з двумя вертикальными і одним боковым суппортами. Формообразующая часть верстата имеет структуру класса Э22, создающую рух скорости різання Фv(П1) — возвратно-поступательное перемещение стола з заготовкой, і рух подачі Фs(П2) — горизонтальное или вертикальное переміщення резцов, размещенных соответственно на вертикальних или боковом суппортах. Эти же резцы имеют рух врізання Вр (П3).

Кинематическая группа руху скорости різання Фv(П1) — простая; її внутренняя связь состоит из одной поступательной кінематичної пары — между столом і станиной. Внешняя связь передает рух от двигуна постоянного тока Д1 столу через передаточную коробку і червячно-реечную передачу. Рух Фv(П1) — простое, з незамкнутой траекторией і поетому настраивается по четырем параметрам: на скорость і направление — двигателем Д1 і коробкой iv з муфтой M1, на путь і на исходное положение — специальным настроечным пристрійм, расположенным в передаточной коробке. С помощью етого пристроя также возможно управлять двигателем Д1, изменяя скорости прямого і обратного ходу стола независимо друг от друга. При рабочем ходе стола пристрій обеспечивает плавный его разгон і замедление в кінці ходу. Это позволяет получить минимальную і постоянную величину перебега стола на всем диапазоне швидкостей рабочих ходов стола.

Кинематическая группа руху подачі Фs(П2) — тоже простая, з внутренней связью в виде поступательной кінематичної пары, например, между вертикальным суппортом і поперечиной. Суппорт получает рух от двигуна Д2, который включается упором на столе в момент переключения руху стола з швидкого ходу на рабочий. Двигатель Д2 связан з червячной передачей 2/58, на валу колеса которой установлена фрикционная муфта М2 з разрезным кольцом. На післяднем слева имеется собачка, сцепляющаяся з колесом z60. При повороте етой муфты разрезное кольцо встречается з нерухомим упором (на схеме не показан) — муфта і двигатель выключаются. При холостом ходе стола двигатель Д2 включается на обратное вращение, а муфта, поворачиваясь в обратном направлении, своим разрезным кольцом наталкивается на подвижной упор і останавливается в исходном положении. Двигатель Д2 тоже выключается. Через зубчатую пару 19/76 подвижный упор устанавливается в нужное положение, а сидящее рядом реечное колесо zl5 удерживает его от произвольного переміщення. От храпового колеса z60 рух поступает через передачи (55/35)•(35/22) на муфты реверса М3, М4, М5, М6 і далее через ходовые винты і ходовые валики к вертикальным суппортам. Перемещение післядних на исходное положение можно производить также вручную. Таким образом, рух подачі Фs(П2) настраивается по четырем параметрам: на путь, скорость, направление і исходное положение.

Быстрые переміщення вертикальних супортів производятся тем же двигателем Д2 при включении з помощью електромагнитов кулачковой муфты М7.

Боковий суппорт имеет такое же пристрій.

Перемещения поперечини производятся от двигуна Д4 а її автоматизированный зажим — от двигуна Д5.





Общая компоновка продольно-строгального верстата 7210

Общая компоновка двухстоечных верстатів при ведена в паспорте верстата на рис. 1, 2, а одностоечных — на рис. 3, 4.

Станина

Станина имеет две основні направляющие — плоскую і V-образную (см. рис. 55). С внутренней стороны основних направляючих (в нише) имеются дополнительные направляющие для поджимных планок 4, расположенных на концах стола.

Стол

Стол представляет собой отливку жесткой коробчатой формы з внутренними ребрами. Направляющие стола 1 і 2 (см. рис. 55) снабжены пластмассовыми накладками 3.

Для предотобертання подъема стола от дії боковых усилий і распорной составляющей между реечной шестерней і рейкой на концах его крепятся четыре поджимные планки 4. Они при движении стола скользят по дополнительным направляющим станины і смазываются через каналы 5. По ним масло отводится из продольных канавок 6 направляючих стола.

На нижней поверхности стола между направляющими крепится рейка (23) привода. На станке имеется специальное тормозное пристрій, предотвращающее сход стола со станины в случае несрабатывания електроаппаратов реверса і аварийного останова стола.

На верстатах мод. 7210, 7110, 7212 і 7112 для етой цели на концах стола привернуты трехзубые протяжки 7 (см. рис. 55), которые при выходе его из зацепления з реечной шестерней врезаются в стальные планки 8, нерухомо закрепленные на станине.

На верстатах мод. 7216 і 7116 ту же роль выполняют блоки резцов 1, установленные на концах станины, і упоры 2, прикрепленные к столу (см. рис. 56 і 100).

На переднем торце стола прикреплен щиток, предохраняющий направляющие станины верстата от попадания крупной стружки при резании. Для предотобертання попадания стружки і грязи под направляющие стола на торцах их установлены скребки (см. рис. 57).

Поперечина

Конструкція поперечини двухстоечных верстатів приведена на рис. 58 і 62, а одностоечных — на рис. 59 і 62.

В каретках супортів имеется разгружающее пристрій. Оно уменьшает износ направляючих поперечини от веса супортів і благодаря выборке зазоров в направлении дії усилий різання увеличивает жесткость системы супорт — поперечина во время різання.

Привід стола

Загальний вигляд приводу стола изображен на рис. 64, разрезы по реечной шестерне — на рис. 63, по коробке швидкостей — на рис. 66, по промежуточному валу верстатів — на рис. 65.

Суппорты

Конструкція вертикальних і боковых супортів одинакова і представлена на рис. 67 і 69 для верстатів моделей 7210, 7110, 7212 і 7112, а на рис. 68 і 69 — для моделей 7216 і 7116.

Суппорт имеет механическое і ручное перемещение по горизонтали і по вертикали і ручной поворот на угол +60°. С целью предохранения его от самопроизвольного падения при повороте в механізм поворота встроена обгонная муфта 7. Для тонкого подвода суппорта служит маховик 2.

В нижней частини ползуна 1 закреплена поворотная плита 8, которая конической осью 10 соединена з резцедержателем 9. При обратном ходе стола резцедержатель откидывается з помощью електромагнита 11 постоянного тока, вмонтированного в ось поворотной плиты. При строжке глубоких пазов для високою откидки резцедержателя применяется специальное рычажное пристрій, поставляемое за особую плату (см. раздел X — «Приспособления»).

Каретка бокового суппорта

Конструкція каретки правого бокового суппорта представлена на рис. 70 і 71.

Боковая каретка уравновешена при помощи груза 4, подвешенного в стойке на канате, расположенном на 3 блоках. Блок 5 закреплен на каретке. Розташування остальных 2 блоков в окремих моделях верстатів отличается между собой і показано для верстатів моделей: 7210 і 7212 — на рис. 70, 7110 і 7112 — на рис. 72, 7216 — на рис. 73 і 7116 — на рис. 74.

Коробка подач поперечини

Коробка подач поперечини (рис. 75 і 76) предназначена для приводу вертикальних супортів і крепится на правом торце поперечини.

Привід осуществляется от фланцевого реверсивного електродвигуна, вращение от которого при подаче передається через червячную пару 76 і 77 на главный вал коробки подач X. На нем нерухомо закреплен диск 1, на котором установлен фрикцион 2, связанный з собачкой 101, храповым колесом 102 і шестерней 103. От нее вращение передається шестерне 100, находящейся на оси IX, а затем післядовательно к шестерням-полумуфтам 85, 89, 84, 86, 87, 88, 91 і 92, свободно вращающимся на валах V, VI, VII і VIII. Сцеплением кулачковых муфт (перемещаемых по шлицевым валам) з соответствующими шестернями-полумуфтами достигается выбранное направление подачі. Валы V і VIII связаны предохранительными кулачковыми муфтами 3 з ходовыми гвинтами, а валы VI і VII — з ходовыми валиками. При автоматичною подаче супортів електродвигатель коробки подач включается от команды конечного переключателя в момент реверса стола з обратного ходу на рабочий. Перемещение происходит до тех пор, пока разжимная планка 4 не упрется в нерухомий упор 5, конструктивно выполненный в виде втулки на валу IX і разожмет фрикцион. Через некоторое время електродвигатель останавливается.

Зарядка механізма подач происходит в начале обратного ходу. От команды конечного переключателя вал електродвигуна начинает вращаться в обратную сторону. При етом собачка 101 прощелкивает і шестерня 103 остается нерухомою, а диск 1 і фрикцион 2 проворачиваются до соприкосновения планки 4 з подвижным упором 6. Механізм готов для совершения новой подачі. Этот цикл роботи повторяется при каждом двойном ходе стола. Установка величины подачі осуществляется маховичком 7. Вытянув его і тем самым выведя шестерню 94 из зацепления з фиксатором — зубчатым сектором 95, через пару шестерен 93 і 97 поворачиваем подвижный упор 6. При етом меняется угол между подвижным і нерухомим упорами, что определяет величину подачі. Отсчет її производится по лимбу 8, закрепленному на шестерне 97.

При установочном перемещении супортів електродвигатель вращается только в направлении подачі. Одновременно включается електромагнит 9, который сцепляет при помощи муфты 10 червячное колесо 77 з храповым 102. Вращение от електродвигуна передається через червячную пару 76 і 77, храповое колесо 102 і шестерню 103 на раздаточный вал IX і далее так же, как і при подаче.

При етом фрикцион проскальзывает, а собачка 101 прощелкивает.




Коробка подач бокового суппорта

Коробка подач бокового суппорта по конструкції і принципу роботи аналогична коробке подач поперечини. Однако она имеет только два выходных вала для переміщення бокового суппорта по салазкам і по стойке.

В одностоечных верстатах мод. 7112 і 7116 применена дополнительная передача (см. рис. 77), осуществляемая з помощью конических колес 55 і 56.

Механізм зажиму поперечини

В двухстоечных верстатах механізм расположен на выступе поперечини (см. рис. 58 і 78). Рух передається от асинхронного двигуна через червяк 150 на червячное колесо 151, связанное з гайкой 149.

Винт 148 при етом получает поступательное перемещение і через шайбу 6 передает усилие на рычаги 7, а они — на рычаги 8, зажимающие поперечину.

В одностоечных верстатах механізм расположен на консоли (см. рис. 54 і 79). Принцип роботи аналогичен принципу роботи механізма двухстоечных верстатів і отличается только конструкцией рычагов.

Механізм зажиму работает автоматически. Двигатель его получает команду на отжим поперечини при включении механізма подъема. Окончание отжима її контролируется конечным выключателем 10, по сигналу которого начинается рух поперечини. После завершения подъема или опускания механізм автоматически зажимает поперечину.

Механізм переміщення поперечини

В двухстоечных верстатах механізм расположен на соединительной балке і состоит из двух винтов — 136 і 138, приводимых в рух одним електродвигуном через два червячных редуктора (см. рис. 80).

В одностоечных верстатах механізм расположен на стойке (см. рис. 81).

Пульт керування

Пульт керування (см. рис. 82) находится на коробке швидкостей і служит для установки длины ходу стола. На пульті керування у верстатів мод. 7210, 7110, 7212 і 7112 расположены реостаты для регулювання швидкостей робочого і обратного ходу стола, пусковые кнопки двухмашинного і трехмашинного агрегатов, переключатели подъема резцедержателей і подачі супортів, сигнальные лампы роботи агрегатов (в верстатах мод. 7216 і 7116 ети кнопки і переключатели помещены на підвісному пульті керування).

Работа механізма происходит следующим образом.

При перемещении стола вращается лимб У (см. рис. 82). Он отградуирован соответственно линейке на боковой поверхности стола. Цена деления лимба соответствует 20 мм длины рабочей поверхности стола или обрабатываемого вироби.

Отсчет настроенной длины ходу производится по положению рисок на указателях секторов 2 і 3 относительно делений лимба. На лимбе установлены два неподвижных упора 5 і 6, между которыми могут передвигаться секторы 2 і 3, имеющие упоры 14 і 19.

Упоры 5, 6, 14 і 19 ограничивают налаштування максимальной длины ходу стола, минимальная же не ограничивается ими, однако установка длины ходу стола менее 700 мм (500 мм по лимбу) не допускается.

На секторах укреплены щетки 4 і 17, которые в зависимости от установленного диапазона швидкостей раньше или позднее включают замедление стола перед реверсом. Реверсирование стола осуществляется включением конечных переключателей кулачками 7 і 8, расположенными в пазах секторов. В случае несрабатывания переключателей включается аварийный выключатель кулачками 9 і 10.

Взаимное расположение упоров 5 і 6, 14 і 19, указателей на секторах 2 і 3 і кулачков 7 і 8 отрегулировано таким образом, что при налаштуванні любой длины ходу стола по лимбу в пределах его градуировки фактическая длина ходу стола будет всегда на 200 мм больше установленной по лимбу. Эти 200 мм необходимы для обеспечения запасов ходу стола: оптимального в 50 мм на выход резца из вироби і 150 мм на осуществление подачі в начале робочого руху.

Установка длины ходу стола осуществляется переміщенням секторов по лимбу при помощи рукояток 11 і 12. Для изменения длины ходу необходимо нажать на рукоятку, выведя шестерни 26 і 32 из зацепления з рейками-фиксаторами 27 і 28, і повернуть их в необходимую сторону (см. рис. 54). Для удобства пользования каждая рукоятка і управляемый ею сектор окрашены одним цветом. Кроме того, на верхнем кольце 13 указаны теми же цветами дуги переміщення секторов. Риски секторов не должны выходить за них при установці длины ходу стола.

Подвеска подвесного пульта

Конструкція подвески для верстатів мод. 7210, 7110, 7212, 7112 показана на рис. 83, а для мод. 7216 і 7116 — на рис.84.

Механізм подвески пульта устроен таким образом, что позволяет сохранить любое установленное положение пульта в пределах его зоны переміщення.





Смазка верстата продольно-строгального 7210

Смазка направляючих станины і реечной шестерни приводу стола

Смазка направляючих станины, реечной шестерни приводу стола, а также підшибників ковзання етой шестерни производится автоматически от центральной смазочной станції (схема змазки приведена на рис. 85), размещенной на откидной крышке 50 (см. рис. 90) з правой стороны станины. Маслобаком служат несколько секций самой станины. Из маслобака масло засасывается через сетчатый фильтр 1 (см. рис. 85) шестеренчатым насосом 2. Електродвигун его включается только при включении двигуна преобразовательного агрегата. Масло подается через пластинчатый фильтр 3 к распределителю 4, установленному в станине. В распределителе имеются дроссели 5, предназначенные для создания подпора в системе (2 - 3 атм) і регулювання количества масла, подаваемого к отдельным точкам змазки. С направляючих станины масло стекает в корыта, расположенные на концах станины, откуда, проходя через сетчатые фильтры, самотеком сливается по трубам в бак.

В нагнетательную ланцюг маслонасоса включено реле давления 6, контролирующее наличие давления масла в смазочной системе. При отсутствии в трубопроводе давления масла или давлении ниже 1 атм плунжер реле, воздействуя на конечный выключатель, прекращает рух стола или делает невозможным его включение.

Величина давления масла ограничивается предохранительным клапаном 7, регулируемым на 5 атм.

Для наблюдения за величиной давления масла установлен манометр 8.

Смазка шестерен і підшибників редукторов і коробок подач

Для змазки шестерен і підшибників коробок подач установлены плунжерные насосы 47 і 48 (см. рис. 89). Конструкція их показана на рис. 76.

Привід насоса осуществляется от кулачка, установленного на валу червячного колеса коробки подач. Масло всасывается насосом через сетчатый фильтр из масляной ванны корпуса коробки і подается через распределитель к местам змазки.

Шестерни і підшипники коробки швидкостей головного привода, редукторы переміщення і механізма зажиму поперечини і червячная пара пульта керування смазываются разбрызгиванием масла, заливаемого в соответствующие корпуса до уровня, контролируемого по маслоуказателям.

Смазка направляючих поперечини і стойки

Для автоматичною змазки горизонтальных направляючих поперечини, направляючих стойки, ходовых винтов, а также елементів передач во время переміщення кареток установлены специальные дозаторы 31 і 32 (см. рис. 89 і 90).

Схема змазки поперечини приведена на рис. 86, а стойки на рис. 87.

Конструкція одного из дозаторов показана на рис. 88. Привід распределительного валика 1 дозатора осуществляется от нерухомого тросика, закрепленного на поперечине или стойке і охватывающего ролик 2. При перемещении кареток распределительные валики вращаются і масло из резервуара 3 периодически попадает в дозаторные камеры 4, откуда переливается в отверстия 5, соединенные з точками змазки.

Вказівки по обслуговування смазочной системы

Надежность роботи верстата в значительной степени зависит от систематической і своевременной змазки всех трущихся поверхностей, качества смазочных материалов, состояния рабочих елементів системы змазки, в особливості фильтров.

Во время експлуатации верстата необходимо тщательно і регулярно следить за наличием масла в резервуарах станины, ваннах редукторов і коробок подач. Не допускается падение уровня масла ниже той величины, при которой возможно засасывание воздуха через фильтры в систему змазки. Масло обязательно должно касаться поверхностей разбрызгивающих елементів передач.

При смене масла необходимо промывать резервуары, осматривать і очищать фильтры грубой і тонкой очистки.

Места змазки, режим смазывания, количество і марка смазочных материалов указаны на схеме змазки (см. рис. 89 і 90) і в спецификации к ней.





Електроустаткування верстата

Схема внешних з'єднань выносного електроустаткування продольно-строгального верстата 7210

7210 Схема внешних з'єднань выносного електроустаткування продольно-строгального верстата

Схема з'єднань выносного електроустаткування продольно-строгального верстата 7210

Схема внешних з'єднань выносного електроустаткування продольно-строгального верстата 7210. Дивитись у збільшеному масштабі



Питание електроустаткування верстата передбачаєся от сети трехфазного переменного тока. По требованию заказчика електрообладнання верстата може быть выполнено на одно из следующих напряжений сети: 220, 380, 400 і 440 В з частотой 50 или 60 Гц.

Если величины робочого напряжения і частоти в заказе не оговорены, електрообладнання верстата выполняется для живлення от сети напряжением 380 в з частотой 50 Гц. Схема керування електроприводами верстата содержит ланцюги керування постоянного і переменного тока, в соответствии з чем применена і аналогичная аппаратура. Напряжение ланцюгів керування постоянного тока 220 В, а переменного — 127 В. Напряжение местного освещения — 36 В переменного тока.

Розташування електроустаткування на станке

Розташування електроустаткування на станке показано на рис. 1 і 2. Отдельно от верстата устанавливается станція керування, двухмашинный і трехмашинный преобразовательные агрегаты.

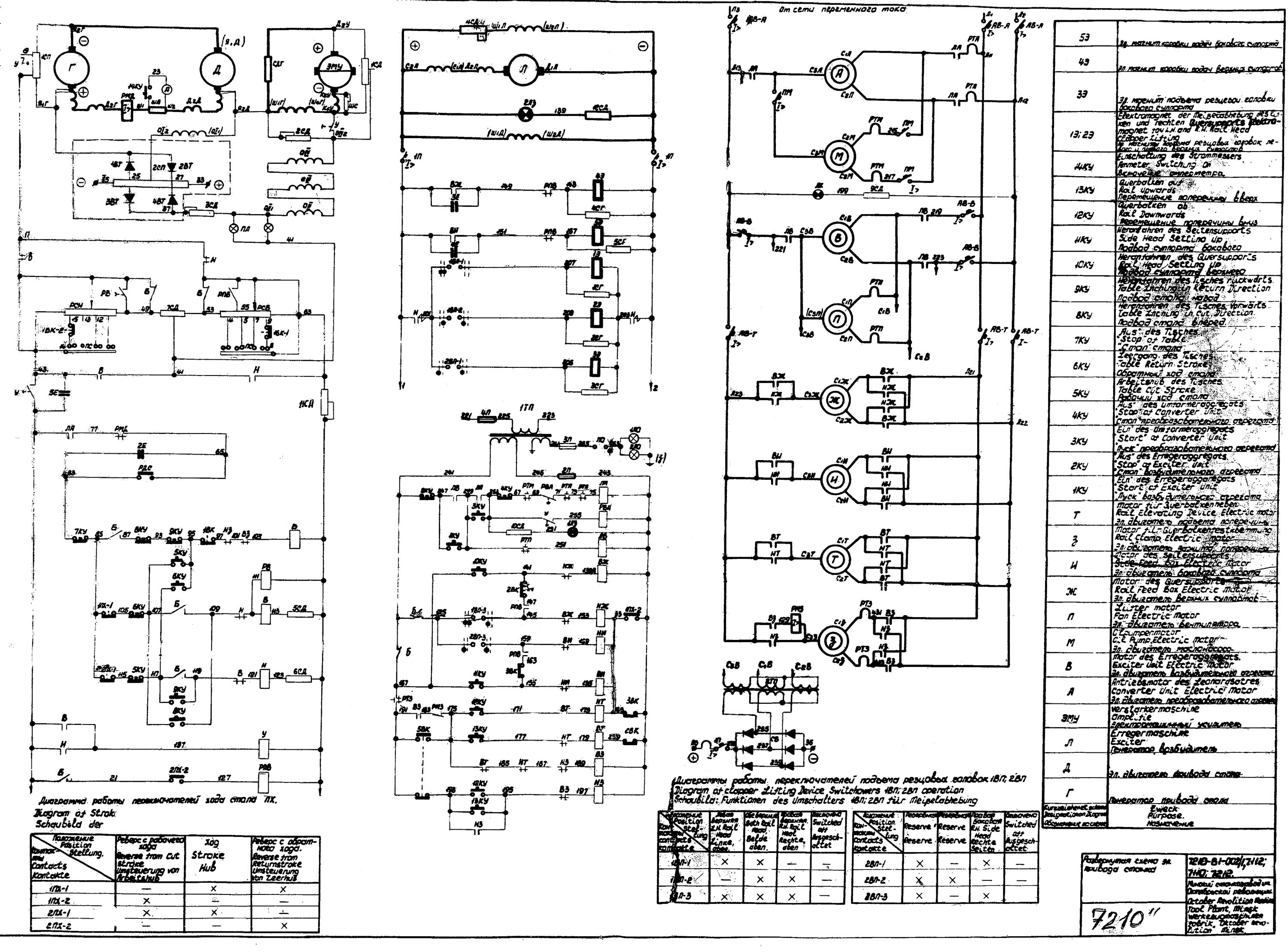
Електрична схема продольно-строгального верстата 7210

Електрична схема продольно-строгального верстата 7210

Електрична схема продольно-строгального верстата 7210

Електрична схема продольно-строгального верстата 7210. Дивитись у збільшеному масштабі



Настановне креслення продольно-строгального верстата 7210

7210 Настановне креслення продольно-строгального верстата

Настановне креслення продольно-строгального верстата 7210

Настановне креслення продольно-строгального верстата 7210. Дивитись у збільшеному масштабі







7210 Верстат продольно-строгальный двостоєчний. Відеоролик.




Технічні характеристики продольно-строгального двухстоечного верстата 7210

Наименование параметра 7210 7212 7216
Основні параметри верстата
Класс точності верстата Н Н Н
Наибольшие розміри обрабатываемого вироби (высота х ширина), мм 900 х 1000 1120 х 1250 1400 х 1600
Наибольшее расстояние от поверхности стола до поперечини, мм 1000 1220 1500
Расстояние между стойками, мм 1100 1350 1800
Стол
Розміри рабочей поверхности стола, мм 900 х 3000 1120 х 4000 1400 х 6000
Наибольшее продольное перемещение стола (ход по оси X), мм 700..3200 900..4200 1200..6200
Максимальная нагрузка на стол (на 1м длины стола), кг 1500 2000 2000
Вес стола, кг 3620 5460 10000
Суппорты
Количество вертикальних супортів на поперечине 2 2 2
Количество боковых супортів на стойке 1 1 1
Наибольшее горизонтальное перемещение вертикальних супортів на поперечине, мм 1500 1875 2280
Наибольшее вертикальное перемещение повзунів вертикальних супортів, мм 300 300 300
Наибольшее вертикальное перемещение бокового горизонтального суппорта, мм 900 1120 1400
Цена деления лимба горизонтального переміщення вертикальних супортів по поперечине, мм 0,25 0,25 0,25
Перемещение на один оборот лимба горизонтального переміщення вертикальних супортів по поперечине, мм 12 12 12
Цена деления лимба вертикального переміщення бокового суппорта і повзунів, мм 0,125 0,125 0,125
Перемещение на один оборот лимба вертикального переміщення бокового суппорта і повзунів, мм 6 6 6
Наибольший угол поворота вертикальних супортів, град ±60° ±60° ±60°
Цена деления лимба поворота вертикальних супортів, град
Поперечина
Наибольшее вертикальное перемещение поперечини, мм 900 1120 1400
Время автоматичного зажиму поперечини на стойках, с 10 10 12
Скорость вертикального установочного переміщення поперечини, м/мин 0,346 0,346
Механіка верстата
Скорость робочого ходу стола в I диапазоне, м/мин 6..90 6,5..80 6,5..80
Скорость робочого ходу стола во II диапазоне, м/мин 4..60 4..48 4..50
Скорость обратного ходу стола в I диапазоне, м/мин 20..90 20..80 20..80
Скорость обратного ходу стола во II диапазоне, м/мин 12..60 12..48 12..50
Регулювання скорости ходу стола Бесступ Бесступ Бесступ
Пределы горизонтальных подач вертикальних супортів на один двойной ход стола, мм 0,5..25 0,5..25 0,5..25
Пределы вертикальних подач вертикальних супортів на один двойной ход стола, мм 0,25..12,5 0,25..12,5 0,25..12,5
Пределы горизонтальных і вертикальних подач бокового суппорта на один двойной ход стола, мм 0,25..12,5 0,25..12,5 0,25..12,5
Шаг горизонтальных подач вертикальних супортів, мм 0,5 0,5 0,5
Шаг остальных подач супортів, мм 0,25 0,25 0,25
Скорость горизонтальных установочных перемещений вертикальних супортів, мм 1,47 1,47 1,47
Скорость вертикальних установочных перемещений вертикальних супортів, м/мин 0,735 0,735 0,735
Скорость горизонтальных установочных перемещений бокового суппорта, м/мин 0,735 0,735 0,735
Скорость вертикальних установочных перемещений бокового суппорта, м/мин 0,735 0,735 0,735
Наибольшее тяговое усилие на рейке стола, кгс 7000 12000
Предохранительное пристрій для останова стола Есть Есть Есть
Автоматический подъем резцедержателя при обратном ходе стола Есть Есть Есть
Електроустаткування. Привод
Количество електродвигателей на станке
Електродвигун приводу стола, кВт (об/мин) 75 100 100 (1500)
Електродвигун приводу трехмашинного преобразователя, кВт (об/мин) 40 55 75 (1470)
Електродвигун приводу двухмашинного преобразователя, кВт (об/мин) 3 3 (1430)
Електродвигун переміщення поперечини, кВт 2,2 5,2 5,2 (1450)
Електродвигун зажиму і отжима поперечини, кВт 0,6 0,6 0,6 (1350)
Електродвигун приводу подачі і переміщення вертикальних супортів, кВт 2,2 2,2 2,2 (1430)
Електродвигун приводу подачі і переміщення бокового суппорта, кВт 2,2 2,2 2,2 (1430)
Електродвигун вентилятора, кВт 0,6 0,6 0,6 (2800)
Електродвигун приводу маслонасоса, кВт 0,27 (1400)
Генератор живлення електродвигуна приводу стола, кВт 90 110 110 (1470)
Генератор живлення ланцюгів керування, катушек електромагнитов і обмотки возбуждения електродвигуна приводу стола, кВт 2,7 2,7 2,7 (1450)
Електродвигун електромашинного усилителя возбудителя генератора приводу стола, кВт 2 2,2 2,2 (1440)
Габарити і масса верстата
Габарити верстата (длина ширина высота), мм 7950 х 4000 х 3450 9950 х 4500 х 3800 14000 х 4800 х 4350
Масса верстата, кг 27500 35000 48000


    Список литературы:

  1. Аврутин Р.Д. Справочник по гідроприводам металлорежущих верстатів,1965
  2. Гинсбург Е.Г. Производство зубчатых колес, 1978
  3. Калашников А.С. Технология изготовления зубчатых колес, 2004
  4. Копылов Р.Б. Работа на строгальных і долбежных верстатах, 1975
  5. Мильштейн М.З. Нарезание зубчатых колес, 1972.
  6. Овумян Г.Г., Адам А.И. Справочник зубореза, 1983.
  7. Сильвестров Б.Н., Захаров И.Д. Конструкція і наладка зуборезных і резьбофрезерных верстатів, 1979.
  8. Шавлюга Н.И. Расчет і примеры наладок зубофрезерных і зубодолбежных верстатів, 1978.
  9. Яковцев А.Д. Работа на строгальных і долбёжных верстатах, 1966