Виробником універсального круглошліфувального верстата 3У10А був - Вільнюський завод шліфувальних верстатів .
Надалі верстат 3У10А виробляв литовський завод Вінгряй (AO VINGRIAI) , який у 1998 році об'єднався із заводом «Шліфавімо стаклес».
Круглошліфувальні верстати 3У10А виготовлялися під маркою 3U10MS .
Універсальний круглошліфувальний верстат 3У10А призначений для зовнішнього та внутрішнього шліфування циліндричних та конічних поверхонь деталей, що вимагають особливо високої точності розмірів, а також для шліфування плоских торців круглих деталей в умовах одиничного та дрібносерійного виробництва. Шліфування проводиться у нерухомих центрах, патроні або цангу та на планшайбі.
На круглошліфувальному верстаті 3У10А можна шліфувати зовнішні та внутрішні циліндричні, конічні поверхні та торцеві поверхні поздовжнім або врізним шліфуванням, установкою шліфувального кола на правому або лівому кінці шліфувального шпинделя, розворотом верхнього столу, бабки виробу або санок. Вироб монет, що обробляється, бути встановлений у нерухомих центрах, трикулачковому патроні або цанговому затиску, а також за допомогою додаткових пристроїв.
У звичайному виконанні верстат 3У10А поставляється із пневмошпинделем для внутрішнього шліфування. За спеціальним замовленням верстат може бути поставлений у виконанні з електрошпинделем.
Обробка універсальному круглошліфувальному верстаті 3У10А може проводитися з ручним керуванням або з механізованою (врізною або періодичною) подачею шліфувальної бабки, до жорсткого упору або команди приладу активного контролю в напівавтоматичному циклі. Можлива обробка з припасуванням (підгонкою) валику, що шліфується до оброблюваного отвору із заданим зазором. Можлива обробка із застосуванням тонкої врізної подачі (мікроподачі).
Основним матеріалом виробів, що підлягають обробці на верстаті, є загартована вуглецева сталь, проте із застосуванням відповідних абразивних або алмазних кіл та вибором необхідних технологічних режимів (у межах технічної характеристики верстата) можлива обробка виробів із твердих сплавів та інших матеріалів.
Основні технічні вимоги до заготовок, що підлягають обробці на верстаті:
На верстаті 3У10А можна шліфувати як у нерухомих центрах, так і патроні.
На верстаті можна виконувати такі види обробки:
На шліфувальному верстаті 3У10А можна обробляти вали діаметром від 3 до 100 мм завдовжки до 140 мм та отвори діаметром від 3 до 40 мм завдовжки до 50 мм.
Класи точності верстатів (Н, П, В, А, С):
Круглошліфувальний верстат 3У10А має поворотний стіл. Це дає можливість шліфувати не тільки циліндричні, а й пологі конічні поверхні.
Завдяки поворотній передній та поворотній шліфувальній бабці можна шліфувати круті конічні зовнішні та внутрішні поверхні.
Шліфувальна бабка складається із двох частинин. Верхня частинина шліфувальної бабки може пересуватися щодо нижньої (верхніх санок). Це дозволяє шліфувати периферією шліфувального кола торець деталі, закріпленої в патроні.
За спеціальним замовленням зі верстатами поставляється прилад активного контролю, що використовується при обробці великих партій деталей методом врізання і припасовування діаметра валу по отвору втулки, що спарується.
Верстати мають електромеханічний привід столу, гідравлічний привід автоматичної врізної подачі, а також врізної мікроподачі. Шліфувальний шпиндель для зовнішнього шліфування змонтований на гідравлічних тривкладишних опорах ковзання, що забезпечують високу жорсткість та вібростійкість. Можливе встановлення кола праворуч, що розширює технологічні можливості верстата.
Внутрішнє шліфування здійснюється швидкісними пневмошпинделями. Верстати укомплектовані магнітними сепараторами та паперовими фільтрами з автоматичним просмикуванням паперової стрічки для очищення емульсії, що охолоджує.
Керування верстатами здійснюється за допомогою рукояток та кнопок, розташованих на передній стінці станини та на пульті керування.
Верстат розроблено 1980 року.
Розробник: Ленінградське СКБ прецизійного верстатобудування СКБ ПС, м. Ленінград.
Виробник: Вільнюський завод шліфувальних верстатів, м. Вільнюс.
Основні параметри та розміри за ГОСТ 11654.

Мал. 38. Способи круглого шліфування:
а - з поздовжньою подачею, б - глибинне, в - врізне, г - послідовними врізаннями, д - комбіноване
На зовнішніх круглошліфувальних верстатах деталь встановлюється в центрах і обертається шпинделем передньої бабки. Для здійснення круглого зовнішнього шліфування необхідні рухи: обертання кола або головний рух різання, обертання деталі кругова подача деталі, зворотно-поступальний рух деталі (або кола) вздовж своєї осі поздовжня подача, подача на глибину шліфування.
Зовнішнє кругле шліфування здійснюється декількома способами:
В окремих випадках колу повідомляється додатковий осьовий коливальний рух з невеликою амплітудою - осцилюючий рух.

Габарит робочого простору шліфувального верстата 3у10а

Приєднувальні та посадкові бази шліфувального верстата 3у10а

Фото круглошліфувального верстата 3у10а

Фото круглошліфувального верстата 3у10а

Фото круглошліфувального верстата 3у10а

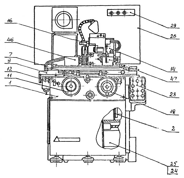
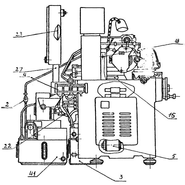
Розташування складових частинин шліфувального верстата 3у10а

Розташування складових частинин шліфувального верстата 3у10а

Розташування органів керування шлифовальным верстатом 3у10а
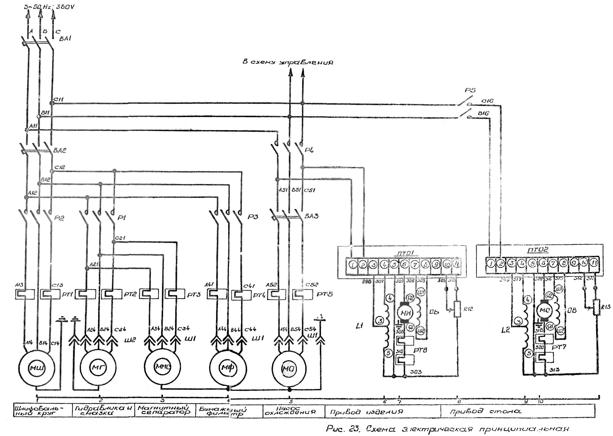
Питание ланцюгів електроустаткування осуществляется следующими напряжениями:
Електроустаткування верстата предназначено для подключения к трехфазной сети переменного тока з глухозаземленным или изолированным нейтральным проводом.
На станке установлены електродвигатели:
Общая мощность всех електродвигателей верстата около 3 кВт.

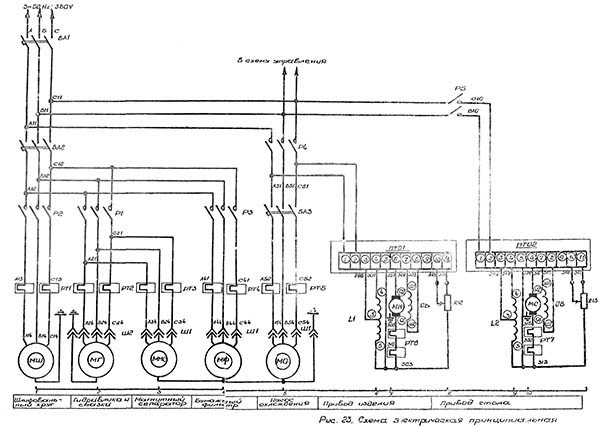
Електрична схема круглошлифовального верстата 3У10А
Електрична схема круглошлифовального верстата 3У10А. Дивитись у збільшеному масштабі

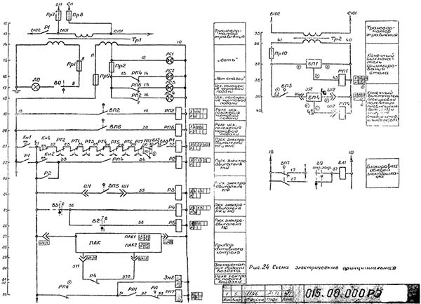
Електрична схема круглошлифовального верстата 3У10А
Електрична схема круглошлифовального верстата 3У10А. Дивитись у збільшеному масштабі

Електрична схема круглошлифовального верстата 3У10А
Електрична схема круглошлифовального верстата 3У10А. Дивитись у збільшеному масштабі
Органы керування верстатом сосредоточены на пульті керування.
Система регулювання скоростью переміщення стола і скоростью обертання вироби выполнена на базе електроприводу з тиристорными преобразователями.
Для регулювання швидкостей стола і вироби на пульт выведены рукоятки соответствующих потенциометров.
Розташування і назначение конечных выключателей:
Аппаратура керування находится в електрошкафу, расположенном в задньої частини верстата.
Блоки регулювання тиристорных приводов ПТ01 і ПТ02 находится в нише станины з правой її стороны.
Ввод питающих проводов осуществляется через угольник з резьбой 3/4 труб з задньої стороны станины.
Ввод должен быть осуществлен проводом марки ПГВ сечением 2,5 мм² черного цвета для линейных проводов і желто-зеленого цвета для заземления.
Вводной сетевой автоматический выключатель расположен на боковой стенке шкафа керування.
При первоначальном пуске необходимо:
Схема електрична принципова показана на рис. 23, 24, 25 в табл. 6 указан перечень елементів к схеме.
Електросхема передбачає работу верстата в четырех режимах:
Переключення одного режима на другой осуществляется четырехпозиционным переключателем подал В6.
Для подготовки схеми і работе необходимо:
Исходное положение шлифовальной бабки при наружной шлифовке - заднее.
Исходное положение шлифовальной бабки при внутренней шлифовке - переднее.
Механізм подач в задних положениях. Микропереключатели ВП2 і ВП6 нажаты.
Получает питание трансформатор Тр1. Загорается сигнальная лампа ЛС1 - "Сеть", загорается лампа местного освещения ЛО.
Нажимаем кнопку Кн1 "Пуск общий". Получает питание магнитный пускатель P1. Своими НО контактами он:
При етом подается напряжение на бесконтактные путевые переключатели і селеновый выпрямитель Вп1.
При работе з електродвигуном шлифовального круга МШ кронштейн внутришлифовального пневмошпинделя в нерабочее положение. При етом нажат микропереключатель ВП3. Срабатывает реле контроля змазки ВП4 і включается реле РП4.
С нажатием кнопки КН2 "Пуск шлифовального круга" получает питание пускатель Р2. Своими НО контактами он подключает к сети електродвигатель шлифовального круга МШ і ставит себя на самопитание.
Переключателем В3 включаем пускатели Р4 і Р5, НО контакты которых:
Увімкнення той или иной муфты зависит от положения конечного выключателя BП1. При включении одной муфты стол идет в одну сторону, при включении другой - в другую. В кінці каждого ходу стола в ту или другую сторону бесконтактный конечный переключатель ВП1 переключает муфты з помощью контактов реле РП1.
Переключателем В4 отключаем електромагнит Эм3 і включаем Эм7. Происходит подвод шлифовальной бабки к изделию.
Нажимаем кнопку Кн3 "Пуск автоматичною подачі". Получает питание реле РПЗ і ставит себя на самопитание. Одновременно получает питание електромагнит Эм4. Идет автоматическая черновая подача. Контроль размера обрабатываемой детали осуществляется прибором активного контроля.
С началом черновой подачі срабатывает реле РП6, т.к. механізм подачі сошел со своего исходного положения і контакты микропереключателя ВП6 замкнулись. Одновременно гаснет сигнальная лампа ЛС3.
После снятия кругом чернового припуска прибор дает первую команду ПАК1 - переход на чистовую подачу. При етом срабатывает первое реле прибора. Открывается НЗ контакт ПАК1, Реле РП3 обесточивается і его НЗ контакт замыкается, подготавливая ланцюг для увімкнення реле РП5.
Одновременно своим НО контактом реле РП3 отключает електромагнит черновой подачі, а первое реле прибора своим НО контактом включает електромагнит чистовой подачі Эм1. Черновая подача прекращается, начинается чистовая подача.
С началом чистовой подачі срабатывает реле РП2, т.к. механізм подачі сошел со своего исходного положения к контакты микропереключателя БП2 замкнулись. Одновременно гаснет сигнальная лампа ЛС4.
После снятия кругом чистового припуска прибор дает вторую команду ПАК2 - "Готов размер". При етом срабатывает второе реле прибора. Его НО контакт замыкается і реле РП5 срабатывает. При етом отключается електромагнит чистовой подачі Эм1, а електромагниты реверса черновой подачі Эм5 і чистовой подачі Эм2 включается.
Идет реверс обоих подач до нажима на микропереключатели БП2 і ВП6. В результате отключаются реле РП2 і РП6 і своими НО контактами отключают реле РП5, сбрасывают запоминание команд прибора, отключают електромагниты Эм2 і Эм5, зажигают сигнальные лампы ЛС3 і ЛС4 исходного положения задач. Включая електромагнит ЭМ3 з помощью переключателя В4, производим отвод шлифовальной бабки.
Переключателем В3 отключаем пускатель Р4. Двигатели вироби, стола, охлаждения останавливаются. Цикл окончен.
В етом режиме возможна робота з прибором активного контроля і без него.
Подготавливаем схему к работе аналогично тому, как ето делалось в описанном выше режиме, за исключением того, что переключатель подач В6 ставим в положение "Чистовая подача".
Производим подвод шлифовальной бабки переключателем В4.
При работе з прибором активного контроля нажимаем кнопку Кн3. Выключается реле РП3 і своим НО контактом включает електромагнит чистовой подачі Эм1. идет чистовая подача. Освобождается микропереключатель ВП2, включается реле РП2, гаснет сигнальная лампа ЛС4. Прибор выдает первую команду - ПАК1 - "Выхаживание". При етом включается первое реле прибора, которое своим НЗ контактом отключает ланцюг живлення реле РП3. Электромагнит Эм1 отключается. Идет выхаживание. Прибор выдает вторую команду - ПАК2 - "Готов размер". Включается второе реле прибора і своим НО контактом включает ланцюг живлення реле РП5.
НО контакт РП5 включает електромагнит Эм2. Идет реверс чистовой подачі до нажима на микропереключатель БП2. При етом загорается сигнальная лампа "Исходное положение чистовой подачі" ЛС4, реверс подачі прекращается, т.к. отключается реле РП5.
При работе без прибора сигнал на окончание чистовой подачі подается переключателем В5, который при етом ставится в положение "стоп". При етом отключается реле РПЗ і електромагнит Эм1. Происходит выхаживание. Сигнал на окончание выхаживания подается переключателем В5, который при етом ставится в положение "Реверс". При етом включается реле РП5 і електромагнит Эм2 реверса подачі. Реверс идет до нажима на ВП2, отчего РП5 отключается. Загорается сигнальная лампа ЛС4.
В етом режиме робота осуществляется так же. как в режиме "Чистовая подача", только включаются електромагниты Эм4 і Эм5 -черновой подачі і реверса соответственно, при етом целом командует реле РП6.
В етом режиме работает только електромагнит Эм6, при включении которого через НО контакт РП1 осуществляется периодическая подача, а при отключении - подача прекращается.
1. Блокировка увімкнення електродвигуна шлифовального круга і внутришлифовального пневмошпинделя осуществляется конечным выключателем ВП3 через реле РП4.
Если кронштейн внутришлифовального шпинделя откинут в нерабочее положение, то конечный выключатель ВП3 нажат. При етом включается реле РП4 і своим НО контактом разрешает увімкнення електродвигуна МШ.
Если кронштейн находится в рабочем положении, то конечный выключатель ВП3 отпущен. В етом случае нельзя включать електродвигатель МШ.
2. Блокировка исходного положения шлифовальной бабки.
Исходное положение шлифовальной бабки при внутреннем шлифовании - переднее. Для етого в ланцюги електромагнита Эм3 имеется НО контакт реле РП4, которое срабатывает от конечного выключателя ВП3. Если кронштейн внутришлифовального шпинделя находится в рабочем положении, то конечный выключатель ВП3 отпущен і електромагнит Эм3 всегда отключен, т.е. отвод бабки произвести невозможно.
3. Блокировка охлаждения вироби осуществляется одновременным включением двигуна вироби і насоса охлаждения. При загрязнении охлаждающей жидкости нажимается конечный выключатель ВП5 получает питание магнитный пускатель Р3, который своими НО контактами подключает к сети електродвигатель продергивания бумаги МФ. Бумага продергивается, ВП5 отпускается, двигатель останавливается.
Захист електродвигателей от перегрузок осуществляется тепловыми реле PT1 ... РТ7, от токов короткого замыкания - автоматическими выключателями BA1 ... ВА3.
Схема керування защищена от токов короткого замыкания - предохранителями Пр1, Пр2, Пр7 ... ПР11.
Нулевая защита обеспечивается НО контактом пускателя P1. При исчезновении напряжения верстат снова можно включить только посредством нажатия кнопки Кн1 "Пуск общий".
Аварийная защита верстата обеспечивается кнопкой керування Кн4 з красным грибовидным толкателем і автоматическим выключателем ВА1.
На шкафу имеется 4 сигнальные лампы: ЛС1 - сигнализирует о наличии напряжения ЛС2 - сигнал говорит об отсутствии змазки ЛС3 - сигналізація исходного положения механізма черновой подачі. ЛС4 - сигналізація исходного положения механізма чистовой подачі.
Кроме етого 3 сигнальных лампочки на приборе активного контроля.
Они означают:

Список елементів круглошлифовального верстата 3у10а
Список елементів круглошлифовального верстата 3У10А. Дивитись у збільшеному масштабі

Список елементів круглошлифовального верстата 3у10а
Список елементів круглошлифовального верстата 3У10А. Дивитись у збільшеному масштабі

Список елементів круглошлифовального верстата 3у10а
Список елементів круглошлифовального верстата 3У10А. Дивитись у збільшеному масштабі

Електрична схема круглошлифовального верстата 3У10А, 3У10В, 3У10С
Електрична схема круглошлифовального верстата 3У10А, 3У10В, 3У10С. Дивитись у збільшеному масштабі

Електрична схема круглошлифовального верстата 3У10А, 3У10В, 3У10С
Електрична схема круглошлифовального верстата 3У10А, 3У10В, 3У10С. Дивитись у збільшеному масштабі

Електрична схема круглошлифовального верстата 3У10А, 3У10В, 3У10С
Електрична схема круглошлифовального верстата 3У10А, 3У10В, 3У10С. Дивитись у збільшеному масштабі

Електрична схема круглошлифовального верстата 3У10А, 3У10В, 3У10С
Електрична схема круглошлифовального верстата 3У10А, 3У10В, 3У10С. Дивитись у збільшеному масштабі
| Наименование параметра | 3У10А | 3В10 |
|---|---|---|
| Основні параметри | ||
| Класс точності по ГОСТ 8-82 | А | А |
| Наибольший диаметр устанавливаемого вироби, мм | 100 | 100 |
| Наибольшая длина устанавливаемого вироби (РМЦ), мм | 160 | 160 |
| Наибольшая длина шлифования, мм | 140 | |
| Рекомендуемый диаметр шлифования, мм | 3..15 | 3..15 |
| Наибольший диаметр шлифуемого отверстия, мм | 40 | |
| Рекомендуемый диаметр шлифования отверстия, мм | 3..15 | 3..15 |
| Наибольшая длина шлифования отверстия, мм | 50 | 15 |
| Расстояние от оси шпинделя передньої бабки до зеркала стола - высота центров, мм | 120 | 80 |
| Наибольший вес устанавливаемого вироби, кг | 1 | |
| Высота центров над подошвой верстата, мм | 1070 | 1050 |
| Станина і стол верстата | ||
| Наибольшее продольное перемещение стола, мм | 200 | 160 |
| Максимальное число двойных ходов стола в минуту, мм | 30 | |
| Наименьший ход стола между упорами, мм | 1,5 | 2 |
| Ручное замедленное переміщення стола за один оборот маховика, мм | 0,176 | 0,174 |
| Ручное ускоренное переміщення стола за один оборот маховика, мм | 2,5 | 2,5 |
| Скорость автоматичного переміщення стола (от гідросистемы), м/мин | 0,025..1,0 | 0,03..1,0 |
| Наибольший угол поворота верхнего стола по часовий стрелке, град | +6° -7° | +6° -7° |
| Шлифовальная бабка | ||
| Наибольшее перемещение шлифовальной бабки по винту подачі, мм | 100 | 60 |
| Перемещение шлифовальной бабки во время швидкого подвода, мм | 15 | |
| Угол поворота шлифовальной бабки, град | ±30° | ±90° |
| Время швидкого подвода шлифовальной бабки, с | 3 | |
| Шлифовальный круг по ГОСТ 2424-67 | ПП250х20х76 | ПП200х20х76 |
| Износ шлифовального круга в мм на диаметр | 80 | |
| Частота обертання шпинделя наружного шлифования, об/мин | 2800 | 2800 |
| Толчковая подача - периодическая подача з реверсированием стола, мм | 0,00125 | 0,0005 |
| Скорость периодической подачі з реверсированием стола, мм/мин | 0,02..0,2 | |
| Ручная толчковая подача - периодическая подача в момент реверса стола, мм | 0,00125 | |
| Автоматическая толчковая подача - периодическая в момент реверса стола, мм | 0,0025..0,01 | |
| Наибольший ход автоматичною подачі, мм | 0,25 | |
| Цена деления лимба поперечної подачі, мм | 0,0025 | |
| Цена деления лимба тонкой поперечної подачі, мм | ||
| Величина поперечного переміщення шлифовальной бабки за один оборот маховика, мм | 0,5 | |
| Наибольшее перемещение шлифовальной бабки по ланцюги микроподачі, мм/рад | 0,05 | |
| Пределы швидкостей врезной микроподачі, мм/мин | 0,01..0,1 | |
| Скорость швидкого установочного переміщення шлифовальной бабки, мм/мин | ||
| Кінець шлифовального шпинделя по ГОСТ 2323-67 (конусность 1:5, номинальный диаметр), мм | 32 | 32 |
| Приспособление для внутреннего шлифования | ||
| Наибольший диаметр заготовки, устанавливаемой в патроне, мм | ||
| Наибольшая длина шлифуемого отверстия, мм | ||
| Диаметр внутришлифовальной головки, мм | ||
| Число оборотів внутришлифовального шпинделя | 40000..80000 | |
| Передня бабка (бабка вироби) | ||
| Частота обертання вироби (бесступенчатое регулювання), об/мин | 85..1000 | 100..950 |
| Угол поворота патронной бабки по часовий стрелке, град | 30° | 30° |
| Угол поворота патронной бабки по часовий стрелке, град | 90° | 90° |
| Конус шпинделя передньої бабки по СТ СЭВ 147-75 | Морзе 3 | |
| Задня бабка | ||
| Величина відведення пиноли задньої бабки от руки, мм | 15 | |
| Конус шпинделя пиноли задньої бабки по СТ СЭВ 147-75 | Морзе 2 | |
| Привід і електрообладнання верстата | ||
| Количество електродвигателей на станке | 7 | |
| Електродвигун шпинделя шлифовальной бабки, кВт | 1,1 | |
| Електродвигун приводу вироби, кВт | 0,245 | |
| Електродвигун приводу стола, кВт | 0,245 | |
| Електродвигун насоса гідросистемы, кВт | 0,75 | |
| Електродвигун магнитного сепаратора, кВт | 0,06 | |
| Електродвигун продергивания бумаги кВт | 0,18 | |
| Електродвигун насоса системы охлаждения, кВт | 0,12 | |
| Габаритные розміри і масса верстата | ||
| Габаритные розміри верстата (длина х ширина х высота), мм | 1250 х 1400 х 1690 | 1900 х 1600 х 1400 |
| Масса верстата з електрообладнанням і охолодженням, кг | 1980 | 2400 |