Виробники універсального круглошліфувального верстата 3Б12:
Універсальний круглошліфувальний верстат 3Б12 призначений для шліфування зовнішніх та внутрішніх циліндричних та конічних поверхонь в умовах індивідуального та дрібносерійного виробництва.
Верстат 3Б12 має поворотний стіл. Це дає можливість шліфувати не тільки циліндричні, а й пологі конічні поверхні.
Завдяки поворотній передній та поворотній шліфувальній бабці можна шліфувати круті конічні зовнішні та внутрішні поверхні.
Шліфувальна бабка складається із двох частинин. Верхня частинина шліфувальної бабки може пересуватися щодо нижньої (верхніх санок). Це дозволяє шліфувати периферією шліфувального кола торець деталі, закріпленої в патроні.
На верстаті 3Б12 можна шліфувати як у нерухомих центрах, так і патроні.
На верстаті можна виконувати такі види обробки:
На верстаті 3Б12 можна обробляти вали діаметром від 8 до 200 мм завдовжки від 100 до 500 мм та отвори діаметром від 20 до 50 мм завдовжки до 75 мм.

Мал. 38. Способи круглого шліфування:
а - з поздовжньою подачею, б - глибинне, в - врізне, г - послідовними врізаннями, д - комбіноване
На зовнішніх круглошліфувальних верстатах деталь встановлюється в центрах і обертається шпинделем передньої бабки. Для здійснення круглого зовнішнього шліфування необхідні рухи: обертання кола або головний рух різання, обертання деталі кругова подача деталі, зворотно-поступальний рух деталі (або кола) вздовж своєї осі поздовжня подача, подача на глибину шліфування.
Зовнішнє кругле шліфування здійснюється декількома способами:
В окремих випадках колу повідомляється додатковий осьовий коливальний рух з невеликою амплітудою - осцилюючий рух.

Габарит робочого простору шліфувального верстата 3Б12

Приєднувальні та посадкові бази шліфувального верстата 3Б12

Фото шліфувального верстата 3Б12

Розташування органів керування шліфувальним верстатом 3Б12
Живлення ланцюгів електроустаткування здійснюється наступними напругами:
Електроустаткування верстата призначене для підключення до трифазної мережі змінного струму з глухозаземленим або ізольованим нейтральним дротом.
На верстаті 3К12 встановлені електродвигуни:
Общая мощность всех електродвигателей - кВт

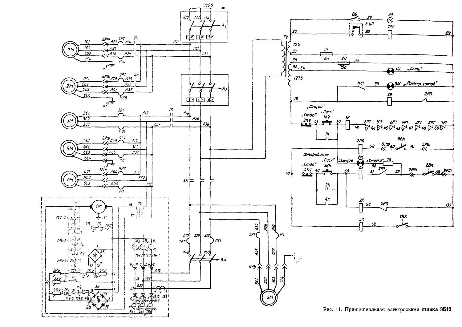
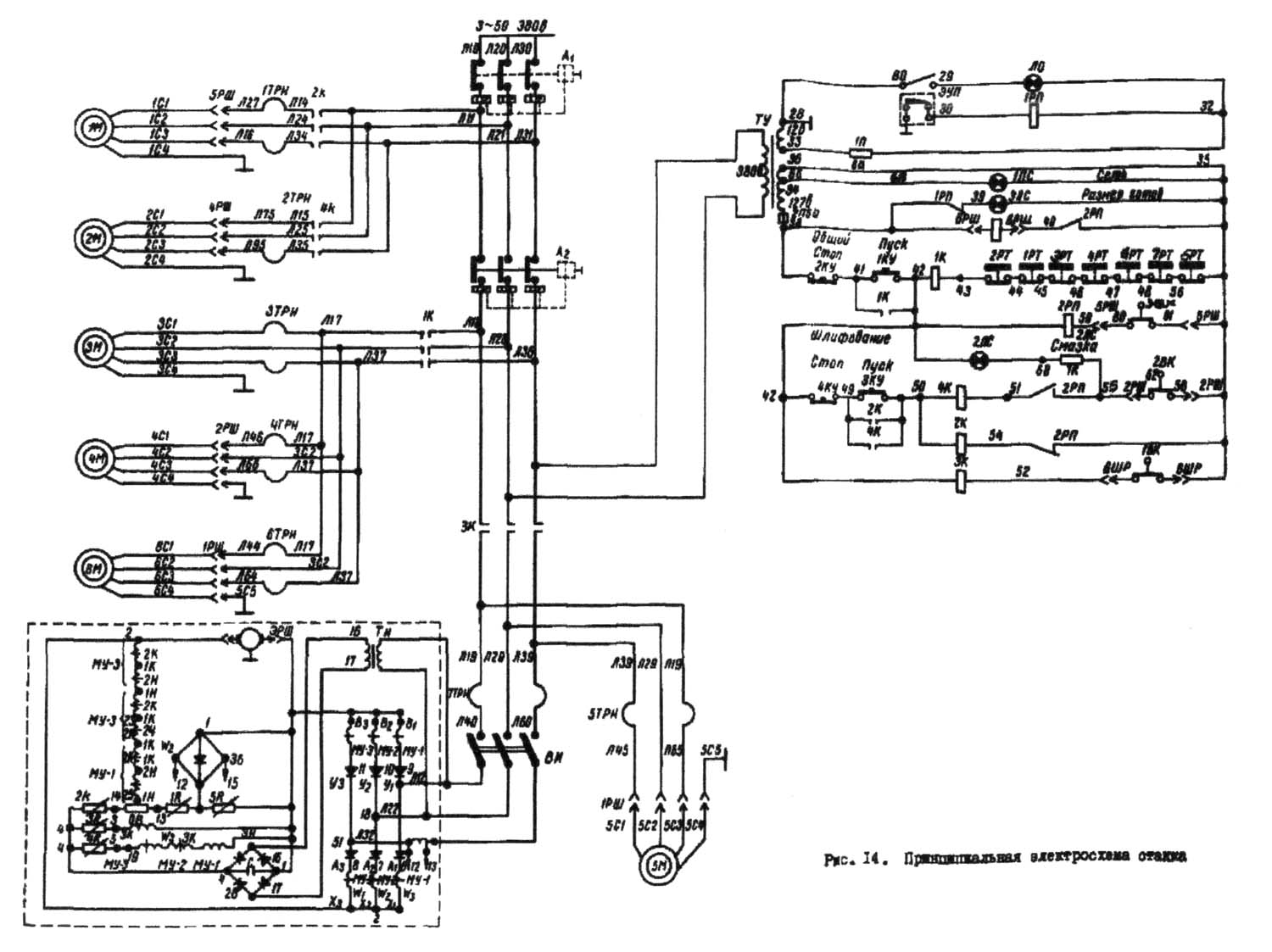
Електрична схема круглошлифовального верстата 3Б12
1. Схема електрична круглошлифовального верстата 3Б12. Дивитись у збільшеному масштабі
2. Схема електрична круглошлифовального верстата 3Б12. Дивитись у збільшеному масштабі
В комплект верстата входят:
Вся аппаратура расположена в електрошкафу і на пульті керування.
В начале роботи шлифовальная бабка находится в исходном положении. Кронштейн внутренней шлифовка откинут, конечный выключатель 3ВК нажат. Реле контроля змазки шпинделя 2ВК отпущено.
Для подготовки схеми к работе необходимо:
После нажатия кнопки 1КУ «Пуск общий» катушка магнитного пускателя 1К получает питание і закрывает свои контакты НО. Катушка становится на самопитание. Электродвигатели гідронасоса 3М, насоса змазки 4М і двигатель магнитного сепаратора подключаются к сети. Реле 2РП получает питание і закрывает свои контакты НО. Подключается електромагнит 1Э і загорается сигнальная лампочка «Смазка». После нажатия кнопки ЗКУ «Пуск шлифования» катушка магнитного пускателя 4К получает питание і становится на самопитание. Подключается двигатель наружного шлифования. Подвод шлифовальной бабки, увімкнення ходу стола і увімкнення подачі осуществляют гідравлически рукояткой керування. При етом нажимают кінцівой выключатель 1BK і включают магнитный пускатель ЗК. Подключают електродвигатели насоса емульсии і приводу вироби.
Когда изделие отшлифовано в номинал, шлифовальная бабка доходит до упора і контакт електрического упора размыкается. Катушка реле 1РП теряет питание, загорается светофор ЗЛС «Размер готов». Шлифовальную бабку отводят гідравлически. Когда освобождают 1ВК, пускатель ЗК теряет питание. Выключают електродвигатели бабки вироби і насоса емульсии. Цикл окончен.
При внутреннем шлифовании следует опустить кронштейн со шпинделем внутреннего шлифования і разъединить разъем 2РШ.
При етом отпускается конечный выключатель ЗВК і открывает свои контакты НО в ланцюги 2РП. 2РП теряет питание, її контакты НО в ланцюги 4К (51-55) открываются. Контакты НЗ в ланцюги 2К (54-35) закрываются, контакты НО в ланцюги 1Э (40-35) открываются. После нажатия кнопки «Пуск шлифования» катушка магнитного пускателя 2К получает питание. Включается електродвигатель шпинделя внутренней шлифовки 7М.
1. Блокировка увімкнення шпинделя наружного шлифования
Шпиндель наружного шлифования можно включать только в том случае, если давление змазки шпинделя достигло заданного значения. При етом конечный выключатель 2ВК в реле давления масла должен быть нажат. Его контакт НО 2ВК 62-58 закрыт.
2. Блокировка швидкого відведення шлифовальной бабки при внутреннем шлифовании
При внутреннем шлифовании быстрый отвод шлифовальной бабки може быть произведен только при откинутом кронштейне, когда нажат 3ВК і его контакт НО в ланцюги (60-61) закрыт.
Защиту електроустаткування от токов короткого замыкания осуществляют при помощи плавких предохранителей і автоматических выключателей, от перегрузок — тепловыми реле 1РТ...7РТ.
Аварийную защиту осуществляют кнопкой 2КУ «Стоп общий».
Для подключения верстата к сети следует:

Список елементів круглошлифовального верстата 3Б12
Список елементів круглошлифовального верстата 3Б12. Дивитись у збільшеному масштабі

Список елементів круглошлифовального верстата 3Б12
Список елементів круглошлифовального верстата 3Б12. Дивитись у збільшеному масштабі

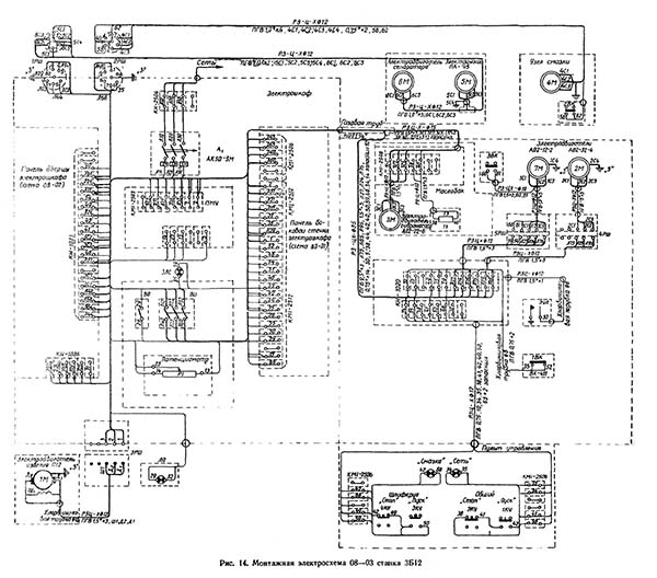
Монтажная схема круглошлифовального верстата 3Б12
Схема Монтажная круглошлифовального верстата 3Б12. Дивитись у збільшеному масштабі
| Наименование параметра | 3Б12 | 3Б153 | 3М153 | 3А153У |
|---|---|---|---|---|
| Основні параметри | ||||
| Класс точності по ГОСТ 8-82 | П | П | П | |
| Наибольший диаметр устанавливаемого вироби, мм | 200 | 140 | 140 | 140 |
| Наибольшая длина обрабатываемого вироби (РМЦ), мм | 500 | 500 | 500 | 500 |
| Диаметр шлифования, мм | 8..200 | 8..120 | 8..60 | |
| Наибольшая длина шлифования, мм | 450 | 450 | 450 | 500 |
| Рекомендуемый диаметр шлифования, мм | 20..60 | 20..60 | 50 | |
| Наибольшая рекомендуемая масса вироби, кг | 20 | |||
| Диаметр шлифуемого отверстия, мм | 25..50 | - | - | |
| Расстояние от оси шпинделя передньої бабки до зеркала стола - высота центров, мм | 120 | 80 | 90 | 80 |
| Расстояние от подошвы верстата до оси вироби, мм | 1060 | 1060 | ||
| Стол верстата | ||||
| Наибольшее продольное перемещение стола механическое / ручное, мм | 500 / 550 | 550 / 550 | 500 / 500 | 550 / 550 |
| Наименьший ход стола между упорами, мм | 4 | 4 | ||
| Ручное замедленное/ ускоренное переміщення стола за один оборот маховика, мм | 1,59 / 31,9 | 1,6 / 32 | 1,2 / 14,27 | 4 / 20 |
| Скорость переміщення стола от гідросистемы, м/мин | 0,1..5 | 0,1..5 | 0,03..5 | 0,1..6 |
| Наибольший угол поворота верхнего стола по часовий стрелке, град | 6° | 6° | 8,5° | 6° |
| Наибольший угол поворота верхнего стола против часовий стрелки, град | 7° | 7° | 8,5° | 7° |
| Шлифовальная бабка | ||||
| Наибольшее перемещение шлифовальной бабки от маховика, мм | 110 | 110 | 100 | 170 |
| Перемещение шлифовальной бабки относительно верхних салазок, мм | 180 | - | ||
| Перемещение шлифовальной бабки во время швидкого подвода, мм | 40 | 40 | 55 | |
| Поворот шлифовальной бабки, град | 90° | - | - | |
| Шлифовальный круг по ГОСТ 2424-67 | 200..300 х 40 х 127 | 400 х 50 х 203 | 350..500 х 63 х 203 | 300..400 х 50 х 203 |
| Диаметр кінця шлифовального шпинделя по ГОСТ 2323-67 (конусность 1:5), мм | Ø 50 | Ø 50 | Ø 80 | |
| Частота обертання шпинделя наружного шлифования, об/мин | 2250 | 1670 | 1920 | 1800, 2190, 2600, 3000 |
| Скорость шлифовального круга - изношенного / неизношенного, м/с | 35 / 50 | |||
| Толчковая подача на диаметр - периодическая подача з реверсированием стола, мм | 0,002..0,024 12 подач |
0,005..0,05 | 0,002..0,038 | |
| Скорость врезной подачі, мм/мин | 0,05..1,5 | |||
| Цена деления лимба поперечної подачі, мм | 0,005 | |||
| Величина переміщення шлифовальной бабки за один оборот маховика, мм | 0,5 | 0,5 | 0,25 | |
| Величина переміщення шлифовальной бабки на одно деление лимба, мм | 0,002 | |||
| Величина ручной толчковой подачі шлифовальной бабки, мм | 0,001 | |||
| Величина ходу автоматичною импульсной подачі шлифовальной бабки, мм | 0,002..0,060 через 0,002 мм |
|||
| Скорость швидкого установочного переміщення шлифовальной бабки, м/мин | 1,2 | |||
| Время швидкого установочного переміщення (подвода і відведення) шлифовальной бабки, с | 3 | 3 | ||
| Приспособление для внутреннего шлифования | ||||
| Наибольший диаметр заготовки, устанавливаемой в патроне, мм | - | - | - | |
| Наибольшая длина шлифуемого отверстия, мм | - | - | - | |
| Диаметр внутришлифовальной головки, мм | 17 х 20 х 6 30 х 25 х 10 40 х 32 х 16 |
- | - | - |
| Число оборотів внутришлифовального шпинделя | 16750 | - | - | - |
| Передня бабка (бабка вироби) | ||||
| Частота обертання вироби (бесступенчатое регулювання), об/мин | 78..780 | 80..800 | 55..900 | 100..1000 |
| Угол поворота в сторону шлифовального круга, град | 90° | - | - | |
| Угол поворота в сторону от шлифовального круга, град | 30° | - | - | |
| Конус шпинделя передньої бабки по ГОСТ 2847-67 | Морзе 3 | Морзе 3 | Морзе 3 | Морзе 3 |
| Задня бабка | ||||
| Величина відведення пиноли задньої бабки от руки, мм | 25 | 25 | 30 | 30 |
| Конус шпинделя пиноли задньої бабки по ГОСТ 2847-67 | Морзе 3 | Морзе 3 | Морзе 3 | Морзе 3 |
| Привід і електрообладнання верстата | ||||
| Количество електродвигателей на станке | 7 | 6 | 6 | |
| Електродвигун шпинделя шлифовальной бабки, кВт (об/мин) | 3,0 (2М) | 5,5 | 7,5 | 2,8 (2880) |
| Електродвигун внутришлифовального шпинделя, кВт | 1,1 (7М) | - | - | - |
| Електродвигун приводу вироби, кВт | 1,0 (1М) | 0,7 | 0,7 | 0,7 (3000) |
| Електродвигун насоса гідросистемы, кВт (об/мин) | 1,0 (3М) | 1,1 | 3,0 | 1,7 (930) |
| Електродвигун насоса системи змащення шпинделя, кВт | 0,27 (4 млн) | 0,27 | 0,25 | |
| Електродвигун насоса системи охолодження, кВт | 0,15 | 0,15 | 0,15 | |
| Електродвигун магнітного сепаратора, кВт | 0,15 | 0,12 | 0,12 | |
| Загальна потужність всіх електродвигунів, кВт | 7,84 | |||
| Габаритні розміри та маса верстата | ||||
| Габаритні розміри верстата (довжина x ширина x висота), мм | 2600 х 1750 х 1750 | 2650 х 1600 х 1650 | 2260 х 1920 х 1780 | 2060 х 1515 х 1400 |
| Маса верстата з електрообладнанням та охолодженням, кг | 3000 | 3000 | 4100 | 2800 |