Виробник координатно-розточувального верстата 2В440А Куйбишевський завод координатно-розточувальних верстатів, ЗАТ «Стан-Самара» , заснований у 1963 році.
Свою історію Куйбишевський завод координатно-розточувальних верстатів веде з 1963 року, коли було запроваджено першу чергу цього підприємства. Молодий колектив заводу за короткий термін освоїв виробництво верстатів високої точності і вже 1966 року випустив їх кілька сотень.
Завод припинив своє існування у 1991 році, і на його виробничих площах відкрилося кілька верстатобудівних підприємств, які продовжують випускати координатно-розточувальні верстати, займаються їх ремонтом та модернізацією. Завод координатно-розточувальних верстатів «Стан-Самара» ЗАТ, Самарське НВП координатно-розточувальних верстатів, ЗАТ, «Станкосервіс» ТОВ та ін.
Початок серійного виробництва координатно-розточувального верстата 2В440А – 1971 рік. Він був замінений у виробництві верстатом 2Е440А .
Координатно-розточувальний верстат 2В440А особливо високої точності (А за ГОСТ 8-71) призначений для обробки отворів у кондукторах, пристрійх та деталях з точним розташуванням осей, розміри між якими задані у прямокутній системі координат.
Поряд із розточуванням на верстаті 2В440А можуть виконуватися свердління, легке (чистове) фрезерування, розмітку та перевірку лінійних розмірів, зокрема і міжцентрових відстаней. Верстат забезпечений поворотними столами, що дає можливість проводити обробку отворів, заданих в системі полярної координат, похилих і взаємно перпендикулярних отворів і проточку торцевих площин.
На координатно-розточувальному верстаті 2В440А можна свердлити отвори діаметром до 40 мм, розмічати точні шаблони, перевіряти лінійні розміри та міжцентрові відстані, а також виконувати легкі фрезерні роботи, для чого передбачена механічна подача столу та санок.
За своєю компонуванням цей верстат 2В440А відноситься до одностоєчних координатно-розточувальних верстатів з хрестовим столом, зі шпиндельною бабкою, що переміщається по вертикальних направляючих Г-подібної стійки.
Координатно-розточувальний верстат 2В440А має прямокутний стіл з поздовжнім і поперечним переміщенням. Передбачено настановне переміщення шпиндельної бабки.
Робоче та прискорене переміщення столу здійснюються незалежно в поздовжньому та поперечному напрямках асинхронними електроприводами з широким діапазоном регулювання.
Подачі шпинделя регулюються безступінчасто за допомогою фрикційного варіатора. Є механізм автоматичного вимкнення подачі шпинделя на заданій глибині.
Верстат використовується для робіт в інструментальних цехах (обробка кондукторів та пристроїв) та у виробничих цехах для точної обробки деталей без спеціального оснащення.
Точне встановлення столу на задану координату проводиться вручну, маховичком.
Застосовуючи поворотні столи, що поставляються зі верстатом, та інше приладдя, можна проводити обробку отворів, заданих у полярній системі координат, похилих і взаємно перпендикулярних отворів і проточку торцевих площин.
Координатно-розточувальний верстат 2В440А має ряд приладдя, що полегшує роботу (центрошукачі, різцеутримувачі та ін) та горизонтальний поворотний стіл.
Верстат 2В440А забезпечений універсальним поворотним столом, що дозволяє обробляти отвори, осі яких задані в полярній системі координат, з відліком кутів по лімбах, ділити за допомогою ділильних дисків; обробляти похилі отвори.
Верстат 2В440А забезпечений оптичним вимірювальним пристроєм із плоскими скляними штриховими мірами та екранною оптикою зі спіральним мікрометром.
Привід головного руху – від регульованого електродвигуна постійного струму. Швидкості регулюються системою г — д (генератор — двигун, система Леонарда) у діапазоні 4:1.
Для усунення діапазону швидкостей, що дається регульованим електродвигуном, використовується проста коробка швидкостей.
Шпиндельна бабка верстата має лише настановне переміщення. Для переміщення гільзи застосований пов'язаний привід із зміною поступ. Для приводу переміщень столу та санок служать електродвигуни постійного струму з безступінчастиним регулюванням швидкості ЕМУ, до якого вони підключаються послідовно.
У цьому верстаті привід столу і санок не призначений для автоматизації точних координатних установок, оскільки він не забезпечує необхідних для цього малих швидкостей переміщення столу і санок.
Верстат 2В440А використовується в інструментальних, машинобудівних та приладобудівних цехах для обробки заготовок деталей одиничного та серійного виробництв.
Робоче та прискорене переміщення столу здійснюються незалежно в поздовжньому та поперечному напрямках асинхронними електроприводами з широким діапазоном регулювання, що дозволяють підвищити жорсткість та продуктивність верстата при фрезеруванні.
Точне встановлення столу на задану координату проводиться вручну, маховичком. Верстат забезпечений пристроєм цифрової індикації, що дозволяє оператору проводити установку координат з дискретністю 0,001 мм у двох взаємно перпендикулярних напрямках.
Обертання шпинделя здійснюється від регульованого електроприводу змінного струму через триступінчасту коробку швидкостей. Подачі шпинделя регулюються безступінчасто за допомогою фрикційного варіатора. Є механізм автоматичного вимкнення подачі шпинделя на заданій глибині.
У верстаті передбачені затискачі столу, санок та шпиндельної бабки.
Клас точності верстата А за ГОСТ 8-71.
Підставою верстата служить станина коробчастої форми із внутрішніми ребрами жорсткості. По направляючих кочення станини в поперечному напрямку переміщаються санки, по направляючих кочення яких переміщається стіл у поздовжньому напрямку.
Закріплення столу та санок у робочому положенні проводиться рукоятками, які за допомогою кінцевих вимикачів блокують робочі подачі. Автоматичне вимкнення подачі відбувається також у крайніх положеннях столу та санок.
На станині встановлено литу стійку, на якій змонтовано коробку швидкостей.
По вертикальним напрямним стійки переміщається шпиндельна коробка, врівноважена противагою. Противага розташована в стійці і пов'язана зі шпиндельною коробкою тросами.
У шпиндельній коробці розташовані шпиндель розточування, механізм осьової подачі, пристрій для відключення подачі на заданій глибині і механізм точної ручної подачі.
Верстат має пристрій для роботи з охолодженням.
До приладдя верстата входять: центрошукачі, різцетримач з точною подачею, універсальний різцетримач, перехідні втулки, державка з цанговим затиском, свердлильний патрон, пружинний керн, установчий центр, індикаторна державка, державка для заточування дрібних свердлів столи.
Центрошукач з індикатором складається з напрямної планки 1 з конічним хвостовиком для закріплення в шпинделі і корпусу 2, на якому закріплені індикатор 3 контактний важіль 4. Пружина 5 створює зусилля, з яким контактний важіль притискається до поверхні, що перевіряється. Корпус переміщається по довжині планки та закріплюється у будь-якому місці залежно від радіусу, на якому проходить перевірка.
Центрошукач застосовується:
Мікроскоп-центрошукач встановлюють у конусі шпинделя.
Для встановлення кромки виробу по осі шпинделя служить візирний косинець, що додається до мікроскопа, який накладають на базову кромку виробу. На полірованій горизонтальній площині косинця завдано ризику, що точно збігається з вертикальною опорною площиною, тобто. базовою кромкою виробу. При вивірці виробу ризику слід перебувати між горизонтальними або вертикальними лініями подвійного перехрестя.
Оправлення-центрошукач застосовується для встановлення кромки або опуклої циліндричної поверхні виробу на певній відстані від осі шпинделя. До нижнього торця оправки пружиною притискається шайба діаметром 1 10 мм. Зі штифтом 2 шайба має радіальний зазор, завдяки якому може бути зміщена щодо точної шийки 3 оправки. Циліндрична шийка оправки немає радіального биття, та її діаметр дорівнює діаметру шайби. Якщо край виробу стосується шайби на відстані рівно 10 мм, то при обертанні шпинделя шайба буде обертатися без биття щодо шийки оправки. При найменшому усуненні кромки з'явиться помітне биття шайби. Точність установки сягає 0,005 мм.
Пружинний керн призначений для розмітки на верстаті. Бойок керна забирається усередину при повороті втулки з накаткою. Наприкінці обороту цієї втулки бойок звільняється і під дією пружини завдає удару. Вершина керна повинна розташовуватися над поверхнею, що розмічується, на відстані 5,5 мм.
Поворотні столи – горизонтальний та універсальний поставляються зі верстатом як спеціальне обладнання. Пристрої ділильних механізмів столів однакові і з погляду кінематики схожі на універсальні ділильні головки. Столи відрізняються один від одного розмірами та наявністю у універсального столу пристрою для нахилу поворотної плити

Габарит робочого простору координатно-розточувального верстата 2В440А

Посадочні та приєднувальні бази розточувального верстата 2В440А

Фото координатно-розточувального верстата 2В440А

Фото координатно-розточувального верстата 2В440А
Фото координатно-розточувального верстата 2В440А. Дивитись у збільшеному масштабі

Фото координатно-розточувального верстата 2В440А
Фото координатно-розточувального верстата 2В440А. Дивитись у збільшеному масштабі

Фото координатно-розточувального верстата 2В440А
Фото координатно-розточувального верстата 2В440А. Дивитись у збільшеному масштабі

Фото координатно-розточувального верстата 2В440А
Фото координатно-розточувального верстата 2В440А. Дивитись у збільшеному масштабі

Розташування органів керування верстатом 2В440А

Кінематична схема приводу перемещений стола і салазок

Кінематична схема координатно-расточного верстата 2В440А
Кінематична схема координатно-расточного верстата 2В440А. Дивитись у збільшеному масштабі
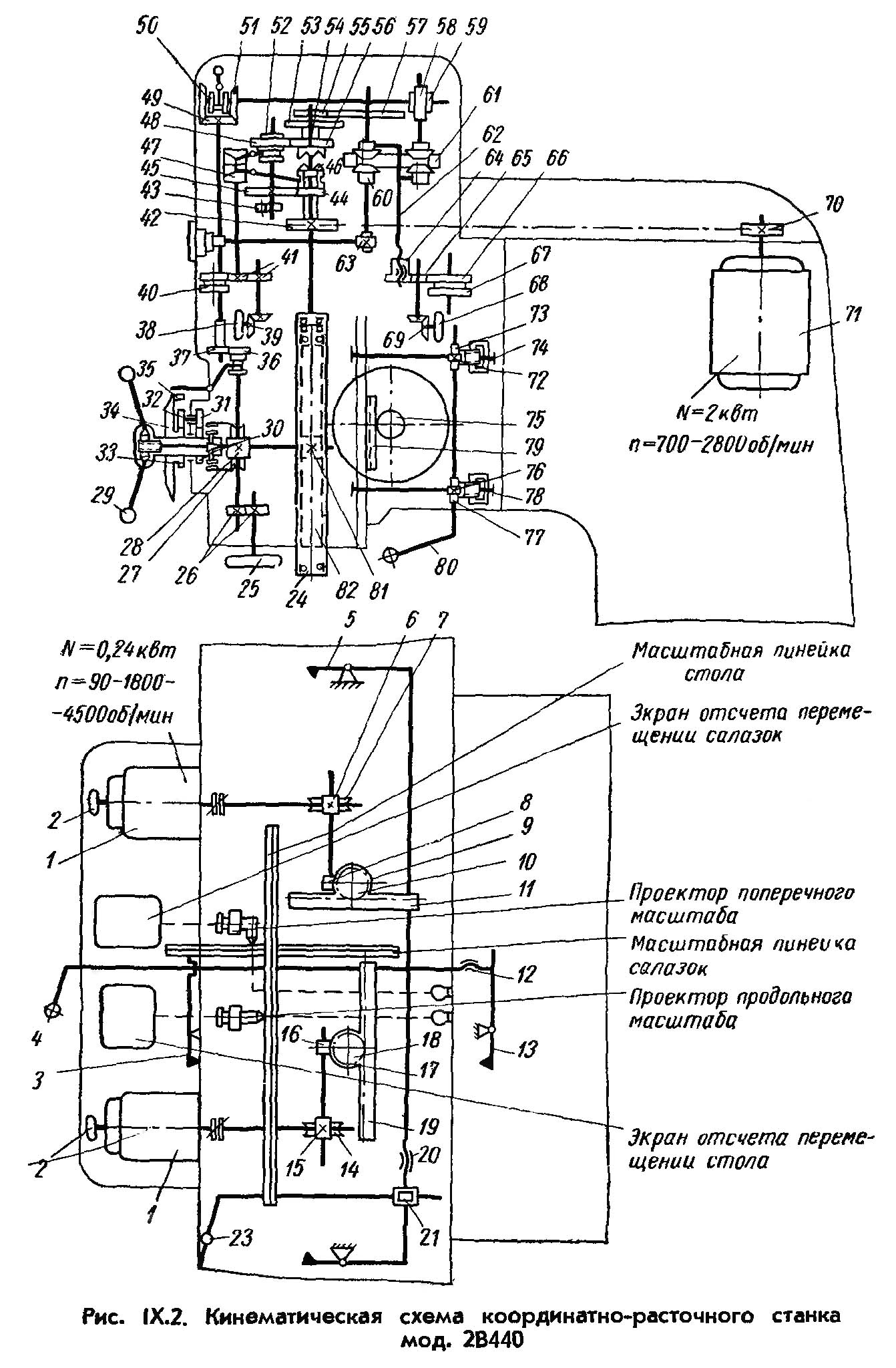
Основанием верстата служит станина 22 (рис. IX.1) коробчатой формы з внутренними ребрами жесткости. По направляющим станины в поперечном направлении перемещаются салазки 19, которые в верхней частини имеют такие же направляющие, перпендикулярные направляющим станины. По направляющим салазок перемещается стол 30.
Стол і салазки перемещаются по направляющим качения з роликами, заключенными в металлические сепараторы. Форма направляючих как стола, так і салазок одинакова — одна из направляючих V-образная, вторая плоская.
Перемещения стола осуществляются от електродвигуна постоянного тока 1 (рис. IX.2, N — 0,24 кВт, n = 3600 об/мин з регулируемым числом оборотів, через двойную червячную передачу 14, 15, 16, 17, реечное зубчатое колесо 18 і рейку 19, закрепленную на столе верстата.
Привід переміщення салазок 6, 7, 8, 9, 10 і 11 аналогичен приводу переміщення стола з той лишь разницей, что редуктор привода, смонтированный на салазках, перемещается вместе з ними относительно рейки 11, закрепленной на станине
Вращением маховичков 2, расположенных на валах електродвигателей 1 і выведенных на переднюю стенку пульта керування 3, 17 (рис. IX, 1), можно вручную точно устанавливать координаты. Число оборотів каждого из електродвигателей 1 (рис. IX.2) регулируется в диапазоне 50 : 1, что дает возможность быстро перемещать стол со скоростью 800 мм/мин, фрезеровать плоскости і производить установочные переміщення со скоростью 16—320 мм/мин.
Стол закрепляется поворотом рукоятки 4; при етом конец вала, заканчивающегося резьбой, вывинчивается из гайки 12 і создает распорную силу между прихватами 3 і 13.
Закрепление салазок происходит таким же образом, но вращение рукоятки 23 передається винту через винтовые зубчасті колеса 21. Винт, вывинчиваясь из гайки 20, создает распорную силу между прихватами 5 і 22.
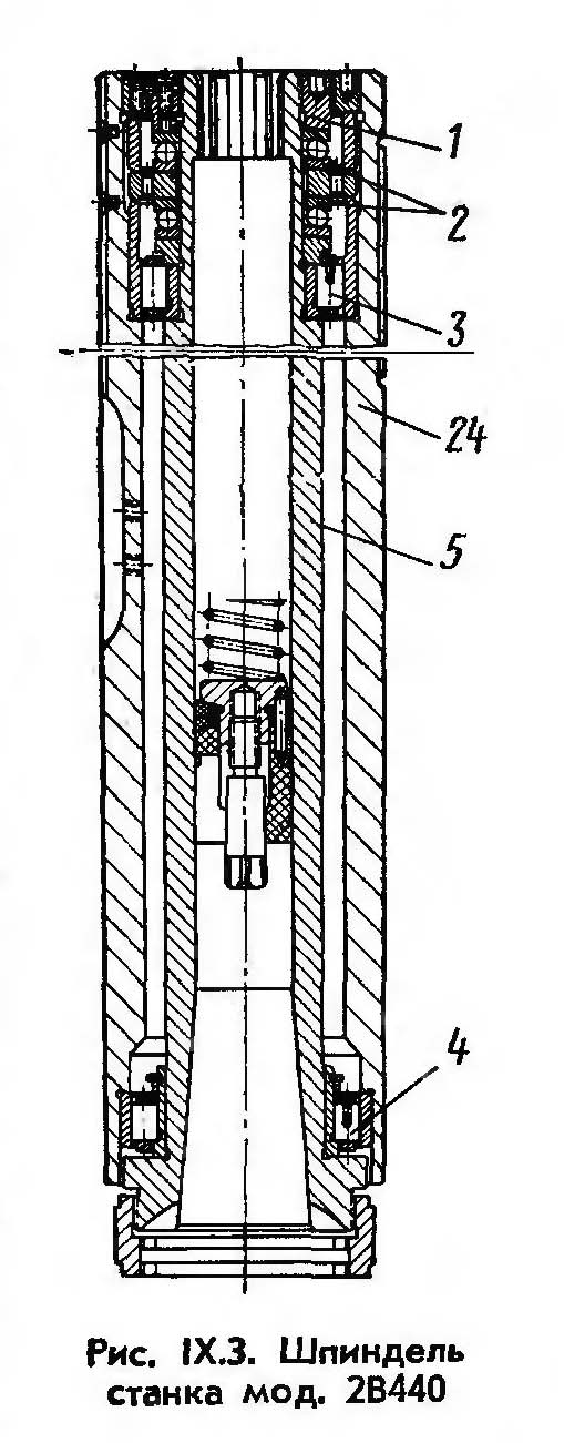
Точность межосевых расстояний обрабатываемых отверстий, правильность их геометрической формы і чистота обробки в значительной степени зависят от конструкції шпиндельного вузла. В етом станке радиальными опорами шпинделя 5 (рис. IX.3) служат однорядные роликопідшипники 3 і 4; подшипник 4 собирается з небольшим предварительным натягом (3 — 6 мк), а верхний 3 — з небольшим зазором или натягом (±2 мк). Осевые нагрузки воспринимаются упорными шарикопідшипниками 2. Шпиндель 5 запирается гайкой 1 і связан з приводом головного руху соединительным зубчатым (шлицевым) валом 1 (рис. IX.4), верхний конец которого входит в зубчатое отверстие полого вала 54 (рис. IX.2 і IX.4), а нижний — в верхнее зубчатое (шлицевое) отверстие. Такое соединение разгружает шпиндель от радиальных усилий, которые могут возникать из-за несоосности шпинделя і вала 54 (рис. IX.4) коробки швидкостей, так как вал 1 сопрягается з ними з некоторыми зазоруми по поверхностям небольшой длины. Общая длина шпинделя получается меньшей, а его верхний конец не выходит за габарити коробки швидкостей.
Расточной шпиндель 5 (рис. IX.3) приводится от бесступенчато-регулируемого двигуна постоянного тока 71 (рис. IX.2) (N = 2 кВт, п = 700... 2800 об/мин) через клиноременную передачу 70 і 42 і трехступенчатую коробку швидкостей (рис. IX.2 і IX.4).
Первая — низшая — ступень швидкостей шпинделя получается при следующей передаче: ведомый шкив 42 привода, зубчасті колеса 44, 45, 52 і 53. Для получения второй — средней — ступени швидкостей зубчасті колеса 52 і 53 расцепляются, і в зацепление вводятся колеса 48 і 56. Зубчасті колеса 53 і 56 передают вращение шпинделю через зубчатый (шлицевый) вал. Для получения третьей — наивысшей — ступени швидкостей шкив 42 соединяется со шпинделем при помощи кулачковой муфты 46 і зубчатого шлицевого вала 54 (рис. IX.2 і 4); зубчасті колеса 48. 52, 53 і 56 в работе не участвуют. В пределах каждой из етих трех ступеней скорость шпинделя изменяется бесступенчато вследствие плавного регулювання числа оборотів електродвигуна 71 в диапазоне 4:1.
Зубчасті колеса переключаются рычагами, которые одним своим концом входят в пазы барабана керування 47 (рис. IX.2), поворачиваемого маховичком 38 через конические 39 і цилиндрические 41 зубчасті колеса. Одновременно з поворотом барабана 47 происходит поворот диска 40, на котором нанесены цифры, указывающие диапазоны чисел оборотів, соответствующие каждой ступени коробки швидкостей.
Рух подачі осуществляется по следующей ланцюги: зубчатое колесо 55 (рис. IX.2 і IX.4) вращается вместе з полым валом 54 і приводит во вращение колесо 57, на валу которого сидят ведущие конусы раздвижного шкива 60 бесступенчатой передачи. Соответствующие им ведомые конусы получают вращение через стальное кольцо 61.
При помощи маховичка 68 (рис. IX.2) через конические зубчасті колеса 69 і цилиндрическое колесо 65 вращают гайку-шестерню 64 (рис. IX.2 і IX.4) і тем самым перемещают в осевом направлении тягу 62, связанную з верхним ведущим і нижним ведомым конусами бесступенчатой передачи. Следовательно, можно либо сближать ведущие конусы і одновременно раздвигать ведомые, повышая таким образом скорость обертання червяка 59, либо, наоборот, раздвигать ведущие і сближать ведомые конусы, тем самым уменьшая число оборотів червяка. Это дает возможность изменять величину подачі на один оборот шпинделя бесступенчато.
Величина подачі устанавливается по барабанчику 67 (рис. IX.2), который поворачивается одновременно з вращением маховичка 68 через зубчасті колеса 65 і 66.
На валу червячного колеса 58 (рис. IX.2 і IX.4), которое приводится во вращение червяком 59, свободно установлены два конических колеса 51 (рис. IX.2), постоянно сцепленные з коническим колесом 49. Переключення муфты 50 дает правое или левое вращение червяка 28. Таким образом, подача шпинделя може производиться как вниз, так і вверх.
Червячное колесо 27 свободно посажено на валу реечного зубчатого колеса 81, которое находится в постоянном зацеплении з рейкой 82 гильзы 24 (рис. IX.2 і IX.3) шпинделя. Червячное колесо 27 соединяется з валом зубчатого колеса 81 при помощи смонтированной внутри червячного колеса 27 муфты, включаемой посредством сдвоенной рукоятки 29, посаженной на вал зубчатого колеса 81. При выключенной муфте можно непосредственно вращать реечное зубчатое колесо 81, быстро поднимая или опуская гильзу 24 шпинделя.
Ручная мелкая подача производится маховичком 25 через зубчасті колеса 26.
Для автоматичного отключения рабочей подачі по достижении заданной глубины обробки, установленной на лимбе 34, кулачок 35 выводит зубчатое колесо 36 из зацепления з зубчатым колесом 37.
Відключення происходит при совпадении нуля лимба з нулем нониуса; для етого лимб закрепляют в положении, при котором деление, указывающее длину заданного ходу гильзы, совпадает з нулем нониуса. Точность получаемого размера по длине составляет 0,2—0,3 мм.
Для того чтобы лимб 34 совершал лишь один оборот за время полного ходу гильзы шпинделя, между валом реечного колеса 81 і лимбом имеется знижуюча передача, составленная из зубчатых колес 30, 31, 32 і 33.
Установленное число оборотів шпинделя указывается тахометром, который приводится через зубчасті колеса 55 і 57 (рис. IX.2 і IX.4) і винтовые зубчасті колеса 63 (рис. IX.2).

Шпиндель расточного верстата 2В440А
От промежуточного вала через цилиндрические зубчасті колеса 43 получает вращение шестеренный насос змазки.
Перемещение шпиндельной коробки по вертикальным направляющим вручную производится посредством маховичка 25 (рис. IX.1) через червячную передачу, конические колеса, реечное зубчатое колесо 75 (рис. IX.2) і рейку 79, которая закреплена на корпусе шпиндельной коробки.
Шпиндельная коробка 28 (рис. IX.1) закрепляется на призматических направляючих з помощью прихватов, которые посредством тяг і винтов 74, 78 (рис. IX.2) получают перемещение от рукоятки 80 через зубчасті колеса 72 і 76 і зубчасті колеса — гайки 73 і 77.

Коробка швидкостей координатно-расточного верстата 2В440А
Коробка швидкостей координатно-расточного верстата 2В440А. Дивитись у збільшеному масштабі

Оптическая система отсчета координат верстата 2В440А
Оптическое пристрій верстата. Величину координатных перемещений измеряют при помощи точных стеклянных шкал і оптического пристроя, позволяющего проектировать з большим увеличением изображения рисок і цифр масштабной шкалы, а также сетку спирального микрометра на екран.
Оптическое пристрій верстата состоит из двух схем отсчета перемещений: стола — в продольном направлении і салазок — в поперечном направлении.
В схеме отсчета перемещений в продольном направлении подвижной является масштабная линейка стола (см. рис. IX.2), которая связана з ним і вместе з ним перемещается относительно оптической системы. В схеме отсчета перемещений в поперечном направлении оптическая система перемещается относительно нерухомою масштабной линейки салазок, которая закреплена на станине.
Обе оптические схеми одинаковы, і лишь для удобства компоновки в оптическую схему поперечного масштаба включены призмы і зеркала, изменяющие ход лучей. Поетому ниже рассматривается лишь оптическая схема для отсчета перемещений стола (рис. IX.5, а).
От електролампы осветителя 1 через коллектор 2 і конденсор 3 лучи конденсируются в плоскости штрихов масштабной линейки 5. Линейка 4 не имеет рисок і служит для защиты плоскости штрихов масштабной линейки от пыли.
Лучи проходят через стеклянную масштабную линейку 5 з нанесенными на ней делительными рисками і цифрами; пройдя через объектив 6 і плоско-параллельную пластинку 7, они дают в плоскости сетки спирального окулярного микрометра 8 изображение рисок і цифр з пятикратным увеличением.
Пройдя через проекционный окуляр 9 і защитное стекло 10 і отразившись от плоских зеркал 11 і 13, изображение рисок масштабной линейки проектируется на екран 12 з увеличением 60х. Дробная часть размера оценивается на екране при помощи проектируемой на него сетки •спирального микрометра (рис. IX.5, б). Цена отсчета 1 мк.
Для внесения в отсчет на екране поправок, для компенсации неточності делений масштабных линеек і исключения накопленной ошибки оптическая отсчетная система верстата имеет коррекционное пристрій.
Коррекция осуществляется поворотом плоско-параллельной пластинки 7 (рис. IX.5, а) вокруг горизонтальной оси; при етом изображения штрихов масштабной линейки смещаются в поле зрения екрана на требуемую величину.
Пластинка, установленная в ходе лучей оптического пристроя, поворачивается через рычажную систему от коррекционной линейки, закрепленной на столе (или станине). Коррекционная линейка позволяет исправлять как накопленные, так і местные ошибки делений масштабной линейки 5. Для исправления накопленных ошибок коррекционная линейка устанавливается под углом. Исправление местных ошибок обеспечивается соответствующей кривой профиля линейки.
Смещению изображения штриха на екране на 0,001 мм соответствует опускание или подъем рычажка на коррекционной линейке на величину 0,2 мм.
Спиральный микрометр 8 имеет две сетки — подвижную і неподвижную (рис. IX.5, б). На подвижной сетке нанесена двойная архимедова спираль, шаг которой равен 0,5 мм; ето соответствует 0,1 мм масштабной шкалы 5 (рис. IX.5, а), изображение которой строится в плоскости сетки з пятикратным увеличением.
В центре подвижной сетки (рис. IX.5, б) имеется круговая шкала со 100 делениями, которые оцифрованы через каждые п'ять делений. Подвижная сетка вращается относительно нерухомою, на которой нанесен индекс со стрелкой. Индекс разделен на 10 делений (рис. IX.5,в), каждое из которых равно шагу спирали, нанесенной на подвижную сетку.
Деления индекса оцифрованы і при установці нуля круговой шкалы против стрелки находятся в середине соответствующего витка спирали. При полном обороте подвижной сетки спираль смещается относительно нерухомого индекса на шаг, т. е. на 0,1 мм. Линейное перемещение спирали на шаг соответствует полному обороту круговой шкалы. Следовательно, цена її деления = 0,1 мм * 1/100 = 0,001 мм = 1 мк. Таким образом, круговая шкала является «микронной» і служит для отсчета сотых і тысячных долей миллиметра.
При установці штриха сотых і тысячных против стрелки спираль смещается на ту же величину относительно делений индекса. При перемещении стола (салазок) оцифрованные миллиметровые штрихи масштабной линейки перемещаются вдоль индекса.
Подвижная сетка (рис. IX.5, б) заделана в оправу, вращение которой сообщается через систему зубчатых передач от грибка 16 (рис. IX.1).
Для удобства отсчета координат принимают за исходное то положение, при котором центр базового отверстия закрепленного на столе вироби совмещен з осью шпинделя. При етом:
Вид екранов з установленными размерами изображен на рис. IX.5, в
Таким образом, полный размер состоит из целых миллиметров — оцифровки штриха масштабной линейки, десятых миллиметра — оцифровки спирали, сотых і тысячных долей миллиметра — показаний круговой шкалы.

Схема електрична координатно-расточного верстата 2В440А
Схема електрична принципова координатно-расточного верстата 2В440А. Дивитись у збільшеному масштабі
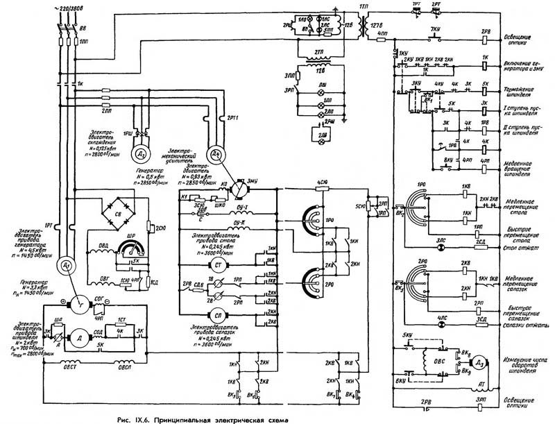
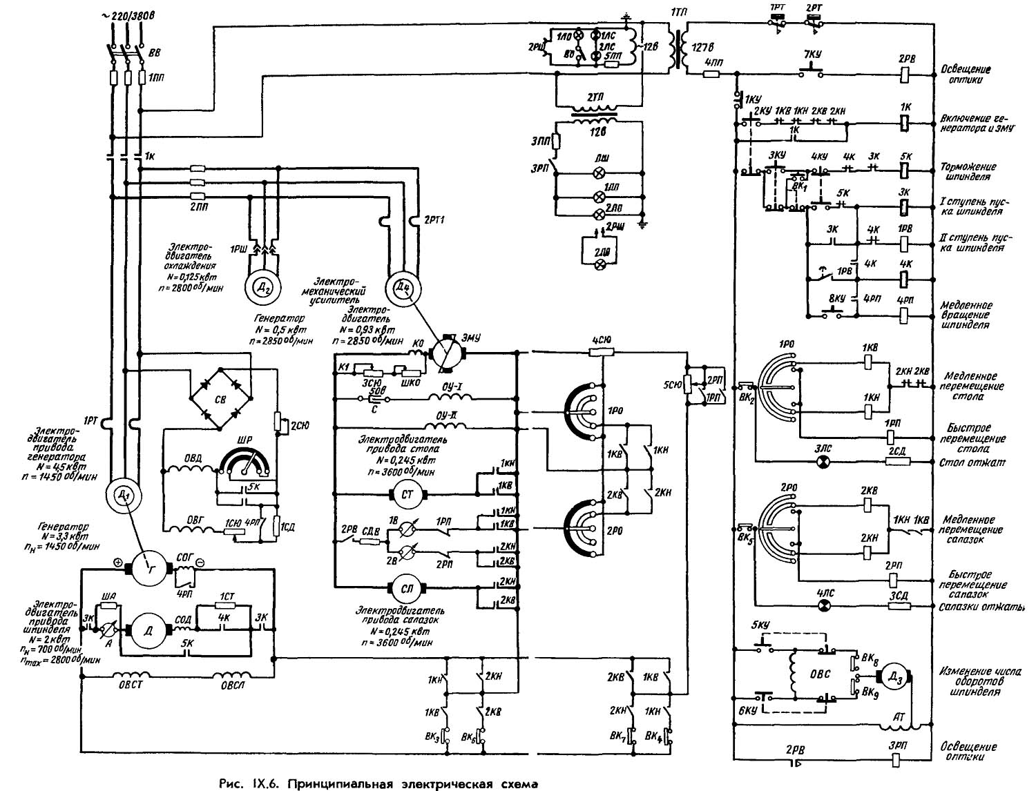
Електрична схема верстата включает в себя електроприводы: шпинделя, стола і салазок системы охлаждения, а кроме того, обеспечивает освещение оптики верстата, блокировку і защиту при различных режимах роботи окремих агрегатов.
Вращение расточного шпинделя, переміщення стола і салазок производятся от електродвигателей постоянного тока, а насос охлаждения приводится от асинхронного електродвигуна.
Для живлення двигуна приводу шпинделя имеется генератор-двигатель, а для двигателей стола і салазок — електромашинный усилитель.
Напряжение на верстат подается пакетным выключателем ВВ; при етом лампами 1ЛС і 2ЛС подсвечивается лимб коробки швидкостей.
Напряжение на обмотки возбуждения електродвигуна Д і генератора Г подается от селенового выпрямителя СВ, на обмотки возбуждения двигателей СТ і СЛ от генератора Г.
Увімкнення генератора і ЭМУ. При нажатии кнопки 2КУ («Генератор») включается контактор 1К, который пускает електродвигатели: Д1 — приводу генератора; Д4 — електромашинного усилителя; Д2 — системы охлаждения (при включенной розетке 1РШ).
Электропривід шпинделя. Електрична схема обеспечивает увімкнення обертання, его відключення з торможением і без торможения, бесступенчатое изменение числа оборотів, а также медленное вращение з «ползучей» скоростью.
Первая ступень пуска шпинделя. При нажатии кнопки 4КУ («Шпиндель пуск») контактор ЗК подключает к генератору через пускотормозное сопротивление 1СТ двигатель Д обертання шпинделя.
Вторая ступень пуска шпинделя. Одновременно з нажатием кнопки 4КУ получает питание реле часу 1РВ і з выдержкой часу включает контактор 4К, который отключает реле часу і шунтирует сопротивление 1СТ.
Медленное вращение шпинделя. Кнопкой 8КУ («Шпиндель медленно») включается медленное вращение двигуна (40—60 об/мин) для получения «ползучей» скорости шпинделя, при которой производится выверка вироби з помощью центроискателя. При етом включается реле 4РП, обмотка возбуждения двигуна ОВД подключается на полное напряжение, а обмотка возбуждения генератора ОВГ — через сопротивление 1СД. Для устранения колебаний скорости сериесная обмотка генератора СОГ шунтируется.
Изменение числа оборотів шпинделя. Числа оборотів електродвигуна Д в пределах пп = 700; птах = 2800 об/мин регулируется при помощи шунтового регулятора; нажатием кнопки 5КУ («Быстрое») или 6КУ («Медленное») включается в ту или другую сторону коллекторный двигатель переменного тока Дз, который, перемещая ползушку регулятора ШР, вводит большее или меньшее сопротивление в обмотку возбуждения ОВД двигуна шпинделя.
Конечные выключатели ВК8 і ВК9 ограничивают угол поворота регулятора в крайних положениях, выключая електродвигатель Д3.
Торможение шпинделя. При полном нажатии на кнопку ЗКУ включается контактор 5К і одновременно отключаются контакторы ЗК і 4К.
Контактами ЗК якорь двигуна Д отключается от живлення, а контактом 5К якорь включается на сопротивление 1СТ, которое в данном случае является тормозным. Обмотка возбуждения ОВД включается на полное напряжение. Происходит интенсивное динамическое торможение електродвигуна, продолжающееся до тех пор, пока нажата кнопка ЗКУ или пока не остановился якорь. Останов електродвигуна Д без торможения производится неполным нажатием кнопки ЗКУ, при котором отключаются контакторы ЗК і 4К, но не выключается 5К.
Электропривід стола і салазок. Электрической схемой верстата обеспечиваются наступні роботи: установка координат; рабочая подача стола і салазок при фрезеровании і быстрое их перемещение. Перемещение стола і перемещение салазок могут происходить только раздельно.
Медленное перемещение стола і салазок. Пуск електродвигателей стола СТ і салазок СЛ производится вращением в ту или другую сторону соответствующих регуляторов 1РО і 2РО. При етом включаются магнитные пускатели 1KB, 1КН или 2KB, 2КН. Обмотка керування ЭМУ ОУ-11 включена на разность задающего напряжения, снимаемого з регулятора скорости 1РО или 2РО і напряжения ЭМУ (отрицательная обратная связь по напряжению).
| Наименование параметра | 2Е440А | 2В440А |
|---|---|---|
| Основні параметри верстата | ||
| Класс точності (Н,П,В,А,С) | А | А |
| Рабочая поверхность стола, мм | 710 х 400 | 800 х 400 |
| Наибольший диаметр сверления в стали 45, мм | 25 | 25 |
| Наибольший диаметр расточки в стали 45, мм | 250 | 250 |
| Наименьшее і наибольшее расстояние от торца шпинделя до стола, мм | 158..630 | 125..585 |
| Расстояние от оси шпинделя до стойки (вылет шпинделя), мм | 500 | 500 |
| Шпиндельная бабка | ||
| Частота обертання шпинделя (б/с регулювання), об/мин | 50...2000 | 50...2000 |
| Пределы рабочих подач гильзы шпинделя на один оборот шпинделя, мм/об | 0,03...0,16 9 ступеней |
0,03...0,16 9 ступеней |
| Наибольшее вертикальное перемещение шпинделя (ход) (ручное, механическое), мм | 210 | |
| Наибольшее вертикальное перемещение шпиндельной бабки (установочное от руки), мм | 250 | |
| Внутренний конус шпинделя (внутренний конус) спеціальний | № 40 7:24 | 5 |
| Наибольший конус закрепляемого инструмента | Морзе 4 | Морзе 4 |
| Закрепление шпиндельной коробки на направляючих | ручное | ручное |
| Рабочий стол | ||
| Наибольшее перемещение стола (продольное/ поперечное), мм | 630 х 400 | 710 х 400 |
| Число Т- образных пазов на столе | 5 | 5 |
| Величина ускоренного переміщення стола і салазок, мм/мин | 1600 | 800 |
| Пределы рабочих подач стола і салазок при фрезеровании, мм/мин | 20..315 | 16..800 |
| Наибольшая масса обрабатываемого вироби, кг | 320 | 320 |
| Точность верстата | ||
| Цена деления растровой сетки установки координат, мм | 0,001 | 0,001 |
| Точность установки координат, мм | 0,005 | 0,005 |
| Точность расстояний между осями отверстий, растачиваемых на станке, мм | 0,008 | 0,008 |
| Точность растачиваемого диаметра (постоянство диаметра), мм | 0,004 | 0,004 |
| Предохранение от перегрузки механізма подач | есть | есть |
| Привод | ||
| Количество електродвигателей на станке | 5 | 5 |
| Електродвигун приводу головного руху, кВт | 4,5 | 2 |
| Електродвигун приводу переміщення стола, кВт | 0,245 | 0,245 |
| Електродвигун приводу переміщення санок, кВт | 0,245 | 0,245 |
| Електродвигун насоса системи змащення, кВт | ||
| Електронасос охолоджувальної рідини | ПА-22М, 0,125 кВт | ПА-22М, 0,125 кВт |
| Стендовий калібр | ||
| Габарити верстата, включаючи хід столу та санок, мм | 2440 х 2195 х 2385 | 2520 х 2195 х 2385 |
| Маса верстата, кг | 3400 | 3510 |
Загальновідомо, що людина може завжди дивитися на три речі: як горить вогонь, як тече вода і як працює інша людина.
Закон Мерфі