Виробник токарно-револьверного верстата моделі 1Г325 - Новочеркаський верстатобудівний завод , заснований у 1938 році.
Токарно-револьверний верстат 1Г325 є універсальним верстатом загального призначення та призначений для легких робіт в умовах серійного та дрібносерійного виробництва при обробці деталей із прутка діаметром не більше 25 мм, або штучних заготовок, що закріплюються у трикулачковому патроні діаметром 160 мм. При цьому виліт заготовки від кулачків патрона рекомендується мати трохи більше 50 мм.
Верстат 1Г325 призначений для роботи тільки з каліброваним (холоднотягнутим) прутковим матеріалом, що відповідає допускам на розміри перерізу наступним державним стандартам: 7417-57, 8559-57, 8560-57, 1628-60, 2060-60.
Допустимі відхилення розмірів (перетину) не більше,
Допустима місцева кривизна дроту на один погонний метр не більше 3 мм. На обох торцях прутка, що заправляється, повинні бути зняті західні Фаски.
На верстаті 1Г325 можна проводити наступне: точення, розточування, свердління, зенкерування, розгортання, нарізання різьблення плашками, нарізання різьблення мітчиками і по копіру, підрізування торців, прорізання канавок, відрізку, накочування рифлень та інші операції. За допомогою спеціального оснащення можлива обробка штучних заготовок, що затискаються в цангу, а також обточування конусів та фасонних поверхонь по копіру.
Особливістю верстата є автоматичне перемикання чисел оборотів шпинделя та величин подач при повороті револьверної головки з однієї робочої позиції на іншу, при можливості дубльованого ручного перемикання без зупинки верстата, що особливо зручно для підбору режимів при налагодженні та обробці дрібних партій деталей.
Точність, що отримується при обробці деталей:
Примітка. При підвищених вимогах до інструменту (доведення ріжучих кромок, жорстке кріплення), правильному підборі режимів різання та застосуванні охолоджуючої рідини при чистових проходах можна отримувати чистоту зовнішніх поверхонь діаметром не менше 18 мм за 3-м класом точності.
Розробник - Новочеркаський верстатобудівний завод.

Габарит робочого простору верстата 1Г325

Посадочні та приєднувальні бази верстата 1Г325
Посадочні та приєднувальні бази верстата 1Г325. Завантажити у збільшеному масштабі

Фото токарно-револьверного верстата 1Г325

Фото токарно-револьверного верстата 1Г325

Фото токарно-револьверного верстата 1Г325
Фото токарно-револьверного верстата 1Г325. Завантажити у збільшеному масштабі

Фото токарно-револьверного верстата 1Г325
Фото токарно-револьверного верстата 1Г325. Завантажити у збільшеному масштабі

Фото токарно-револьверного верстата 1Г325
Фото токарно-револьверного верстата 1Г325. Завантажити у збільшеному масштабі

Розташування основних вузлів револьверного верстата 1Г325
Розташування основних частинин револьверного верстата 1Г325. Завантажити у збільшеному масштабі

Розташування органів керування токарно-револьверним верстатом 1Г325
Живлення ланцюгів електроустаткування здійснюється наступними напругами:
Електроустаткування верстата призначене для підключення до трифазної мережі змінного струму з глухозаземленим або ізольованим нейтральним дротом.
На верстаті встановлені три трифазні короткозамкнені асинхронні електродвигуни:

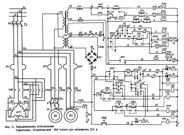
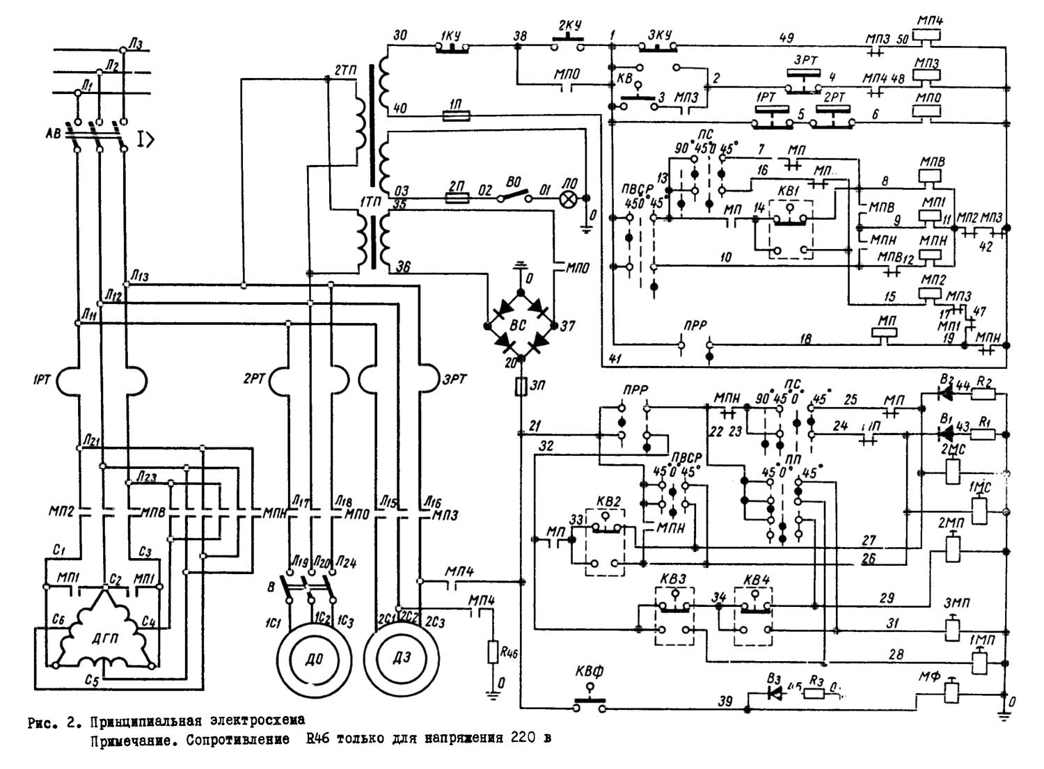
Електрична схема токарно-револьверного верстата 1Г325
Електрична схема токарно-револьверного верстата 1Г325. Скачать в увеличенном масштабе
Керування електродвигуном головного приводу та напрямком обертання шпинделя.
Верстат може працювати у двох режимах:
При натисканні на кнопку 2КУ "Пуск" включається магнітний пускач електронасоса МПО, який стає на саможивлення за допомогою контактів 38-1 та своїми головними контактами Л17-Л19; Л12-Л20; Л18-Л24 готує ланцюг живлення електронасоса ДО. Одночасно готується ланцюг керування електродвигуном головного приводу (трансформатор 1ТП, 38, 1) та ланцюг живлення електромагнітних муфт (трансформатор 1ТП, контакти МПО 35-37).
Перемикач напряму обертання шпинделя ПВСР, розташований на пульті керування, має три положення:
При положенні перемикача ПВСР 45° вліво (пряме обертання) ланцюгом 1-13 готується включення магнітних пускачів МПВ, МП1 до МП2.
Залежно від положення ручного перемикача чисел оборотів ПС (при режимі ручного перемикання - ланцюга 1-13-7-8 або 1-13-16-15) або роботи кінцевого вимикача командоапарата KB1 (при режимі автоматичного перемикання - ланцюга 1-13-14 -8 або 1-13-14-15) включаються магнітні пускачі МПВ і МП1 або магнітний пускач МП2, які своїми головними контактами підключають електродвигун головного приводу ДГП у напрямку прямого обертання.
При включенні магнітного пускача МПВ його контакти 8-9 включають пускач МП1, при цьому обидва пускача своїми головними контактами Л23-С4, Л12-С5, Л21-С6, С1-С2, С2-С3 об'єднують обмотки статора електродвигуна ДГП за схемою подвійної зірки. Двигун отримує найбільше оборотів (2800 об/хв) при прямому напрямку обертання.
При включенні магнітного пускача МП2 замикаються головні контакти Л21-С1, Л12-С2, Л23-С3, обмотки статора електродвигуна ДГП з'єднується за схемою трикутника.
Двигун отримує найменше оборотів (1420 об/хв) при прямому напрямку обертання.
При середньому положенні перемикача ЦВСР ("Стоп і гальмо") ланцюги магнітних пускачів МПВ, МП1, МП2 та МПН розірвані, і силовий ланцюг електродвигуна ДГП знеструмлений. Контакти перемикача ПВСР 21-26 та 21-27, що знаходяться в ланцюзі електромагнітних муфт редуктора, включають одночасно обидві муфти 1MC та 2МС. При цьому в редукторі утворюється "замок" шестерень і відбувається гальмування приводу та валу електродвигуна ДГП.
При положенні перемикача ПВСР 45° вправо (реверс) ланцюга пускачів МПВ та МП2 знеструмлені, а пускач МПН включається ланцюгом 1-12. При цьому він своїми контактами 10-9 підключає магнітний пускач МП1, і обидва пускачі своїми головними контактами по ланцюгу Л23-С4, Л12-С6, Л21-С5, С1-С2, С2-С3 включають електродвигун ДГП на 2800 об/хв при зворотному напрямі обертання. При цьому контакти МНН 21-26 включають електромагнітну муфту нижчих обертів редуктора 1МС. Таким чином, реверс проводиться на одне число оборотів, що визначається 2800 об/хв електродвигуна а включенням муфти IMC (друга швидкість кожного ряду).
Оскільки перемикач ПВСР при перемиканні прямого обертання на реверс і назад проходить положення "Стоп і гальмо", електродвигун ДГП реверсується після знеструмлення і гальмування.
Можливість включення при реверсі муфти редуктора 2МС одночасно з IMC виключається наступним чином:
Перемикання чисел оборотів шпинделя і величин подач проводиться за допомогою електромагнітних фрикційних багатодискових муфт, що живляться постійним струмом напругою 24В від випрямного пристрою, яке складається з понижуючого трансформатора 1ТП і селенового випрямляча ВС, зібраного за однофазною постовою схемою. "Мінус" випрямляча замкнено на масу. Вибір режиму роботи здійснюється перемикачем ПРР, розташованим на пульті керування.
Для переходу на ручне керування числами оборотів та подачами перемикач ПРР ставиться в положення "Ручне". При цьому:
Залежно від положення перемикачів ПС і ПП включається те чи інше (з чотирьох) число оборотів та (трьох) подач верстата, що перемикаються на ходу.
Робота контактів перемикача подач ПП
Робота контактів перемикача чисел оборотів ПС
Робота командного апарату:
При переході на режим автоматичного перемикання чисел оборотів та подач перемикач ПРР ставиться в положення "Автоматичне". При цьому:
При повороті револьверної головки на наступну позицію повертається пов'язаний із нею барабан командоапарата. Кожній позиції револьверної головки відповідає певна комбінація кулачків командоапарата, що впливають на кінцеві вимикачі KB1-KB4.
Контактами кінцевого вимикача KB1 здійснюється перемикання полюсів двошвидкісного електродвигуна ДГП (пускачі МПВ та МП1 перемикають на 2800 об/хв; а МП2 на 1420 об/хв). В результаті перемикання контактів кінцевого вимикача КБ2 і включення однієї з двох електромагнітних муфт редуктора 1MC або 2МС можуть бути отримані чотири числа оборотів шпинделя, що автоматично перемикаються.
Контактами кінцевих вимикачів КВ3-КВ4 здійснюється включення однієї з трьох електромагнітних муфт коробки подач 1МП і 3МП, в результаті чого супорт отримує одну з трьох подач.
При натисканні на кнопку 3КУ "Подача та затискач матеріалу" включається магнітний пускач МПЗ, який контактами Л15-2С1, Л12-2С2 та Л16-2C3 підключає до мережі електродвигун механізму подачі та затиску прутка ДЗ. Одночасно контактами МП4 2С2-0 та 2C3-21 розривається ланцюг гальмування електродвигуна ДЗ постійним струмом, а контактами МП3 42-41 та 17-47 розриваються ланцюги магнітних пускачів електродвигуна головного приводу (МПВ, МПН, МП1 та МП2).
Таким чином, обертання шпинделя на час роботи механізму подачі та затиску прутка переривається.
Кнопка 3КУ повинна бути натиснута до тих пір, поки в ході циклу роботи механізму кулачок, що включає, не натисне на кінцевий вимикач KB (приблизно 0,2 сек), після чого пускач МПЗ ставиться на саможивлення по ланцюгу 1-3-2.
Після того, як кулачковий вал механізму зробить один оборот, що включає кулачок, звільнивши кінцевий вимикач KB, розмикає контакти 3-1 і тим самим знеструмлює пускач МПЗ та електродвигун ДЗ.
Контакти МП4 2С2-0 та 2C3-21 замикають ланцюг гальмування постійним струмом електродвигуна ДЗ і останній швидко загальмовується. Одночасно з цим обертання електродвигуна головного приводу відновлюється.
Для включення робочої подачі револьверного супорта необхідно рукоятки штурвала висунути на себе, що включає механізм фартуха через систему важелів впливатиме на кінцевий вимикач КВФ, який контактами 21-39 замкне ланцюг живлення електромагнітної муфти фартуха МФ. Револьверний супорт отримає одну із трьох робочих подач.
Захист верстата 1Г325 від коротких замикань здійснюється автоматичним перемикачем АВ, в якому встановлений електромагнітний розчіплювач граничного струму, а також плавкими запобіжниками 1П, 2П та 3П.
Електродвигуни ДТП, Д0 та Д3 від тривалих перевантажень захищені тепловими реле 1PT, 2РТ та 3РТ.
Нульовий захист забезпечується схемою включення магнітних пускачів НУО та МПЗ.
Для зняття пік перенапруги з котушок електромагнітних муфт 1MC, 2MC, МФ і зменшення іскроутворення на контактах кінцевих вимикачів, що розмикають, паралельно котушкам муфт підключені ланцюжки, що складаються з розрядного опору і вентиля.
Блокування освіти паразитних зв'язків ланцюгів електромагнітних муфт забезпечується схемою включення пускача МП.
1. Заземлення та експлуатація електроустаткування верстатів провадиться відповідно до "Правил технічної експлуатації та безпеки обслуговування електроустановок промислових підприємств".
2. Не допускається попадання олії, охолоджуючої рідини, пилу та стружки у шафу з електроапаратурою, розподільчу нішу та корпус командоапарата.
Електроапаратуру рекомендується періодично оглядати; у міру необхідності очищати від пилу та своєчасно замінювати зношені деталі, а також перевіряти затягування кріпильних гвинтів.
3. Рекомендуються такі основні положення го догляду за електродвигунами, встановленими на верстаті:
4. У верстаті встановлені електромагнітні фрикційні багатодискові муфти. У процесі експлуатації електромагнітні муфти не вимагають жодного регулювання. Слід лише періодично контролювати знос дисків та щіток. Щітки по відношенню до контактних кільців електромагнітних муфт повинні розташовуватися радіально та симетрично по ширині:
Термін служби щітки становить не менше 800 годин ковзання при максимальній допустимій швидкості. Ступінь зношування щітки визначається наступним чином: якщо при вивертанні щіткотримача на один оборот контакт переривається, щітку слід замінити.

Перелік елементів токарно-револьверного верстату 1Г325
Список елементів токарно-револьверного верстата 1Г325. Завантажити у збільшеному масштабі

Схема розміщення електроустаткування токарно-револьверного верстата 1Г325

Схема розміщення електроустаткування токарно-револьверного верстата 1Г325

Таблиця 1 токарно-револьверного верстата 1Г325
Таблиця 1 токарно-револьверного верстата 1Г325. Завантажити у збільшеному масштабі

Таблиця 2 токарно-револьверного верстата 1Г325
Таблиця 2 токарно-револьверного верстата 1Г325. Завантажити у збільшеному масштабі

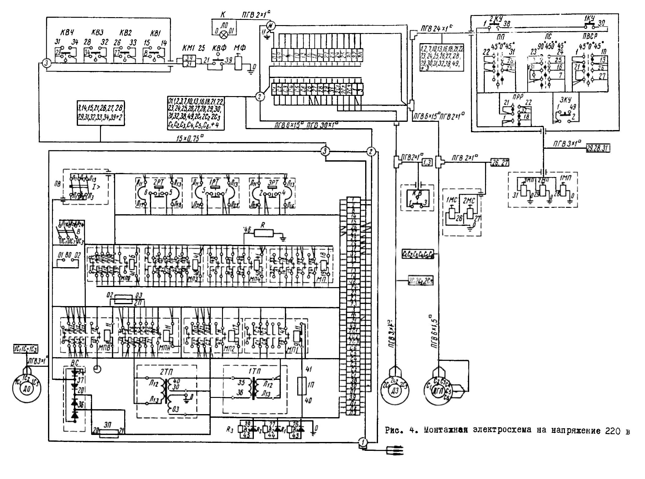
Монтажна електросхема токарно-револьверного верстата 1Г325
Монтажна електросхема токарно-револьверного верстата 1Г325. Завантажити у збільшеному масштабі

Монтажна електросхема токарно-револьверного верстата 1Г325
Монтажна електросхема токарно-револьверного верстата 1Г325. Завантажити у збільшеному масштабі
| Найменування параметру | 1H325 | 1G325 | 1D325p |
|---|---|---|---|
| Основні параметри верстату | |||
| Клас точності верстата Н згідно з ГОСТ 8-71 | Н | Н | П |
| Найбільший діаметр виробу, що обробляється над станиною, мм | 320 | 320 | 320 |
| Найбільший діаметр круглого прутка, що обробляється, на передньому затиску (в цангу), мм | 25 | 25 | 25 |
| Найбільша сторона квадрата обробленого прутка, мм | 17 | 17 | 17 |
| Найбільший розмір шестигранного прутка (діаметр вписаного кола), мм | 22 | 22 | 22 |
| Найбільший діаметр виробу, що обробляється в патроні, мм | 120 | ||
| Найбільша довжина виробу, що обробляється в патроні, мм | 125 | ||
| Найбільша рекомендована довжина виробу, що обробляється в патроні, мм | 50 | ||
| Найбільша довжина подачі дроту, мм | 0..80 | 0..80 | |
| Найбільша довжина обробки прутка в цангу або в патроні, мм | 140 | 140 | 100 |
| Найбільша довжина оброблюваного прутка в затискній і трубі, що подає, мм | 3000 | 3000 | |
| Рекомендована довжина прутка, що обробляється в затискній і трубі, що подає, мм | 1200 | ||
| Діаметр отвору в шпинделі, мм | 40 | 40 | |
| Висота центрів, мм | 180 | 170 | |
| Відстань від торця шпинделя до площини револьверної головки, мм | 70..400 | 70..500 | |
| Найбільший діаметр різьблень, що нарізаються плашками по сталі середньої твердості, мм | M14 | M14 | |
| Найбільший діаметр різьблень, що нарізаються мітчиками по сталі середньої твердості, мм | M10 | M10 | |
| Найбільша довжина нарізання різьблення по копіру, мм | 50 | 50 | |
| Шпиндель | |||
| Кількість робочих швидкостей шпинделя | 16 | 24 | |
| Кількість швидкостей шпинделя прямих/ зворотних, що автоматично перемикаються. | 4/ 1 | ||
| Межі чисел оборотів шпинделя, об/хв | 80..3150 | 80..3150 | 82..3250 |
| Межі чисел оборотів шпинделя (зворотне обертання), об/хв | 160..630 | ||
| Кінець шпинделя фланцевий згідно з ГОСТ 12595-75. | 2-5C | ||
| Найбільший момент, що крутить, на шпинделі не менше, Нм (кг*м) | 60 | ||
| Подання. Револьверний супорт | |||
| Найбільше переміщення револьверного супорта: поздовжнє (Z), мм/ Кругове, град |
325/360° | 430/360° | |
| Поздовжнє переміщення револьверного супорта за один оберт штурвала, мм | 75 | ||
| Число упорів | 12 | ||
| Кількість поздовжніх подач револьверного супорта | 3 | 8 | |
| Кількість кругових подач револьверного супорта | 3 | 8 | |
| Діапазон швидкостей поздовжніх подач револьверного супорта, мм/про | |||
| Діапазон швидкостей кругових подач револьверного супорта, мм/про | 0,028..0,3 | ||
| Швидке переміщення револьверного супорта, мм/хв. | |||
| Кількість інструментів у револьверній головці | 12 | 16 | |
| Діаметр отворів у револьверній головці, мм | 20Н7, 30Н7 | ||
| Діаметр розташування отворів для інструменту в револьверній головці, мм | 170 | ||
| Переміщення поздовжнє револьверної головки на один поділ лімба, мм | 0,5 | ||
| Ціна поділу лімба грубої кругової подачі револьверної головки на діаметр виробу, мм | 1 | ||
| Ціна поділу лімба тонкої кругової подачі револьверної головки на діаметр виробу, мм | 0,05 | ||
| Поперечне переміщення головки на радіусі розташування гнізд під інструмент за один оберт лімба при тонкій круговій подачі, мм. | 1,48 | ||
| Найбільше зусилля подачі, допустиме механізмом поздовжньої подачі, Н | 4000 | ||
| Найбільше зусилля подачі, допустиме механізмом кругової подачі, Н | 4000 | ||
| Електроустаткування верстата | |||
| Кількість електродвигунів на верстаті, кВт | 3 | 4 | |
| Електродвигун головного приводу, кВт (об/хв) | 2,6/ 3,0 (1400/ 2800) | 3,2/ 5,3 (750/ 1495) | |
| Електродвигун гідроприводу (затискач та подача прутка), кВт (об/хв) | 0,6 (1350) | 0,55 (1370) | |
| Електродвигун мастильної станції, кВт (об/хв) | немає | 0,25 (1380) | |
| Електродвигун насоса охолодження, кВт (об/хв) | 0,125 (2800) | 0,14 (2800) | |
| Габарити та маса верстата | |||
| Габаритні розміри верстата (довжина, ширина, висота), мм | 3915_925_1555 | 3980 х 1000 х 1555 | 2283 х 1035 х 1255 |
| Маса верстата, кг | 1300 | 1300 | 1635 рік |