Виробник токарно-револьверного верстата моделі 1325Ф30 - Новочеркаський верстатобудівний завод .
Розробник верстата 1325Ф30 - Ленінградське спеціальне конструкторське бюро автоматів та револьверних верстатів.
Верстат токарно-револьверний 1325Ф30 з ЧПУ призначений для токарної обробки деталей із прутка діаметром від 18 до 25 мм в автоматичному циклі в умовах дрібносерійного та середньосерійного виробництва.
На верстаті 1325Ф30 можна проводити такі види токарної обробки: обточування, розточування, підрізування, проточування канавок, свердління, зенкерування, розгортання, нарізання різьблення мітчиками і плашками, а також різцями, обточування і розточування поверхонь конічних, а також криволіній.
На верстаті 1325Ф30 повинен оброблятися тільки калібрований холоднотягнутий прутковий матеріал, що відповідає за допусками на розміри перерізу наступним стандартам: ГОСТ 1628-72; ГОСТ 8559-75; ГОСТ 2060-73; ГОСТ 8560-78; ГОСТ 7417-75 (з полем допуску h l2).
Компонування верстата - горизонтальне.
Привід головного руху складається з двошвидкісного асинхронного електродвигуна та коробки швидкостей з електромагнітними муфтами. Швидкості шпинделя перемикаються автоматично за рахунок увімкнення електромагнітних муфт і перемикання швидкостей двигуна.
Верстат 1325Ф30 оснащується хрестовим супортом, на якому монтуються приводи поздовжньої подачі супорта та кругової подачі револьверної головки.
На супорті встановлено дванадцятипозиційну револьверну головку з горизонтальною віссю обертання. Револьверна головка є автономною складальною одиницею та кріпиться на верхню каретку хрестового супорта. Конструкція револьверної головки забезпечує високу жорсткість та точність повороту (фіксація головки на плоскі зубчасті колеса), а також висока швидкодія. Дванадцятипозиційна головка забезпечує широкі технологічні можливості верстата та підвищує його продуктивність.
Механізм подачі та затиску прутка працює від індивідуального електродвигуна. Під час роботи механізму подачі та затиску прутка обертання шпинделя автоматично переривається. Регулювання величини подачі дроту здійснюється переміщенням каменю куліси. Подача дроту проводиться плавно з постійною величиною розгону та гальмування.
Розробник - Ленінградське спеціальне конструкторське бюро автоматів та револьверних верстатів.
Виробник – Новочеркаський верстатобудівний завод.
Основні параметри верстата - відповідно до ГОСТ 21608-76 Верстати металорізальні з ЧПУ.
Верстат класу точності - П за ГОСТ 8-82Е.
Точність обробки деталей на верстаті:

Габарит робочого простору верстата 1325ф30

Револьверна головка верстата 1325ф30

Фото токарно-револьверного верстата 1325ф30
Фото токарно-револьверного верстата 1325Ф30. Дивитись у збільшеному масштабі

Фото токарно-револьверного верстата 1325ф30

Розташування основних вузлів токарно-револьверного верстата 1325Ф30
Розташування основних вузлів токарно-револьверного верстата 1325Ф30. Дивитись у збільшеному масштабі

Розташування органів керування токарно-револьверним верстатом 1325Ф30
Електроустаткування верстата складається з наступних частинин:
По роду защиты от воздействия окружающей среды:
Соединение складових частин електроустаткування выполнено штепсельными разъемами.
Линии связи защищены поливинилхлоридными трубками і проложены в резинотканевых і металлорукавах.
Електроустаткування верстата выполнено для подключения к сети трехфазного переменного тока напряжением 380В, частотой 50 Гц.
На станке применяются напряжения:
На станке установлены:
Электродвигатели постоянного тока:
Элементы електрической схеми верстата, предназначены для приводу его механізмов і керування ими в соответствии з технологией обробки деталей:
Список і основні назначения елементів електрической схеми приведены в таблице I (смотри также черт. 1325Ф30. 0.00.000 Э3-01А).
При первоначальном пуске верстата необходимо прежде всего про-верить надежность заземления і качество монтажа електроустаткування внешним осмотром, а также замерить переходное сопротивление между заземляющим контуром і любой точкой верстата, которое не должно превышать 0,1 Ом,
Осмотр монтажа електроустаткування заключается в проверке; надежности крепления аппаратов на панелях електрошкафов і проводов на клеммных наборах, плотного соединения разъемов, отсутствия раз-рывов і вмятин на металлорукавах, надежного закрепления металлорукавов в кінцівых соединениях, наличия крышек і прокладок на електрошафих і коробках.
После осмотра отключить провода живлення всех асинхронных електродвигателей на клеммном наборе в шкафу керування. При помощи вводного автомата FI подключить верстат к цеховой електросети (380В, 50Гц) і определить наличие напряжения в електрошкафу (клеммник XI, Фазы А,В,С). Затем необходимо проверить действие блокировок і сигнализации (опис смотри в соответствующем разделе). Набирая соответствующие команды на пульті УЧПУ, проверить четкость срабатывания магнитных пускачів і реле (УЧПУ обеспечивает прохож-дение команд при вводе в свою память соответствующих параметров).
Для подготовки верстата к работе необходимо:
Вводным автоматическим выключателем FI електрообладнання верстата подключается к сети, при етом на пульті вспыхивает сигнальная лампа HI - "Напряжение подано".
При нажатии кнопки S6 - "Пуск", если нажаты конечные выключатели S5 - "Блокировка кожуха шкивов" і S30 - "Ограждение прутка" і не зажаты аварийные выключатели S8 і S9, включается з самоблокировкой магнитный пускатель KI, запитывающий електродвигатель змазки М3 і ланцюг керування 24В.
После возрастания давления в смазочной системе срабатывает реле давления S23, і пускатель К1 запитывается через контакт S23, Кнопку S6 можно отпустить. Если ето сделать раньше, чем возрастет давление, ланцюг керування 110В разомкнётся. Это необходимо, чтобы верстат не работал при отсутствии смазочного материала.
Для змазки направляючих УЧПУ периодически выдает сигнал на увімкнення реле К13 (длительность сигнала і пауза между сигналами определяются параметрами 20Т і 21Т). Смазку направляючих можно производить і от кнопки S22. Лампа НЧ - "Смазка направляючих" сигнализирует о смазывании.
После увімкнення K1 включается пускатель К14, запитывающий M10, обеспечивающий вентиляцию двигуна головного привода.
На УЧПУ подается сигнал "Готовность верстата", разрешающий керування верстатом з пульта УЧПУ, при етом переключатель блокировки пульта оператора S2I должен быть в положении "отключено".
Если есть сигнал "Готовность УЧПУ", то обеспечивается подача напряжения на привід А23 и, при нажатии кнопки S25, на приводы A20. Замыкается контакт в А20, і вспыхивает лампа Н5 - "Включены приводы подач".
На станке установлена лампа местного освещения Н2. Увімкнення і відключення освещения производится переключателем, установленным на светильнике.
Захист електроустаткування от токов короткого замыкания осуществляется автоматическими выключателями F1, F2, FI2, F13, F14.
От длительных перегрузок електродвигатели защищены тепловыми реле F3, F7, F8, F9, F10, F11, F16, F17.
Нулевая защита осуществляется невозможностью самопроизвольного увімкнення магнитных пускачів після снижения напряжения сети до 40 % номинального. В случае исчезновения напряжения після его появления пускатели самопроизвольно не включатся.
На время транспортировки производится следующий демонтаж електроустаткування:
Монтаж електроустаткування на заводе-потребителе производится в соответствии з монтажной електросхемой верстата в обратном порядке.
Установленный верстат необходимо обязательно заземлить перед подключением к цеховой сети.
При демонтаже і монтаже електроустаткування нужно заботиться о сохранении маркировочных бирок на проводах.
Блокировка кожухов шкивов і ограждения прутка:
ВНИМАНИЕ !
Дія всіх електричних блокувань повинна перевірятись на холостому ходу та під навантаженням при початковому пуску верстата, а також при профілактичних оглядах та ремонтах.
КАТЕГОРИЧНО ЗАБОРОНЯЄТЬСЯ ПРАЦЮВАТИ НА ВЕРСТАЦІ ПРИ Виявленні несправностей у роботі електричних блокувань безпеки!

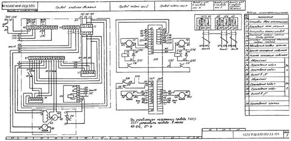
Схема електрична токарно-револьверного верстата 1325Ф30
Схема електрична токарно-револьверного верстата 1325Ф30. Дивитись у збільшеному масштабі

Схема електрична токарно-револьверного верстата 1325Ф30
Схема електрична токарно-револьверного верстата 1325Ф30. Дивитись у збільшеному масштабі

Схема електрична токарно-револьверного верстата 1325Ф30
Схема електрична токарно-револьверного верстата 1325Ф30. Дивитись у збільшеному масштабі

Схема електрична токарно-револьверного верстата 1325Ф30
Схема електрична токарно-револьверного верстата 1325Ф30. Дивитись у збільшеному масштабі

Перелік елементів токарно-револьверного верстата 1325Ф30
Перелік елементів токарно-револьверного верстата 1325Ф30. Дивитись у збільшеному масштабі

Перелік елементів токарно-револьверного верстата 1325Ф30
Перелік елементів токарно-револьверного верстата 1325Ф30. Дивитись у збільшеному масштабі

Перелік елементів токарно-револьверного верстата 1325Ф30
Перелік елементів токарно-револьверного верстата 1325Ф30. Дивитись у збільшеному масштабі

Перелік елементів токарно-револьверного верстата 1325Ф30
Перелік елементів токарно-револьверного верстата 1325Ф30. Дивитись у збільшеному масштабі

Перелік елементів токарно-револьверного верстата 1325Ф30
Перелік елементів токарно-револьверного верстата 1325Ф30. Дивитись у збільшеному масштабі

Перелік елементів токарно-револьверного верстата 1325Ф30
Перелік елементів токарно-револьверного верстата 1325Ф30. Дивитись у збільшеному масштабі

Перелік елементів токарно-револьверного верстата 1325Ф30
Перелік елементів токарно-револьверного верстата 1325Ф30. Дивитись у збільшеному масштабі

Перелік елементів токарно-револьверного верстата 1325Ф30
Перелік елементів токарно-револьверного верстата 1325Ф30. Дивитись у збільшеному масштабі

Перелік елементів токарно-револьверного верстата 1325Ф30
Перелік елементів токарно-револьверного верстата 1325Ф30. Дивитись у збільшеному масштабі

Перелік елементів токарно-револьверного верстата 1325Ф30
Перелік елементів токарно-револьверного верстата 1325Ф30. Дивитись у збільшеному масштабі

Перелік елементів токарно-револьверного верстата 1325Ф30
Перелік елементів токарно-револьверного верстата 1325Ф30. Дивитись у збільшеному масштабі
| Найменування параметру | 1325F30 | |
|---|---|---|
| Основні параметри верстата | ||
| Найбільший діаметр виробу, що обробляється над станиною, мм | 320 | |
| Найбільший діаметр прутка, що обробляється, мм | 25 | |
| Діаметр отвору в шпинделі, мм | 40 | |
| Найбільша довжина прутка, що обробляється в цанговому затиску, мм. | 100 | |
| Найбільша довжина прутка, що обробляється в патроні, мм | 60 | |
| Найбільша довжина прутка, що встановлюється в затискній і трубі, що подає, мм | 3000 | |
| Рекомендована довжина прутка, що встановлюється в затискній і трубі, що подає, мм | 1200 | |
| Найбільша довжина прутка, що встановлюється без пристрою, що подає, мм | 850 | |
| Найбільша довжина подачі дроту, мм | 80 | |
| Висота центрів, мм | 170 | |
| Відстань від торця шпинделя до револьверної головки, мм | 100/350 | |
| Відстань від осі шпинделя до основи верстата, мм | 1060 | |
| Найбільший розмір різьби, що нарізається, плашками і мітчиками, мм | M12 | |
| Кількість інструментів у револьверній головці | 12 | |
| Шпиндель | ||
| Межі чисел оборотів шпинделя з цанговим патроном, об/хв | 90..4000 | |
| Межі чисел оборотів шпинделя із затискним патроном, об/хв | 90..2800 | |
| Кінець шпинделя фланцевий згідно з ГОСТ 12595-72 | 1-5C | |
| Найбільший момент, що крутить, на шпинделі не менше, Нм (кг*м) | ||
| Подання | ||
| Найбільше переміщення револьверного супорта: поздовжнє (Z)/поперечне (X), мм | 250/120 | |
| Діапазон швидкостей поздовжніх подач револьверного супорта, мм/хв. | 2..2500 | |
| Діапазон швидкостей поперечних (кругових) подач револьверного супорта, мм/хв. | 1..1250 | |
| Найбільше зусилля подач револьверного супорта по осі Z/X, кН | 4/ 2 | |
| Електроустаткування верстата | ||
| Кількість електродвигунів на верстаті, кВт | 6 | |
| Електродвигун головного приводу, кВт | 6 | |
| Електродвигун приводу центральної мастильної системи, кВт | 0,25 | |
| Електродвигун приводу револьверної головки, кВт | 0,37 | |
| Електродвигун приводу подачі та затиску прутка, кВт | 0,55 | |
| Електродвигун приводу уловлювача деталі, кВт | 0,12 | |
| Електродвигун насоса охолодження, кВт | 0,12 | |
| Габарити та маса верстата | ||
| Габаритні розміри верстата (довжина, ширина, висота), мм | 2550 х 1112 х 1700 | |
| Маса верстата, кг | 2600 |