Гідравлічна система у верстатах служить для здійснення наступних циклів роботи:

Гідросхема токарно-карусельного верстата 1541 і 1531М
Гідросхема токарно-карусельного верстата 1541 та 1531М. Дивитись у збільшеному масштабі

Гідроциліндри коробки швидкостей токарно-карусельного верстата 1541 та 1531М

Коробка швидкостей токарно-карусельного верстата 1541 та 1531М.
Коробка швидкостей токарно-карусельного верстата 1541 та 1531М. Дивитись у збільшеному масштабі
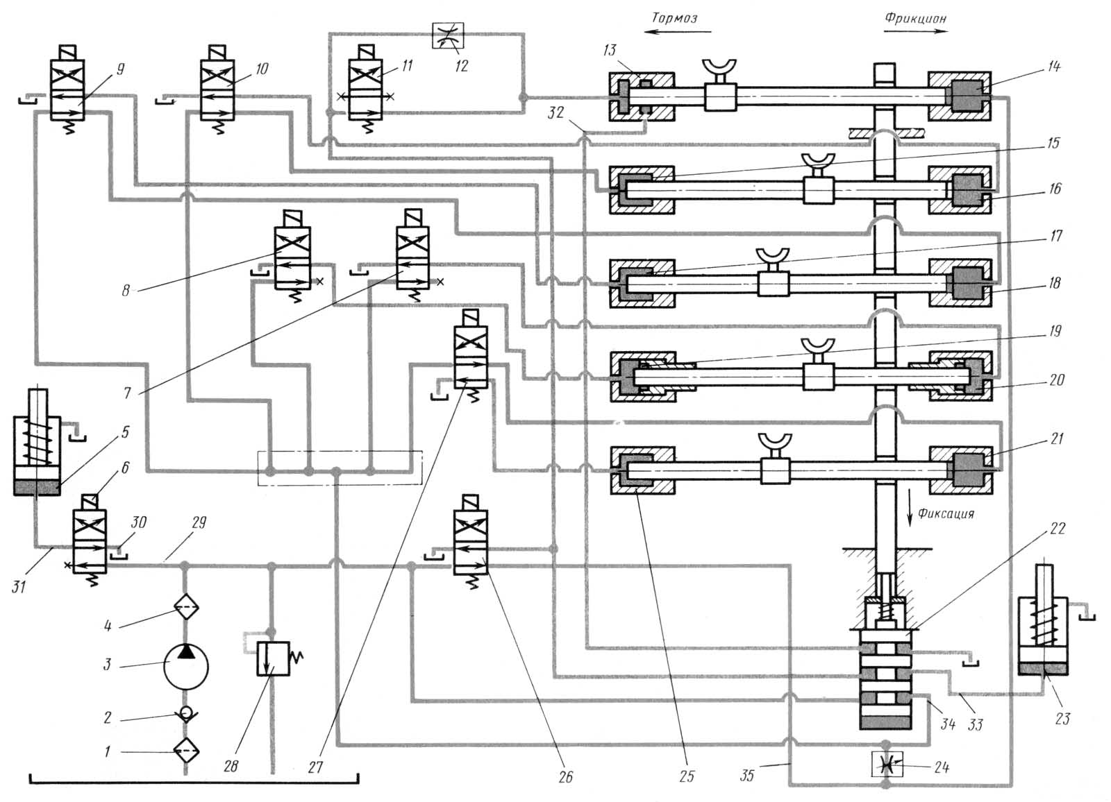
При встановленні рукоятки вибору оборотів планшайби в положення, що відповідає необхідному числу оборотів, готуються ланцюги перемикання електромагнітів чотириходових золотників Г73-21Н-ІІ, ІІІ, ІV, V, VI.
При натисканні на кнопку "Пуск" головного приводу включаються одночасно електродвигуни головного приводу та насоса гідросистеми, а також електромагніти чотириходових золотників Г73-21H-II, III, IV, V, VI відповідно до обраного числа оборотів.
Лопатевий насос П2-22А всмоктує масло з гідробака і через пластинчастий фільтр по магістралі Д30 подає його в камеру циліндра VIц і далі по магістралі Д24 у чотириходовий золотник Г73-21H-I, який у цей час вимкнений (поршень у верхньому положенні). Потім через золотник по магістралі Д17 і Д26 масло потрапляє в циліндр фіксації шестерень VIц під поршень фіксатора і піднімає його, звільняючи цим штанги перемикання (2, 3, 4, 5 - за гідравлічною схемою, 168 - по рис.16) шестерень короб а по магістралі Д27 "дотискає гальмо". Піднявшись, поршень фіксатора відкриває доступ маслу по магістралі Д1 до чотириходових золотників Г73-21H-III і IV і з них, залежно від обраного числа оборотів, магістраллю Д14 або Д13 у порожнині циліндрів перемикання (IV лівий або IV правий). З тих же чотириходових золотників Г73-21H-III і IV масло по магістралі Д31 і Д33 через клапан розподільник, а потім магістралями Д4, Д6, Д7 через чотириходові золотники Г73-21H-II, V, VI надходить у відповідні обраному числу оборотів порожнини циліндрів перемикання швидкостей (V лев.; V прав.; III лев.; III прав.; II лев.; II прав.). При цьому штоки 301 циліндрів перемикання шестерень переміщаються разом з вилками 300, що сидять на них, які переміщують штанги 168 з вилками 167. Вилки в свою чергу переміщують блоки шестерень коробки швидкостей в необхідне положення.
При натисканні на кнопку "Пуск" планшайби включається електромагніт чотириходового золотника Г73-21Н-I, і поршень золотника переміщається в нижнє положення, при цьому масло по магістралі Д18, через дросель 2Др і далі по магістралі Д19 надходить у циліндр включення робочого фрикціону магістралями Д23, Д28 потрапляє в циліндр включаються на злив VIIц, а магістралі Д26 і Д17 включаються на злив через магістраль С6.
При надходженні олії в циліндр I лев. шток 303 циліндра з вилкою 302 зміщується вправо і відкриває зливний отвір магістралі Д22 (злив через магістраль С7), частина масла з циліндра зливається, внаслідок чого робочий фрикціон включається не повністю і працює з прослизанням, злегка провертаючи з "повзучою".
Вступаючи в циліндр VIIц, масло переміщує поршень і пов'язану з ним рейку 15, яка через шестерню 14 і обгінну муфту 182 (рис. 14) провертає шестерні коробки швидкостей.
Увімкнення "повзучої" швидкості та проворот шестерні через обгінну муфту необхідні для того, щоб шестерні увійшли до зачеплення, якщо вони при перемиканні стали "зуб на зуб".
В результаті включення на злив магістралей Д26 і Д17 фіксатор, що не утримується більше олією у верхньому положенні, під дією пружини опускається і фіксує штанги перемикання шестерень 168, а отже, і шестерні в робочому положенні. Опустившись, поршень фіксатора перекриває зливальний отвір магістралі Д22, і робочий фрикціон включається повністю. Одночасно перекривається магістраль Д1 і знімається тиск із циліндрів перемикання шестерень, а магістраль Д28 включається на злив через магістраль С7, і рейка провороту шестерень під дією пружини повертається у вихідне положення.
При натисканні на кнопку "Стоп" планшайби електромагніт золотника Г73-21Н-I вимикається, і поршень золотника перекидається пружиною у верхнє положення. По магістралях Д17, Д2 і Д27 масло подається в циліндр гальма Iправ., і планшайба зупиняється.
Гідравлічна система верстатів передбачає можливість різкого пуску та зупинки планшайби на двох нижніх щаблях чисел оборотів її, що здійснюється за допомогою чотириходового золотника Г73-21Н-VII. Цей золотник включений на всіх щаблях чисел оборотів планшайби, за винятком двох нижніх. При установці одного з них рукояткою вибору чисел оборотів чотириходовий золотник Г73-21Н-VII вимикається, і масло проходить як через дросель 2Др, так і через золотник, що забезпечує різкий пуск та зупинку планшайби. Магістралі ДР1, ДР2, ДР3, ДР4, ДР5, ДР6, ДР7 і ДР8 служать для дренажу.
Надлишки масла, що подається в систему, зливаються через переливний клапан Г52-13 в бак. Контроль тиску у системі здійснюється манометром.
Дроссель 2Др служит для регулювання часу увімкнення робочого фрікциону і тормоза.
Дросель 1Др служить для регулювання часу опускання фіксатора. Якщо фіксатор опускатиметься швидко, він ловитиме потрійний блок у середньому положенні, не даючи йому переміщатися з одного крайнього положення в інше. В цьому випадку при натисканні на кнопку "Пуск" планшайби включення її не відбудеться, оскільки електросхемою передбачено блокувальний механізм, що виключає можливість включення золотника Г73-21Н-I при невідповідності положення потрійного блоку положення рукоятки вибору чисел оборотів.
Звільнення поперечини перед її переміщенням здійснюється таким чином: натисканням однієї з кнопок переміщення поперечини включаються гідронасос і золотник Г73-21Н-VIII. Олія через золотник Г73-21Н-I магістраллю Д2 подається в золотник Г73-21Н-VIII, проходить через нього, магістраллю Д8? надходить у циліндр VIIIц, і деформуючи діафрагму циліндра, звільняє важелі затискача поперечини від дії тарілчастих пружин, потім кінцевим вимикачем включається електродвигун переміщення поперечини та починається її переміщення. Після закінчення переміщення двигун вимикається і одночасно вимикає золотник Г73-21Н-VIII, припиняючи доступ олії до циліндра VIIIц і включаючи зливну магістраль С4; відбувається затискач поперечки.

Таблиця увімкнення золотників токарно-карусельного верстата 1541 і 1531М

Специфікація гідроапаратури токарно-карусельного верстата 1541 і 1531М

Гідроциліндри токарно-карусельного верстата 1541 і 1531М
Гідроциліндри токарно-карусельного верстата 1541 і 1531М. Дивитись у збільшеному масштабі
Якщо при експлуатації верстата все ж таки виникає необхідність провести розбирання або підрегулювання механізмів гідропанелі, потрібно мати на увазі наступне:
Гідропривід 14 призначений для перемикання швидкостей у приводі головного руху, а також для розтискання затискних важелів поперечини перед її підйомом або опусканням і затискання їх після встановлення поперечини в потрібне положення.

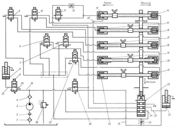
Гідравлічна схема токарно-карусельного верстата 1531м
Схема гідравлічна токарно-карусельного верстата 1531м. Дивитись у збільшеному масштабі
Керування головним приводом верстата . При установці рукоятки вибору частоти обертання планшайби в положення, що відповідає необхідної частоти обертання, підготовляється ланцюг перемикання електромагнітів розподільників 6, 7, 8, 9, 10. Насос через 3 фільтр 1 і зворотний клапан 2 всмоктує масло з гідробака і через пластинчастий фільтр 4 по лінії 29 подає його до розподільника 26, який у цей час вимкнений. Потім масло по лінії 35 через голчастий дросель 24 потрапляє під поршень-фіксатор циліндра 22 фіксації положення шестерень і піднімає поршень-фіксатор вгору, звільняючи при цьому штанги перемикання шестерень коробки швидкостей. Піднявшись нагору, поршень-фіксатор відкриває доступ маслу до маслорозподільника і з нього у відповідні обраній частоті обертання порожнини циліндрів перемикання шестерень. Електромагніти розподільників 6, 1, 8, 9, 10 включені.
При натисканні кнопки «Пуск планшайбі» включається електромагніт розподільника 26 і масло потрапляє в циліндр включення 13 фрикціону. Шток циліндра починає зміщуватися вправо до того часу, поки відкриється зливний отвір. Вилки фрикціону повинні бути відрегульовані так, щоб у цьому положенні фрикціон почав працювати з прослизанням, обертаючи з «повзучою швидкістю» шестерні коробки швидкостей. Одночасно масло надходить у циліндр 23 під поршень, який через рейку виробляє проворот шестерень коробки швидкостей для полегшення перемикання.
При перемиканні в пускове положення розподільника 26 35 лінія включається на злив. Не утримуваний більше тиском олії у верхньому положенні поршень-фіксатор циліндра 22 під дією пружини прагне опуститися вниз. Щоб шестерні не стали «зуб на зуб», перемикання здійснюється при «повзучій швидкості» фрикціону.
Опустившись, поршень-фіксатор циліндра 22 фіксації положення шестерень перекриває зливний отвір лінії 32 і пусковий фрикціон включається повністю. Одночасно перекривається лінія 34 і знімається тиск з циліндрів 15, 16, 17, 18, 19, 20, 21, 25 перемикання шестерень, а лінія 35 включається на злив і пружина повертає поршень циліндра 23 у вихідне положення.
При натисканні на рукоятку «Стоп планшайби» вимикається електромагніт розподільника 26 і золотник його переміщається пружиною у верхнє положення. Олія подається в циліндр 14 гальма та планшайба зупиняється.
Дроссель 12 служит для регулировки часу увімкнення робочого фрікциону і тормоза. Мгновенное увімкнення робочого фрікциону или тормоза при переключении частоти обертання планшайби може привести к аварии.
Дросель 24 служить для регулювання години опускання фіксатора. При швидкому опусканні фіксатор фіксуватиме потрійний блок шестерень у середньому положенні, не даючи йому можливості переходити з одного крайнього положення до іншого. У цьому випадку частота обертання планшайби не буде відповідати обраній, а при гальмуванні, коли фіксатор піднімається, перемикання потрійного блоку буде продовжуватися. Для попередження цього явища в системі передбачений блокувальний механізм з мікровимикачем, що виключає можливість включення розподільника 26 при невідповідності положення потрійного блоку шестерень положенню рукоятки вибору частот обертання.
Гідравлічна система верстата передбачає можливість різкого пуску і зупинки планшайби при використанні двох найменших частот обертання її, що здійснюється за допомогою розподільника 11. Цей розподільник включений при використанні всіх частот обертання планшайби, крім зазначених двох найменших. При установці однієї з двох найменших частот обертання рукояткою вибору частот обертання і повторному включенні кнопки «Пуск» планшайби розподільник 11 вимикається, і масло проходить як через дросель 12, так і через проточки золотника розподільника 11, що забезпечує швидке підведення олії до циліндра 13 включення робочого фрикціону. При вимиканні планшайби злив масла здійснюється також через розподільник 11, що забезпечує різке зупинення планшайби.
Розтискання поперечини здійснюється наступним чином: масло насосом 3 подається по лінії 29 до розподільника 6, При натисканні однієї з кнопок переміщення поперечини розподільник 6 включається, і масло по лінії 31 надходить в циліндр 5 затискача поперечини і робить розтиск затискних важелів; потім кінцевим вимикачем 5ВК вмикається мотор переміщення поперечини і починається її переміщення. Після закінчення переміщення двигун вимикається і одночасно з ним вимикається розподільник, припиняючи доступ масла до циліндра 5 і з'єднуючи циліндр 5 зі зливною лінією 30. Під дією пружини циліндр повертається у вихідне положення.

Гідросхема токарно-карусельного верстата 1541
Гідросхема токарно-карусельного верстата 1541. Дивитись у збільшеному масштабі
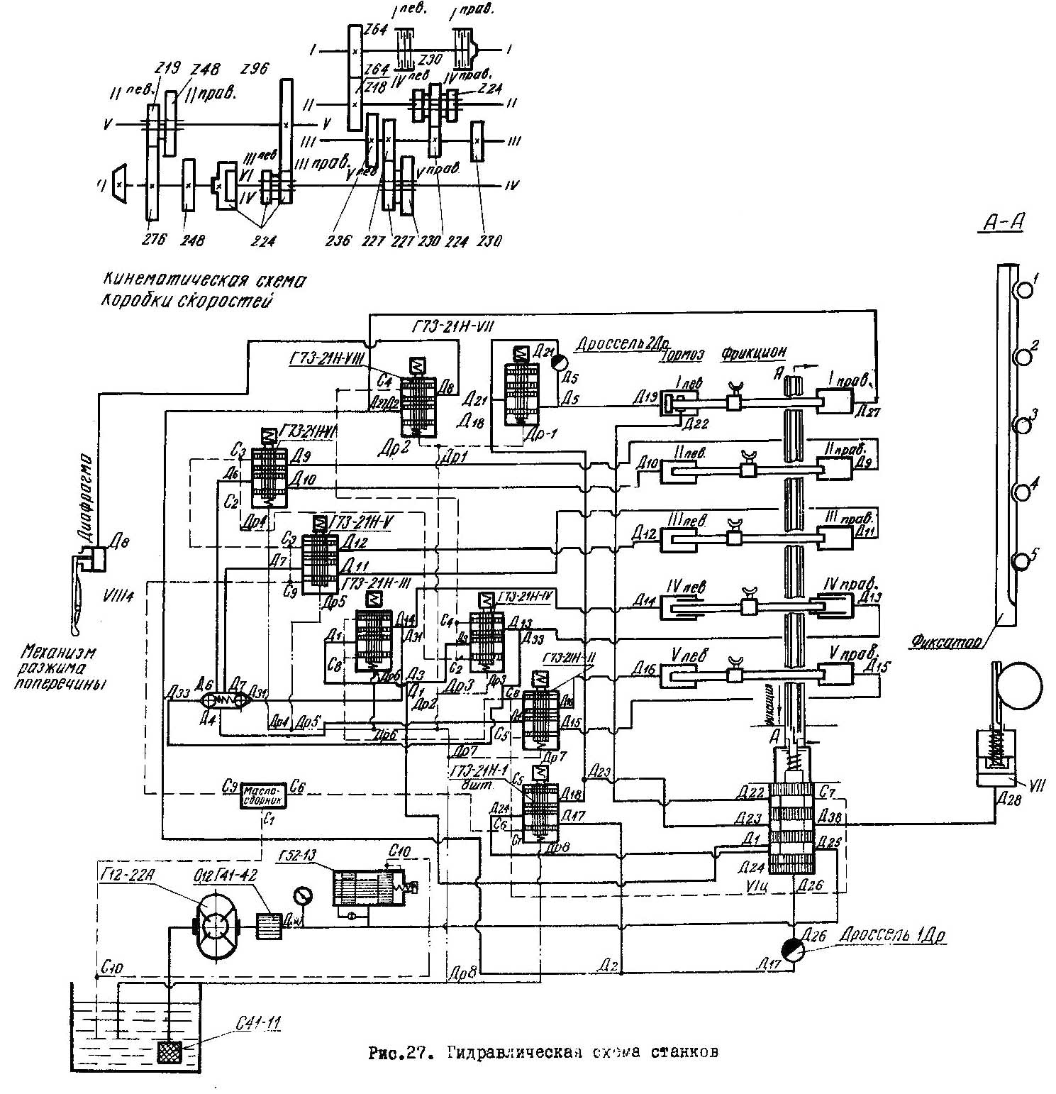
У токарно-карусельних верстатах 1541 гідроприводом здійснюється перемикання зубчастих коліс при зміні швидкостей та подач, а також затискач та розтискання траверси.
У гідропривід верстата цієї моделі входить насос Н, гідроциліндри перемикання зубчастих передач ЦП1 - ЦП4, гідроциліндри пускової фрикційної муфти ЦФ і гальма ЦТ, гідроциліндри механізму повороту зубчастих коліс ЦМП, розтискання траверси ЦРТ, розподільники, дроселі та клапани. Гідравлічна схема показана на рис. 49.
Електродвигун насоса Н включається одночасно з головним приводом від кнопки "Пуск". При цьому включаються електромагніти Е2-Е7 гідророзподільників Р2-Р7 перемикання швидкостей відповідно до обраної частоти обертання планшайби. Олія від насоса Н через канали 1,2 і 3, гідророзподільник Р1 (електромагніт Е1 вимкнений) і канали 8 і 9 надходить у ЦТ. Плунжер ЦТ та ЦФ переміщається вліво, впливаючи на механізм гальма планшайби. З порожнини ЦТ масло зливається в гідробак каналами 15, 14, 13, 10, 21 і 22 через гідродросель ДР2. По каналах 1, 2, 3, 5, 8 і 11 через гідродроссель ДР1 масло надходить у ліву порожнину гідророзподільника Р9 і зміщує його плунжер вправо, перемикаючи з положення I положення II. Пов'язана зі штоком гідророзподільника Р9 планка фіксатора плунжерів розподілу розфіксує плунжери гідроциліндрів ЦП1 - ЦП4, а гідророзподільник Р9 повідомляє гідроциліндри перемикання з лінією нагнітання (канали 1, 2, 3, 6 і 7) - відбувається перемикання частоти обертання планшайбі.
При натисканні кнопки "Пуск планшайбі" включається електромагніт Е1, який перемикає, гідророзподільник Р1 в положення II. Олія каналами 1, 2, 3, 13, 14 і 15 через гідродросель ДР2, надходить у ЦФ, а ліва порожнина гідророзподільника Р9 повідомляється зі зливом (канали 11, 8, 10, 21 і 22). Одночасно каналами 1, 2, 3, 5, 13, 17 і 25 масло надійде в ЦМП. Здійснюється проворот зубчастих коліс, що виконується для збігу зубів і западин зубчастих коліс при перемиканні. При цьому для виключення поломки зубів фрикційну муфту включають не повністю (вона працює з прослизанням), оскільки масло по відкритому каналу 16 і каналам 24, 20, 21 і 22 з ЦФ зливається в гідробак, виключаючи його повне увімкнення (гідророзподільник блокування Р8 переключений положення II фіксаторною планкою при розфіксації ЦП1 - ЦП4).
Одночасно зі здійсненням провороту і закінченням процесу зачеплення зубчастих коліс гідророзподільник Р9 під дією пружини витісняє масло з лівої порожнини через гідродроссель ДР1, канали 11, 8, 10, 21 і 22. Фіксаторна планка приходить у положення фіксації плунжерів ЦП1 — ЦП4. у положення заданої швидкості обертання планшайби. Разом з цим гідророзподільники Р8 і Р9 перемикаються в положення I. Час перемикання цих гідророзподільників регулюється гідродросселем ДР1 і має бути достатнім для того, щоб перемикання зубчастих коліс завершилося повністю до фіксації плунжерів гідроциліндрів перемикання. Канал 16 гідророзподільником Р8 роз'єднується від лінії зливу, і фрикційна муфта включається повністю. Планшайба обертається з вибраною швидкістю.
Порожнина ЦМП через канали 25, 23, 20, 21 та 22 повідомляється зі зливом. Під дією пружини поршня ЦМП механізм провороту повертається у вихідне положення.
При роботі верстата олія від насоса зливається через напірний гідроклапан К1. Для вибору іншої частоти обертання планшайби вона має бути зупинена повністю.
При натисканні кнопки «Стоп» планшайби електромагніт Е1 вимкнеться і гідророзподільник Р1 під дією пружини перейде в положення I, перекриваючи подачу масла в ЦФ і співзагальна з лінією нагнітання ЦТ — відбувається гальмування і зупинка планшайби.
Час гальмування, як і включення, фрикційної муфти для запобігання поломкам зубчастих коліс повинен бути достатнім; Воно задається і регулюється гідродроселем ДР2. Для швидкого пуску та зупинки планшайби при установках та вивірках заготовок передбачено блокування гідродроселя ДР2 гідророзподільником Р7, для чого електромагніт Е7 відключається. Швидкий пуск та зупинка відбувається на найнижчих щаблях частоти обертання планшайби.
При натисканні на будь-яку з кнопок переміщення траверси попередньо вмикається механізм її розтискання. Електромагніт Е8, включаючись, перемикає гідророзподільник Р10 положення II. При цьому ЦРТ каналами 1, 2 і 4 повідомляється з лінією нагнітання. Відбувається розтискання затискних важелів траверси. Після цього автоматично вмикається електропривід траверси. Після закінчення переміщення траверси електродвигун переміщення та електромагніт Е8 відключаються. Гідророзподільник Р10 переключається у положення I, а порожнина ЦРТ повідомляється зі зливом. Під дією пружини важелі затискають траверсу.

Гідросхема токарно-карусельного верстата 1541 і 1531М. Рис.18
Гідросхема токарно-карусельного верстата 1541 і 1531М. Дивитись у збільшеному масштабі
Керування головним приводом верстата. При установці рукоятки вибору частоти обертання планшайби в положення, що відповідає необхідної частоти обертання, підготовляється ланцюг перемикання електромагнітів розподільників 6, 7, 8, 9, 10. його до розподільника 25, який у цей час вимкнений. Потім масло по лінії 35 через голчастий дросель 24 потрапляє під поршень-фіксатор циліндра 22 фіксації положення шестерень і піднімає поршень-фіксатор вгору, звільняючи при цьому штанги перемикання шестерень коробки швидкостей. Піднявшись нагору, поршень-фіксатор відкриває доступ маслу до маслорозподільника і з нього у відповідні обраній частоті обертання порожнини циліндрів перемикання шестерень. Електромагніти розподільників б, 7, 8, 9, 10 включені.
При натисканні кнопки «Пуск» планшайби включається електромагніт розподільника 26 і масло потрапляє в циліндр включення 13 фрикціону. Шток циліндра починає зміщуватися вправо до того часу, поки відкриється зливний отвір. Вилки фрикціону повинні бути відрегульовані так, щоб у цьому положенні фрикціон почав працювати з прослизанням, обертаючи з «повзучою швидкістю» шестерні коробки швидкостей. Одночасно масло надходить у циліндр 23 під поршень, який через рейку виробляє проворот шестерень коробки швидкостей для полегшення перемикання.
При перемиканні в пускове положення розподільника 26 35 лінія включається на злив. Не утримуваний більше тиском олії у верхньому положенні поршень-фіксатор циліндра 22 під дією пружини прагне опуститися вниз. Щоб шестерні не стали «зуб на зуб», перемикання здійснюється при «повзучій швидкості» фрикціону.
Опустившись, поршень-фіксатор циліндра 22 фіксації положення шестерень перекриває зливний отвір лінії 32 і пусковий фрикціон включається повністю. Одночасно перекривається лінія 34 і знімається тиск з циліндрів 15, 16, 17, 18, 19, 20, 21, 25 перемикання шестерень, а лінія 35включається на слив і пружина повертає поршень циліндра 23 у вихідне положення.
При натисканні на рукоятку «Стоп» планшайби вимикається електромагніт розподільника 26 і золотник його переміщається пружиною у верхнє положення. Олія подається в циліндр 14 гальма та планшайба зупиняється.
Дроссель 12 служит для регулировки часу увімкнення робочого фрікциону і тормоза. Мгновенное увімкнення робочого фрікциону или тормоза при переключении частоти обертання планшайби може привести к аварии.
Дросель 24 служить для регулювання години опускання фіксатора. При швидкому опусканні фіксатор фіксуватиме потрійний блок шестерень у середньому положенні, не даючи йому можливості переходити з одного крайнього положення до іншого. У цьому випадку частота обертання планшайби не буде відповідати обраній, а при гальмуванні, коли фіксатор піднімається, перемикання потрійного блоку буде продовжуватися. Для попередження цього явища в системі передбачено блокувальний механізм з мікровимикачем, що виключає можливість включення розподільника 26при невідповідності положення потрійного блоку шестерень положенню рукоятки вибору частот обертання.
Гідравлічна система верстата передбачає можливість різкого пуску і зупинки планшайби при використанні двох найменших частот обертання її, що здійснюється за допомогою розподільника 11. Цей розподільник включений при використанні всіх частот обертання планшайби, крім зазначених двох найменших. При установці однієї з двох найменших частот обертання рукояткою вибору частот обертання і повторному включенні кнопки «Пуск» планшайби розподільник 11 вимикається, і масло проходить як через дросель 12, так і через проточки золотника розподільника 11, що забезпечує швидке підведення олії до циліндра 13 включення робочого фрикціону. При вимиканні планшайби злив масла здійснюється також через розподільник 11, що забезпечує різке зупинення планшайби.
Розжим поперечки здійснюється так: