Виробником токарного універсального верстата Proma SPA-500 є PROMA-group. Міжнародна промислова група компаній , заснована в 1992 році в Чехії.
Proma-group була створена як торговельна асоціація, яка займалася збутом заточувальних верстатів, матеріалів, оснастки та електроінструменту. Пізніше профіль асоціації набув більш виразних форм, вона стала орієнтуватися переважно на якісні електроінструменти та обробні верстати.
У 2003 році PROMA-group вийшла на російський ринок і відкрила своє представництво у Москві.
Універсальний токарний верстат Proma SPA-500 призначений для обробки тіл обертання шляхом зняття з них стружки під час обточування.
На верстаті Proma SPA-500 можна виконувати різні види токарної обробки:
Токарний верстат SPA-500 широко використовується в умовах дрібносерійного виробництва, ремонтних цехах, слюсарних і столярних майстерень, на складах і т.п.
Традиційне наочне компонування верстата у поєднанні з відпрацьованою кінематичною схемою дозволяє впевнено забезпечити токарну обробку з класом точності «Н» протягом тривалого терміну експлуатації.
У порівнянні з пропонованими на ринку малогабаритними верстатами - він простий в експлуатації, надійний та довговічний.
Верстат SPA-500 – чудове рішення для домашньої майстерні.
Верстат SPA-500 призначений для роботи від однофазної мережі змінного струму напругою 220 ± 10 % і частотою 50 Гц.
Верстат призначений для експлуатації у таких умовах:
Універсальний токарний верстат, відокремлений від станини, поставляється в дерев'яній упаковці з приладдям:

Фото токарного верстата SPA-500. Дивитись у збільшеному масштабі

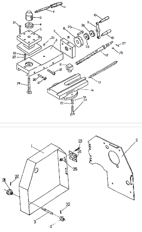
Універсальний токарний верстат складається з індукційно загартованої станини із призматичними напрямними. На одному кінці станини знаходиться шпиндельна бабка з патроном та важелями перемикання для вибору швидкості обертання та подачі. На іншому кінці станини знаходиться задня бабка з висувною піноллю та важелем фіксації задньої бабки. Між шпиндельною та задньою бабкою вручну переміщається супорт з поперечними санками і санками різця, на яких розміщена головка різця для закріплення інструменту.

Кінематична схема токарного верстата SPA-500 Дивитись у збільшеному масштабі

Схема розташування підшипників кочення верстата токарного SPA-500. Дивитись у збільшеному масштабі

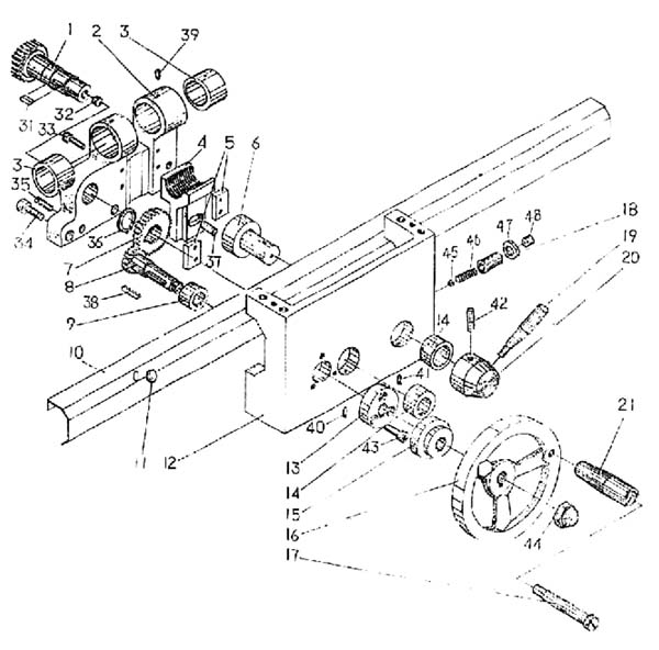
Перед увімкненням верстата перевірте (за допомогою болтів натяжки) натяг двох клинових ременів (розмір 10 х 710), які забезпечують привід шпиндельної бабки. При натисканні пальцем на ремінь прогин має бути близько 12 мм. Надмірно натягнуті ремені негативно впливають на термін служби самого ременя та підшипники шківів. Для натягу клинових ременів призначений болт натяжки.
Швидкість обертання шпинделя вибирається залежно від матеріалу та діаметра заготовки. Передавальна пара шестерень управляється за допомогою двох важелів. Результуюча швидкість обертання встановлюється за допомогою комбінації двох важелів таблиці (140-1710 об/хв). Якщо увімкнути передачу вручну, переверніть шпиндель.
При виборі швидкості подачі або кроку різьблення важливо, щоб обраній подачі або кроку відповідали шестерні, наведені в таблиці. Заміна або прокручування шестерень 1, 2, 3 можлива після відпустки люнета «L».

Маховик супорта (3) використовується для ручної подачі поздовжнього супорта станиною верстата. Ручка подачі (5) використовується для ручної подачі поздовжніх санчат. Машинна подача поперечних санок включається натисканням важеля (6). Рукоятка санок різця (4) використовується для ручної подачі головки різця. Санки різця після відпускання двох болтів (2) повністю регульовані під будь-яким кутом по вертикалі. Після ослаблення рукоятки (1) можна повертати головку різця в будь-якому напрямку.
У поперечних санках за допомогою надрізаної гайки можна налаштувати люфт ггвинта «зазор». Цей люфт видаляється затисканням регулювального ггвинта.

Маховик (2) використовується для висунення або засування пінолі задньої бабки. Повертання маховика вліво до упору автоматично розфіксує інструмент. Гайка замку задньої бабки (3) притискає задню бабку до станини. Замикання провадиться затисканням гайки, а розфіксування її відпусканням. Важіль замку пінолі (1) запобігає руху пінолі. Перед маніпуляцією із маховиком (2) необхідно відпустити важіль (1). Після встановлення пінолі в потрібне положення важіль (1) фіксується. Два регулювальні болти (S) на кожній стороні станини використовуються для установки осьового відхилення задньої бабки. Після встановлення необхідного осьового відхилення обидва болта (S) затисніть.








| Найменування параметру | СМ-300Е | СПА-500П |
|---|---|---|
| Основні параметри верстата | ||
| Найбільший діаметр заготовки над станиною, мм | 180 | 200 |
| Найбільший діаметр заготовки над супортом, мм | 110 | 115 |
| Найбільша довжина заготовки у центрах (РМЦ), мм | 250 | 500 |
| Максимальний розмір державки різця, мм | ||
| Шпиндель | ||
| Діаметр наскрізного отвору в шпинделі, мм | 20 | 20 |
| Конус шпинделя | Морзе 3 | Mk III |
| Число ступенів частот прямого обертання шпинделя | Б/с | 6 |
| Частота прямого обертання шпинделя, об/хв | 0..2500 | 140..1710 (6 ступенів) |
| Диаметр токарного патрона, мм | 100 | |
| Максимальна висота різців, мм | 10 | |
| Супорт. Подання | ||
| Найбільше поздовжнє переміщення каретки супорта, мм | 300 | |
| Переміщення супорта поздовжнє на один поділ лімба, мм | 0,025 | |
| Найбільше поперечне переміщення супорта, мм | 70 | |
| Переміщення супорта поперечне на один поділ лімба, мм | 0,025 | |
| Найбільше переміщення верхнього поворотного супорта (різцевих санок), мм | 70 | |
| Кут повороту різцевих санчат, град | ±90° | ±90° |
| Межі поздовжніх робочих подач супорту, мм/про | 0,05...0,2 мм/об (4 колонки) | |
| Межі кроків різьб метричних, що нарізаються, мм | 0,4..2 (10 стовпців) | 0.4..3 (11 колонок) |
| Межі кроків різьб дюймових, ниток/дюйм (TPI) | 12..52 (18 стовпців) | |
| Задня бабка | ||
| Конус задньої бабки | Морзе 2 | Мк II |
| Найбільше переміщення пінолі, мм | 50 | 45 |
| Електроустаткування | ||
| Номінальна напруга живлення, | 220 в, 50 Гц | 220 в, 50 Гц |
| Електродвигун головного приводу, кВт | 0,3 | 0,37 |
| Габарити та маса верстата | ||
| Габарити верстата (довжина ширина висота), мм | 730 × 330 × 330 | 1160 х 560 х 420 |
| Маса верстата, кг | 40 | 130 |