metalinstryment.com
Довідник по металорізальних верстатів та пресовому обладнанні

НВ5222 Пресс-ножницы комбинированные
Схеми, опис, характеристики

НВ5222 пресс-ножницы (комбинированные) з наклонным ножом для обробки листового металла







Відомості про виробника пресс-ножниц НВ5222

Изготовителем пресс-ножниц НВ5222 является Кувандыкский завод кузнечно-прессового оборудования «Долина», основанный в 1941 году.





Машины, выпускаемые Кувандыкским заводом кузнечно-прессового оборудования


НВ5222 пресс-ножницы комбинированные. Назначение, область применения

Пресс-ножницы комбинированные НВ5222 разработаны в 1975 году і серийно выпускались з 1977 года. Разработчик - СКБ КПО і АЛ г. Азов. Изготовитель - Завод механических прессов г. Кувандык.

Комбинированные пресс-ножницы НВ5222 служат для отрезки полосового, сортового і фасонного проката і пробивки отверстий в листовом, полосовом і фасонном прокате, а также для выполнения зарубочных операций.

Комбинированные ножницы НВ5222 могут найти применение на машиностроительных, ремонтных і других заводах, при експлуатации в климатических зонах з умеренным і холодным климатом виконання УХЛ, сухим і влажным тропическим климатом - виконання О, категория розміщення 4 по ГОСТ15150-69.

Ножницы НВ5222 з четырьмя рабочими зонами позволяют выполнять на одной машине несколько типов операций без предварительной переналаштування ножниц, в любой післядовательности і без смены инструмента, что обеспечивает гибкую і економичную обработку проката, как в крупном машиностроительном производстве, так і любой ремонтной мастерской.

Ножницы НВ5222 производят наступні операции:

Опис конструкції пресс ножниц НВ 5222

Станина сварной конструкції, состоит из переднего і заднего листов, приваренных к основанию.

Для установки приводных валов і приводов секций в станине выполнены четыре расточки. Привід сортолистовой і дыропробивной секций от електродвигуна через клиноременную і зубчатую передачи на ексцентриковый вал секций. Рычаг зарубочного пристроя связан при помощи тяги з ползуном сортолистовой секции.

Ползун дыропробивной секции уравновешивается пружинными уравновешивателями.

Механізм центрирования предназначен для выполнения операции наметки путем переміщення з помощью рукоятки пуансонодержателя з пуансоном.

Инструмент реза уголка, круга і квадрата состоит из подвижной і нерухомою плит. Подвижная плита крепится в гнездо ползуна сортолистовой секции, нерухома — в гнезде станины Г-образными пружинами.

Листовой і зарубочный инструмент состоит из двух подвижных і трех неподвижных ножей.

Подвижные ножи — гильотинный для резки листового материала і прямоугольный — для прямоугольной зарубки.

Инструмент дыропробивной секции состоит из пуансона і матрицы. Пуансон крепится через пуансонодержатель к ползуну, а матрица — к корпусу дыропробивного приспособления.

Пресс-ножницы НВ 5222 имеют три рабочих места, обслуживаемые одним оператором.

Електросхема обеспечивает работу пресс-ножниц на непрерывных і одиночных ходух.

Керування кнопкове і педальное.

Смазка густая, комбинированная.

Конструкція пресс-ножниц НВ5222 і множество варіантівдополнительной оснастки позволяют использовать пресс-ножницы для обробки проката различного профиля і разных параметров.

Для облегчения переміщення полосового, сортового і фасонного проката при подаче их в рабочую зону ножниц возможно использование модуль-рольганга приводного моделі МРП.

Дополнительное требование: нижнее значение температуры воздуха должно быть не менее +5°С


Основні параметри пресс-ножниц НВ5221:

Параметри действительны для металла з пределом прочности (временным сопротивлением) σ BP = 500 МПа (50 кг/мм2).



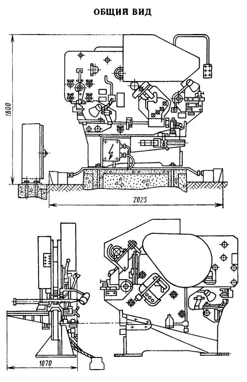
Габаритные розміри комбинированных пресс-ножниц НВ5222

нв-5222 Габаритные розміри комбинированных пресс-ножниц

Габаритные розміри комбинированных пресс-ножниц нв5222


Загальний вигляд комбинированных пресс-ножниц НВ5222

нв-5222 Складні частини комбинированных пресс-ножниц

Фото комбинированных пресс-ножниц нв5222


Схема увімкнення дыропробивного пресса і сортовой секции пресс-ножниц НВ5222

НВ5222 Схема увімкнення дыропробивного пресса і сортовой секции пресс-ножниц НВ5222

Схема увімкнення пробивного пресса і сортовой секции нв5222


Кінематична схема пресс-ножниц НВ5222

НВ5222 кинематика пресс-ножниц комбинированных

Кінематична схема пресс-ножниц нв5222


Загальний принцип роботи пресс-ножниц і конструкция комбинированных пресс-ножниц НВ5222

Привід пресс-ножниц осуществляется от електродвигуна 3 через клиноременную передачу (обозначение ремня приведено в приложении А), маховик 2 і одноступенчатую зубчатую передачу 1, 4 к ексцентриковому валу 6. Зубчатая пара 1, 4 прямозубая, цилиндрическая. Опорные шейки вал-шестерни установлены в підшипниках (обозначение підшибників приведено в приложении Б)

Вал-шестерня Z1=14 имеет ширину обода 85 мм і изготовлена из стали 40Х ГОСТ4543-71 (твердость 240...260 НВ), колесо Z2=126 - ширину обода 80 мм і изготовлено из стали 35Л ГОСТ977-88.

Рух на ползун 10 сортовой секции передається через шатун 5, на ползун 8 пресса для пробивки отверстий через балансир 7 і западающий камень.

Исполнительные механізмы включаются і выключаются через систему рычагов, связанных з одной стороны з шатуном і западающим камнем, а з другой стороны - з електромагнитами 9.





Крепление инструмента (ножей) комбинированных пресс-ножниц НВ5222

НВ5222 Крепление ножей для резки листового металла

Крепление ножей для резки листового металла на нв5222

НВ5222 крепление ножей сортовой секции

Крепление ножей сортовой секции на нв5222


НВ5222 крепление ножей зарубочного пристроя

Крепление ножей зарубочного пристроя на нв5222


НВ5222 дыропробивного инструмента пресс-ножниц

Крепление дыропробивного инструмента на нв5222


НВ5222 Крепление ножей резки уголка, круга, квадрата

Крепление ножей резки уголка, круга, квадрата на нв5222


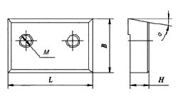
Ножи к ножницам для резки сортового проката. Технічні требования

Ножи для пресс ножниц изготавливаются по ГОСТ 25454-82 Ножи к ножницам для резки сортового проката. Технічні требования




Ножи для пресс ножниц НВ5222

Ескіз L x B x H, мм
НВ5222 Нож для пресс-ножниц 105 х 40 х 20
НВ5222 Нож для пресс-ножниц 90,7 х 40 х 14
НВ5222 Нож для пресс-ножниц 165 х 40 х 14
НВ5222 Нож для пресс-ножниц 95 х 40 х 14
НВ5222 Нож для пресс-ножниц 130 х 65 х 14
НВ5222 Нож для пресс-ножниц 120 х 65 х 54




НГ5222 пресс-ножницы комбинированные. Відеоролик.




Технічні характеристики комбинированных пресс-ножниц НВ5222

Наименование параметра НВ5221 НВ5222 НГ5222
Основні параметри пресс-ножниц
Наибольшая толщина листа, мм 13 16
Наибольшие розміри обрабатываемой полосы листовыми ножницами (толщина х ширина), мм 16 х 150 18 х 190 16 х 150
Наибольшие розміри круга (диаметр), обрабатываемого сортовыми ножницами, мм 45 50 45
Наибольшие розміри квадрата, обрабатываемого сортовыми ножницами, мм 40 45
Наибольшие розміри уголка под 90°, мм 125 х 125 х 12 125 х 125 х 14 125 х 125 х 12
Наибольшие розміри уголка под 45°, мм 90 х 90 х 9 100 х 100 х 10 90 х 90 х 9
Наибольшие розміри уголка при резке специальными ножами под 90°, мм 160 х 160 х 12 160 х 160 х 12
Наибольшие розміри швеллера, номер профиля 18 18а 18
Наибольшие розміри двутавра, номер профиля 18 18 18
Наибольший диаметр пробиваемого отверстия дыропробивным прессом (диаметр х толщина материала), мм Ø 30 х 16 Ø 32 х 16 Ø 30 х 16
Наибольшие розміри пробиваемых пазов (длина х ширина х толщина), мм 80 х 63 х 10 70 х 65 х 10
Наибольшее расстояние от оси дыропробивного пресса до станины (вылет), мм 500 500 500
Число непрерывных ходов ножа в минуту не более 58 53
Число одиночных ходов ножа в минуту не более 18 17 18
Наибольшая длина разрезаемых листов по заднему упору, мм 70..1000 70..1000 70..1000
Номинальное усилие реза, кН (тс) 400 (40) 630 (63) 400 (40)
Електроустаткування машины
Електродвигун, кВт (об/мин) 4,8 (2790) 4,8 (2790) 4,8 (2900)
Габарит і масса пресс-ножниц
Габарит пресс-ножниц (длна х ширина х высота), мм 1900 х 700 х 1950 1780 х 1030 х 1865 1900 х 1660 х 1950
Масса пресс-ножниц, кг 2070 2500 1940

    Список литературы:

  1. Банкетов А.Н., Бочаров Ю.А., Добринский Н.С. і др. Кузнечно-прессовое обладнання, 1970
  2. Бочаров Ю.А., Прокофьев В, Н. Гідропривід кузнечно-прессовых машин, 1969
  3. Белов А.Ф., Розанов Б. В., Линц В. П. Объемная штамповка на гідравлических прессах, 1971
  4. Живов Л.И. Кузнечно-штамповочное обладнання, 2006
  5. Кузьминцев В.Н. Ковка на молотах і прессах, 1979
  6. Розанов Б.В. Гідравлические прессы, 1959
  7. Титов Ю.А. Обладнання кузнечно-прессовых цехов, 2001
  8. Щеглов В.Ф. Кузнечно-прессовые машины, 1989
  9. Берлет Разработка чертежей поковок, 2001
  10. Рудман Л.И. Справочник по оборудованию для листовой штамповки, 1989
  11. Романовский В.П. Справочник по холодной штамповке, 1965
  12. Охрименко Я.М. Технология кузнечно-штамповочного производства, 1966
  13. Кузьминцев В.Н. Ковка на молотах і прессах, 1979
  14. Мещерин В.Т. Листовая штамповка. Атлас схем, 1975