metalinstryment.com
Довідник по металорізальних верстатів та пресовому обладнанні

НК3418 Ножницы гильотинные з наклонным ножом для листового металла
Схеми, опис, характеристики

НК3418 Ножницы кривошипные листовые (гильотинные) з наклонным ножом для обробки листового металла



Прессы механические, прессы гідравлические, верстати поперечно-строгальные

Відомості про виробника гильотинных ножниц НК3418

Изготовителем ножниц НК3418 является Стрыйский завод кузнечно-прессового оборудования.

В настоящее время производит ПАО «Кувандыкский завод КПО «Долина» Оренбургская обл., г. Кувандык





Верстати, выпускаемые Стрыйским заводом КПО


НК3418 ножницы гильотинные кривошипные для обробки листового металла. Назначение і область применения

Ножницы гильотинные нк3418 разработаны в 1977 году і серийно выпускались з 1979 года. Разработчик Азовский ПО КПО, Донпрессмаш г. Азов.

Кривошипные листовые ножницы (гильотинные) з наклонным ножом НК3418 предназначены для холодной резки листового материала з пределом прочности σBP ≤ 500 МПа (50 кгс/мм2) і з наибольшими размерами поперечного сечения 6,3 х 2000 мм.

Возможна резка неметаллических листовых материалов, исключающих быстрое затупление режущих кромок ножей і растрескивание вырезаемой заготовки.

Ножницы НК3418 находят широкое применение в заготовительных цехах предприятий машиностроения, автотракторостроения, авиастроения, судостроения, сельхозмашиностроения і других отраслях промышленности, так как обладают более високою производительностью, чем ножницы серии "НД", за счет отсутствия подготовительного часу на переналадку механізма реза на разную толщину отрезаемого металла і механизации заднего упора.

Основны параметри машины для резки листового металла НК3418:

Електросхема обеспечивает работу ножниц в режимах:

  1. Одиночный ход
  2. Непрерывные (автоматические) ходы
  3. Наладочный режим - толчковый ход

Величина зазору между ножами і усилие прижима автоматически устанавливается пропорционально усилию реза в зависимости от толщины разрезаемого листа.

Задний упор ножниц механизирован, что позволяет устанавливать заданный размер отрезаемых заготовок з робочого места оператора по цифровому счетчику, установленному на лицевой стороне ножниц.

Станина ножниц цельносварная, что увеличивает жесткость конструкції і снижает трудоемкость изготовления. Она состоит из двух стоек, стола і стяжки. В стойках выполнены расточки, в которых установлен на підшипниках качения кривошипный вал з шатунами.

Привід ножниц от електродвигуна, закрепленного на поворотной плите, через клиноременную передачу на приводной вал редуктора і далее на кривошипный вал.

Редуктор выполнен в виде агрегатного вузла і состоит из двух ступеней зубчатой передачи.

Муфта-тормоз пневматическая, фрикционная, многодискова, смонтирована на входном кінці вала редуктора.

Механізм реза состоит из прижимной і ножевой балок. Прижимная балка качающейся (консольной) конструкції: в її прямолинейных направляючих движется ножевая балка. Прижимная і ножевая балки связаны между собой рычажной системой, которая соединена з приводом ножниц. В верхней частя прижимной балки установлены винтовые упоры, служащие для возврата її в верхнее положение.

Ножевая балка снабжена пневматическими уравновешивателями, смонтированными в кронштейнах, закрепленных на станине.

Механізм заднего упора закреплен на ножевой балке і состоит из двух ходовых винтов, по которым перемещаются ползушки, з закрепленной (шарнирно) упорной планкой.

Для резки тонкого листа на ножницах предусмотрен поддерживатель.

Для защиты рук оператора в зоне реза служит защитная решетка, сблокированная з пусковым пристрійм ножниц.

Режим роботи:

  1. автоматический
  2. наладочный
  3. одиночные ходы
  4. ручной проворот

Керування кнопкове или педальное.

Система змазки централизованная і позволяет експлуатацию в условиях низких температур.


Отличие гильотинных ножниц серий НД, НК, Н

Стрыйский завод КПО выпускает ножницы листовые кривошипные з наклонным ножом (гильотина), з пневмо-муфтой серии ”НД” , “НК” і “Н” і на протяжении 30-ти лет і експортирует свою продукцию в 52 страны мира.

В серии ножниц “НК”, “Н” установка необходимой величины зазору между ножами выставляется автоматически, в зависимости от толщины разрезаемого листового материала, что позволяет резать металл различной толщины без переналагодження. Ножницы данной серии оснащены механизированным задним упором, предназначенным для установки разрезаемого листового материала в заданный размер. Длина отрезаемой заготовки устанавливается по счетчику, установленному на лицевой частини ножниц через привід механизированного заднего упора.

В серии ножниц “НД” регулировка зазору между ножами осуществляется вручную путем переміщення стола ножниц, согласно диаграммы, в зависимости от толщины разрезаемого листа. Длина отрезаемой заготовки устанавливается маховичком заднего упора, по линейке расположенной на направляючих рейках механізма заднего упора.

Ножницы моделі НК3418Р оснащены ручным задним упором, аналогичным ножницам серии ”НД”.


Ножницы кривошипные листовые з наклонным ножом для обробки листового металла. Загальні відомості

Ножницы предназначены для прямолинейной поздовжньої і поперечної резки листового металла. На гильотинных ножницах може производиться резка листов, как по разметке, так і без нее - по заднему или боковому упорам.

Ножницы гильотинные з качающейся (консольной) балкой

Ножницы гильотинные з качающейся (консольной) балкой

Преимущества принципа «качающейся» (консольной) балки:


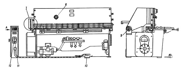
Загальний вигляд гильотинных ножниц НК3418

НК-3418 Складні частини гильотинных ножниц

Фото гильотинных ножниц НК3418


Розташування складових частин гильотинных ножниц НК3418

НК-3418 Складні частини гильотинных ножниц

Розташування складових частин ножниц нк3418


Специфікація складових частин ножниц НК3418

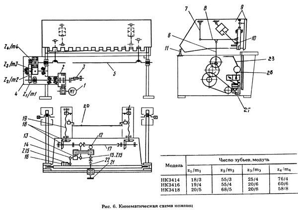
Наименование параметра НК3414 НК3416 НК3418
1 Пульт керування НК3418-93-001 НК3418-93-001 НК3418-93-001
2 Упор боковой НД3316Г-35-001 НД3316Г-35-001 НД3316Г-35-001
3 Упор боковой НД3316Г-35А-001 НД3316Г-35А-001 НД3316Г-35А-001
4 Механізм удержания ножевой балки НК3414-75-091 НК3416-75-001 НК3418-75-001
5 Указатель положения ножевой балки НК3414-74-001 НК3416-74-001 НК3418-74-001
6 Освещение НК3418-76-001 НК3418-76-001 НК3418-76-001
7 Упор угловой НК3418-37-001 НК3418-37-001 НК3418-37-001
8 Упор задний НК3414-34-001 НК3416-34-001 НК3418-34-001
9 Механізм реза НК3414-31-001 НК3416-31-001 НК3418-31-001
10 Датчики заднего упора НК3418-39-001 НК3418-39-001 НК3418-39-001
11 Поддерживатель листа НК3414-38-001 НК3418-38-001 НК3418-38-001
12 Привід заднего упора НК3414-24-001 НК3416-24-001 НК3418-24-001
13 Решетка НК3414-72-001 НК3416-72-001 НК3418-72-001
14 Упор передний НК3418-36-001 НК3418-36-001 НК3418-36-001
15 Смазка НК3414-81-001 НК3416-81-001 НК3418-81-001
16 Станина НК3414-11-001 НК3416-11-001 НК3418-11-001
17 Пневмообладнання НК3414-41-001 НК3416-41-001 НК3418-41-001
18 Привод НК3414-21-001 НК3416-21-001 НК3418-21-001
19 Установка муфты-тормоза НК3414-23-001 НК3416-23-001 НК3418-23-001
20 Редуктор НК3414-22-001 НК3416-22-001 НК3418-22-001
21 Електроустаткування НК3414-91-001 НК3416-91-001 НК3418-91-001

Розташування органів керування гильотинными ножницами НК3418

НК3418 Розташування органів керування ножниц

Розташування органів керування гильотинными ножницами нк3418


Пульт керування гильотинными ножницами НК3418

Пульт керування гильотинными ножницами НК3418

Пульт керування гильотинными ножницами нк3418


Список органів керування на пульті ножниц НК3418

  1. Переключатель — вимкнення освещения линии реза
  2. Пуск головного електродвигуна
  3. Ручное керування муфтой-тормозом
  4. Стоп автоматических ходов
  5. Увімкнення приводу заднего упора назад
  6. Увімкнення приводу заднего упора вперед
  7. Загальний стоп
  8. Маховик ручного проворота приводу заднего упора
  9. Эксцентрик установки исходного зазору между ножами
  10. Педаль електрична керування ножницами
  11. Переключатель керування
  12. Переключатель режимов роботи
  13. Вводной автомат




Кінематична схема гильотинных ножниц НК3418

НК3418 кинематика ножниц гильотинных

Кінематична схема гильотинных ножниц нк3418

Кінематична схема гильотинных ножниц НК3418. Дивитись у збільшеному масштабі



Схема резки з автоматичною установкой зазору ножниц НК3418

НК3418 Схема резки з автоматичною установкой зазору ножниц гильотинных

Схема резки з автоматичною установкой зазору ножниц нк3418


Опис кінематичної схеми ножниц НК3418

Конструкція гильотинных ножниц НК3418 включает в себя три кинематические сборочные единицы, имеющие индивидуальные приводы руху і автономное керування:

Главная кінематична ланцюг состоит из електродвигуна 1 (Ml), клиноременной передачей связанного з маховиком 2 і через муфту-тормоз 3 з входным валом двухступінчастого цилиндрического редуктора 4. Выходное колесо редуктора жестко связано з ексцентриковым валом 5, на котором смонтированы шатуны через рычаги 7, 8, взаимодействующие з прижимной балкой 9 і ножевой балкой 10. Ножевая балка смонтирована в прямолинейных направляючих Рычаги 7, 8 совместно з прижимной балкой 9 і ножевой балкой 10 образуют отдельную сборочную единицу (механізм реза) шарнирно закрепленный в станине на ексцентриковых осях 11.

При включении електродвигуна M1 і муфты-тормоза 3 механізм реза движется по траектории А (рис. 7) как единое целое, поворачиваясь вокруг осей 11 (см. рис. 6), до соприкосновения прижимной балки з разрезаемым листом (или столом при отсутствии листа). После остановки прижимной балки ножевая балка з точки В (рис. 7) начинает прямолинейное рух по направляющим. При етом в зависимости от толщины разрезаемого листа между ножами автоматически устанавливается необходимый зазор. Так при резке листа толщиной „t" зазор между ножами будет А. При резке листа большей толщины t1 > t прижимная балка остановится от поверхности стола выше и, соответственно, ножевая балка начнет прямолинейное рух з точки С. Зазор между ножами будет равен A1 причем A1 > А. На каждый миллиметр толщины листа увеличение зазору составляет ~ 0,04—0,05 мм.

При отсутствии листа зазор между ножами устанавливаете з помощью осей 11 равным 0,02—0,03 мм (рис. 6).

При встрече верхнего подвижного ножа з листом (начало реза), возрастает усилие, часть которого через рычажную систему передається на прижимную балку, обеспечивая усилие прижима 25 % от зусилля реза,

Кинематическая ланцюг заднего упора включает в себя електродвигатель 12 (М2), клиноременной передачей связанный з быстроходным валом червячного редуктора 13. На тихоходном валу редуктора смонтированы две звездочки 14, 15

Первая — цепной передачей связана з указателем ширины отрезаемой полосы 16, а вторая также ланцюгю — з валом 17, через две пары конических шестерен 18 приводящим во вращение ходовые винты 19, з которыми кинематически связана упорная балка 20, перемещающаяся при вращении винтов. Для точной установки балки 20 до размеру отрезаемой полосы предусмотрен ручной поворот вала електродвигуна М2 маховичком 21 через карданную передачу 22

Поддерживатель тонкого листа. Механізм поддерживателя предназначен для поддерживания отрезаемой частини листа з целью получения более точных заготовок за счет провисания листа при работе з задним упором.





Схема електрична принципова гильотинных ножниц НК3418

Схема електрична принципова гильотинных ножниц НК3418

Електрична схема гильотинных ножниц нк3418

Схема електрична гильотинных ножниц НК3418. Дивитись у збільшеному масштабі



Електроустаткування гильотинных ножниц НК3418. Загальні відомості

На ножницах НК3418 установлено следующее основне електрообладнання:

На ножницах применены наступні величины напряжения:

Напряжение ланцюгів керування:

Креслення ножа для гильотинных ножниц НК3418

НК3418 Креслення ножа для ножниц гильотинных

Креслення ножа для гильотинных ножниц нк3418


Нож для гильотинных ножниц 16 х 60 х 540

  1. HRC 54...58
  2. Допускается изготовление ножей из стали марок 5ХВ2С і 6ХС по ГОСТ 5950-73
  3. Поле допуска по толщине і ширине комплекта ножей по hll
  4. Допускаемая разность размеров ножей комплекта в месте стыка не более 0,03 мм



НК3418 Ножницы кривошипные листовые гильотинные з наклонным ножом для обробки листового металла. Відеоролик.




Технічні характеристики гильотинных ножниц НК3418

Наименование параметра НК3414 НК3416 НК3418
Основні параметри ножниц
Наибольшая толщина разрезаемого листа при σ BP 50 кг/мм 2, мм 2,5 4,0 6,3
Наибольшая длина разрезаемых листов в мм, мм 1600 2000 2000
Число ходов ножа в минуту не менее 68 68 60
Угол наклона подвижного ножа в градусах 1°30' 1°30' 1°30'
Ширина отрезаемого листа по заднему упору, мм 700 700 700
Число режущих кромок ножа
Расстояние от нерухомого ножа до станины (вылет), мм нет нет нет
Расстояние между стойками в свету, мм
Высота стола над уровнем пола, мм 920 920 920
Максимальное усилие реза, кН 34 78 175
Усилие прижима, кН
Режимов роботи
Тип тормоза
Тип муфты-тормоза УВ3132 УВ3132 УВ3132
Електроустаткування
Количество електродвигателей 2 2 2
Електродвигун, кВт 3,2 5,6 8,5
Електродвигун приводу заднего упора, кВт 0,37 0,37 0,37
Общая мощность електродвигателей, кВт 5,57 5,97 8,87
Габарит і масса ножниц
Габарит ножниц (длнна х ширина х высота), мм 2150 х 1475 х 1375 2610 х 1600 х 1510 2780 х 1600 х 1620
Масса ножниц, кг 1800 2870 4250