metalinstryment.com
Довідник по металорізальних верстатів та пресовому обладнанні

5Т23В Верстат зубострогальный напівавтомат високою точності
схеми, опис, характеристики

5Т23В Загальний вигляд  зубострогального верстата







Відомості про виробника зубострогального напівавтомату 5Т23В

Производитель зубострогального напівавтомату 5Т23В Саратовский завод зубострогальных верстатів, СЗЗС, основанный в 1934 году.





Продукция Саратовского завода зубострогальных верстатів


5Т23В Верстат зубострогальный напівавтомат високою точності. Назначение і область применения

Зубострогальный напівавтомат 5Т23В високою точності предназначен для нарізання прецизионных мелкомодульных конических колес з прямыми зубьями модулем до т = 1,5 мм і диаметром до 125 мм двумя качающимися в одной впадине резцами методом обкатки і комбинированным методом.

Верстат зубострогальный 5Т23В предназначен для нарізання конических колес в мелкосерийном і серийном производстве в отраслях приборостроения і точного машиностроения; може быть использован в других отраслях і видах производства при высоких требованиях к точності нарезаемых колес.

Высокая точность нарізання достигается благодаря наличию в конечных звеньях ланцюги деления і обкатки высокоточных червячных передач з большим передаточным отношением, а также за счет роботи резцов в одной впадине.

Специальный теплообменник гарантирует минимальные температурные деформации верстата.

Оригинальное кинематическое построение напівавтомату, удобное расположение органів керування і гітар сменных зубчатых колес, бесступенчатое регулювання скорости обкатки, гідрофикация зажиму і отжима заготовки, подвода і відведення бабки вироби создает значительное удобство обслуживания і повышения производительности обробки.

В условиях массового производства имеется возможность встраивания напівавтомату 5Т23В в автоматическую линию.

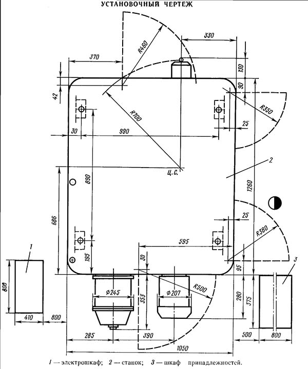
Верстат 5Т23В необходимо установить на опорах і тщательно выверить по уровню з точностью 0,02/1000 мм, устанавливая післядний на круговые направляющие стола. После выверки фундамент верстата подлить жидким цементом.

Основанием верстата 5Т23В може служить бетонный фундамент, глубина которого в зависимости от характера основного грунта должна быть 400—500 мм или общий бетонный пол цеха.

Запрещается устанавливать верстат вблизи машин, работающих з динамическими нагрузками (молоты, прессы, строгальные верстати і т.п.). В случае вибрации общего пола цеха верстат следует установить на отдельный фундамент, оградив его разделительными канавами, или установить на опори равночастотные типа ОВ-31. Рекомендуется установка верстата в термоконстантном помещении. Разработчики: Экспериментальный научно-исследовательский институт металлорежущих верстатів і Саратовский завод зубострогальных верстатів.


Класс точності напівавтомату В по ГОСТ 8-77.

Шероховатость обработанной поверхности Ra 1,25 мкм.

Категория качества — высшая. Полуавтомат изготовляется в рядовом і експортном исполнениях.

Средний уровень звука LA не должен превышать 77 дБА.

Корректированный уровень звуковой мощности LpA не должен превышать 93 дБА.


Основні технические данные зубострогального верстата 5Т23В:

Разработчик - ЭНИМС і Саратовский завод зубострогальных верстатів.

Изготовитель - Саратовский завод зубострогальных верстатів.


5Т23В Габарити робочого простору зубострогального напівавтомату

5Т23В Верстат зубострогальный. Габарити робочого простору

Габарити робочого простору напівавтомату 5т23в


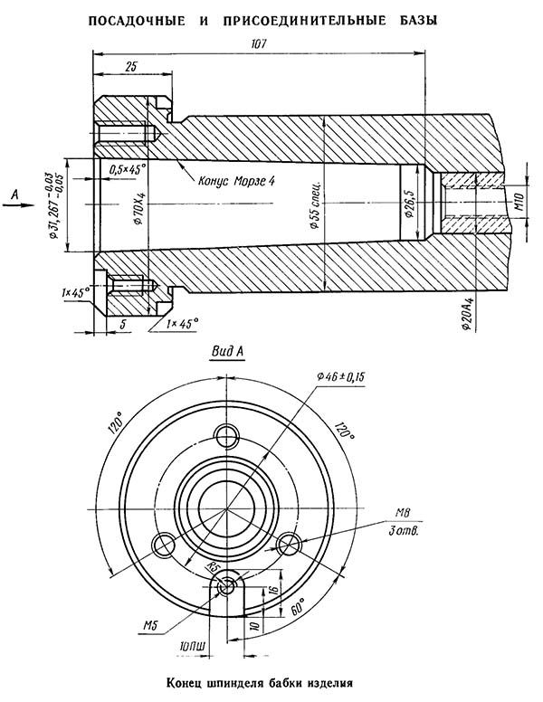
Посадочные і присоединительные базы инструмента зубострогального верстата 5Т23В

5Т23В Посадочные і присоединительные базы зубострогального напівавтомату 5Т23В

Посадочные і присоединительные базы верстата 5т23в


5Т23В Загальний вигляд зубострогального верстата

5Т23В напівавтомат зубострогальный. Загальний вигляд

Фото зубострогального верстата 5т23в



5Т23В напівавтомат зубострогальный. Загальний вигляд

Фото зубострогального верстата 5т23в



5Т23В напівавтомат зубострогальный. Загальний вигляд

Фото зубострогального верстата 5т23в



Схема кінематична зубострогального верстата 5Т23В

Схема кінематична зубострогального верстата 5Т23В

Кінематична схема зубострогального верстата 5т23в

1. Схема кінематична зубострогального верстата 5Т23В. Дивитись у збільшеному масштабі

2. Схема кінематична зубострогального верстата 5Т23В. Дивитись у збільшеному масштабі



На станине слева располагается стойка люльки з планшайбой 3, в радиальных направляючих которой находятся каретки 4 з резцами Каретки з резцами попеременно совершают возвратно-поступательное рух навстречу друг другу. Планшайба 3 смонтирована в круговых направляючих і при обкатке вращается вокруг горизонтальной оси, имитируя производящее колесо. В продольных направляючих станины смонтирован стол 5, несущий бабку 6 вироби. На оправку її шпинделя насаживают нарезаемую заготовку і закрепляют з помощью гідрозажима. Ділильна бабка 6 може поворачиваться вокруг вертикальной оси для установки оси шпинделя (заготовки) под углом φ0 к оси планшайби (производящего колеса).

Рабочий цикл верстата. При нажиме на пусковую кнопку происходит подвод резцов і включается рух супортів, вироби і качение люльки. Два післядних руху составляют обкатное движение, необходимое для образования профиля зуба.

После окончания обкатки зуба резцы отводятся назад, а люлька начинает быстро поворачиваться в обратную сторону. При етом изделие продолжает вращаться в ту же сторону, что і при рабочем ходе. По окончании обратного поворота люльки цикл повторяется. Поскольку за время обратного ходу люльки изделие продолжает вращаться вперед, то к моменту начала следующего цикла будет пропущено определенное число зубьев zi не имеющее общего множителя з числом зубьев нарезаемого колеса Поетому при повторении цикла столько раз, сколько зубьев в нарезаемом колесе, произойдет нарезание всех зубьев.





Основні кинематические ланцюги верстата 5Т23В

Привід головного руху. Рух от електродвигуна 1 передається через клиноременную передачу 2-3, зубчасті колеса 4-5-6 -7 н далее через сменные колеса a-b зубчатому колесу 8,сидящему на центральном валу люльки. Далее рух передається через колесо 9 кривошипным дискам 12, от которых при помощи шатуна получают качательное рух резцовые суппорты.

Резцовые суппорты должны быть установлены на угол конусности впадины зуба.

Привід подачі. Рух подачі от електродвигуна 27 (см. рис. 5) постоянного тока через клиноременную передачу 28-29, зубчасті колеса 30- 31, 32-33, 38-39-40 і червячную пару 41 -42передається распределительному валу /, который делает один оборот за время нарізання одного зуба. На распределительном валу сидят четыре кулачка. Один из них предназначен для нарізання при комбинированном резании К3, два других служат для переключения золотників цилиндров (K1и К2). відведення резцов і счетчика циклов, а четвертый (К4) действует на путевой выключатель, дающий команду на рабочую і ускоренную частоту обертання електродвигуна 27.

Вращение заготовки. От вала III через зубчасті конические передачи 36-37, 21-22, 23-24 рух передається на гітару деления і через сменные колеса al-bl , cl-dl і делительную червячную передачу 25-26 шпинделю бабки вироби. Шпиндель вращается непрерывно в одну сторону, а люлька, несущая инструмент, совершает возвратно-вращательное рух (качение) на угол, необходимый для обробки впадины зуба.

Привід качения люльки. С вала V вращение передається через зубчасті цилиндрические колеса 19,18 і 16 ведущему колесу 17 реверсивного механізма. Колесо 17 зацепляется попеременно з наружным і внутренним венцами реверсивного колеса 13, заставляя его вращаться то в одну, то в другую сторону. При етом через ведомое зубчатое колесо 43, колеса гітари обкатки а2-B2, с2- d2 вчервячную передачу 11-~10 осуществляется качание люльки.


Схема образования зубьев на станке 5Т23В

Схема образования зубьев на станке 5т23в

На рисунке показана схема образования зубьев на станке 5т23в.


Схема поворота люльки на станке 5Т23В

Схема поворота люльки на станке 5т23в

На рисунке - схема поворота люльки 1, где показано три положения кареток 2 з резцами 3 соответственно положениям а, в, г на рис. 53. Положение а является исходным; положение г - конечным. Следовательно, в процессе обкатки люлька поворачивается от горизонтального положения 00 вверх на угол θ1 і вниз на угол θ2.


Кінематична схема люльки зубострогального верстата-напівавтомату 5т23в

Кінематична схема люльки зубострогального верстата-напівавтомату 5т23в

Прямозубые мелкомодульные конические колеса обрабатывают на зубострогальных напівавтоматух 5Т23В, 5236П, 5М236В і зубофрезерных напівавтоматух 5С237.

Указанные напівавтоматы имеют единую конструктивную базу з рассмотренным выше зуборезным напівавтоматом 5С23П. Их кинематические схеми в основном соответствуют изображенной на рис. 5.4. Главное отличие напівавтоматов заключается в конструкції люльки, а также бабки вироби, у которой отсутствует механізм для вертикального (гипоидного) смещения шпинделя вироби.

Зубострогальные напівавтоматы. В зубострогальных напівавтоматух применяют люльки двух принципиально различных конструкций.

В напівавтоматух 5236П используют люльку типовой конструкций.

Полуавтоматы 5Т23В і 5М236В имеют люльку оригинальной конструкції, отличающуюся от типовой тем, что резцы при нарезании совершают не возвратно-поступательное, а качательное рух і всегда работают в одной впадине зуба. Кроме того, при обратном вспомогательном ходе люльки отводится не стол, а резцедержатели з зубострогальными резцами.

Другие механізмы і пристроя зубострогальных напівавтоматов аналогичны рассмотренным выше для напівавтомату 5С23П.





Особливості конструкції зубострогального напівавтомату 5Т23В

В зубострогальных напівавтоматух применяют люльки двух принципиально различных конструкций.

Зубострогальный напівавтомат 5Т23В отличается от напівавтомату 5С23П головним образом конструкцией люльки.

Полуавтоматы 5Т23В і 5М236В имеют люльку оригинальной конструкції, отличающуюся от типовой тем, что резцы при нарезании совершают не возвратно-поступательное, а качательное рух і всегда работают в одной впадине зуба. Кроме того, при обратном вспомогательном ходе люльки отводится не стол, а резцедержатели з зубострогальными резцами.

Другие механізмы і пристроя зубострогальных напівавтоматов аналогичны рассмотренным выше для напівавтомату 5С23П.

Схема люльки зубострогального напівавтомату 5Т23В показана на рисунке. Она состоит из корпуса Л, верхнего і нижнего супортів СВ, СН, приводу зубострогальных резцов і механізмов, обеспечивающих отвод резцов при их вспомогательном ходе і обратном, вспомогательном ходе люльки.

Рух на зубострогальные резцы передається от асинхронного електродвигуна М через клиноременную передачу Ø80:Ø208, зубчасті передачи 33:67, 31:69, сменные шестерни скорости різання А:Б, центральное зубчатое колесо z = 95, зубчасті колеса z = 25, z = 25, кривошипные диски Д з кривошипным пальцем КП і шатуны Ш. От шатунов получают качательное рух вокруг оси О, расположенной на рычагах Р, резцедержатели РДВ, РДН (на рис. 5.6 показан привід одного резцедержателя РДН). Рівняння баланса етой кінематичної ланцюги:


1400 (Ø80 / Ø208) (33/67) (31/69) iv (95/25) = nv


iv = А/Б = nv / 452,8


где nv - требуемая частота руху резцедержателей, двойной ход/мин.

Во время вспомогательного ходу резцедержатель вместе з резцом отводится от обрабатываемой поверхности. Это осуществляется за счет того, что торцовый кулачок К, вращающийся вместе з кривошипным диском Д, і взаимодействующий з кулачком толкатель Т, поворачивают рычаг Р вокруг оси С1, смещая ось О качания резцедержателя і тем самым отводя різець от обрабатываемой поверхности. Кулачок К является сменным, его выбирают в зависимости от модуля нарезаемого зубчатого колеса.

После окончания профилирования очередной впадины зуба по команде распределительного вала осуществляется отвод резцедержателей в позицию деления, а затем выполняется обратный вспомогательный ход люльки. Отвод в позицию деления производится гідроцилиндром Ц который через толкатель Т поворачивает рычаги Р вокруг оси O1, отводя резцедержатели з резцами от заготовки на расстояние, необходимое для вспомогательного ходу люльки.

Ход резцов устанавливают за счет изменения положения кривошипного пальца КП (радиус) на кривошипном диске Д рукояткой P1.

Зону роботи резцов устанавливают в зависимости от среднего конусного расстояния обрабатываемого зубчатого колеса смещением корпусов KB, КН, рычагов Р рукоятками Р2, РЗ і соответствующим изменением длины шатунов Ш. Установка резцов на угол конусности боковой, поверхности зуба выполняется за счет поворота верхнего і нижнего супортів СВ, СН.

Остальные механізмы напівавтоматов аналогичны соответствующим механізмам напівавтомату 5С23П.





5Т23В схема зубострогального напівавтомату

5Т23В Схема роботи резцов при нарезании прямого конического зуба верстата

Схема роботи резцов при нарезании прямого конического зуба


5Т23В Розташування складових частин зубострогального напівавтомату 5Т23В

Кинематическая структура зубострогального верстата 5т23в


Кинематическая структура верстата нарізання прямозубого конического колеса по методу обкатки состоит из двух формообразующих групп:

  1. Первая группа обеспечивает рух качения В1 і В2 заготовки 1 по плоскому колесу
  2. Вторая группа - образование формы зуба по длине (В1)

Если резцу 2, размещенному на люльке 3 Верстата, сообщить прямолинейное возвратно-поступательное рух (от кривошипа 4) по образующей конус заготовки, то на нарезаемом коническом колесе получится прямой зуб.


5Т23В Настановне креслення зубострогального напівавтомату

Настановне креслення зубострогального напівавтомату 5т23в

Настановне креслення зубострогального напівавтомату 5т23в




5Т23В Верстат зубострогальный напівавтомат. Відеоролик.



Технічні характеристики зубострогального верстата 5Т23В

Наименование параметра 5т23в 5236п
Основні параметри верстата
Класс точності верстата по ГОСТ 8-82 і ГОСТ 659-78 В П
Наибольший окружной модуль нарезаемого колеса, мм 0,5..1,5 0,5..2,5
Внешнее конусное расстояние (длина образующей делительного конуса) обрабатываемых зубчатых колес, мм 5..63 7..63
Наибольший диаметр нарезаемых колес при передаточном отношении пары 10:1, мм 125 125
Наибольший диаметр нарезаемых колес при передаточном отношении пары 2:1, мм 110 110
Наибольший диаметр нарезаемых колес при передаточном отношении пары 1:1, мм 90 90
Наибольшая длина зуба нарезаемого колеса (Наибольшая ширина зубчатого венца), мм 12 20
Наибольшая высота нарезаемого зуба, мм 5,5
Наибольшее число нарезаемых зубьев 12..200 12..200
Рекомендуемое число нарезаемых зубьев 12..100 12..100
Наибольший угол установки супортів, град 2°30`
Расстояние от торца шпинделя бабки вироби до центра напівавтомату, мм 30..140 30..140
Угол делительного конуса нарезаемых зубчатых колес (установочный угол бабки вироби), град 5°..90° 5°..90°
Люлька
Наибольший угол качания люльки от центрального положения вверх і вниз, град 35° 35°
Поворот люльки при наладке, град 360° 360°
Цена деления окружной шкалы поворота люльки при наладке, град
Суппорты
Наибольший угол установки супортів, град
Поворот суппорта на одно деление шкалы линейки/ нониуса, мин 30`/ 2`
Наибольший ход резца при любом угле установки супортів, мм 20 28
Необходимый выход резца из вироби з тонкого кінця зуба, мм 3
Необходимый выход резца из вироби з толстого кінця зуба, мм 5
Тип зубострогальных резцов по ГОСТ 9392-75 Тип 1, исп 2
Число двойных ходов резца в минуту, мин-1 210, 260, 320, 410, 520, 660 160, 200, 250, 315, 400, 500, 630, 800
Скорость обкатки - время робочого ходу при нарезании одного зуба (бесступенчатое регулювання), с/зуб 5..53 4,5..68,5
Бабка вироби
Кінець шпинделя бабки вироби по ГОСТ 17547-72 Морзе 4 Морзе 4
Цилиндрическое отверстие шпинделя бабки вироби, мм Ø20 х 200 Ø20 х 200
Цена деления шкалы линейки/ нониуса установки расстояния от торца шпинделя до центра верстата, мм 1,0..0,02
Стол
Ход стола, мм 45
Наибольшее смещение стола от центрального положения, мм ±5
Счетчик циклов есть есть
Автоматическая остановка верстата есть есть
Привід і електрообладнання верстата
Количество електродвигателей, установленных на станке 3 3
Електродвигун головного привода, кВт 1,1 1,1
Електродвигун приводу подач, кВт 1,5 1,5
Електродвигун приводу гідронасоса, кВт 1,5 1,5
Суммарная мощность електродвигателей, кВт 4,1 4,1
Габаритные розміри і масса верстата
Габаритные розміри верстата (длина х ширина х высота), мм 1620 х 1050 х 1415 1410 х 1050 х 1415
Масса верстата з електрообладнанням і охолодженням, кг 3185 3250

    Список литературы для налаштування верстата

  1. Верстат для нарізання спиральнозубых конических колес моделі 528с. Руководство к верстату, ЭНИМС, МЗКРС 1956 год.
  2. Инструкция по расчету наладочных установок зуборезных верстатів моделі 525 і 528 для нарізання конических колес со спиральными зубьями, ЭНИМС, МЗКРС.
  3. Руковдство по расчету геометрических размеров гипоидных зубчатых колес і наладок для их нарізання на верстатах моделей 528с, 528с, 5а27с1, Саратовский завод тяжелых зуборезных верстатів, 1967 год.
  4. Руковдство по расчету наладок верстатів 528с, 525 і 5а27с4п для нарізання конических колес методом обкатки, Саратовский завод тяжелых зуборезных верстатів, 1969 год.
  5. Список литературы по зубообработке

  6. Ачеркан Н.С. Металлорежущие верстати, Том 1, 1965.
  7. Гальперин Е.И. Наладка зуборезных верстатів, 1960.
  8. Козлов Д.Н. Зуборезные роботи, 1971.
  9. Кучер А.М., Киватицкий М.М., Покровский А.А., Металлорежущие верстати (Альбом общих видов, кинематических схем і вузлів), 1972.
  10. Лоскутов В.В., Ничков А.Г. Зубообрабатывающие верстати, 1978.
  11. Малахов Я.А. Зубообрабатывающие і резьбофрезерные верстати і их наладка, 1972.
  12. Мильштейн М.З. Нарезание зубчатых колес, 1972.
  13. Овумян Г.Г., Адам А.И. Справочник зубореза, 1983.
  14. Птицин Г.А., Кокичев В.Н. Зуборезные верстати, 1957.
  15. Шавлюга Н.И. Расчет і примеры наладок зубофрезерных і зубодолбежных верстатів, 1978.
  16. Руководящий материал для конструкторов, проектирующих технологическую оснастку. Основні данные і посадочные места металлорежущих верстатів. НИИМАШ, 1968.








Заказать

Кто владеет информацией - тот владеет миром.

Натан Ротшильд