metalinstryment.com
Довідник по металорізальних верстатів та пресовому обладнанні

5М150, 5М150П, 5М161 Електроустаткування верстата
Електросхема верстата

5М150 Загальний вигляд  зубодолбежного верстата







Відомості про виробника зубодолбежного напівавтомату 5М150

Производитель вертикального зубодолбежного напівавтомату 5М150, 5М150П Клинский станкостроительный завод, КСЗ, основанный в 1897 году.

Зубодолбежный верстат 5М150 заменил в производстве модель 5В150.





Верстати, выпускаемые Клинским станкостроительным заводом, КСЗ


5М150 Верстат вертикальний зубодолбежный універсальний напівавтомат. Назначение і область применения

Універсальный зубодолбежный верстат напівавтомат 5М150 предназначен для нарізання зубьев на цилиндрических шестернях внутреннего і наружного зацепления диаметром до 800 мм і модулем до 12 мм как з открытыми, так і закрытыми венцами (блок-шестерни) в условиях единичного і серийного производства.

Нарезаемое колесо крепится на горизонтальной планшайбе стола верстата при помощи специального приспособления. Для выверки биения заготовки планшайба може вращаться ускоренно от отдельного привода. Стол може перемещаться по горизонтальным направляющим станины; ускоренно от отдельного приводу для ориентировочной установки в исходное положение; замедленно от руки для точной установки в исходное положение і для врізання долбяка в заготовку; механически (радиальная подача) для врізання долбяка в заготовку на заданную глубину.

Зубодолбежный верстат 5М150 работает по замкнутому автоматическому циклу, причем після пуска верстата начинается одновременное рух долбяка, обкат і радиальная подача. По достижении долбяком заданной глубины процесс врізання автоматически прекращается, після чего планшайба стола делает один полный оборот.

Верстат 5М150 може работать как по однопроходному, так і по двухпроходному циклу, причем в зависимости от налаштування верстата во время перехода на второй проход скорость різання і подача могут изменяться автоматически, что значительно повышает производительность верстата, стойкость инструмента і точность нарізання.

На станке можно нарезать косозубые колеса при помощи специально изготовляемого приспособления, которое монтируется на суппорте верстата.

Стол зубодолбежного верстата 5М150 може перемещаться по горизонтальным направляющим станины, осуществляя при етом:

Обработка зубьев производится зуборезным долбяком, закрепленным на шпинделе і совершающим возвратно-поступательное движение, одновременно обкатываясь з нарезаемым колесом, как пара колес, находящихся в зацеплении.

Полуавтомат работает по следующему циклу:

При установці на суппорте специальных винтовых направляючих, изготовляемых по техническому заданию заказчика, напівавтомат може обрабатывать косозубые колеса. По согласованию з заказчиком напівавтомат може комплектоваться пристрійм для закрепления детали подъемником для установки крупных деталей.

Класс точності напівавтомату — Н по ГОСТ 8—77. Шероховатость обработанной поверхности три чистовом проходе Ra 1,6 мкм.

Категория качества — высшая.

При надлежащем уходе і регулировке верстат обеспечивает нарезание зубчатых колес по ГОСТ 1643—72 не ниже 7-й степени точності.





Габарити робочого простору зубодолбежного напівавтомату 5М150

5М150 Габарити робочого простору зубодолбежного напівавтомату

Габаритные розміри робочого простору верстата 5м150


Посадочные і присоединительные базы. Креслення кінця шпинделя зубодолбежного напівавтомату 5М150

5М150 Посадочные і присоединительные базы. Креслення кінця шпинделя зубодолбежного напівавтомату 5М150

Посадочные і присоединительные базы верстата 5м150


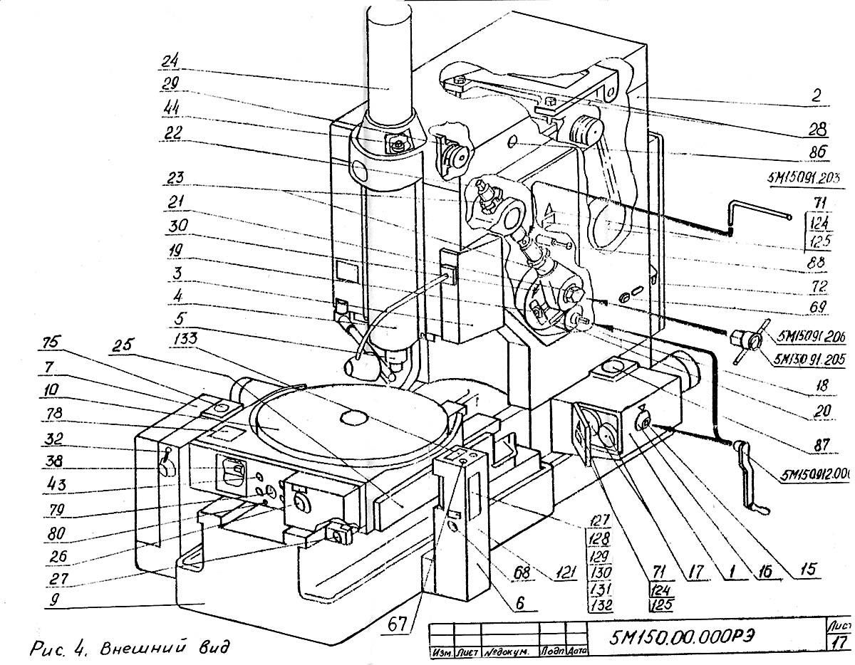
Загальний вигляд і общее пристрій верстата 5М150

5М150 напівавтомат зубодолбежный. Загальний вигляд

Фото зубодолбежного верстата 5м150


5М150 напівавтомат зубодолбежный. Загальний вигляд

Фото зубодолбежного верстата 5м150


5М150 напівавтомат зубодолбежный. Загальний вигляд

Фото зубодолбежного верстата 5м150


Кинематическая структура зубодолбежного верстата 5м150

Кинематическая структура зубодолбежного верстата 5В150

Кинематическая структура зубодолбежного верстата 5м150


Механізми напівавтомату осуществляют наступні формообразующие руху:


Розташування основних вузлів зубодолбежного верстата 5м150

Розташування основних вузлів зубодолбежного верстата 5м150

Розташування основних вузлів зубодолбежного верстата 5м150

Розташування основних вузлів зубодолбежного верстата 5м150. Дивитись у збільшеному масштабі



Розташування основних вузлів зубодолбежного верстата 5м150

Розташування основних вузлів зубодолбежного верстата 5м150

Розташування основних вузлів зубодолбежного верстата 5м150. Дивитись у збільшеному масштабі



Специфікація складових частин зубофрезерного напівавтомату 53А20





Електроустаткування зубодолбежного верстата 5М150, 5М150П, 5М161. 1981 год


Система живлення зубодолбежного верстата 5М150

Питание ланцюгів електроустаткування осуществляется следующими напряжениями:

Питание верстата осуществляется от сети трехфазного переменного тока напряжением 380 В, частотой 50 Гц.

Установленная мощность електродвигателей 27,7 кВт.

Подвод питающего напряжения осуществляется медным проводом сечением 4 мм². Ввод питающих проводов производится через фланцевый угольник з резьбой трубы З/4", расположенный на правой стенке електрошафи. Вводные провода заводятся на вводной клеммник КЛ1, расположенный на правой боковой стенке електрошафи. После етого питающие провода заводятся на вводный автоматический выключатель В1 типа АК63-ЗМ.

Таблиця 6


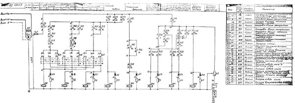
Схеми електрические

Електрична схема зубодолбежного верстата 5м150

Електрична схема зубодолбежного верстата 5м150

Електрична схема зубодолбежного верстата 5м150. Дивитись у збільшеному масштабі



Електрична схема зубодолбежного верстата 5м150

Електрична схема зубодолбежного верстата 5м150

Електрична схема зубодолбежного верстата 5м150. Дивитись у збільшеному масштабі



Електрична схема зубодолбежного верстата 5м150

Електрична схема зубодолбежного верстата 5м150

Електрична схема зубодолбежного верстата 5м150. Дивитись у збільшеному масштабі



Електрична схема зубодолбежного верстата 5м150

Електрична схема зубодолбежного верстата 5м150

Електрична схема зубодолбежного верстата 5м150. Дивитись у збільшеному масштабі



Електрична схема зубодолбежного верстата 5м150

Електрична схема зубодолбежного верстата 5м150

Електрична схема зубодолбежного верстата 5м150. Дивитись у збільшеному масштабі



Краткая характеристика електроустаткування

На станке установлено семь трехфазных короткозамкнутых асинхронных електродвигателей, краткая характеристика которых приведена в таблице 6.


Відомості о системе живлення електроустаткування і указания по используемым в електрооборудовании напряжениям

Питание електроустаткування напівавтомату осуществляется от трехфазной сети переменного тока з частотой 50±1 Гц. или 60±1 Гц і одним из напряжений Uн = 220, 230, 240, 380, 400, 415, 440 В. з допустимым отклонением от 0,85 UH ДО 1,1 UH. Выбор одного из указанных напряжений производит завод-изготовитель в соответствии з заказ-нарядом или договором.

Питание ланцюгів, керування постоянного тока осуществляется от понижающего трансформатора через селеновый выпрямитель. Ланцюги керування переменного тока, освещения і сигнализации питаются от понижающего трансформатора

Электронное обладнання верстата пригодно для роботи на высоте над уровнем моря не более 1000 м.


Первоначальный пуск напівавтомату 5м150

После установки напівавтомату его необходимо заземлить. Болты заземления находятся на станине напівавтомату (рис.5 поз. 70). Провода питающей сети сечением медной жилы 6 кв. мм (10 кв. мм) при Uc = 220, 230, 240 В) присоединить к зажимам А; В; С; N вводного клеммного набора XT14.

ВНИМАНИЕ! АВТОМАТИЧЕСКИЕ ВЫКЛЮЧАТЕЛИ В МЕСТЕ ПОДКЮЧЕНИЯ ПОЛУАВТОМАТА ДОЛЖНЫ ОБЕСПЕЧИВАТЬ ТОК КОРОТКОГО ЗАМЫКАНИЯ НА КОРПУС ИЛИ НУЛЕВОЙ ПРОВОД НЕ МЕНЕЕ 650А,ПЛАВКИЕ ВСТАВКИ - НЕ МЕНЕЕ 100А ПРИ Uc = 220 В И 70А при Uc = 380 В. Проверку і увімкнення електроустаткування напівавтомату должен осуществлять електрик 4-го разряда і выше.

Провести внешний осмотр електроустаткування з целью выявления і устранения возможных поломок при транспортировке, хранении і монтаже.

Проверить наличие заземления напівавтомату.

Проверить соответствие таблице (черт. 5М150.00.000ЭЗ лист 1) нагревателей тепловых реле і плавких вставок предохранителей.

ЗАПРЕЩАЕТСЯ ПРИ ВКЛЮЧЕННОМ ВВОДНОМ АВТОМАТИЧЕСКОМ ВЫКЛЮЧАТЕЛЕ ПРОИЗВОДИТЬ РЕМОНТНЫЕ РАБОТЫ !!!

Включить вводной автоматический выключатель FA1. При етом на пульті керування загорается сигнальная лампа HL1.

Включить електродвигатель гідравлики кнопкой SB2. Проверить наличие давления в гідросистеме. При отсутствии показания манометра необходимо перефазировать провода питающей сети.


Опис режимов роботи електрической схеми

При изучении етого раздела необходимо пользоваться схемой електрической принципиальной напівавтомату 5М150.00.000.ЭЗ. Схема розположення електроустаткування, органів керування на пульті показаны на рис.6;10. Назначение символів - раздел 5 таблицы 4.

Подключение напівавтомату к електросети осуществляется вводным автоматическим выключателем FA1.

Нажать кнопку SB2. При етом включится контактор КМ1 і електродвигатель гідравлики М5. По достижении необходимого давления срабатывает реле давления SP1 і КА1. Реле КА1 подготавливает к включению ланцюги керування. После етого електросхема готова к работе в любом режиме.

Полуавтомат имеет наступні режими роботи:

Полуавтоматический режим:

Режим налагодження:

Режим роботи, кроме режима "ускоренное перемещение стола", выбирается переключателем SA4.

Полуавтоматический режим

Перед началом роботи в напівавтоматическом режиме произвести налаштування напівавтомату (см. раздел 10).

При необходимости роботи з охолодженням переключатель SA9 установить в положение "__"

Переключатель SA10 установить в одно из трех положений в зависимости от выбранного направления круговой подачі.

Переключатель SA11 установить в одно из двух положений.

Произвести зажим заготовки:

Трехпроходный цикл

Переключатель режима роботи SA4 установить в положение "__".

В зависимости от выбранного числа двойных ходов і скорости круговой подачі на 1; 2; 3 прохода переключатели SA6, SA7, SA8 і SA12, SA13, SA14 установить в соответствующее положение.

Графическая иллюстрация состояния окремих елементів електросхеми приведена на циклограмме (приложения черт. 5М150.00.000Д)

Трехпроходный цикл при нарезании зубчатых колес з наружным зацеплением

Цикл начинается нажатием кнопки SB4. Включается реле цикла КА3, которое включает реле КА22. Реле КА22 включает муфту ускоренного переміщення стола УСЗ і контактор КМ2. Включается дви-гатель радиального переміщення стола М7 і начинается подвод стола. После начала подвода стола освобождается конечный выключатель SQ4, гаснет лампа HL7 і включается реле контроля зоны загрузки КА16.

При нажатии на конечный выключатель SQ10 срабатывает реле КА17 і включает електромагнит золотника YV1.

Толкатели позиции 9; 10; 11 упираются в кулачки 18; 19; 20 (рис.19) отключается реле КА22 і муфта УСЗ.

Включается лампа HL8 - окончание ускоренного подвода стола. Быстрый подвод стола к зоне різання заканчивается.

Включается реле первого прохода КА27, которое включает соответствующие контакторы КМ8, КМ9 или КМ10, КМ11 в зависимости от положения переключатели SA6 і муфты YC8, YC9 или YC10 в зависимости от положения переключателя SA12. Для случая врізання без одновременного обката - ети муфты включатся після окончания врізання при срабатывании реле КТ1.

Контакторы КМ8 (KM9, КМ10, КМ11) включают главный привід Ml і реле контроля увімкнення головного приводу КА4. Включается контактор КМ12, двигатель М3 подачі СОЖ і одна из муфт направления круговой подачі YС6 или YС7. Включается реле КА26 і муфта радиальной подачі YC5.

Начинается первое врезание, которое продолжается до соскакивания толкателя 11 з кулака 18 (рис.19).

После соскока етого толкателя обесточивается реле КА18. Реле КА18 подготавливает ланцюг увімкнення реле КА28 і отключает реле КА26, которое в свою очередь выключает муфту радиальной подачі YC5 і контактор КМ2 увімкнення двигуна радиальных перемещений.

Выключение контактора КМ2 приводит к одновременному срабатыванию муфт ускоренных перемещений стола YC3, YC4, а также муфты радиальной подачі YC5 при отключенном двигателе радиальных перемещений стола М7 обесточивает торможение і фиксирование стола в направлении радиальных перемещений.

Обесточенное реле КА26 своим нормально замкнутым контактом включает електромагнит YA1, одну из муфт круговой подачі YC8, YC9, YC10, если она еще не была включена в случае врізання без обката. Начинается отсчет оборота стола.

Электромагнит YA1 нажимает на конечный выключатель SQ11, который отключает реле КА?. Через 50..120 сек. електромагнит YA1 отключается, но конечный выключатель остается нажатым, так как паз в диске 2; 3 (рис.?) во время обката поворачивается і толкатель упирается в диск. Обкат продолжается до тех пор пока етот толкатель не соскочит з диска в паз. После етого освобождается конечный выключатель SQ11 і включает реле КА5. Реле КА5 подключает конденсатор С6 к реле КА24. Реле КА24 включается током разряда конденсатора С6 на 0,5 сек. На ето время отключается реле КА27 і отключается главный привод. Импульсное увімкнення реле КА24 обеспечивает переключение режимов різання при переходе з одного прохода на другой. После отключения реле КА24 включается реле второго прохода КА28. Второй проход аналогичен первому з той лишь разницей, что второе врезание продолжается до момента соскока толкателя второго врізання 10 з кулака 19 (рис.19).

После окончание второго обката также срабатывает импульсное реле КА24 і обеспечивает переключение режимов різання для третьего прохода. Третий проход подобен первому і второму.

Врезание на третьем проходе продолжается до момента соскока толкателя 9 з кулака 20 (рис.19). По окончании третьего обката і увімкнення импульсного реле КА24, резание заканчивается. После отключения реле КА24 включается і блокируется реле окончания різання КА25 і включает реле КА23, которое в свою очередь включает муфту ускоренного відведення стола в зону загрузки і обесточивает електромагнит переміщення толкателей YV1. Толкатели 9; 10; 11 (рис.19) убираются, срабатывает реле контроля положения толкателей КА13. Включается контактор КМ2, который подключает двигатель радиального переміщення стола М7. Осуществляется быстрый отвод стола, который заканчивается після нажатия конечного выключателя SQ4.

Одновременно з отводом стола після выдержки часу, задаваемой реле КТ2, включается контактор КМ6 или КМ7 і шпиндель выводится в верхнее положение. Направление обертання двигуна Мб, для обеспечения вывода шпинделя по кратчайшему пути, определяется состоянием реле КАЮ, увімкнення которого зависит от положения лепестка бесконтактного выключателя BQ2. В верхнем положении срабатывает реле КА9 і двигатель М6 останавливается. После вывода шпинделя в верхнее положение і відведення стола в зону загрузки снимается блокировка реле цикла КА3. Отключается реле окончания різання КА25. При автоматичною смене направления обката изменяется состояние реле КАИ і таким образом обеспечивается другое направление обката при обработке післядующей детали. На етом цикл заканчивается.

Если по каким-либо причинам цикл был прерван нажатием кнопки SB3, то в схеме предусмотрена возможность его продолжения. Для етого необходимо кратковременно нажать одновременно две кнопки: кнопку восстановления цикла SB5 і кнопку увімкнення режима SB4. В зависимости от состояния конечных выключателей SQ5, SQ6, SQ7, SQ10 цикл продолжится.

Например: Если цикл был прерван во время второго обката, то після нажатия на кнопки SB5, SB4 срабатывает реле цикла КА3, включится реле КА28 - реле второго прохода, которое включит в

Врезание на третьем проходе продолжается до момента соскока толкателя 9 з кулака 20 (рис.19). По окончании третьего обката і увімкнення импульсного реле КА24, резание заканчивается. После отключения реле КА24 включается і блокируется реле окончания різання КА25 і включает реле КА23, которое в свою очередь включает муфту ускоренного відведення стола в зону загрузки і обесточивает електромагнит переміщення толкателей YV1. Толкатели 9; 10; 11 (рис. 19) убираются, срабатывает реле контроля положения толкателей КА13. Включается контактор КМ2, который подключает двигатель радиального переміщення стола М7. Осуществляется быстрый отвод стола, который заканчивается після нажатия конечного выключателя SQ4.

Одновременно з отводом стола після выдержки часу, задаваемой реле КТ2, включается контактор КМ6 или КМ7 і шпиндель выводится в верхнее положение. Направление обертання двигуна М6, для обеспечения вывода шпинделя по кратчайшему пути, определяется состоянием реле КАЮ, увімкнення которого зависит от положения лепестка бесконтактного выключателя ВQ2. В верхнем положении срабатывает реле КА9 і двигатель М6 останавливается. После вывода шпинделя в верхнее положение і відведення стола в зону загрузки снимается блокировка реле цикла КАЗ. Отключается реле окончания різання КА25. При автоматичною смене направления обката изменяется состояние реле КАП і таким образом обеспечивается другое направление обката при обработке післядующей детали. На етом цикл заканчивается.

Если по каким-либо причинам цикл был прерван нажатием кнопки SB3, то в схеме предусмотрена возможность его продолжения. Для етого необходимо кратковременно нажать одновременно две кнопки: кнопку восстановления цикла SB5 і кнопку увімкнення режима SB4. В зависимости от состояния конечных выключателей SQ5, SQ6, SQ7, SQ10 цикл продолжится.

Например: Если цикл был прерван во время второго обката, то після нажатия на кнопки SB5, SB4 срабатывает реле цикла КА3, включится реле КА28 - реле второго прохода, которое включит в зависимости от положения переключателя SA7 і SA13, соответствующую скорость обертання головного привода, - круговой подачі і цикл продолжится.

Трехпроходный цикл при нарезании зубчатых колес з внутренним зацеплением

В целом робота електросхеми в етом режиме не отличается от роботи описанной в п. 7. 2. 4.1.1.1.

Отличие заключается в том, что для обеспечения радиальной подачі в противоположную сторону, по сравнению з подачей, в случае нарізання колес з наружным зацеплением, двигатель радиальной подачі м7 включается контактором КМЗ в противоположную сторону. Меняется очередность срабатывания реле КА22 і КА23, а следовательно, і муфт ускоренных перемещений стола YC3 і YC4.

Так, например, при быстром подводе стола срабатывает теперь реле КА23 і муфта YC4, а при отводе - КА22 і муфта YC3. По окончании різання і срабатывания реле КА25 шпиндель выводится в верхнее положение і только після етого стол ускоренно отводится в зону загрузки.

"ВНИМАНИЕ"

ЕСЛИ ЦИКЛ БЫЛ ПРЕРВАН НАЖАТИЕМ КНОПКИ SB3 И ИМЕЛО МЕСТО БЫСТРОЕ ПЕРЕМЕЩЕНИЕ СТОЛА ИЛИ ЖЕ ВЫВОД ШПИНДЕЛЯ В ВЕРХНЕЕ ПОЛОЖЕНИЕ, ТО ПРОДОЛЖИТЬ ЦИКЛ С ТОГО МЕСТА, ГДЕ ОН БЫЛ ПРЕРВАН НЕЛЬЗЯ, ТАК КАК ОТКЛЮЧАЕТСЯ БЛОКИРОВКА РЕЛЕ ОКОНЧАНИЯ УСКОРЕННОГО ПОДВОДА СТОЛА КА17 И ПРИ ОДНОВРЕМЕННОМ НАЖАТИИ НА КНОПКИ SB5 і SB4 ЦИКЛ НАЧНЕТСЯ С УСКОРЕННОГО ПОДВОДА СТОЛА К ЗОНЕ РЕЗАНИЯ В ЭТОМ СЛУЧАЕ ЦИКЛ РЕКОМЕНДУЕТСЯ НАЧАТЬ С ВЫВОДА ШПИНДЕЛЯ В ВЕРХНЕЕ ПОЛОЖЕНИЕ, УСТАНОВКОЙ СТОЛА В ЗОНУ ЗАГРУЗКИ И УСТАНОВКОЙ СЧЕТЧИКА ОБОРОТА СТОЛА В НУЛЕВОЕ ПОЛОЖЕНИЕ. 7. 2. 4.1. 2. Двухпроходный цикл. Переключатель SA4 установить в положение Установить в соответствующее положение переключатели SA6, SA7, SA12 і SA13 в зависимости от выбранного числа двойных ходов і круговой подачі на 1 і 2 проходах. Глубина радиального врізання первого прохода определяется моментом переключения конечного выключателя SQ6, а второго прохода SQ7. Состояние конечного выключателя SQ5, переключателей SA8 і SA14 на работу схеми не влияет. В остальном робота схеми аналогична работе, описанной в п. п. 7. 2. 4.1.1. 1. і 7. 2. 4.1.1. 2.

Однопроходный цикл

Переключатель SA4, установить в положение "__"

Установить в соответствующее положение переключатели SA6 і SA12 в зависимости от выбранного числа двойных ходов і круговой подачі. Состояние конечных выключателей SQ5, SQ6, положение переключателей SA7, SA8, SA13 і SA14 на работу схеми не влияет.

Глубина врізання определяется моментом соскока толкателя 9 з кулака 20 (рис.19) і переключением конечного выключателя SQ7. При етом отключается реле КА20.1, КА20.2, радиальная подача прекращается, начинается обкат. В остальном робота схеми аналогична работе описанной в п. п. 7. 2. 4.1.1. , 7. 2. 4.1.1. 2.

Режим налагодження

Ускоренное перемещение стола к стойке осуществляется нажатием толчковой кнопки SB6, а от стойки нажатием кнопки SB7 і ограничивается конечным выключателем SQ3, SQ2. Такое перемещение возможно при любом положении переключателя SA4 і пока не включен цикл или не включена радиальная подача, если переключатель

SA4 стоит в положении "__"

Увімкнення головного привод

Переключатель режима роботи SA4 установит в положение "__". Нажать кнопку SB4. Включится і заблокируется реле КА2. Реле КА2 включит реле третьего прохода КА29, которое включит соответствующую скорость обертання головного двигуна і круговой подачі, зависящие от положения переключателей третьего прохода SA8 і SA14. Шпиндель начнет возвратно-поступательное движение. Одновременно будет происходить обкат, который можно выключить, поставив переключатель SA14 в положение - "0".

При включенном главном приводе имеется возможность выключить радиальную подачу, нажатием кнопки SB9 і отключить её,нажав кнопку SB8. Отключить главный привід можно нажатием кнопки SB3. При етом выключится обкат і радиальная подача. СОЖ включается установкой переключателя SA9 в положение "__" При етом включается контактор КМ12 і двигатель МЗ.

Нерабочее рух шпинделя

Переключатель режима роботи SA4 установить в положение "__".

Нажать кнопку SB4. При етом включится і заблокируется контактор КМ6 і двигатель М6.

Шпиндель будет совершать нерабочее возвратно-поступательное движение, которое можно остановить, нажав кнопку SB3.

Вращение шпинделя

Переключатель режима роботи SA4 установить в положение "__".

Рукоятку 47 (рис.5) поставить в нейтральное положение при етом отключится реле КА8. Нажать кнопку SB4. Сработает і заблокируется контактор КМ5 і включится двигатель обертання шпинделя М2. Двигатель отключается нажатием кнопки SB3.

Вывод шпинделя в верхнее положение

Переключатель режима роботи SA4 установить в положение "__".

Нажать кнопку SB4. При етом включится контактор КМ6 или КМ7 і двигатель будет вращаться в одну или другую сторону. Выбор направления обертання двигуна определяется состоянием реле контроля направления руху шпинделя КАЮ.

Если флажок введен в бесконтактный путевой выключатель BQ2, включается реле КА10 і ето свидетельствует о том, что шпиндель двигался вверх. Включается контактор КМ6 і двигатель Мб вращается в одну сторону. При выключенном реле КА10 включится контактор КМ7 і двигатель Мб будет вращаться в противоположную сторону. Это сделано для того, чтобы выводить шпиндель в верхнее положение по кратчайшему пути. В верхнем положении шпинделя включается реле контроля верхнего положения КА9 і двигатель Мб отключается.

Вращение стола

Переключатель режима роботи SA4 установить в положение "__".

Рукояткой 32 (рис.4) разъединить кинематическую ланцюг передачи руху от головного приводу для обката стола. Нажать кнопку SB4. При етом включится і заблокируется контактор КМ4. Включится двигатель М4 і стол начнет вращаться. Нажатием кнопки SB3 отключается контактор КМ4 і вращение стола прекращается.

Блокировка, система сигнализации і защита

Блокировки

В напівавтоматі предусмотрены наступні блокировки.

Система сигнализации і освещения

Система сигнализации і освещения см. табл. 8

Таблиця 8

Захист

Верстат заземляется от общего (цехового) контура заземления путем присоединения шины к заземляющим болтам.




5в150 Верстат зубодолбежный вертикальний напівавтомат. Відеоролик.





Технічні характеристики зубодолбежного верстата 5М150

Наименование параметра 5В150 5М150 5М161
Основні параметри верстата
Наибольший модуль нарезаемого колеса, мм 1..12 1..12 1..12
Наибольший диаметр нарезаемых цилиндрических прямозубых колес 800 800 1250
Наибольший диаметр нарезаемого зубчатого венца наружного зацепления, мм 800 800 1000
Наибольшая ширина нарезаемого венца (длина нарезки), мм 160 160
Диаметр делительного колеса суппорта, мм 360
Наибольшее расстояние от оси долбяка (шпинделя) до оси стола, мм 0..700 0..700 50..700
Расстояние от зеркала стола (планшайби) до торца шпинделя, мм 155..355 140..340
Расстояние от пола до планшайби, мм 870 870
Шпиндель долбяка
Наибольший ход долбяка (шпинделя), мм 200 200 200
Наибольший диаметр устанавливаемого долбяка, мм 200 200 200
Пределы чисел двойных ходов долбяка в минуту 33..188 33..188 33..212
Скорость швидкого обертання долбяка, об/мин 3 3 3 Диаметр оправки под долбяк, мм 44,443 44,443 44,443 Кінець шпинделя для крепления инструмента Морзе 5 Морзе 5 Морзе 5 Рабочий стол (план-шайба) Диаметр робочого стола (планшайби), мм 800 800 1000 Диаметр отверстия в столе, мм 120 120 120 Диаметр делительного колеса, мм 872 Пределы круговых подач стола на один двойной ход долбяка (при диаметре долбяка 100 мм), мм 0,2..1,5 0,2..1,5 0,2..1,5 Пределы радиальных подач стола на один двойной ход долбяка, мм 1..5,4 2,07..5,4 0,5..5,0 Скорость швидкого обертання стола, об/мин 1,7 1,7 1,7 Скорость швидкого переміщення стола, мм/мин 137 137 205 Привід і електрообладнання верстата Количество електродвигателей на станке Електродвигун головного приводу - поступательное рух долбяка, кВт (об/мин) 7,5 7,5 5/ 6,3/ 10 (735/ 980/ 1450) Електродвигун швидкого обертання долбяка, кВт (об/мин) 0,8 0,8 0,75 (1390) Електродвигун обертання стола (план-шайбы), кВт (об/мин) 1,1 1,1 1,1 (920) Електродвигун радиальной подачі стола, кВт (об/мин) 2,2 2,2 2,2 (1425) Електродвигун відведення шпинделя в верхнее положение, кВт (об/мин) 1,1 (1425) Електродвигун насоса змазки, кВт (об/мин) 0,25 Електродвигун насоса гідропривода, кВт (об/мин) 0,2 (1430) Електродвигун насоса охлаждения, кВт< (об/мин)/td> 0,12 0,12 0,12 Суммарная мощность електродвигателей, кВт Габаритные розміри і масса верстата Габаритные розміри верстата (длина х ширина х высота), мм 3100 x 1800 x 3500 4200 х 1800 х 3300 3260 х 1850 х 3300 Масса верстата з електрообладнанням і охолодженням, кг 10200 10800 10650

    Список литературы

  1. Полуавтоматы зубодолбежные 5М150, 5М150П, 5М161. Руководство по експлуатации 5М150.00.000 РЭ, 1981

  2. Аврутин Р.Д. Справочник по гідроприводам металлорежущих верстатів,1965
  3. Гинсбург Е.Г. Производство зубчатых колес, 1978
  4. Калашников А.С. Технология изготовления зубчатых колес, 2004
  5. Копылов Р.Б. Работа на строгальных і долбежных верстатах, 1975
  6. Мильштейн М.З. Нарезание зубчатых колес, 1972.
  7. Овумян Г.Г., Адам А.И. Справочник зубореза, 1983.
  8. Петруха П.Г. Резание конструкционных материалов, режущие инструменты і верстати, 1974
  9. Сильвестров Б.Н., Захаров И.Д. Конструкція і наладка зуборезных і резьбофрезерных верстатів, 1979.
  10. Шавлюга Н.И. Расчет і примеры наладок зубофрезерных і зубодолбежных верстатів, 1978.
  11. Яковцев А.Д. Работа на строгальных і долбёжных верстатах, 1966









Заказать

Кто владеет информацией - тот владеет миром.

Натан Ротшильд