metalinstryment.com
Довідник по металорізальних верстатів та пресовому обладнанні

5К301П Верстат зубофрезерный вертикальний для цилиндрических колес
схеми, опис, характеристики

5К301П Загальний вигляд  зубофрезерного верстата







Відомості про виробника вертикального зубофрезерного верстата 5К301П

Производитель вертикального зубофрезерного верстата 5К301П Вильнюсский станкостроительный завод им. 40-летия Октября.

Завод специализировался на выпуске зубообрабатывающего оборудования для обробки зубьев цилиндрических зубчатых колес і шлицев в условиях как единичного, так і массового производства. Завод выпускал, также, серию малогабаритных прецизионных токарных верстатів з ЧПУ 1700ВФ30, 1700СФ30, 17М00ВФ30.





Продукция вильнюсского станкостроительного завода им. 40-летия Октября


5К301П Верстат вертикальний зубофрезерный для цилиндрических колес універсальний. Назначение і область применения

Полуавтомат 5К301П предназначен для обробки цилиндрических прямозубых і косозубых колес і червячных колес из сталей, цветных металлов і легких сплавов в условиях серийного і мелкосерийного производства.

Обработка ведется методом непрерывной обкатки червячной фрезы і обрабатываемой заготовки.

На напівавтоматі 5К301П предусмотрена возможность для чистовой і получистовой обробки зубчатых колес под післядующее шевингование на повышенных режимах обробки.

При чистовых режимах обеспечивается 6-я степень точності обробки шестерен по ГОСТ 1643—72.

На станке 5К301П возможна обработка зубчатых колес з осевой, радиальной, тангенциальной і диагональной подачами.

Конструкція зубофрезерного верстата 5К301П

Для увеличения стойкости инструмента возможен цикл обробки зубчатых колес з автоматичною мелкошаговой передвижкой инструмента во время съема детали.

Вращение инструмента і заготовки кинематически связано.

Стол з заготовкой перемещается по вертикальным направляющим, осевая подача заготовки осуществляется винтом. Фрезерная стойка перемещается по горизонтальным направляющим. Ускоренный подвод фрезерной стойки к заготовке і отвод осуществляются гідроцилиндром. Для радиального врізання используется клиновое пристрій з приводом от гідроцилиндра; скорость радиального врізання устанавливается дросселем. Фрезерная стойка зажимается на направляючих станины посредством гідроцилиндра, робота которого включена в цикл роботи верстата.

Фрезерный супорт перемещается вдоль оси инструмента по V-образным направляющим от ходового гвинта, что обеспечивает точность переміщення і жесткость вузла. При работе без протяжки инструмента фрезерный супорт зажимается на направляючих станины посредством двух гідроцилиндров, робота которых включена в цикл роботи верстата.

Ділильна пара верстата выполнена з передаточным отношением 1:60; диаметр червячного колеса в 1,5 раза больше наибольшего обрабатываемого диаметра заготовки; делительный червяк выполнен з переменной толщиной витка.

В целях минимального износа червячного колеса делительной пары і сохранения точності верстата скорость обертання шпинделя вироби не должна превышать 45 об/мин.

Кинематическая связь станина — стол і станина — фрезерна стойка осуществляется посредством широковенцовых колес, что облегчает сопряжение вузлів і уменьшает возможные ошибки.

Особенностью кинематики верстата 5К301П является наличие двух ланцюгів диференціала:

  1. деление — осевое перемещение стола;
  2. деление — осевое перемещение инструмента.

Для уменьшения вспомогательного часу на станке предусмотрены: коробка подач і крепление заготовки гідроцилиндром.

Полуавтомат работает по напівавтоматическому циклу, а при оснащении загрузочно-разгрузочным пристрійм може работать по автоматическому циклу, може быть встроен в автоматическую линию.

Отличительной особенностью кинематики верстата является наличие двух ланцюгів диференціала, что значительно расширяет его технологические возможности.

Коробка подач позволяет быстро менять величину рабочей подачі, а также осуществлять быстрые переміщення рабочих органів.

Радиальная подача фрезы производится гідроцилиндром. Величина радиальной подачі плавно изменяется при помощи дросселя. За счет швидкого гідравлічного радиального подвода фрезы сокращается вспомогательное время.

Закрепление вироби производится гідроцилиндром, керування которым осуществляется з наладочного или робочого пультов керування.

Верстат работает по замкнутому циклу з быстрым автоматическим возвратом і остановом рабочих органів в исходном положении, что позволяет одному рабочему обслуживать несколько верстатів.

Полуавтомат выгодно отличается от многих зубофрезерных верстатів тем, что на нем можно работать не только з вертикальной, но і з радиальной, тангенциальной или диагональной подачами.

Возможен цикл обробки зубчатых колес з автоматическим малым переміщенням фрезы во время съема детали.

На станке предусмотрены специальные гідравлические пристроя, автоматически закрепляющие супорт і фрезерную стойку в момент прекращения подачі или периодического осьового переміщення фрезы, что повышает жесткость верстата.

Точность напівавтомату П по ГОСТ 8—71, точность обрабатываемых деталей — 6-й степени.

Чистота поверхности зубьев після фрезерування — V6— V7.

При обработке промежуточного валика з модулем 1,75 мм, числом зубьев 15 і углом наклона зуба 11°28'40// верстат обеспечивает наступні точность і чистоту:

Габарити робочого простору зубофрезерного верстата 5К301П

5К301П Верстат зубофрезерный. Габарити робочого простору

Габарити робочого простору зубофрезерного верстата 5к301п

Габарити робочого простору зубофрезерного верстата 5К301П. Дивитись у збільшеному масштабі


Загальний вигляд і общее пристрій зубофрезерного верстата 5К301П

5К301П зубофрезерный. Загальний вигляд

Фото зубофрезерного верстата 5к301п


5К301П зубофрезерный. Загальний вигляд

Фото зубофрезерного верстата 5к301п


5К301П Розташування органів керування зубофрезерным 5К301П

Розташування органів керування зубофрезерным верстатом 5к301п

Розташування органів керування зубофрезерным верстатом 5К301П. Дивитись у збільшеному масштабі


Список органів керування зубофрезерным 5К301П

  1. Регулятор давления гідросистемы (под крышкой)
  2. Упоры ограничения ходу стола 3- Гітари Z і Y диференціала
  3. Винт крепления фрезерного суппорта к фрезерной стойке
  4. Манометр гідравлики (давление в цилиндрах пиноли і зажиму вироби)
  5. Лимб установки межцентрового расстояния
  6. Кнопка "Пуск цикла"
  7. Кнопка "Стоп цикла"
  8. Переключатель "Отжим вироби" - "Зажим вироби" 10 - Гітара X деления
  9. Рукоятки налаштування подач
  10. Рукоятка увімкнення осевой подачі
  11. Рукоятка реверса руху стола ("Вниз" - попутная подача, "Вверх" - встречная подача)
  12. Рукоятка увімкнення тангенциальной подачі
  13. Кнопка "Стоп цикла"
  14. Кнопка "Загальний стоп"
  15. Кнопка "Стоп" двигуна головного привода
  16. Кнопка "Стоп" подачі стола і фрезерного суппорта
  17. Кнопка "Толчок" для кратковременного увімкнення двигуна гідравлики
  18. Кнопка "Пуск" двигуна подачі і гідравлики
  19. Кнопка "Толчок" для кратковременного увімкнення ускоренного ходу стола і фрезерного суппорта
  20. Кнопка "Пуск" подачі стола і фрезерного суппорта
  21. Переключатель "Отвод" - "Подвод" фрезерной стойки
  22. Сигнальная лампа "Напряжение включено"
  23. Кнопка "Пуск" двигуна головного привода
  24. Сигнальная лампа "Гідравлика включена"
  25. Сигнальная лампа "Цикл включен"
  26. Переключатель "Червячные колеса" - "Прямозубые і косозубые колеса"
  27. Выключатель охлаждения
  28. Переключатель "Отжим вироби" - "Зажим вироби"
  29. Переключатель "Наладка" - "Цикл"
  30. Кнопка "Пуск цикла"
  31. Гідравлический дроссель установки скорости радиального врізання
  32. Манометры гідравлики і змазки
  33. Лимб установки величины радиального врізання
  34. Линейка шкалы установки межцентрового расстояния
  35. Квадратный конец вала поворота фрезерного суппорта
  36. Шкала углового положения фрезерного суппорта
  37. Линейка установки инструмента в осевом направлении
  38. Упоры ограничения ходу фрезерного суппорта
  39. Место для отверстия заливки масла в гідросистему (за дверкой)
  40. Сменные шкивы налаштування скорости головного руху
  41. Вводный выключатель
  42. Выключатель местного освещения (На кронштейне местного освещения)
  43. Гітара Т тангенциальной подачі




Схема кінематична зубофрезерного верстата 5К301П

Схема кінематична зубофрезерного верстата 5К301П

Кінематична схема зубофрезерного верстата 5к301п

Схема кінематична зубофрезерного верстата 5К301П. Дивитись у збільшеному масштабі



Основні руху в станке

Стол з заготовкой перемещается по вертикальным направляющим, осевая подача заготовки осуществляется винтом.

Фрезерная стойка перемещается по горизонтальным направляющим. Ускоренный подвод фрезерной стойки к заготовке і отвод осуществляются гідроцилиндром.

Для осуществления радиального врізання используется клиновое пристрій з приводом от гідроцилиндра; скорость радиального врізання устанавливается дросселем.

Фрезерная стойка зажимается на направляючих станины посредством гідроцилиндра, робота которого включена в цикл роботи верстата.

Фрезерный супорт перемещается вдоль оси инструмента по V- образным направляющим от ходового гвинта, что обеспечивает точность переміщення і жесткость вузла. При работе без протяжки инструмента фрезерный супорт зажимается на направляючих станины посредством двух гідроцилиндров, робота которых включена в цикл роботи верстата.

Ділильна пара верстата выполнена з передаточным отношением 1 : 60; диаметр червячного колеса в 1,5 раза больше наибольшего обрабатываемого диаметра заготовки; делительный червяк выполнен з переменной толщиной витка.

В целях минимального износа червячного колеса делительной пары і сохранения точності гонка скорость обертання шпинделя вироби не должна превышать 45 об/мин.

Кинематическая связь станина - стол і станина - фрезерна стойка осуществляется посредством широковенцовых цилиндрических колес, что облегчает сопряжение вузлів і уменьшает возможные ошибки.

Особенностью кинематики верстата является наличие двух ланцюгів диференціала:

Опис кінематичної схеми зубофрезерного верстата 5К301П

Ланцюг головного руху

Рух от електродвигуна 2Д (см.рис.15) через двухступенчатую клиноременную передачу 47, 45 і 44,41 передається на центральный вал II і через зубчасті колеса 76, 77, 78, 79 - шпиндель инструмента.

Ланцюг деления

Ланцюг деления осуществляет связь между шпинделями инструмента і вироби: от центрального вала И через зубчасті колеса 42, 43, 46, зубчасті колеса диференціала 50, 51, 52, зубчасті колёса 56, 57, 59, 60, 61, 62, сменные зубчасті колеса гітари X деления, делительную червячную пару 67, 66 рух передається на шпиндель вироби.

Налаштування ланцюги деления производится сменными зубчатыми колесами.

Ланцюг диференціала

При обработке косозубых колес происходит дополнительный поворот шпинделя вироби.

Кинематическая связь осуществляется: винтом 64 подачі, зубчатыми колесами 65, 63, червячной парой 68, 58, гітарою Y диференціала, зубчатыми колесами 55, 54, 53, червячной зарой 47, 48, губчатыми колесами диференціала 50, 51, 52, зубчатыми колесами 56, 57, 59, 60, 61, 62, гітарою X деления, делительной червячной парой 67, 66.

Налаштування ланцюги диференціала производится сменными губчатыми колесами.

При работе з протяжкой инструмента ланцюг диференціала осуществляет дополнительный поворот шпинделя вироби при обработке прямозубых колес з диагональной подачей і червячных колес з тангенциальной подачей.

Кинематическая связь осуществляется: винтом 73, зубчатыми колесами 71, 72, 69, 70, 81, 80, 84, 85, 39, 40, гітарою Z диференціала, зубчатыми колесами 54, 53, червячной юрой 49, 48, губчатыми колесами диференціала 50, 51, 52, зубчатыми колесами 56, 57, 59, 60, 61, 62, гітарою X деления, делительной червячной парой 67, 66.

Ланцюг периодической передвижки

Рух периодической передвижки инструмента вдоль оси осуществляется: гідроцилиндром, перемещающий рейку 38, которая поворачивает зубчатое колесо 37, при етом вал XXVI однооборотной муфтой поворачивает зубчасті колеса 36, 34, гітару Т, губчатые колеса 85, 84, червячную пару 80, 81, зубчасті колеса 70, 69, 72, 71, винт 73, перемещающий супорт вдоль оси инструмента.

Для изменения направления передвижки гітару Т настраивают при помощи вала ХХVIII.

Основні вузли верстата


Короткий опис роботи верстата

Для роботи верстата предусмотрены режими:

  1. наладочный;
  2. напівавтоматический.

Наладочный режим

Керування верстатом при наладке производится соответствующими рукоятками і кнопками керування) сосредоточенными на левой стороне верстата. Работа верстата при наладке происходит Вез определенной післядовательности.

Для роботи верстата в наладочном режиме необходимо:

  1. включить вводный выключатель 43 (рис.2);
  2. включить кнопку 20 "Пуск" двигуна подач і гідравлики;
  3. установить переключатель 31 в позицию "Наладка".

После етого на станке осуществляются наступні операции:

Зажим і отжим вироби

Керування зажимом і отжимом вироби производится з пульта верстата переключателем 30 (рис.2); одновременно перемещается верхний центр пиноли.

Вращение инструмента

Для увімкнення і остановки обертання инструмента на пульті керування имеются кнопки 25 "Пуск" (рис.2) і 17 "Стоп".

Изменение скорости вращении инструмента производится посредством гітари скорости при помощи двухступенчатой клиноременной передачи (см.раздел "Механіка головного руху").

Подвод инструмента к изделию і отвод его

Подвод фрезерной стойки з инструментом к изделию производится в следующей післядовательности:

  1. ускоренный подвод до жесткого упора;
  2. ускоренный подвод з післядующим радиальным врезанием до жесткого упора;
  3. Перемещение фрезерной стойки осуществляется переключателем 23 (рис.2) з пульта керування на две позиции "Подвод" і "Отвод".

Для осуществления ускоренного подвода фрезерной стойки к детали необходимо лимб 35 установить на деление "0". При таком положении лимба в позиции переключателя 23 "Подвод" фрезерна стойка ускоренно перемещается до жесткого упора, після чего происходит зажим фрезерной стойки на направляючих станины.

Для осуществления ускоренного подвода фрезерной стойки к детали з післядующим радиальных врезанием необходимо установить глубину врізання по лимбу 35, установить на шкале дросселя 33 величину подачі і поворотом переключателя 23 в позицию "Подвод" дать команду на перемещение фрезерной стойки з инструментом. При етом фрезерна стойка ускоренно перемещается к изделию до упора гвинта переміщення фрезерной стойки в клиновую ползушку 6 (рис.16), після чего фрезерна стойка начинает перемещаться до жесткого упора со скоростью, уставовленной дросселем 33 (рис.2). По окончании радиального врізання включается гідравлический зажим фрезерной стойки на направляючих станины.

Для відведення фрезерной стойки переключатель 23 устанавливается в позицию "Отвод". При етом фрезерна стойка ускоренно перемещается до упора в исходное положение.

Перемещение фрезерной стойки для установки на межцентровое расстояние между инструментом і заготовкой производится лимбом 6 і отсчитывается по линейке 36.

Перемещение стола і осевая подача

Для переміщення стола на пульті керування (рис.2) имеются кнопки:

Кинематика верстата допускает ускоренное перемещение стола в направлении обратном рабочей подаче. После увімкнення рабочей подачі стола ускоренное перемещение стола включается только після нажатия упором 2 (рис.2) на конечный выключатель, ограничивающий ход стола. В случае необходимости можно прервать рабочую подачу стола переключением рычага выключателей 4ПВ і 5ПВ (рис.32) вручную и, пользуясь кнопкой "Пуск" ускоренного переміщення стола, вернуть стол в исходное положение.

Перемещение фрезерного суппорта

Для керування переміщенням фрезерного суппорта вдоль оси фрезы используются те же кнопки на пульті керування, что і для переміщення стола. Органы керування находятся в следующих положениях:

При движении фрезерного суппорта справа-налево он нажимает на выключатель 7ПВ (рис. 2). при движении фрезерного суппорта слева-направо он нажимает на выключатель 6ПВ.

Изменение направления переміщення фрезерного суппорта производится рукояткой 13 или налаштуванням гітари Т.

Перемещение суппорта производится до нажатия самим суппортом на путевые выключатели 6ПВ или 7ПВ. Для останова суппорта в нужном положении следует нажать на кнопку 18 "Стоп" (рис. 2). (рис.2).

Предельный ход фрезерного суппорта ограничивается выключателем 8ПВ (рис.25).. Внимание! Рукоятку 14 (рис.2) следует включать только в переднем положении фрезерной стойки (см.таблицу установленную на станке).

Полуавтоматический режим

Для роботи верстата в напівавтоматическом режиме необходимо:

  1. включить вводный выключатель 43 (рис.2);
  2. включить кнопку 20 - "Пуск" двигатели подач і гідравлики;
  3. установить переключатель 31 в позицию "Цикл".

Исходное положение вузлів следующее:

Верстат работает по одному из следующих напівавтоматических циклов:

Нарезка прямозубых цилиндрических колес

Прямые зубья нарезаются циклами:

При нарезании прямых зубьев циклом осевой подачі различаются два варіанта:

  1. попутный
  2. встречный

Положение органів керування при нарезании прямых зубьев з попутной осевой подачей:

При нахождении вузлів в исходном положении, після нажатия на кнопку 32 -"Пуск цикла" танок работает в следующей післядовательности: стол ускоренно перемещается вверх до упора на путевой переключатель; перемещение стола прекращается, подается команда на подвод фрезерной стойки і увімкнення головного привода. Фрезерная стойка ускоренно перемещается до жест-то упора (переднее положение) і включает перемещение стола вниз со скоростью рабочей подачі. Одновременно з включением переміщення стола вниз происходит зажим фрезерного суппорта і фрезерной стойки на их направляючих і включается насос охлаждения. При перемещении стола вниз происходит нарезание зубьев.

По окончании різання упор стола нажимает на путевой переключатель, отжимаются фрезерна стойка і фрезерный суппорт, ускоренно отводится в исходное положение фрезерна стойка.

Цикл закончен. Поворотом переключателей 9 или 30 деталь отжимается.

При нарезании прямых зубьев со встречной осевой подачей положение органів керування такое, как і при нарезании прямых зубьев з попутной осевой подачей, кроме положения рукоятки 3, которая находится в положении "Подача вверх".

При нахождении вузлів в исходном положении після нажима на кнопку 32 - "Пуск цикла" верстат работает в следующей післядовательности: включается двигатель головного приводу і наос охлаждения, фрезерна стойка ускоренно перемещается вперед до жесткого упора; зажимается фрезерна стойка на направляючих, включается перемещение стола вверх со скоростью рабочей подачі; в верхнем положении стол нажимает на путевой выключатель, рух стола прекращается; ускоренно отводится фрезерна стойка до крайнего заднего положения, где она наезжает на путевой выключатель, і включается ускореннее опускание стола, остановка двигуна головного приводу і насоса охлаждения; стол в нижнем положении нажимает на путевой переключатель, определяется исходное положение стола - цикл різання закончен.

При нарезании прямых зубьев циклом радиального врізання і осевой подачі рукоятка 13 останавливается в зависимости от направления подачі (попутная, встречная), лимбом 35 устанавливается глубина радиального врізання, дросселем 10 (рис.2) устанавливается скорость радиальной подачі. Положение остальных органів керування такое же, как і в предыдущем цикле осевой подачі).

Работа верстата в цикле радиального врізання і осевой (попутной или встречной) подачі происходит как і по предыдущему циклу осевое подачі, кроме подвода фрезерной стойки.

Подвод фрезерной стойки происходит в следующей післядовательности: стойка з инструментом быстро перемещается к изделию до упора гвинта установки межцентрового расстояния в кли-

При нарезании прямых зубьев циклом периодической передвижки инструмента передвижка инструмента происходит во время съема детали только при работе по циклам осевой подачі радиального врізання і осевой подачі, т.е. когда выключена протяжка инструмента. Периодическая подача инструмента происходит вдоль оси після окончания цикла осевой подачі или радиального врізання і осевой подачі, если настроена гітара Т. Величина осьового переміщення фрезы устанавливается выключателем 6ПВ (рис.25), выключатель 7ПВ должен быть т. Фрезерный супорт совершает установленную величину переміщення, нажимает на микропереключатель 6ПВ - рух фрезерного суппорта прекращается.

Чтобы поставить фрезерный супорт в исходное положение, надо переключатель 31 (рис.2) пульті керування перевести в позицию "Наладка" рукоятку 14 перевести в позицию Тангециальная подача" і отвести фрезерный супорт в исходное положение до нажатия на выключатель 7ПВ (рис.25).

Нарезание прямых зубьев циклом диагональной подачі

Нарезание прямых зубьев циклом радиального врізання і диагональной подачі

Нарезание прямых зубьев циклом периодической передвижки инструмента

Нарезка косозубых цилиндрических колес

Для нарезки косых зубьев цилиндрического колеса настраивается гітара Y -диференціала.

Последовательность роботи всех механізмов і налагодження такая же, как і при обработке прямозубых цилиндрических колес.

Нарезка червячных колес




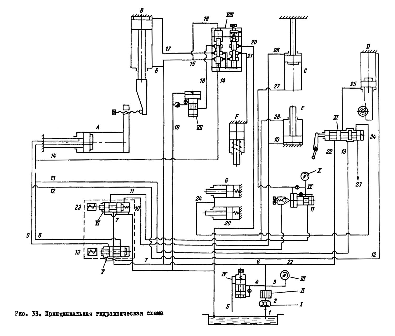
Схема гідравлічна зубофрезерного верстата 5К301П

Схема гідравлічна зубофрезерного верстата 5К301П

Гідравлічна схема зубофрезерного верстата 5к301п

Схема гідравлічна зубофрезерного верстата 5К301П. Дивитись у збільшеному масштабі



Схема електрична зубофрезерного верстата 5К301П

Схема електрична зубофрезерного верстата 5К301П

Електрична схема зубофрезерного верстата 5к301п

Схема електрична зубофрезерного верстата 5К301П. Дивитись у збільшеному масштабі



Размещение електроустаткування на станке 5к301п

Размещение електроустаткування на станке 5к301п

Размещение електроустаткування на станке 5к301п. Дивитись у збільшеному масштабі



Технічні характеристики зубофрезерного верстата 5К301П

Технічні характеристики зубофрезерного верстата 5К301П

Технічні характеристики зубофрезерного верстата 5к301п

Технічні характеристики зубофрезерного верстата 5К301П. Дивитись у збільшеному масштабі




    Список литературы

  1. Колев Н.С. Металлорежущие верстати.
  2. Гальперин Е.И. Наладка зуборезных верстатів, 1960.
  3. Козлов Д.Н. Зуборезные роботи, 1971.
  4. Лоскутов В.В., Ничков А.Г. Зубообрабатывающие верстати, 1978.
  5. Малахов Я.А. Зубообрабатывающие і резьбофрезерные верстати і их наладка, 1972.
  6. Мильштейн М.З. Нарезание зубчатых колес, 1972.
  7. Овумян Г.Г., Адам А.И. Справочник зубореза, 1983.
  8. Писманик К. М., Шейко Л. И., Денисов В. М. Верстати для обробки конических зубчатых колес, 1993
  9. Птицин Г.А., Кокичев В.Н. Зуборезные верстати, 1957.
  10. Сильвестров Б.Н., Захаров И.Д. Конструкція і наладка зуборезных і резьбофрезерных верстатів, 1979.
  11. Шавлюга Н.И. Расчет і примеры наладок зубофрезерных і зубодолбежных верстатів, 1978.
  12. Список литературы для налаштування верстата

  13. Верстат для нарізання спиральнозубых конических колес моделі 528с. Руководство к верстату, ЭНИМС, МЗКРС 1956 год.
  14. Инструкция по расчету наладочных установок зуборезных верстатів моделі 525 і 528 для нарізання конических колес со спиральными зубьями, ЭНИМС, МЗКРС.
  15. Руковдство по расчету геометрических размеров гипоидных зубчатых колес і наладок для их нарізання на верстатах моделей 528с, 528с, 5а27с1, Саратовский завод тяжелых зуборезных верстатів, 1967 год.
  16. Руковдство по расчету наладок верстатів 528с, 525 і 5а27с4п для нарізання конических колес методом обкатки, Саратовский завод тяжелых зуборезных верстатів, 1969 год.








Заказать

Кто владеет информацией - тот владеет миром.

Натан Ротшильд