metalinstryment.com
Довідник по металорізальних верстатів та пресовому обладнанні

5993 Верстат резьбонарезной напівавтомат
опис, характеристики, схеми

5993 общий вигляд резьбонарезного верстата







Відомості про виробника резьбонарезного верстата 5993

Производителем резьбонарезного верстата 5993 - Читинский станкостроительный завод, основанный в 1957 году.

Завод производил следующее обладнання:





Верстати, выпускаемые Читинским станкостроительным заводом


5993 Верстат резьбонарезной напівавтомат. Загальні відомості

Резьбонарезной верстат напівавтомат 5993 (5991, 5992) предназначен для нарізання наружной цилиндрической різьби вращающимися резьбонарезными головками на обработанных (головками типов КА ГОСТ 21760—76 і головками типа Т) і необработанных (головками типа Т) заготовках стержней, труб, болтов і т. п.

Конструкція резьбонарезного напівавтомату 5993 (5991, 5992) напівавтомату напоминает токарний верстат упрощеной конструкції без задньої бабки і кареткой вместо суппорта.

Верстат состоит из следующих вузлів:

Принцип роботи резьбонарезного напівавтомату 5993 (5991, 5992):

Область применения — преимущественно предприятия машиностроения, транспорта, строительства.

Класс точності напівавтомату Н. Точность нарезаемой різьби 8g по ГОСТ 16093—70. Шероховатость обработанной поверхности не ниже Rz=20 мкм по ГОСТ 2789—73. Полуавтомат заменяет модель 5Д07. По производительности, точності, долговечности, надежности, удобству обслуживания, безопасности роботи он превосходит напівавтомат моделі 5Д07.

Отличительными особенностями напівавтомату являются:

Полуавтомат в серийном виконанні не предназначен для встраивания в автоматическую линию. Загрузочное пристрій отсутствует. Для сбора стружки предусмотрен ящик, расположенный в полости станины. Загрузка ящика стружкой производится через проем в станине, расположенный под резьбонарезной головкой.


Вказівки по заточке і установці резьбонарезных гребенок

Заточку і промер гребенок для головок винторезных самооткрывающихся типорозмірів 2651-0021 (1КА-25); 2651-0022 (2КА-30); 2651-0024 (ЗКА-40); 2651-0026 (4КА-70) і 2651-0028 (5КА-70) по ГОСТ 21760—76 производить в соответствии з инструкцией по експлуатации етих головок, прилагаемой к верстату.

Заточку плоских гребенок для резьбонарезных головок 1T, 2T, 3Т можно производить по ГОСТ 2287—61 по двум формам: форме I і форме II в приспособлении для заточки, рис. 13 (узел 5993.98.000), поставляемом за отдельную плату. При етом форма 1 заточки рекомендуемая.

Геометрия заточки показана на рис. 28. Рекомендуемые углы заточки в зависимости от обрабатываемого материала приведены в таблице на рисунке. Установка вылета гребенок, режими різання і применяемая смазочно-охлаждающая жидкость приведены в руководстве по експлуатации резьбонарезных головок 1T, 2T і 3Т.


Резьба метрическая і дюймовая

В мире существует огромное количество резьб, но самыми распространенными стали метрическая і дюймовая.

Дюймовая намного старше метрической. Ее разработали в Великобритании, в кінці XVIII века во времена промышленной революции.

Метрическую разработали во Франции, историческом конкуренте Великобритании. Она была намного проще і удобнее, так как за основу были взяты целые числа, в отличии от дюймовой.

В России в машиностроении применяется метрическая, а дюймовую нарезают на трубах, переходниках і штуцерах для водо- і газоснабжения.

Метрическая резьба выигрывает большей вариативностью. Помимо номинала (диаметра), указывается еще і шаг. Шаг різьби – расстояние между двумя одноименными точками профиля.

Профилем різьби называется правильный (равносторонний) треугольник, в таком треугольнике все углы имеют значение 60 градусов. Высота профиля равно 0,86 шага різьби.



5993 Габаритные розміри робочого простору резьбонарезного верстата

Габаритные розміри робочого простору 5993

Габаритные розміри робочого простору верстата 5993


Габаритные розміри робочого простору 5993

Габаритные розміри робочого простору верстата 5993


5993 Загальний вигляд резьбонарезного верстата

Загальний вигляд резьбонарезного верстата 5993

Фото резьбонарезного верстата 5993


Розташування складових частин резьбонарезного верстата 5993

Розташування складових частин резьбонарезного станк 5993

Розташування основних вузлів резьбонарезного верстата 5993

Розташування складових частин резьбонарезного верстата 5993. Дивитись у збільшеному масштабі



5993 Розташування органів керування резьбонарезным верстатом

Розташування органів керування резьбонарезным верстатом 5993

Розташування органів керування резьбонарезным верстатом 5993

Розташування органів керування резьбонарезным верстатом 5993. Дивитись у збільшеному масштабі



Розташування органів налагодження резьбонарезным верстатом 5993

Розташування органів налагодження резьбонарезного верстата 5993





5993 Кінематична схема резьбонарезного верстата

Кінематична схема резьбонарезного станк 5993

Кінематична схема резьбонарезного верстата 5993

Кінематична схема резьбонарезного верстата 5993. Дивитись у збільшеному масштабі



Пристрій і робота резьбонарезного верстата

Розташування складових частин верстата указано на рис. 1, органів керування і табличек з символами — на рис. 2. Кінематична схема приведена на рис. 3.

Станина (рис. 4). Станина 1 Верстата, на которой смонтированы основні вузли напівавтомату, представляет собой жесткую отливку коробчатой формы з рядом отсеков і привертными стальными закаленными направляющими качения 3 і 4.

Слева на верхней плоскости установлена коробка швидкостей, получающая вращение от приводу головного руху, електродвигатель которого размещен в левом отсеке станины. На направляючих станины смонтирована каретка, несущая механізм зажиму з приводом і механізмом налаштування приводу зажима.

В проеме станины между направляющими установлен гідроцилиндр подачі, шток которого соединен з кронштейном, жестко закрепленным на каретке. Сзади справа к станине прикреплен електрошкаф.

В средней частини станины выполнена ниша з прямоугольным проемом, через который стружка і охлаждающая жидкость попадают в выдвижной ящик 2 сбора стружки. Охлаждающая жидкость через дырчатое дно ящика стекает в полость станины, служащую резервуаром. Насос 6, прикрепленный изнутри к правой стенке станины, подает охлаждающую жидкость в зону різання по шлангу через патрубок. Расход охлаждающей жидкости регулируется краном 5.

Привід головного руху (рис. 5). Електродвигун 1 приводу расположен на вертикальной подмоторной плите 3, которая з помощью гвинта 2 перемещается для натяжения клиноременной передачи 4. Подмоторная плита размещена на левом торце станины і в рабочем положении притягивается к станине. Клиноременная передача і подмоторная плита закрыты прикрепленным к коробке швидкостей кожухом заднего ограждения.


5993 Коробка швидкостей резьбонарезного верстата

Коробка швидкостей резьбонарезного верстата 5993

Коробка швидкостей резьбонарезного верстата 5993

Коробка швидкостей резьбонарезного верстата 5993. Дивитись у збільшеному масштабі



Коробка швидкостей (рис. 6). Четырехваловая коробка швидкостей, получая вращение от приводу головного руху обеспечивает шесть швидкостей обертання шпинделя 1. Число оборотів шпинделя настраивается двумя рукоятками 2 і 3, вынесенными на переднюю стенку корпуса 4 коробки.

Все валы коробки швидкостей смонтированы на опорах качения. Смазка підшибників і зубчатых передач — принудительная: насос 5. приводимый одним из валов коробки швидкостей, подает масло из внутренней полости коробки, являющейся резервуаром, в трубу-маслораспределитель, откуда оно поступает к точкам змазки.

Передний конец шпинделя обеспечивает установку і крепление резьбонарезной головки. В нише корпуса размещен пульт керування електрообладнанням, панель которого находится на передньої стенке корпуса.


5993 Механізм раскрытия головки резьбонарезного верстата

Механізм раскрытия головки резьбонарезного верстата 5993

Механізм раскрытия головки резьбонарезного верстата 5993

Механізм раскрытия головки резьбонарезного верстата 5993. Дивитись у збільшеному масштабі



Механізм раскрытия головки (рис. 7). Раскрытие і закрытие резьбонарезной головки 18 осуществляется переміщенням шарнирно связанного з прижимным кольцом головки хомута 6, качающегося на оси 19 і соединенного посредством планки 3 і рычага 4 з валом 5. На кінці вала 5 выведенном на переднюю стенку станины, установлен рычаг 2 з рукояткой 1, шарнирно связанный со штангой 15. Штанга, перемещаясь в опоре 9, несет переставляемые упоры 14 і 12 керування циклом, а также регулируемые жесткие упоры 8 і 10 механізма раскрытия і кулачок 7, воздействующий на конечный микровыключатель исходного положения каретки.

Головка може раскрываться і закрываться при перемещении каретки (под воздействием закрепленного к каретке кронштейна 13 на упоры 14, 12) или вручную рукояткой 1. При раскрытии головки жесткий упор 10 через толкатель 11 воздействует на механізм керування, который подает при етом команду на реверс каретки.

Верхний конец хомута 6 при помощи штока 17 може смещаться, обеспечивая осевое смещение кольца переключения резьбонарезной головки і возможность Смены комплекта кулачков без отсоединения головки от хомута механізма раскрытия. Фиксированное положение штока 17 обеспечивается затягиванием гвинта 16 після налаштування хомута 6.

5993 Каретка резьбонарезного верстата

Каретка резьбонарезного верстата 5993

Каретка резьбонарезного верстата 5993

Каретка резьбонарезного верстата 5993. Дивитись у збільшеному масштабі



Каретка резьбонарезного верстата 5993

Каретка резьбонарезного верстата 5993

Каретка резьбонарезного верстата 5993. Дивитись у збільшеному масштабі



Каретка (рис. 8, 9). Корпус каретки 18 смонтирован на направляючих станины і несет на себе механізмы зажиму і налаштування приводу зажима. Каретка перемещается по призматическим направляющим 20. Натяг в направляючих регулируется винтом 4 через набор призм і роликов, расположенных в пазу 19. Обрабатываемое изделие зажимается губками 13 і 14, которые установлены в ползунах 12 і 15. Ползуны получают рух от приводу механізма зажиму через винт 11, имеющий правую і левую резьбу, і через гайки 10 і 16.





5993 Механізм керування резьбонарезным верстатом

Механізм керування резьбонарезного верстата 5993

Механізм керування резьбонарезным верстатом 5993

Механізм керування резьбонарезного верстата 5993. Дивитись у збільшеному масштабі



Механізм керування (рис. 10). Механізм предназначен для керування циклом напівавтомату і работой зажимного пристроя.

В корпусе 12 і на полке 2 смонтированы два микровыключателя 3 і 4, на ролики которых воздействуют скосы барабана 7 і ступицы 11, установленных на валике 1, вращающемся на опорах качения. Для фиксирования положения ступицы 11 в ней установлены подпружиненные фрикционы. Пружина 13 стремится повернуть барабан 7 по часовий стрелке.

Рукоятка 14 механізма имеет три положения:

  1. положение Г — каретка в исходном (правом) положении, губки механізма зажиму разведены;
  2. положение В — губки механізма зажиму сведены (изделие зажато), каретка в исходном положении, либо перемещается от резьбонарезной головки;
  3. положение Д — губки механізма зажиму сведены, каретка перемещается к резьбонарезной головке.

Рукоятка из одного положения в другое переводится вручную, команда на отвод каретки (т.е. перевод рукоятки из положения Д в положение В) подается автоматически — при воздействии толкателя механізма раскрытия на рычаг 10

Для раскрытия механізма зажиму рукоятка 14 механізма переводится из положения В в положение Г, при етом скос ступицы 11 нажимает на ролик микровыключателя 4 і подается команда «на разжим». В положении Г ступица удерживаемая з фрикционом 6. Для зажиму заготовки рукояткой 14 переводится из положения Г в положение В.

При перемещении рукоятки 14 из положения В в положение Д (команда «цикл») барабан 7 поворачивается против часовий стрелки, і собачка 9 через рычаг 10 пружиной 8 запирает барабан. Скос барабана нажимает на ролик микровыключателя 3. осуществляя рабочую подачу каретки.

При раскрытии резьбонарезной головки (ходом каретки верстата или вручную рукояткой механізма раскрытия) толкатель механізма раскрытия «а» выводит собачку 9 из зацепления з барабаном 7, который под воздействием пружины 13 поворачивается по часовий стрелке до упора. При етом микровыключатель 3 освобождается і подает команду на отвод каретки.

Для исключения непроизвольного перевода рукоятки 14 в положение Д (команда «цикл») раскрытом механізме зажиму имеется механическая блокировка упором 5.

Механізм переднего упора (рис. 11). Механізм обеспечивает одинаковую осевую установку обрабатываемых изделий данной партии.

Штанга 2 з винтовой лыской установлена в корпусе каретки і в кронштейне 5, прикрепленном на станине верстата. На переднем кінці штанги 2 находится упор 1 осевой установки вироби, заднем — кулачок 7, воздействующий на микровыключатель 8 перехода з ускоренной подачі на рабочую.

Втулка 3 закреплена на штанге 2 винтом 4 і соединена з кареткой роликом 9, размещена в кольцевой канавке втулки.

При подходе переднего упора к резьбонарезной головке ролик 6 на винтовой лыске штанги 2 поворачивает штангу з упором 1 і втулкой 3. В кінці отворота штанга фиксируется в кронштейне 5 пружинным фиксатором, ролик 9 через продольный паз выходит из кольцевой канавки втулки 3, а кулачок 7 воздействует на микровыключатель 8, включая рабочую подачу. При дальнейшем рабочем перемещении каретки штанга 2 остается нерухомою, а при отводе каретки після попадании ролика 9 в паз втулки 3 штанга проворачивается і возвращается в исходное положение.

Величина, вылета обрабатываемых изделий относительно механізма зажиму настраивается постановкой втулки 3 на штанге 2.

Ограждение переднее (рис. 12). Ограждение закрывает вращающуюся резьбонарезную головку і предотвращает разбрасывание стружки і разбрызгивание охлаждающей жидкости. Оно состоит из верхнего кожуха 1 на петлях для удобства доступа к резьбонарезной головке, нижнего 6 і подвижного 5 кожухов. Выдвижной кожух крепится к нижнему прихватами 7 і гвинтами 8.

На стержне 2, прикрепленном К корпусу коробки швидкостей, монтируется патрубок 4 подвода охлаждающей жидкости. Положение сопла регулируется переміщенням колодки патрубка по стержню 2 з післядующей фиксацией її винтом 3 клеммового зажима.

Приспособление для заточки плоских гребенок (рис. 13). Приспособление поставляется при оснащении верстата головкой з плоскими гребенками (пристрій рекомендуется устанавливать на заточные верстати).

Оно состоит из кронштейна 1, который прикреплен к установленной на плите 2 стойке 3 і може поворачиваться для налагодження вокруг двух взаимно перпендикулярных осей, і пристроя для установки і закрепления плоских резьбонарезных гребенок, которое состоит из нерухомою 4 і подвижной 5 губок і зажимного гвинта 6 з осевой пружиной, отводящей подвижную губку при разжиме. Пристрій для закрепления гребенок крепится к кронштейну i также з возможностью поворота для налагодження.

Подвижная губка 5 пристроя може переустанавливаться для закрепления гребенок различного сечения.

Заточка гребенок для левой різьби производится в приспособлении, отличающемся конфигурацией нерухомою губки.





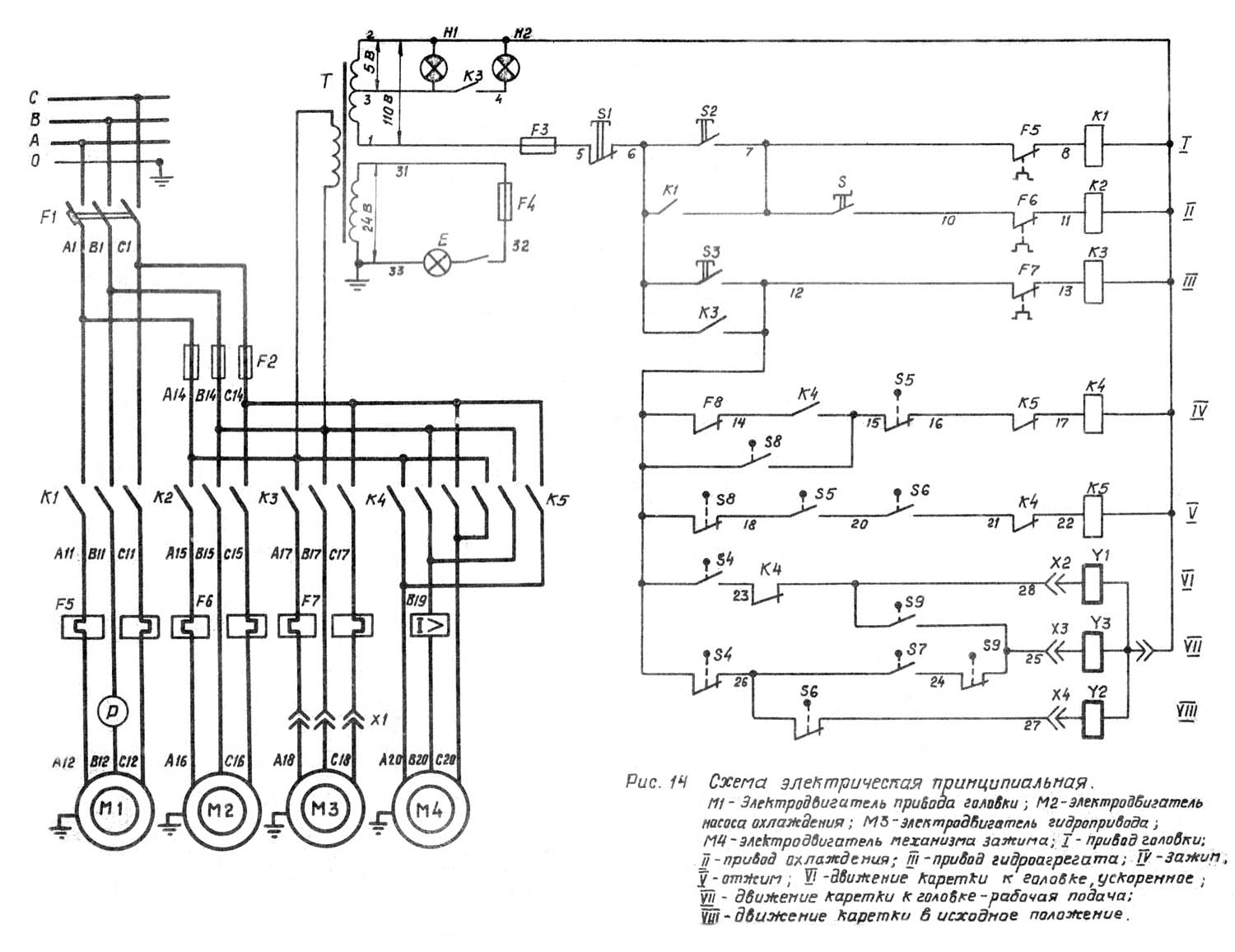
5993 Схема електрична принципова резьбонарезного верстата

Схема електрична резьбонарезного верстата 5993

Електрична схема резьбонарезным верстатом 5993

Схема електрична принципова резьбонарезного верстата 5993. Дивитись у збільшеному масштабі



На станке применяются наступні напряжения переменного тока з частотой 50 Гц:

На станке установлены четыре короткозамкнутых асинхронных двигуна (рис. 14, 15, 16) і шесть микровыключателей по циклу.

Список аппаратов см. таблицу 7.

Электрошкаф з аппаратурой керування крепится к задньої частини верстата. Снаружи електрошафи выведены рукоятка вводного автомата, указатель нагрузки і светильник местного освещения. Пульт керування і сигнализации установлен в нише коробки швидкостей.

В командо-аппарате установлены микровыключатели S5 і S4, дающие команды на зажим заготовки і ход каретки влево.

Микровыключатели S6 і S7, установленные в передньої частини на правом торце верстата, дают команды на торможение і остановку каретки при возврате її в исходное положение. На механізме зажиму вироби расположен микровыключатель S8, отключающий двигатель приводу механізма зажиму в исходном положении і шунтирующий работу реле максимального тока при зажиме.'

Сзади на правом торце верстата расположен микровыключатель S9, дающий команду на переход каретки з ускоренного ходу на рабочую подачу. Ввод питающих проводов 'в електрошкаф должен быть выполнен знизу через отверстие под трубу 3/4.

При уходе за електрообладнанням необходимо периодически проверять состояние пусковой апаратури і реле, особое внимание обращая на надежное замыкание і размыкание контактов аппаратов.

Во время експлуатации електродвигателей систематически производить их технические осмотры (периодичность в зависимости от производственных условий, но не реже одного раза в два месяца) і профилактические ремонты. При профилактических ремонтах производить разборку електродвигуна, внутреннюю і наружную чистку і замену змазки підшибників. Смазку підшибників при нормальных условиях роботи заменять через 4000 часов роботи, при работе верстата в пыльной і влажной среде — чаще, по мере необходимости.

Перед набивкой свежей змазки підшипники тщательно промыть бензином і заполнить камеру смазкой на 2/3 її объема. Рекомендуемые змазки для підшибників качения електродвигателей приведены в таблице 1.

Первоначальный пуск. Проверить надежность заземления і качество монтажа електроустаткування внешним осмотром.

На клеммных наборах в шкафу керування отключить провода живлення всех електродвигателей. Включить вводный автомат.

При помощи кнопок і переключателей проверить четкость срабатывания магнитных пускачів.

Опис роботи (рис. 14...17). При включении вводного автомата F1 подается напряжение на силовые ланцюги керування, на пульті загорается сигнальная лампа Н1 «Сеть».

Нажатием кнопки S2 включается магнитный пускатель К1, который становится па самопитание і включает електродвигатель М1 приводу обертання резьбонарезной головки.

Нажатием кнопки S3 включается магнитный пускатель КЗ, который становится на самопитание і включает електродвигатель гідропривода. При етом на пульті керування загорается сигнальная лампа Н2. Насос охлаждения включается переключателем S (7—10).

Відключення електродвигателей производится кнопкой S 1 «Все стоп».

Зажим заготовки осуществляется поворотом рукоятки командо-аппарата «от себя». При етом отжимается микровыключатель S5 і включает магнитный пускатель К4 (12—15—16—17—2), который включает електродвигатель М4 механізма зажима. Максимальное реле F8 при пуске електродвигуна размыкает свой контакт 12—14, но магнитный пускатель К4 не отключится, т. к. контакт F8 зашунтирован замкнутым в исходном положении механізмом зажима, контактом микровыключателя S8 (12—15). Зажимные губки, перемещаясь, отключат S8, но к етому часу процесс пycка закончен, і пускатель К4 остается включенным через контакт реле F8.

В момент зажиму детали реле F8 срабатывает і отключает магнитный пускатель К4.

Отжим заготовки можно производить только при установці каретки в исходное положение. При етом нормально открытые контакты микровыключателя S6 (20—21) замыкаются, і ланцюг подготавливается к дальнейшей операции. Контакты (20—-21) S6 є блокирующими от преждевременного разжима заготовки. Рукоятка командоаппарата устанавливается в положение «на себя». При етом нажимается микровыключатель S5 (12-18-20-21-22-2) і включает магнитный пускатель К5, который включает електродвигатель М4 в направлении разжима. Зажимные губки, раздвигаясь, механізмом налаштування нажимают в исходном положении микровыключатель S8, который отключает магнитный пускатель К5.

Цикл резьбонарізання начинается при повороте рукоятки командо-аппарата в левое положение. При етом нажимается микровыключатель S4. Каретка не начнет своего руху до тех пор, пока не отключится магнитный пускатель К4 приводу механізма зажиму і не замкнет свои нормаль закрытые блок-контакты (28-23) пускатель К4.

Происходит ускоренное рух каретки влево до нажатия на микровыключатель S9. Включается електромагнит Y3. Происходит рабочая подача каретки. По окончании резьбонарезная головка автоматически раскрывается, а рукоятка командо-аппарата возвращается в правое положение. Отжимается микровыключатель S4, который контактом 12-28 отключает електромагниты Y1 Y3, а контактом 12-26 включает електромагнит Y2.

Происходит ускоренный отвод каретки в исходное положение до нажатия на микровыключатель S который включает електромагнит Y3. Скорость відведення каретки снижается. При нажатии на микровыключатель S6 отключаются електромагниты Y2. Цикл обробки окончен.

От перегрузки електродвигатели защищают тепловые реле, силовые ланцюги і ланцюги керування автоматический выключатель і плавкие предохранители. Нулевая защита осуществляется катушками магнитных пускачів.

Вказівки по монтажу і експлуатации (рис. 15, 16).

При установці верстат надежно заземлить і подключить к общей системе заземления з помощью специальных болтов на станине верстата, гідроагрегата і електрошафи.





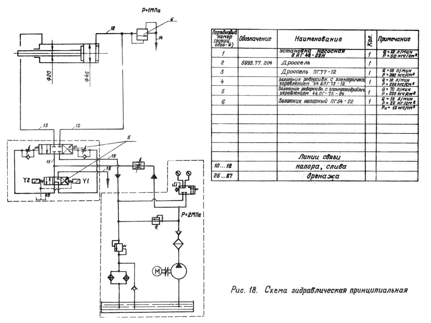
5993 Схема гідравлічна принципова резьбонарезного верстата

Схема гідравлічна резьбонарезного верстата 5993

Гідравлічна схема резьбонарезным верстатом 5993

Схема гідравлічна принципова резьбонарезного верстата 5993. Дивитись у збільшеному масштабі



Гідросистема верстата (рис. 18) обеспечивает быстрый подвод каретки з зажатой деталью к резьбонарезной головке, рабочую подачу, быстрый отвод каретки з изделием, торможение і остановку.

Гідросистема питается от нормализованной покупной станції 8АГ4822Н з насосом производительностью Q = 12 л/мин. На станції установлен блок з аппаратурой керування. Аппараты соединены между собой каналами в блоке согласно принципиальной схеме. Нажатием кнопки «Гідропривід» включается електродвигатель насосной установки.

Верстат управляется командо-аппаратом, рукоятка которого имеет 3 положения: «отжим», «зажим», «цикл». С установкой рукоятки командо-аппарата в положение «цикл» нажимается микро-выключатель S4 (рис. 14), который включает електромагнит Y1. Плунжер гідрораспределителя 5 занимает левое (по схеме) положение. Масло от насоса через фильтр, обратный клапан, по магистрали 10. через дроссель 2, по магистрали 11, через гідрораспределитель 5, по магистрали 12 поступает в поршневую полость цилиндра. Каретка начинает быстрый ход вперед. Слив из штоковой полости идет по магистрали 13, через парораспределитель 5, по магистрали 15, через гідрораспределитель 4, по магистрали 17, через гідроклапан давления, частинично через обратный клапан і воздушный теплообменник в бак.

По ходу руху каретки верстата нажимается микровыключатель S9, который включает електромагнит Y3. Плунжер гідрораспределителя 4 занимает левое (по схеме) положение, і слив из штоковой полости цилиндра направляется по магистрали 16 через гідродроссель 3, настроенный на рабочую подачу. Происходит переход на рабочую подачу, врезание заготовки в резьбонарезную головку і нарезание різьби.

По окончании резьбонарізання головка раскрывается, а рукоятка командо-аппарата становится в правое положение. При етом отжимается микровыключатель S4, который отключает електромагниты Y1 і Y3 і включает електромагнит Y2. Плунжер гідрораспределителя 5 занимает правое (по схеме) положение.

Масло от насоса через гідрораспределитель 5, по магистрали 13 поступает в штоковую полость гідроцилиндра. При етом слив из поршней полости гідроцилиндра идет по магистрали 12, через гідрораспределитель 5, по магистрали 15, через гндрораспределитель 4, по магистрали 17, через описанную выше аппаратуру станції в бак.

По ходу руху каретки назад через механізм раскрытия головки нажимается микровыключатель S7, который включает електромагнит Y3. При етом слив из поршневой полости направляется по магистрали 16 через гідродроссель 3. Происходит торможение каретки з изделием. При дальнейшем перемещении каретки з механізмом раскрытия нажимается микровыключатель S6, електромагниты Y2 і Y3 отключатся, і каретка з изделием остановится.

Дроссель 2 предназначен для ограничения максимальной скорости быстрых, перемещений.

Для налаштування осьового зусилля подачі каретки верстата з целью получения правильного профиля обрабатываемой різьби служит гідроклапан давления 6, который настраивают на давление, в зависимости от режимов обробки і материала обрабатываемых деталей, в среднем Р = 1 МПа.

Вказівки по монтажу і експлуатации. Гідроагрегат устанавливается сзади справа от верстата і соединяется з ним при помощи гибких рукавов.

Гідропривід при експлуатации необходимо содержать в чистоте. Гідробак станції заполнять тщательно профильтрованным маслом марки «Турбинное Т22» ГОСТ 32-74, уровень масла поддерживать по риске маслоуказателя.

Через два месяца після начала експлуатации отработанное масло заменить свежим, в дальнейшем замену производить каждые 4—5 месяцев.

Гідробак при смене масла необходимо промыть чистым керосином і вытереть насухо. Использование для обтирки і очистки «концов» не допускается.

Наружная утечка масла і подсос по соединениям, пробкам пли регулировочным гвинтам не допускается. При нарушении герметичности немедленно проверить затяжку винтов, качество развальцовки труб либо сменить уплотнения в стыках. Периодически проверять состояние фильтров. При замене масла в гідросистеме фильтры тщательно промыть в керосине.




5993 Верстат резьбонарезной напівавтомат. Відеоролик.



Технічні данные і характеристики резьбонарезного верстата 5993

Наименование параметра 5992 5993 5Д07
Основні параметри
Класс точності по ГОСТ 8-82 Н Н Н
Производительность при нарезке коротких резьб, шт/ч 500
Диаметр нарізання різьби метрической, мм 6..27 12..42 10..39
Шаги нарезаемой метрической різьби, мм 1,0..3,0 1,75..4,5
Диаметр нарізання різьби дюймовой, мм ¼..1¼
Шаги нарезаемой трубной (дюймовой) різьби, ниток на дюйм 28..14 19..11
Наибольшая длина нарезаемой різьби, мм 240 280 320
Наибольший і наименьший установочный диаметр вироби, мм 6..36 12..56
Диаметр внутреннего отверстия головки, мм 45
Диаметр сквозного отверстия в шпинделе, мм 41 48 49
Количество швидкостей шпинделя 6 6 6
Пределы частоти обертання шпинделя, об/мин 63, 90, 125, 180, 250, 355 0,75..4,16 63, 90, 125, 180, 250, 355
Привід зажиму детали Электромех Электромех
Привід переміщення каретки Гідравл Гідравл
Длина переміщення каретки, мм 280 400
Скорось робочого переміщення каретки от гідравлічного цилиндра, мм/мин 300..450 300..450
Скорось швидкого переміщення каретки, м/мин 6,0 6,0
Електроустаткування і привід верстата
Количество електродвигателей на станке 4
Електродвигун приводу шпинделя, кВт (об/мин) 1,5 (1400) 3,0 3,0 (1420)
Електродвигун гідропривода, кВт (об/мин) 2,2 (1400) 2,2 (1400) 1,1 (930)
Електродвигун насоса охлаждения, кВт (об/мин) 0,12 (2800) 0,12 (2800) 0,125 (2800)
Електродвигун зажимного пристроя, кВт 0,37 0,8
Общая установленная мощность всех електродвигателей, кВт
род тока питающей сети 50Гц, 380/220 В 50Гц, 380/220 В 50Гц, 380/220 В
Габарити і масса верстата
Габарит верстата, мм 1550 х 985 х 1100 1980 х 1095 х 1125 1500 х 725 х 1140
Масса верстата, кг 980 1550 1150

    Список литературы

  1. Резьбонарезные напівавтоматы 5991, 5992, 5993. Руководство по експлуатации 5993.00.000 РЭ, 1983

  2. Колев Н.С. Металлорежущие верстати.
  3. Гальперин Е.И. Наладка зуборезных верстатів, 1960.
  4. Козлов Д.Н. Зуборезные роботи, 1971.
  5. Лоскутов В.В., Ничков А.Г. Зубообрабатывающие верстати, 1978.
  6. Малахов Я.А. Зубообрабатывающие і резьбофрезерные верстати і их наладка, 1972.
  7. Мильштейн М.З. Нарезание зубчатых колес, 1972.
  8. Овумян Г.Г., Адам А.И. Справочник зубореза, 1983.
  9. Писманик К. М., Шейко Л. И., Денисов В. М. Верстати для обробки конических зубчатых колес, 1993
  10. Птицин Г.А., Кокичев В.Н. Зуборезные верстати, 1957.
  11. Сильвестров Б.Н., Захаров И.Д. Конструкція і наладка зуборезных і резьбофрезерных верстатів, 1979.
  12. Шавлюга Н.И. Расчет і примеры наладок зубофрезерных і зубодолбежных верстатів, 1978.
  13. Список литературы для налаштування верстата

  14. Верстат для нарізання спиральнозубых конических колес моделі 528с. Руководство к верстату, ЭНИМС, МЗКРС 1956 год.
  15. Инструкция по расчету наладочных установок зуборезных верстатів моделі 525 і 528 для нарізання конических колес со спиральными зубьями, ЭНИМС, МЗКРС.
  16. Руковдство по расчету геометрических размеров гипоидных зубчатых колес і наладок для их нарізання на верстатах моделей 528с, 528с, 5а27с1, Саратовский завод тяжелых зуборезных верстатів, 1967 год.
  17. Руковдство по расчету наладок верстатів 528с, 525 і 5а27с4п для нарізання конических колес методом обкатки, Саратовский завод тяжелых зуборезных верстатів, 1969 год.








Тот кто не смотрит вперед оказывается позади.

Г. Уеллс