Виробник внутрішньошліфувального верстата 3К225В, 3К227В, 3К228В, 3К229В - Саратовський верстатобудівний завод ім. 60-річчя СРСР, ССЗ , заснований у 1940 році.
та Воронезький верстатобудівний завод ім. 50-річчя Ленінського Комсомолу, ВСЗ , заснований в 1960 році.
Початок виробництва внутрішньошліфувального верстата 3К227В – 1971 рік.
Внутрішньошліфувальний верстат 3К227В призначений для шліфування циліндричних та конічних (з кутом при вершині до 60°) наскрізних та глухих отворів.
Внутрішньошліфувальний верстат 3К227В має торцешліфувальний пристрій, що дозволяє шліфувати зовнішній торець виробу за один установ з шліфуванням отвору.
Верстат 3К227В призначений для внутрішніх та експортних поставок.
Область застосування верстатів — машинобудівні заводи з дрібносерійним та серійним виробництвом, а також інструментальні та ремонтні цехи цих заводів.
Клас точності верстатів за ГОСТ 8—82Е.
Категорія якості – найвища.
Розробник - Саратовський верстатобудівний завод.
1. Розширено діапазон шліфованих отворів від 5 до 200 мм, а також розширено діапазон регулювання частоти обертання внутрішньошліфувального кола.
2. Діапазон регулювання частоти обертання шпинделя бабки заготовки розширено від 60 до 1200 об/хв.
3. Шліфування отвору ведеться в автоматичному режимі з отриманням розміру отвору за 6-м квалітетом точності із забезпеченням багаторазових правок відповідно до процесу. Автоматичний режим роботи дає можливість здійснити багатоверстатне обслуговування, що підвищує продуктивність на внутрішньошліфувальних операціях у 2 рази порівняно зі верстатом 3К227В.
При роботі на верстатах в автоматичному режимі оператор, встановивши необхідний цикл, здійснює лише кріплення заготовки та зняття готової деталі. Для полегшення налагодження циклу на верстаті є «Режим налагодження», де всі елементи циклу оператор може відпрацювати окремо. Поряд з автоматичним режимом можливе ручне керування верстатом.
4. Механізм поперечних подач шліфувальної бабки верстата 3М227 складається з храпового механізму, системи важелів, ряду зубчастиних коліс і т. д. Верстат оснащений механізмом поперечних подач з приводом від крокового електродвигуна. Завдяки цьому кінематичний ланцюг короткий. Вона складається з приводного крокового електродвигуна, черв'ячної пари та гвинтової пари кочення. Наявність пристрою ЧПУ ПІ 1-13, яке спільно з електроавтоматикою верстата керує роботою крокового електродвигуна та забезпечує заданий цикл роботи.
5. Органи керування (рукоятки, маховички, кнопки) та налагодження скомпоновані та розташовані на передній стінці та пульті верстата.
6. Блокувальні пристрої на верстаті відповідають вимогам техніки безпеки. Так, пуск гідроприводу можливий тільки у вихідному положенні столу, пуск внутрішньошліфувального шпинделя і шпинделя заготовки бабки - тільки при включеному гідроприводі. При відкриванні дверцят електрошафи автоматично вимикається вступний вимикач.
Показники точності обробки характеризуються: по круглості 1 мкм, сталість діаметра в поздовжньому перерізі 2 мкм, параметр шорсткості внутрішньої циліндричної поверхні Ra ≤ 0,16 мкм, плоскої торцевої поверхні Ra ≤ 0,32 мкм.
У верстаті 3М227В насосна станція та бак гідросистеми відокремлені від верстата. Очищення СОЖ від шламу здійснюють фільтром та магнітним сепаратором. Здійснюється примусове змащування маслом: направляючих кочення столу та станини, опор шпинделя бабки заготівлі та направляючих кочення в механізмі поперечної подачі шліфувальної бабки, гвинтової пари кочення та ін.
Внутрішнє шліфування є одним з основних методів чистової обробки отворів, при якому в залежності від режимів шліфування та характеристики шліфувального кола може бути досягнута точність обробки за 1-3 класом і шорсткість поверхні V7-V9.
Перевагою процесу внутрішнього шліфування є можливість виправлення відведення осі отвору, що утворився на попередніх операціях, а також забезпечення перпендикулярності торцевої поверхні до осі отвору, що досягається при шліфуванні отвору і торця з одного установа.
Внутрішнє шліфування може застосовуватися для обробки циліндричних та конічних наскрізних та глухих отворів у деталях, виготовлених із незагартованої та загартованої сталі, чавуну, кольорових металів та неметалічних матеріалів.
Внутрішнє шліфування широко застосовується у всіх галузях машинобудування. На внутрішньошліфувальних верстатах обробляються отвори зубчастиних коліс (гладкі та шліцеві), внутрішніх кілець шарикопідшипників та роликопідшипників; роликові доріжки зовнішніх кілець підшипників; отвори кондукторних втулок, перехідних втулок з конусом Морзе, різних різальних інструментів, наприклад, фрез, шеверів, насадних розгорток та ін.
При внутрішньому шліфуванні застосовується як шліфування з поздовжньою подачею, і методом врізання. Найбільшого поширення набув перший спосіб. Шліфування методом врізування застосовують під час шліфування коротких отворів, а також отворів, обмежених буртами або уступами.
При внутрішньому шліфуванні застосовуються методи поздовжньої та поперечної подачі. Розрізняють такі види рухів:
При шліфуванні з поздовжньою подачею величина подачі має перевищувати 3/4 висоти кола однією оборот деталі. Поперечна подача при цьому уривчаста на кожен одинарний або подвійний хід або безперервна.
Шліфування методом врізання застосовують при обробці коротких отворів, а також внутрішніх циліндричних поверхонь, обмежених точними торцями або уступами, наприклад, роликових доріжок кілець підшипників. Для забезпечення рівномірності зносу колу повідомляється додатковий осцилюючий рух, якщо це дозволяє конфігурація деталі.
Особливості внутрішнього шліфування створюють низку обмежень застосування цього методу. До них відносяться:
Залежність діаметра шліфувального кола від діаметра шліфувального отвору, а також необхідність значного вильоту шліфувального шпинделя, особливо при шліфуванні довгих отворів, що обумовлюються введенням шліфувального кола в оброблений отвір, призводять до зниження жорсткості системи і створюють ряд обмежень.

Внутрішньошліфувальні верстати можуть бути поділені на дві основні групи.
Залежно від характеру виробництва застосовуються універсальні внутрішньошліфувальні верстати, напівавтомати та автомати.
Універсальні верстати з патронним затискачем застосовуються для обробки коротких та довгих циліндричних та конічних отворів. Конічні отвори шліфуються шляхом повороту бабки відповідний кут. Ці верстати поширені у допоміжних цехах заводів масового виробництва, а також основних цехах заводів серійного виробництва. Універсальні верстати забезпечуються зазвичай торцешліфувальним пристроєм, що дозволяє забезпечувати при обробці високу точність перпендикулярності торця до отвору. Шліфувальні головки на універсальних верстатах встановлюються на санках і можуть бути змінними.
Напівавтомати , що широко застосовуються в масовому та великосерійному виробництвах, забезпечуються вимірювально-керуючими пристроями, які автоматично контролюють процес шліфування, і припиняють обробку при досягненні заданого розміру.
Автомати - центрові та безцентрові забезпечуються додатково завантажувальними пристроями, що подають деталі для обробки в зону шліфування, а також пристроями для автоматичного закріплення та зняття деталі та керування правкою кола.
Основними внутрішньошліфувальними верстатами, що випускаються вітчизняною промисловістю, є верстати гами ЗК. Ці верстати призначені для обробки отворів діаметром від 3 до 800 мм і випускаються класами точності П, В та А. Усі універсальні верстати гами ЗК, за винятком моделі ЗК230В, оснащені торцешліфувальними пристроями.
На базі основних моделей випускають різні модифікації верстатів - з подовженим перебігом столу для обробки, довгих деталей.

Габаритні розміри робочого простору верстата 3к227в
Габаритные розміри робочого простору верстата 3К227В. Дивитись у збільшеному масштабі

Фото внутришлифовального верстата 3к227в
Фото внутришлифовального верстата 3К227В. Дивитись у збільшеному масштабі

Фото внутришлифовального верстата 3к227в
Фото внутришлифовального верстата 3К227В. Дивитись у збільшеному масштабі

Фото внутришлифовального верстата 3к227в
Фото внутришлифовального верстата 3К227В. Дивитись у збільшеному масштабі

Фото внутришлифовального верстата 3к227в
Фото внутришлифовального верстата 3К227В. Дивитись у збільшеному масштабі

Фото внутришлифовального верстата 3к227в

Фото внутришлифовального верстата 3к227в
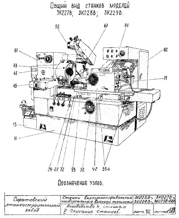
Розташування складових частин верстата 3К227В. Дивитись у збільшеному масштабі

Розташування органів керування внутришлифовальным верстатом 3к227в
Розташування органів керування верстатом 3К227В. Дивитись у збільшеному масштабі
* Для верстата 3К225В
Питание ланцюгів електроустаткування осуществляется следующими напряжениями:
Електроустаткування верстата предназначено для подключения к трехфазной сети переменного тока з глухозаземленным или изолированным нейтральным проводом.
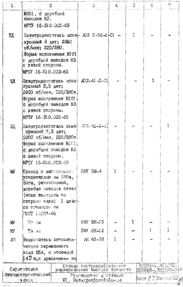
На станке установлены електродвигатели:
Увімкнення вводного автоматичного выключателя АВ на верстат подается напряжение, при етом загорается сигнальная лампа 6 (ЛС «Сеть»).
Стол находится в исходном положении, конечный выключатель 1ВК нажат, н.з. контакт 1ВК(10-11) разомкнут, а н.о. контакт 1ВК(2-5) замкнут. Торцешлифовальное пристрій находится в верхнем нерабочем положении, микропереключатель 2ВК нажат, н.о. контакт 2ВК(2-5) замкнут. Переключатель обертання вироби 5(ПИ) ставится в положение «Работа», при етом замыкаются точки (11-12).
Нажатием на кнопку 2 (2КУ «Пуск») включается і ставится на самопитание магнитный пускатель 1К. Силовые контакты 1К включают електродвигатели: гідравлики 1Д, електронасоса охлаждения 2Д і магнитного сепаратора 3Д. Н.о. контакт 1К(Л15-51) замыкаясь, подает питание на обмотку возбуждения двигуна ДИ і вспомогательные ланцюги блока МУ.
Нажатием на кнопку 4 (5КУ «Пуск»)включается з самопитанием магнитный пускатель 2К, силовые контакты которого включают електродвигатель шлифовального круга 5Д (для верстатів моделей 3К227В, 3К228В, 3К229В).
Привід шлифовального круга на станке 3К225В осуществляется от пневмошпинделя.
Рукояткой гідравлики стол пускается в зону шлифования.
При сходе стола з исходного положения освобождается от нажатия конечный выключатель 1ВК. Н.з. контакт 1ВК(10-11) замыкаясь, включает реле часу РВ, промежуточное реле РП і магнитный пускатель 3К. Силовые контакты 3К включают привід з магнитным пускателем МУ. Електродвигун привід приводу вироби ДИ начинает вращаться. Для уменьшения пускового тока електродвигатель ДИ включается через добавочное сопротивление 7R, установленное в ланцюги керування магнитного усилителя, вследствие чего выходное напряжение магнитного усилителя понижено і електродвигатель ДИ раскручивается при уменьшенном пусковом токе. Через промежуток часу, достаточный для раскрутки електродвигуна ДИ, замыкается н.о. контакт реле часу РВ(55-56), шунтируя добавочное сопротивление 7R.
Выходное напряжение магнитного усилителя растет і електродвигатель раскручивается на полные обороты, установленные регулятором оборотів 7(Р).
В начале шлифовки устанавливается припуск по механізму подачі і нажимается его рукоятка вводящая механізм в рабочее положение.
При етом нажимается микропереключатель 3ВК, который размыкает свой н.з. контакт (17-18) і замыкает н.о. контакт (12-14). Реле РП встает на самопитание и, замыкая свой н.о. контакт (10-17), подготавливает к включению електромагнит відведення стола 1ЭМ.
После снятия установленная припуска микропереключатель 3ВК отпускается і своим н.з. контактом (17-18) включает електромагнит 1ЭМ. Происходит отвод стола в исходное положение.
В исходном положении стола нажимается конечный выключатель 1ВК. Н.з. контакт 1ВК(10-11) размыкается, отключает магнитный пускатель 3К, реле РП і РВ. Н.о. контакт РП(10-17) отключает електромагнит 1ЭИ. Силовые контакты 3К размыкаются і отключают привід МУ. Н.з. контакт 3К(53-54) включает динамическое торможение електродвигуна ДИ при помощи сопротивления 6R.
Производится замер детали.
При необходимости дошлифовки, рукояткой гідравлики стол посылается в зону шлифования. Отвода стола не післядует, т.к. реле РП включиться не може, потому что микропереключатель 3ВК після снятия основного припуска остался отпущенным і его н.о. контакт (12-14) разомкнут. Отвод стола після дошлифовки производится вручную.
Для шлифовки торца торцешлифовальное пристрій устанавливается в рабочее положение. Стол при етом должен находиться в исходном положении.
Увімкнення електродвигуна торцешлифовального круга 4Д производится нажатием кнопки 38 (3КУ «Пуск»).
Одновременно з електродвигуном 4Д включается електродвигатель приводу вироби ДИ н.о. контактом 4К(10-11). Відключення електродвигуна 4Д осуществляется нажатием кнопки 39 (4КУ «Стоп»), при етом отключается і електродвигатель ДИ.
В схеме предусмотрены наступні блокировки:

Список елементів внутришлифовального верстата 3К225В, 3К227В, 3К228В, 3К229В

Список елементів внутришлифовального верстата 3К225В, 3К227В, 3К228В, 3К229В

Список елементів внутришлифовального верстата 3К225В, 3К227В, 3К228В, 3К229В

Список елементів внутришлифовального верстата 3К225В, 3К227В, 3К228В, 3К229В

Список елементів внутришлифовального верстата 3К225В, 3К227В, 3К228В, 3К229В

Список елементів внутришлифовального верстата 3К225В, 3К227В, 3К228В, 3К229В

Технічні характеристики внутришлифовального верстата 3К225В, 3К227В, 3К228В, 3К229В

Технічні характеристики внутришлифовального верстата 3К225В, 3К227В, 3К228В, 3К229В

Технічні характеристики внутришлифовального верстата 3К225В, 3К227В, 3К228В, 3К229В

Технічні характеристики внутришлифовального верстата 3К225В, 3К227В, 3К228В, 3К229В

Технічні характеристики внутришлифовального верстата 3К225В, 3К227В, 3К228В, 3К229В

Технічні характеристики внутришлифовального верстата 3К225В, 3К227В, 3К228В, 3К229В

Технічні характеристики внутришлифовального верстата 3К225В, 3К227В, 3К228В, 3К229В