Виробник координатно-розточувального верстата 2431 (2431С) Каунаський верстатобудівний завод ім. Дзержинського, Koordinate м. Каунас Литва.
Електроустаткування верстата призначене для роботи від трифазної мережі змінного струму з напругою 380 В частотою 50 Гц (загальнопромислове виконання).
Живлення ланцюгів електроустаткування здійснюється наступними напругами:
Електроустаткування верстата призначене для підключення до трифазної мережі змінного струму з глухозаземленим або ізольованим нейтральним дротом.
На верстаті встановлені електродвигуни:
До складу електроустаткування входить:
Конструктивно електрообладнання верстата розподілено так:

Органи керування електроустаткуванням верстата 2431

Органи керування електроустаткуванням верстата 2431

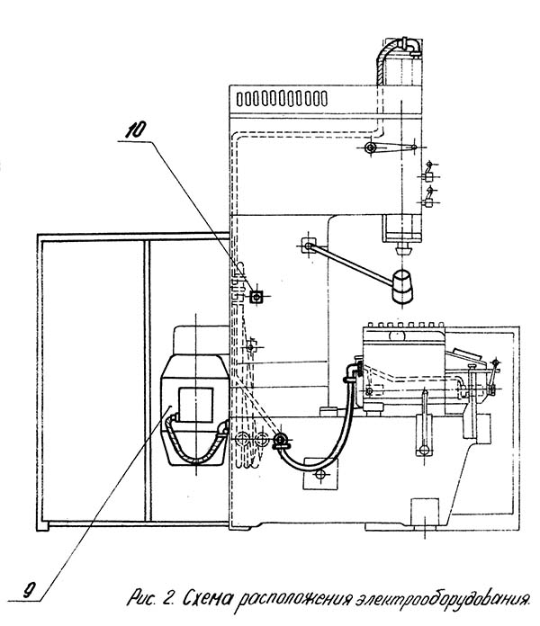
Схема розташування електроустаткування на верстаті 2431
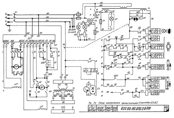
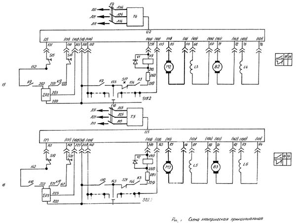
Органи керування електроустаткуванням верстата показано на рис.1. Схема розміщення електроустаткування верстата наведено на рис.2. Принципові та монтажні схеми наведені на рис. 3-15.
Ланцюги керування живляться напругою 110 від вторинної обмотки трансформатора керування ТЗ. Світильник місцевого освітлення з лампою розжарювання живиться напругою 24в трансформатора ТЗ.
Індуктивні датчики поворотних ділильних столів живляться напругою 24в від окремого трансформатора Т1 через ферорезонансний стабілізатор G.
Електричні лампи оптичних пристроїв відліку координат живляться від обмотки 12в трансформатора Т2 через опори, що гасять Р21, Р22. Увімкнення ламп здійснюється під час піднімання кришки екранів.
При цьому спрацьовує мікровимикач S4 який включає реле часу К1. Час підсвічування екранів (витримка часу реле К1) становить 20-30 с. Для повторного включення ламп необхідно натиснути та відпустити кнопку мікровимикача S4.
Підключення верстата до живильної електромережі проводиться через електрошафу керування, в якому є для цього два клемники - верхній нижній.

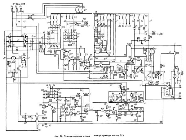
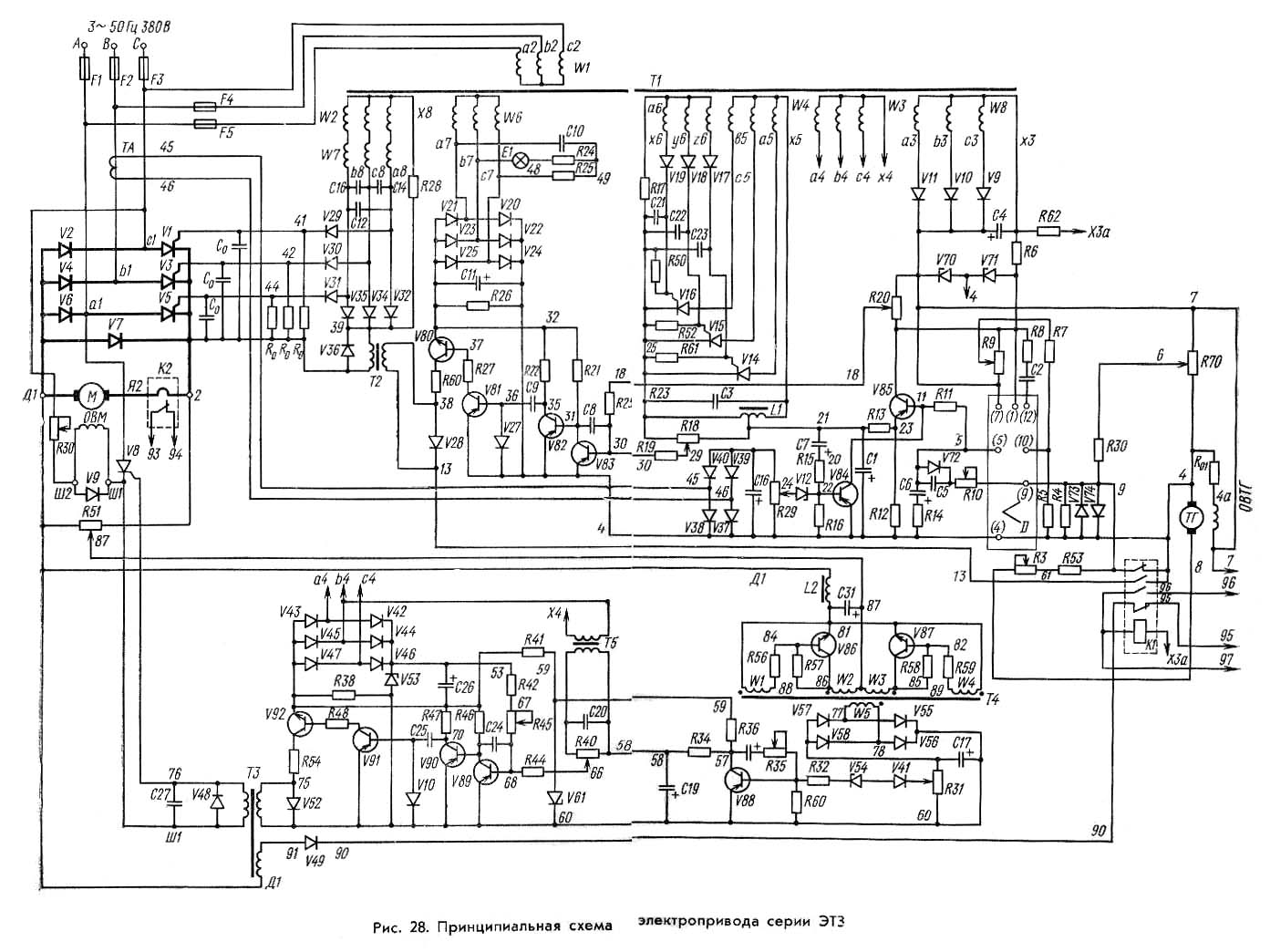
Електрична схема верстата 2431 з перетворювачем ЭТ3-211-43
Електрична схема координатно-розточувального верстата 2431. Дивитись у збільшеному масштабі

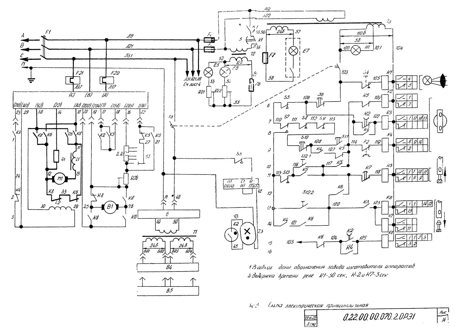
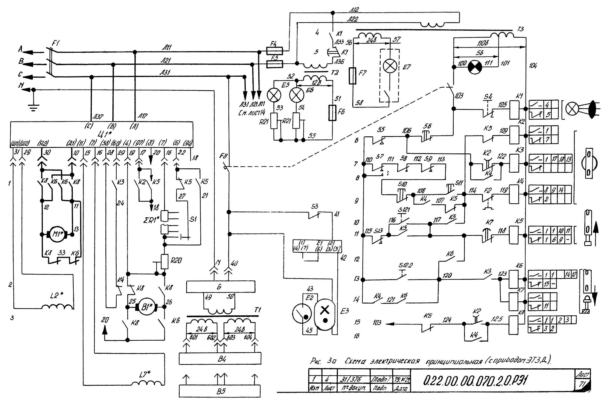
Електрична схема верстата 2431 з перетворювачем ЭТ3Д-2-43
Електрична схема координатно-розточувального верстата 2431. Дивитись у збільшеному масштабі

Електрична схема верстата 2431
Електрична схема координатно-розточувального верстата 2431. Дивитись у збільшеному масштабі

Електрична схема верстата 2431
Електрична схема координатно-розточувального верстата 2431. Дивитись у збільшеному масштабі

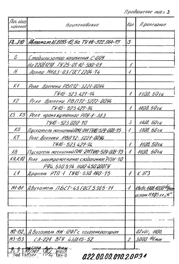
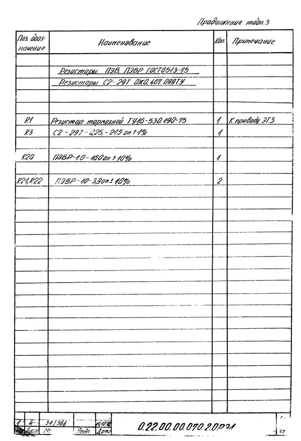
Перелік елементів до електричної схеми верстата 2431

Перелік елементів до електричної схеми верстата 2431

Перелік елементів до електричної схеми верстата 2431

Перелік елементів до електричної схеми верстата 2431

Перелік елементів до електричної схеми верстата 2431

Перелік елементів до електричної схеми верстата 2431

Перелік елементів до електричної схеми верстата 2431
Електропривід шпинделя здійснюється двигуном постійного струму М1 який живиться від тиристорного перетворювача U1. Швидкість обертання двигуна регулюється ступінчасто, з кроком φ = 1,25 в діапазоні 60 - 2400 об/хв (на шпинделі 75 - 3000 об/хв).
Принципова схема електроприводу U1 та опис принципу роботи дано у супровідній техдокументації заводу виробника приводу, що додається.
У схемі керування електроприводом шпинделя передбачені такі режими роботи:
Верстат до роботи підготовлений, коли включені автомати керування F8, F9, F10 та вступний автомат F1, про включення якого сигналізує лампочка Н1.
Увімкнення обертання шпинделя здійснюється натисканням кнопки S11 "Пуск шпинделя" (поз.2 рис.1). При натисканні S11 спрацьовує реле, які дають команди для пуску електродвигуна шпинделя на швидкість, що відповідає положенню регулятора S1.
Зупинка шпинделя здійснюється натисканням кнопки S10 "Стоп шпинделя" (поз. рис.1). При натисканні S10 двигун М1 гальмується. Після зупинки двигуна струм збудження в обмотці зменшується.
Зміна інструменту можлива лише у верхньому положенні шпинделя, при цьому мікровимикач S7 замикає контакти 110-115.
Для затискання інструменту необхідно короткочасно нахилити ручку перемикача S12 "Зажим - віджимання інструменту" (поз.4 рис.1). У міру затягування інструменту від муфти зусилля спрацьовує мікровимикач S13, який розриває ланцюг живлення реле К5 і зрештою зупиняє електродвигун обертання шпинделя.
Для отжима инструмента необходимо кратковременно наклонить ручку переключателя S12 в другую сторону. При етом срабатывает реле К6, К7. Реле К6 і К8 реверсирует якорные обмотки двигуна М1 і тахогенератора В1. Реле К6 включает реле К5, которое включает електродвигатель обертання шпинделя как описано выше. Двигатель на малых оборотах вращается в обратную сторону. Через 2-3 сек. (время достаточное для отжима инструмента) реле часу К7 отключает реле К5 і двигатель останавливается.
Электропривід подачі стола і салазок, а также схеми керування приводами аналогичны.
Электропривід подачі салазок осуществляется електродвигуном постоянного тока М2, который питается от транзисторного преобразователя U2.
Увімкнення подачі салазок производится поворотом ручки регулятора S18 (поз.6 рис.1) в ту или другую сторону в зависимости от требуемого направления переміщення. Скорость обертання електродвигуна регулируется изменением величины задающего напряжения, что осуществляется поворотом регулятора S20. Пределы регулювання оборотів от 32 до 2900 об/мин соответствует скорости переміщення салазок от 20 до 1600мм/мин. Регулювання ступенчатое з шагом φ =1,25. Последняя ступень соответствует ускоренному ходу 1600 мм/мин.
Відключення електродвигуна переміщення салазок производится поворотом ручки в регулятора S20 в нейтральное положение.
Принципиальная схема преобразователя U2 і опис принципа роботи даны в сопроводительной техдокументации завода изготовителя привода, которая прилагается.
Увімкнення подачі стола і регулювання скорости производится поворотом ручки регулятора S22 (поз.7 рис.1). Работа схеми керування переміщення стола аналогична работе схеми переміщення салазок.
В схеме керуванням верстатом предусмотрены наступні блокировки:
ВНИМАНИЕ! Захист от случайного попадания напряжения на металлические частини верстата должны быть осуществлена надежным заземлением согласно действующим правилам і нормам.
Захист елементів електроустаткування верстата от коротких замыканий осуществлена автоматическими выключателями F1, F8, F9, F10 і плавкими предохранителями F4, F5, F6, F7. Захист от перегрузки електродвигуна шпинделя M1 осуществляется тепловым реле F2.
Нулевая защита осуществляется катушками реле.
Для аварийного отключения електродвигателей верстата служит кнопка S6 "Загальний стоп" (поз.8 рис.1).
ВНИМАНИЕ! Переключатели "Контроль", "Работа", расположенные на передньої панелі блоков U2, U3 електроприводов, должны быть в положении "Работа".
Питание индуктивных датчиков поворотных делительных столов осуществляется от специального трансформатора Т1 через феррорезонансный стабилизатор. Весь узел живлення смонтирован на отдельной панелі в електрошкафу керування.
Подключение делительных столов производится при помощи кабеля (трасса 33 рис.14) з разъемами Х14 і Х15.
Прежде чем приступить к пуску верстата, необходимо тщательно ознакомится з документацией верстата:
ВНИМАНИЕ! При пуске верстата следует обратить внимание на правильную фазировку (ярко горит сигнальная лампа на блоке преобразователя) електроприводу шпинделя. При обратной післядовательности фаз привід работать не будет. Подробнее етот вопрос объясняется в руководстве по експлуатации приводов U1.
В настоящее время трёхфазные електроприводы серии ЭТ3 сняты з производства. Возможна заменена на ЭПУ1М і ЭПУ1М6 производства ООО "Электропром" (Завод Электромашина) г. Прокопьевск.
Нереверсивный тиристорный електропривід постоянного тока серии ЭТ3 предназначен для приводу механізма головного руху металлорежущих верстатів, но може быть использован і для других целей.
Электропривід ЭТ3 позволяет регулировать частоту обертання електродвигуна з постоянным моментом на его валу в диапазоне частоти обертання от минимальной, равной 10 об/мин., до номинальной — первая зона ( виконання ЭТ3-1), а также і регулювання частоти от номинальной до максимальной з постоянной мощностью на валу електродвигуна — вторая зона (виконання ЭТ3-2).
Электроприводы выпускаются в комплекте з двигунами серии П, ПБСТ і 2П і рассчитаны для роботи в режимах:
Регулювання во второй зоне — зависимое, т.е. осуществляется одним задатчиком частоти обертання.
Изменение направления обертання возможно при изменении полярности напряжения на обмотке возбуждения при сохранении неизменной полярности сигнала обратной связи, что може быть достигнуто применением соответствующей переключающей апаратури. В схеме изменения направления обертання двигуна должны быть предусмотрены соответствующие блокировки, исключающие возможность реверса тока обмотки возбуждения при вращающемся двигателе, і другие аварийные режими.
Електропривід серії ЕТ3 має потужність двигуна 1,1...22 кВт, і номінальна його напруга дорівнює 110, 220 і 340 В. Максимальна частота обертання електродвигуна залежить від його типу і забезпечується відповідно до технічних даних на двигун, що входить в комплект приводу. Мінімальна частота обертання двигуна nmin = 10 об/хв. Відхилення частоти обертання при зміні навантаження від 0,1 Іном до 1,0 Іном не повинно перевищувати від встановленої пої 0,6 Іном.
Склад приводу ЕТ3
ЕТ3-Х1Х2Х3-ХХХ4/ХХХХ5 УХЛ4. Приклад: ЕТ3-211-43/1000

Структурна схема приводу ЕТ3

Електрична схема приводу ЕТ3
Електрична схема приводу ЭТ3-211-43. Дивитись у збільшеному масштабі

Фото приводу ЕТ3
Електроприводи комплектні тиристорні постійного струму серії ЕТ3Д призначені для застосування в механізмах головного руху металорізальних верстатів з ЧПУ та інших машин, де до динамічних характеристик приводу висуваються високі вимоги. Електропривід ЭТ3Д має потужність двигуна 1,0-15 кВт, номінальна напруга двигуна 110, 220В; максимальна частота обертання електродвигуна залежить від його типу і забезпечується відповідно до технічних даних на двигун, що входить до комплекту приводу.
Мінімальна частота обертання двигуна nmin = 3 об/хв.
Габаритні розміри тиристорного перетворювача: 550 х 300 х 350 мм. Габаритні розміри регулятора збудження: 250 х 150 х 200 мм.
Маса тиристорного перетворювача 32 кг; маса регулятора збудження 3 кг.
Електропривід ЕТ3Д призначений для роботи в тих умовах навколишнього середовища, що і привід ЕТ3.
Електроприводи ЕТ3Д забезпечують роботу у чотирьох квадрантах. Реверс приводу здійснюється шляхом зміни полярності напруги якоря двигуна.
Реверсний електропривід серії ЕТ3Д є двоконтурною системою автоматичного регулювання, що має негативний зворотний зв'язок по частоті обертання і зв'язок по струму навантаження. Блок-схему електроприводу наведено на рис. 36.

Структурна схема приводу ЕТ3
Загальновідомо, що людина може завжди дивитися на три речі: як горить вогонь, як тече вода і як працює інша людина.