Виробником токарно-гвинторізного верстата 1В625М є Астраханський верстатобудівний завод , заснований у 1944 році.
Основним видом діяльності Астраханського верстатобудівного заводу є випуск металорізального, ковальсько-пресового, абразивно-відрізного, деревообробного обладнання. Крім того, завод виробляє комплектуючі до верстатів та оснащення.
Завод випускає токарно-гвинторізні верстати моделі 1В62Г , 16В20 , 1В625 , 1В625М з відстанню між центрами 750, 1000 та 1500 мм та токарний верстат з ЧПУ АС16М20Ф3 .
Токарно-гвинторізний верстат 1В625М розроблений на основі токарно-гвинторізного верстата 1В625 і є аналогом верстатів МК6057 , верстата 16Р25П , ГС526У , СА500 .
Універсальні токарно-гвинторізні верстати 1В625М призначені для токарної обробки зовнішніх і внутрішніх поверхонь деталей типу тіл обертання різноманітного осьового профілю, у тому числі для нарізування метричної, модульної, дюймової та різьб на заготовках, що встановлюються в центрах або патроні.
Використовуються для внутрішньосоюзного постачання підприємствам усіх галузей народного господарства.
Найбільш доцільно використовувати верстати 1В625М в інструментальних та ремонтних службах в умовах дрібносерійного та одиничного виробництва на чистових та напівчистових роботах.
Жорстка коробчатої форми станина з гартованими, шліфованими напрямними має достатню жорсткість.
Шпиндель змонтований на точних підшипниках кочення.
Верстат 1В625М оснащений уніфікованою коробкою подач 077.0000.000 , яка дозволяє без налаштування зубчастиних коліс гітари нарізати дюймові різьблення з 11 та 19 нитками на дюйм.
Фартух також уніфікований вузол 067.0000.000 із вбудованим електродвигуном прискорених переміщень супорта та каретки, що покращує динаміку роботи верстата на прискореному ходу.
Конструкція різцетримача забезпечує стабільність положення фіксації інструменту. Фартух верстата забезпечений оригінальним механізмом вимикання подачі супорта, що забезпечує високу точність зупинки на жорсткому упорі. Комплекс огороджувальних та блокувальних пристроїв гарантує безпеку роботи на верстаті.
Всі основні частинини верстата виготовлені з високоякісної сталі, що забезпечує їхню надійну довговічну роботу.
Термооброблені та шліфовані напрямні станини, зубчасті колеса та вали забезпечують тривалий термін служби та підвищену точність обробки.
Задня бабка оснащена механічним розвантажувальним пристроєм, що забезпечує плавність та легкість її переміщення.
Коробка швидкостей, коробка подач і фартух мають автономну систему мастила.
Конструкція верстата дозволяє встановлювати на вузол шпиндельний електромеханічний, гідравлічний або пневматичний патрони для затиску заготовок.
Верстат сертифікований на відповідність вимогам безпеки.
Виконання та категорія розміщення верстатів у частинині умов експлуатації — УХЛ4 за ГОСТ 15150-69 (Для експлуатації у всіх кліматичних районах країн ближнього зарубіжжя у закритих опалювальних (охолоджуваних) та вентильованих виробничих приміщеннях).
Клас точності верстатів - Н за ГОСТ 8-82Е.
1 - токарний верстат (номер групи за класифікацією ЕНІМС)
В – покоління верстата або позначення заводу-виробника:
6 – номер підгрупи (1, 2, 3, 4, 5, 6, 7, 8, 9) за класифікацією ЕНІМС (6 – токарно-гвинторізний)
25 – висота центрів над станиною (16, 20, 25, 30, 40, 50) (20 – висота центрів 250 мм)
Літери наприкінці позначення моделі:
Г – верстат з виїмкою у станині
А, М - верстат з механічним приводом верхнього (різцевого) супорта.
К - верстат з копіювальним пристроєм
П - точність верстата - (н, п, в, а, с) за ГОСТ 8-82 (П - підвищена точність)
Ф1 – верстат з влаштуванням цифрової індикації УЦІ та переднабором координат
Ф2 - верстат з позиційною системою числового керування ЧПУ
Ф3 - верстат з контурною (безперервною) системою ЧПУ
Ф4 – верстат багатоцільовий з контурною системою ЧПУ та магазином інструментів
16В20 - верстат без виїмки в станині.
16В20А - верстат з механічним приводом верхнього супорта.
1В62Г - базовий верстат з виїмкою в станині. Станина верстата мод. 1В62Г має виїмку, що закривається знімним містком. Це дозволяє при знятому містку обробляти більші (діаметром до 620 мм) заготовки типу дисків, кілець та фланців.
1В62ГА - базовий верстат з виїмкою в станині. Верстат із механічним приводом верхнього супорта.
1В62ГУ - Ø 445 У даній конструкції застосована передня бабка зі спрощеною кінематичною схемою та шпиндельним вузлом підвищеної точності та жорсткості. Спрощена кінематична схема підвищує надійність роботи верстата, що не погіршує його технологічні можливості при точенні та нарізанні різьблення як метричного, так і трубного, без додаткового налаштування коробки передач.
16Г20АС - Ø 445 універсальний токарно-гвинторізний верстат підвищеної потужності
1В625 - Ø 500 базовий універсальний токарно-гвинторізний верстат з виїмкою в станині
1В625М - Ø 500 перспективна розробка Астраханського верстатобудівного заводу - верстат токарно-гвинторізний модель 1В625M. Призначений для виконання різноманітних токарних робіт, у тому числі для нарізування метричної, модульної, дюймової та питної різьблення на заготовках, що встановлюються в центрах або патроні. Виконання та категорія розміщення верстата щодо умов експлуатації - УХЛ4 за ГОСТ 15150-69.

Габарити робочого простору токарного верстата 1в625м.

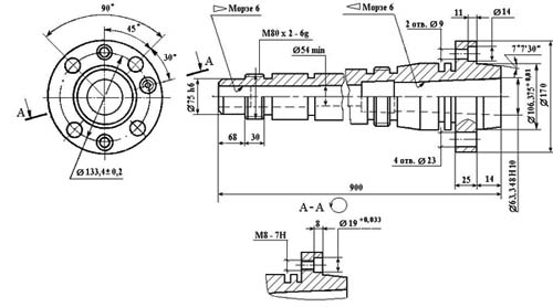
Шпиндель токарно-гвинторізного верстата 1в625м

Станина токарно-гвинторізного верстата 1в625м
Станина токарно-гвинторізного верстата 1625м. Завантажити у збільшеному масштабі

Фото токарно-гвинторізного верстата 1в625м
Фото токарно-гвинторізного верстата 1в625м. Завантажити у збільшеному масштабі

Фото токарно-гвинторізного верстата 1в625м

Розташування основних вузлів токарно-гвинторізного верстата 1в625м

Розташування органів керування токарно-гвинторізним верстатом 1в625м

Кінематична схема токарно-гвинторізного верстата 1в625м
Схема кінематична токарно-гвинторізного верстата 1В625М. Скачать в увеличенном масштабе
Придание шпинделю необходимой скорости обертання осуществляется установкой рукояток 1 і 2 (рисунок 9) согласно указаниям таблицы, укрепленной на лицевой стороне передньої бабки верстата.
В левой частини етой таблицы даны частоти прямого обертання шпинделя і указаны положения рукояток 1 і 2, при которых они обеспечиваются.
Рукоятка 1 устанавливается в одно из четырех положений (ее положение совмещается з рядами чисел частот, нанесенными над її ступицей, внизу правой частини таблицы). Рукоятка 2 круговым вращением устанавливается в положение, обеспечивающее совпадение цифры, нанесенной на боковую поверхность її ступицы (соответствующей цифре, выбранной в таблице), з указателем, нанесенным на таблице над етой рукояткой.
Установка величин подач осуществляется при установленной в положение “подача” (при совмещении выступа ступицы з соответствующим символом, нанесенным на таблице, укрепленной на кожухе коробки подач) рукоятке 6 (рисунок 9), рукоятками 5 і 7 в соответствии со значениями, указанными в правой верхней частини таблицы, укрепленной на лицевой стороне корпуса передньої бабки.
Настроив скорости обертання шпинделя в соответствии з выбранным рядом подач, находят в етой строке нужную подачу і по її расположению в заголовке і подзаголовке соответствующей графы находят указания по установці рукоятки 5 (в одно из положений I, II, III или IV) і рукоятки 7 (в одно из положений А, В, С или D).
Установка рукояток в определенные таким образом положения осуществляется совмещением выступов етих рукояток з соответствующими символами, указанными в таблице, расположенной на левой стороне кожуха коробки подач.
В таблице, расположенной на передньої бабке, даны значения величин продольных подач. Величина поперечної подачі равняется половине величины поздовжньої.
| Наименование параметра | 16В20 | 1В62Г | 1В625М |
|---|---|---|---|
| Основні параметри | |||
| Класс точності по ГОСТ 8-82 | Н | Н | Н |
| Наибольший диаметр заготовки над станиной, мм | 445 | 445 | 500 |
| Наибольший диаметр заготовки над суппортом, мм | 220 | 220 | 290 |
| Наибольший диаметр заготовки над выемкой станины, мм | - | 620 | 690 |
| Наибольшая длина заготовки (РМЦ), мм | 750,1000,1500 | 750,1000,1500 | 1000,1500,2000 |
| Наибольшая длина обтачивания, мм | 650,900,1400 | 650,900,1400 | 900,1400,1900 |
| Наибольшая масса заготовки в патроне, кг | |||
| Наибольшая масса заготовки в центрах, кг | |||
| Высота устанавливаемого резца, мм | 25 | 25 | 25 |
| Шпиндель | |||
| Диаметр сквозного отверстия в шпинделе, мм | 54 | 54 | 60 |
| Наибольший диаметр прутка, мм | |||
| Число ступеней частот прямого обертання шпинделя | 24 | 24 | 24 |
| Частота прямого обертання шпинделя, об/мин | 10...1400 | 10...1400 | 10...1400 |
| Число ступеней частот обратного обертання шпинделя | 12 | 12 | 12 |
| Частота обратного обертання шпинделя, об/мин | |||
| Размер внутреннего конуса в шпинделе | М5 | М5 | М5 |
| Кінець шпинделя по ГОСТ 12593-72 | 6К | 6К | 6К |
| Суппорт. Подачи | |||
| Наибольшее продольное перемещение каретки суппорта, мм | 900 | 900 | 900 |
| Наибольшее поперечное перемещение суппорта, мм | 280 | 280 | 302 |
| Наибольшее поперечное перемещение верхнего суппорта (салазок), мм | 130 | 130 | 130 |
| Число ступеней продольных/ поперечных подач | 50/ 50 | 50/ 50 | 50/ 50 |
| Пределы скорости продольных подач, мм/об | 0,018..22,4 | 0,018..22,4 | 0,036..22,4 |
| Пределы скорости поперечных подач, мм/об | 0,009..11,2 | 0,009..11,2 | 0,018..11,2 |
| Скорость быстрых перемещений суппорта, продольных/ поперечных, м/мин | 4/ 2 | 4/ 2 | 4/ 2 |
| Продольное перемещение на одно деление лимба, мм | 1 | 1 | 1 |
| Продольное перемещение на одно деление нониуса, мм | 0,1 | 0,1 | 0,1 |
| Поперечное перемещение суппорта на одно деление лимба, мм | 0,05 | 0,05 | 0,05 |
| Перемещение салазок на одно деление лимба, мм | 0,05 | 0,05 | 0,05 |
| Количество нарезаемых різьб метрических | 36 | 36 | 36 |
| Пределы шагов нарезаемых різьб метрических, мм | 0,5..224 | 0,5..224 | 0,5..224 |
| Количество нарезаемых різьб дюймовых | 45 | 45 | 45 |
| Пределы шагов нарезаемых різьб дюймовых | 77..0,125 | 77..0,125 | 77..0,125 |
| Количество нарезаемых різьб модульных | 36 | 36 | 36 |
| Пределы шагов нарезаемых різьб модульных | 0,5..224 | 0,5..224 | 0,5..224 |
| Количество нарезаемых різьб питчевых | 45 | 45 | 45 |
| Пределы шагов нарезаемых різьб питчевых | 77..0,125 | 77..0,125 | 77..0,125 |
| Предохранитель от перегрузки | есть | есть | есть |
| Блокировка продольных і поперечных подач | есть | есть | есть |
| Выключающие продольные упоры | есть | есть | есть |
| Шорсткість поверхні заготовки з конструкційної сталі при чистовому обточуванні, мкм, не більше | Сонце 2.0 | Сонце 2.0 | |
| Задня бабка | |||
| Найбільша довжина переміщення пінолі задньої бабки, мм | 150 | 150 | 150 |
| Найбільше переміщення задньої бабки, мм | ±15 | ±15 | ±15 |
| Електроустаткування | |||
| Кількість електродвигунів на верстаті | 3 | 3 | 3 |
| Електродвигун головного приводу, кВт | 7,5 | 7,5 | 7,5 |
| Привід прискорених переміщень, кВт | 0,75 | 0,75 | 0,37 |
| Електродвигун насоса охолодження, кВт | 0,12 | 0,12 | 0,12 |
| Сумарна потужність, кВт | 8,37 | 8,37 | |
| Габарити та маса верстата | |||
| Габарити верстата (довжина ширина висота) (РМЦ 1000), мм | 2800 1190 1450 | 2800 1190 1450 | 2800 1370 1700 |
| Маса верстата (РМЦ 1000), кг | 2450 | 2430 | 2430 |
Замовити
Хто володіє інформацією – той володіє світом.
Натан Ротшильд